| Figure 1: |
DIM Power and Ground
|
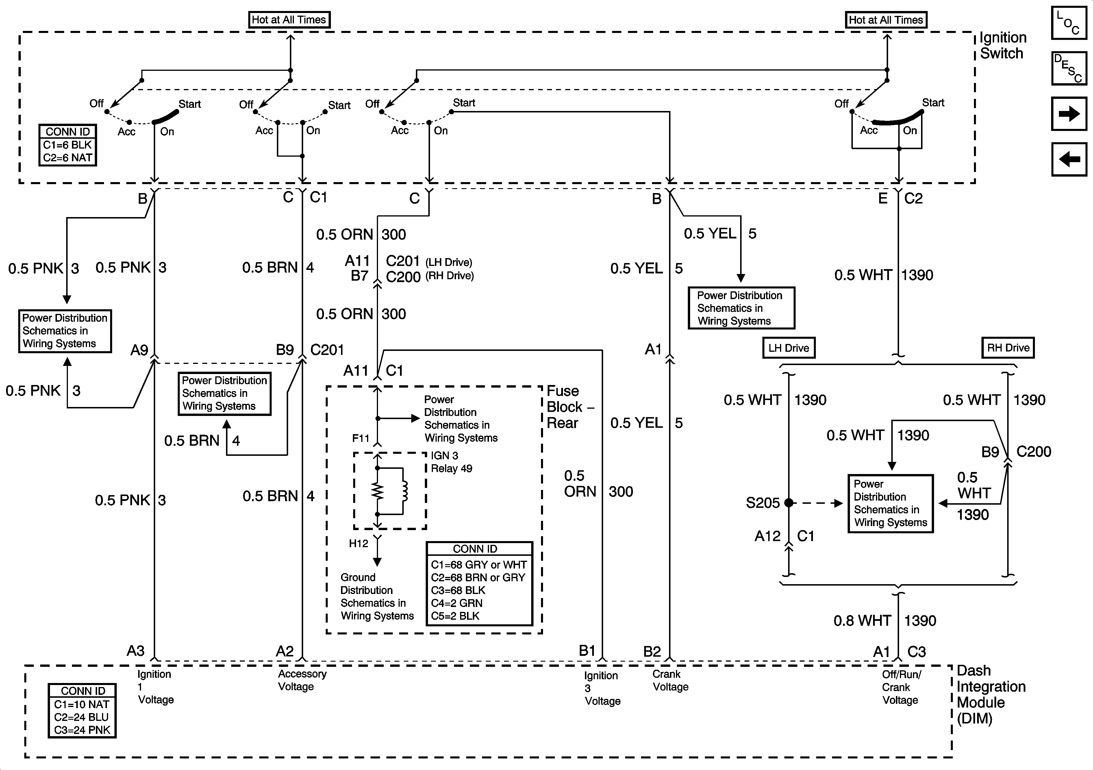
| Figure 2: |
DIM Ignition Inputs
|
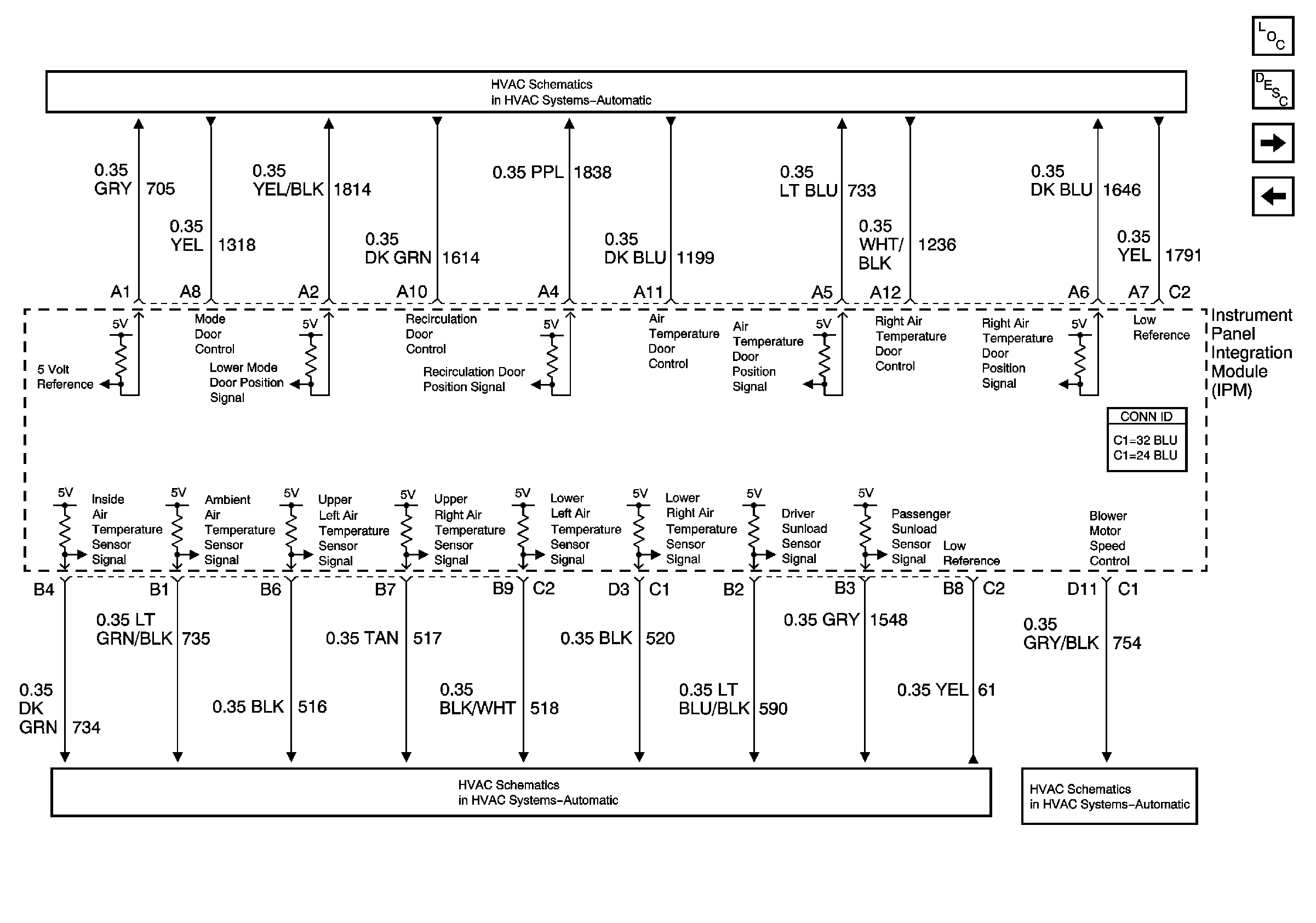
| Figure 3: |
DIM Inputs/Outputs (1 of 2)
|
| Figure 4: |
DIM Inputs/Outputs (2 of 2)
|
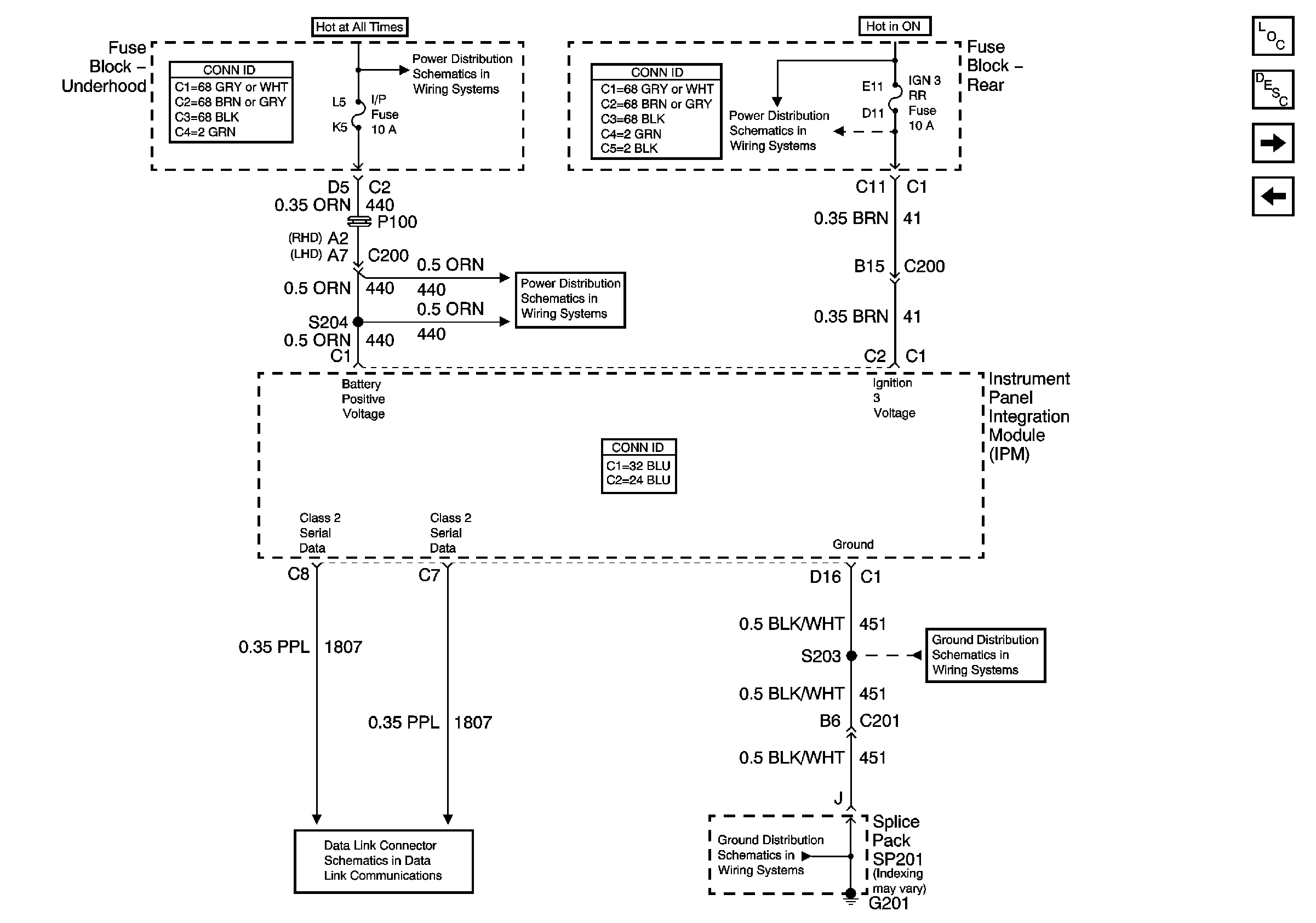
| Figure 5: |
IPM Power and Ground
|
| Figure 6: |
IPM Inputs/Outputs (1 of 2)
|
| Figure 7: |
IPM Inputs/Outputs (2 of 2)
|
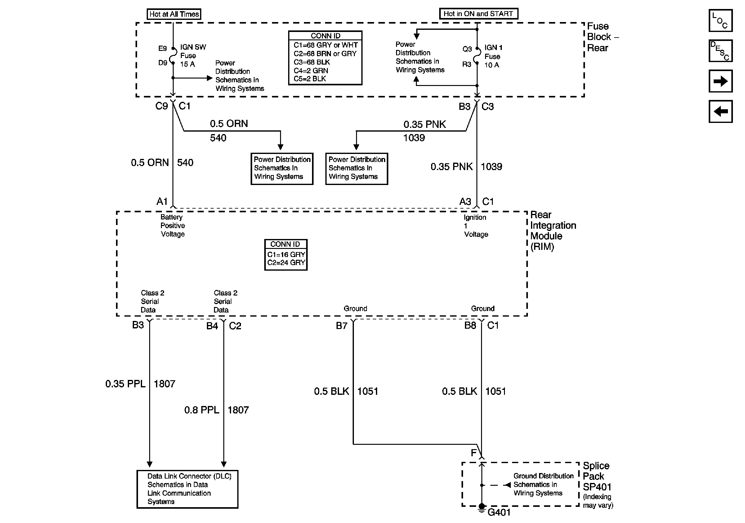
| Figure 8: |
RIM Power and Ground
|
| Figure 9: |
RIM Inputs/Outputs (1 of 2)
|
| Figure 10: |
RIM Inputs/Outputs (2 of 2)
|