GM Service Manual Online
For 1990-2009 cars only
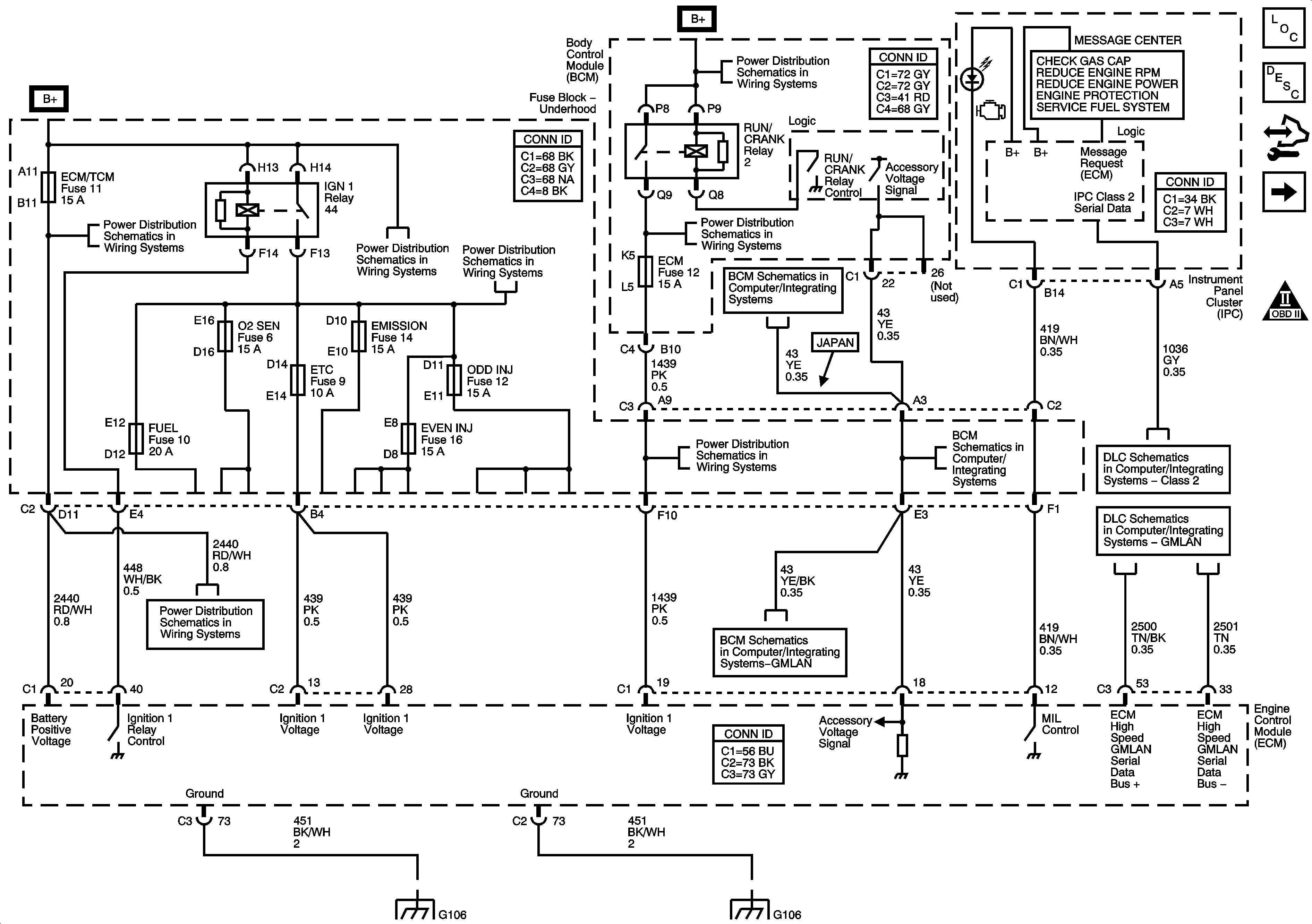
Figure 1:

DLC, Ground, MIL, and Power


Object Number: 1655789  Size: FS
Master Electrical Component List
Engine Control Module Description
Control Module References
5-Volt Reference Bussing
Engine Controls Schematic Icons
Fuse Block Underhood Fuses: ABS, AMP, BATT2, COOLFAN, ECM/TCM, HORN, HVAC, MRRTD, W/S WASH
Fuse Block Underhood Fuses: EMISSION, ETC, EVEN INJ, FUEL, O2SEN, and ODD INJ
Fuse Block Underhood Fuses: EMISSION, ETC, EVEN INJ, FUEL, O2SEN, and ODD INJ
BCM Fuses: AC LATCH/PK BRK B, CLUSTER, DOOR LOCKS, HVAC/PWR SND, INTERIOR LIGHTS, ISRVM/HVAC, and TUTD SW/STRG COL SW
BCM Fuses: ECM, GMLAN Devices, RPA/H/C SEAT and SDM/PSIR SW, Fuse Block Underhood Fuses - ABS/MRRTD, and ACC/TCM
06 XLR Body Control System Schematics - DLC, Power, and Ground
06 XLR Body Control System Schematics - DLC, Power, and Ground
06 XLR Body Control System Schematics - DLC, Power, and Ground
Class 2
GM LAN
Fuse Block Underhood Fuses: ABS, AMP, BATT2, COOLFAN, ECM/TCM, HORN, HVAC, MRRTD, W/S WASH
06 XLR Body Control System Schematics - DLC, Power, and Ground
G104 and G106
G104 and G106
Figure 2:

5-Volt Reference Bussing


Object Number: 1655791  Size: FS
Master Electrical Component List
Engine Control Module Description
Control Module References
Low Reference Bussing
06 GMX215 Y Cad DLC, Ground, MIL and Power
Engine Controls Schematic Icons
Figure 3:

Low Reference Bussing


Object Number: 1655794  Size: FS
Master Electrical Component List
Engine Control Module Description
Control Module References
Engine Data Sensors - ECT, MAP, MAF/IAT
5-Volt Reference Bussing
Engine Controls Schematic Icons
Figure 4:

Engine Data Sensors - ECT, MAP,and MAF/IAT


Object Number: 1655795  Size: FS
Master Electrical Component List
Engine Control Module Description
Control Module References
Engine Data Sensors - Oxygen Sensors
Low Reference Bussing
Engine Controls Schematic Icons
Fuse Block Underhood Fuses: EMISSION, ETC, EVEN INJ, FUEL, O2SEN, and ODD INJ
Fuse Block Underhood Fuses: EMISSION, ETC, EVEN INJ, FUEL, O2SEN, and ODD INJ
Gages
Stop Lamps
Shift Lever
G104 and G106
Figure 5:

Engine Data Sensors - Oxygen Sensors


Object Number: 1655797  Size: FS
Master Electrical Component List
Engine Control Module Description
Control Module References
Engine Data Sensors - Electronic Throttle Controls
Engine Data Sensors - ECT, MAP, MAF/IAT
Engine Controls Schematic Icons
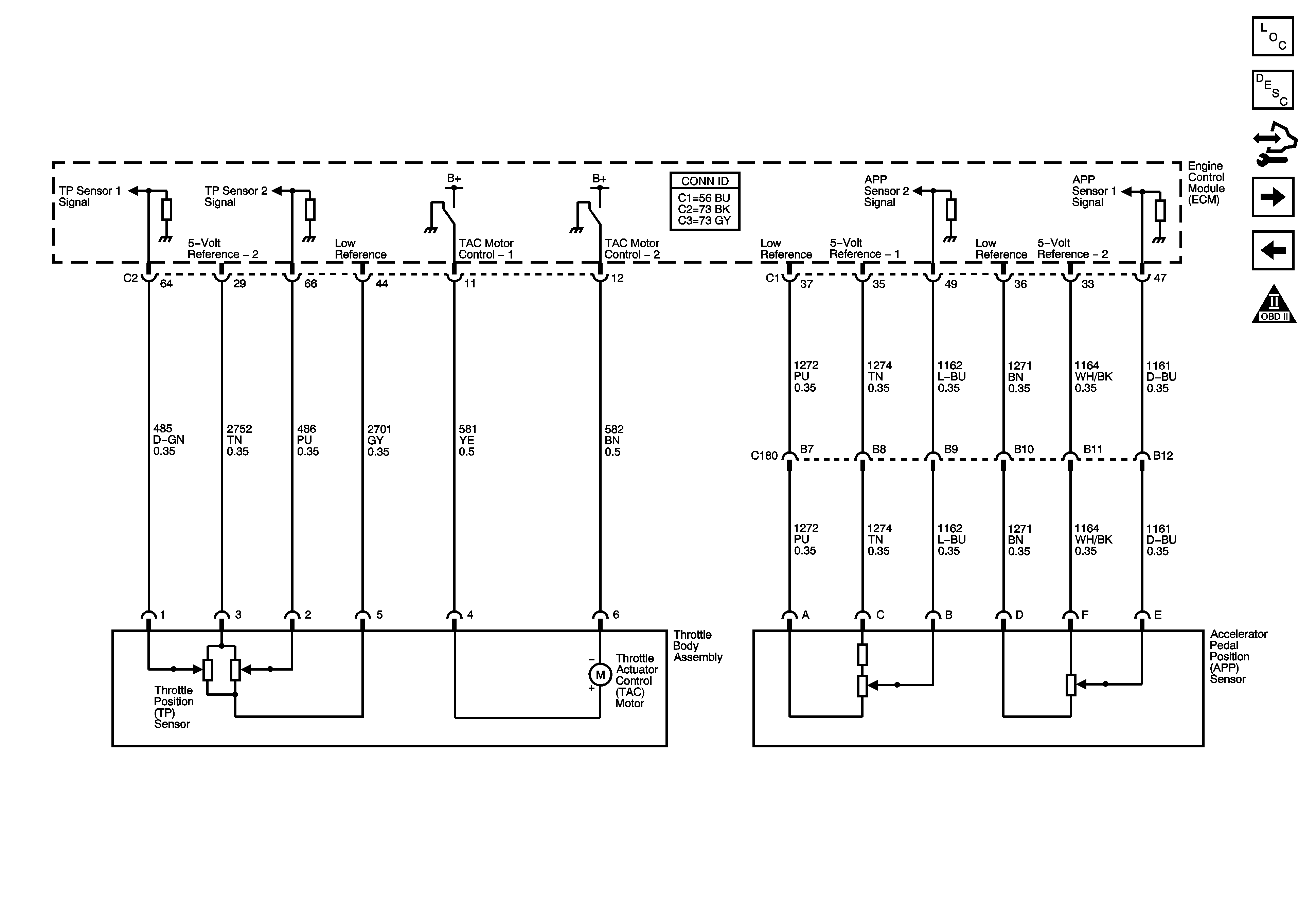
Figure 6:

Engine Data Sensors - Electronic Throttle Controls


Object Number: 1655799  Size: FS
Master Electrical Component List
Engine Control Module Description
Control Module References
Engine Controls Data Sensors SCIAP, IAT2, BARO, and Supercharger Vacuum Bypass Valve
Engine Data Sensors - Oxygen Sensors
Engine Controls Schematic Icons
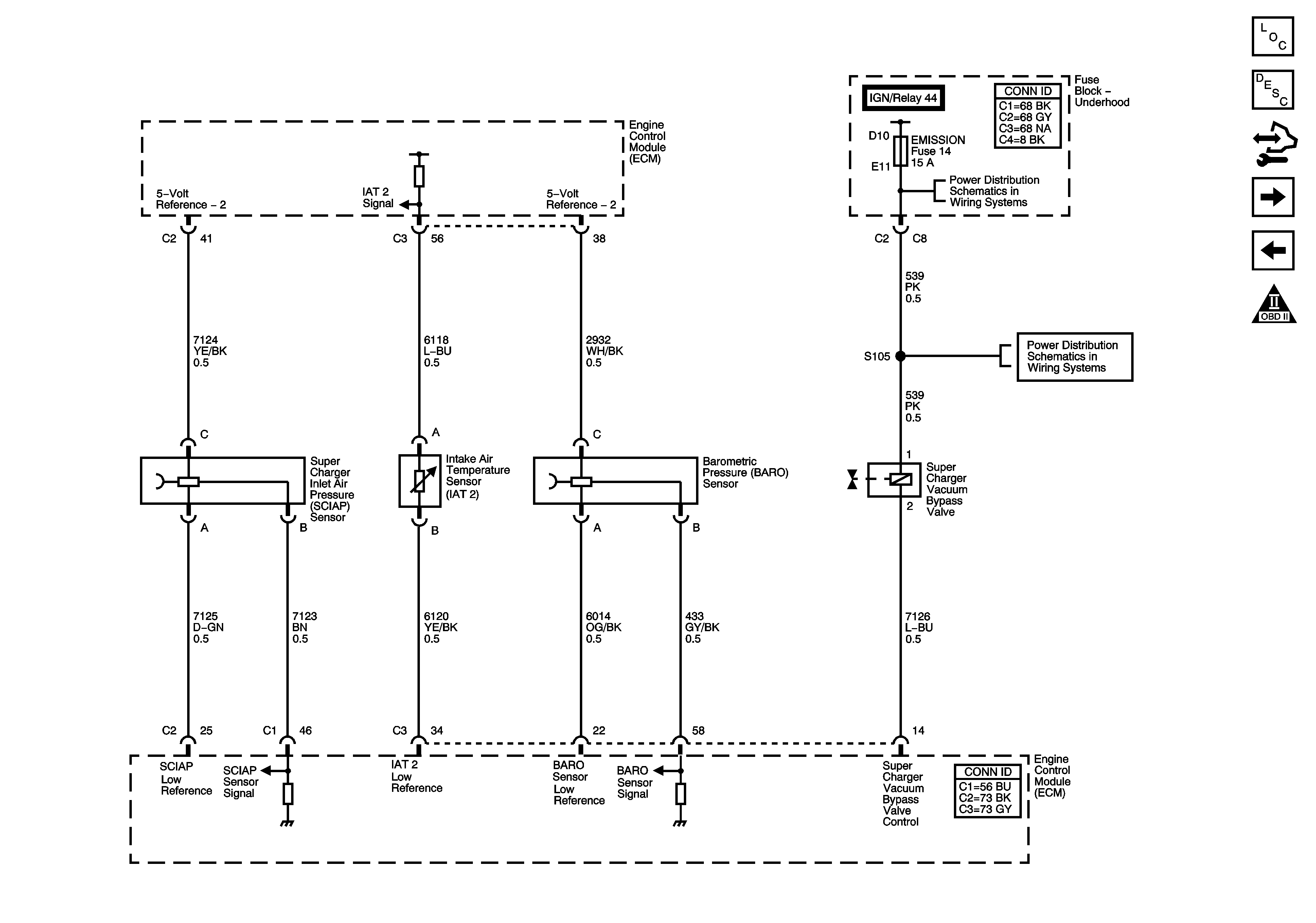
Figure 7:

Engine Data Sensors - SCIAP, IAT2, BARO and Supercharger Vacuum Bypass Valve


Object Number: 1657760  Size: FS
Master Electrical Component List
Engine Control Module Description
Control Module References
Cad Ignition System - Bank 1
Engine Data Sensors - Electronic Throttle Controls
Engine Controls Schematic Icons
Fuse Block Underhood Fuses: EMISSION, ETC, EVEN INJ, FUEL, O2SEN, and ODD INJ
Fuse Block Underhood Fuses: EMISSION, ETC, EVEN INJ, FUEL, O2SEN, and ODD INJ
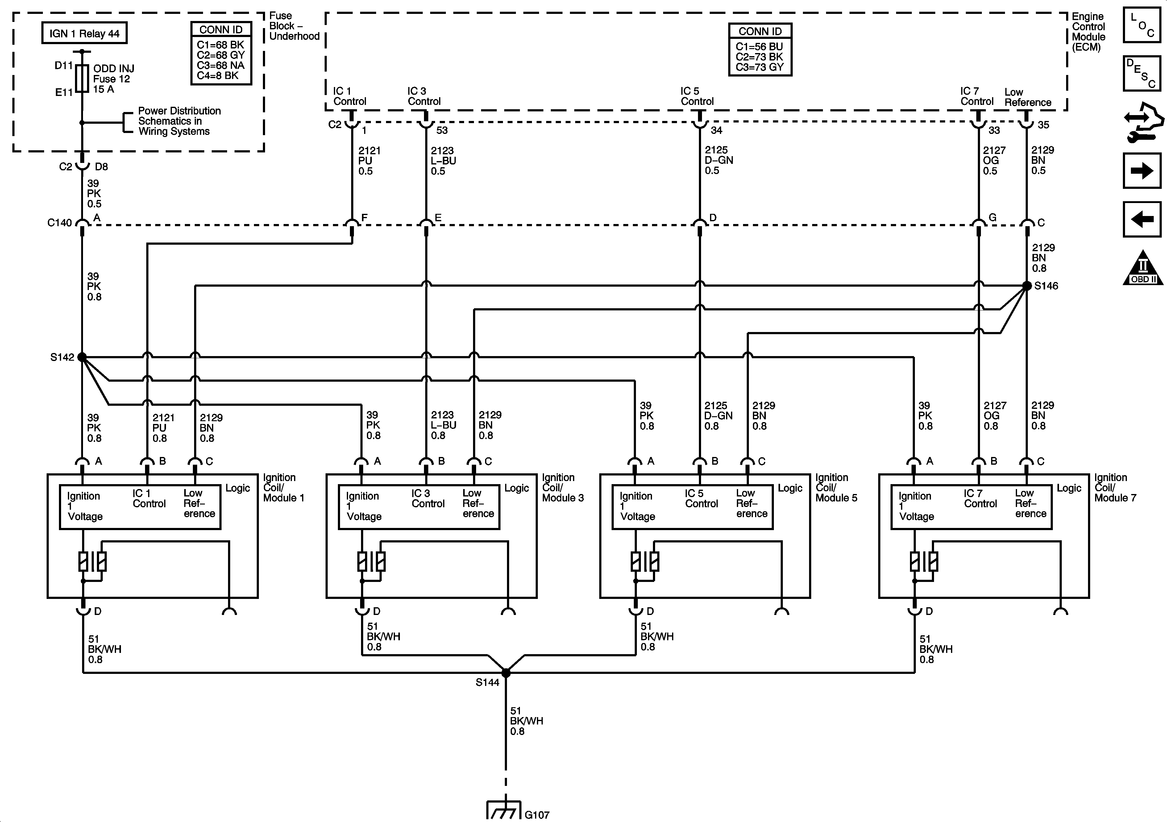
Figure 8:

Ignition System - Bank 1


Object Number: 1655800  Size: FS
Master Electrical Component List
Engine Control Module Description
Control Module References
Ignition System - Bank 2
Engine Controls Data Sensors SCIAP, IAT2, BARO, and Supercharger Vacuum Bypass Valve
Engine Controls Schematic Icons
Fuse Block Underhood Fuses: EMISSION, ETC, EVEN INJ, FUEL, O2SEN, and ODD INJ
G105 and G107
Figure 9:

Ignition System - Bank 2


Object Number: 1655801  Size: FS
Master Electrical Component List
Engine Control Module Description
Control Module References
Ignition Controls - CKP and Knock Sensors
Cad Ignition System - Bank 1
Engine Controls Schematic Icons
Fuse Block Underhood Fuses: EMISSION, ETC, EVEN INJ, FUEL, O2SEN, and ODD INJ
G105 and G107
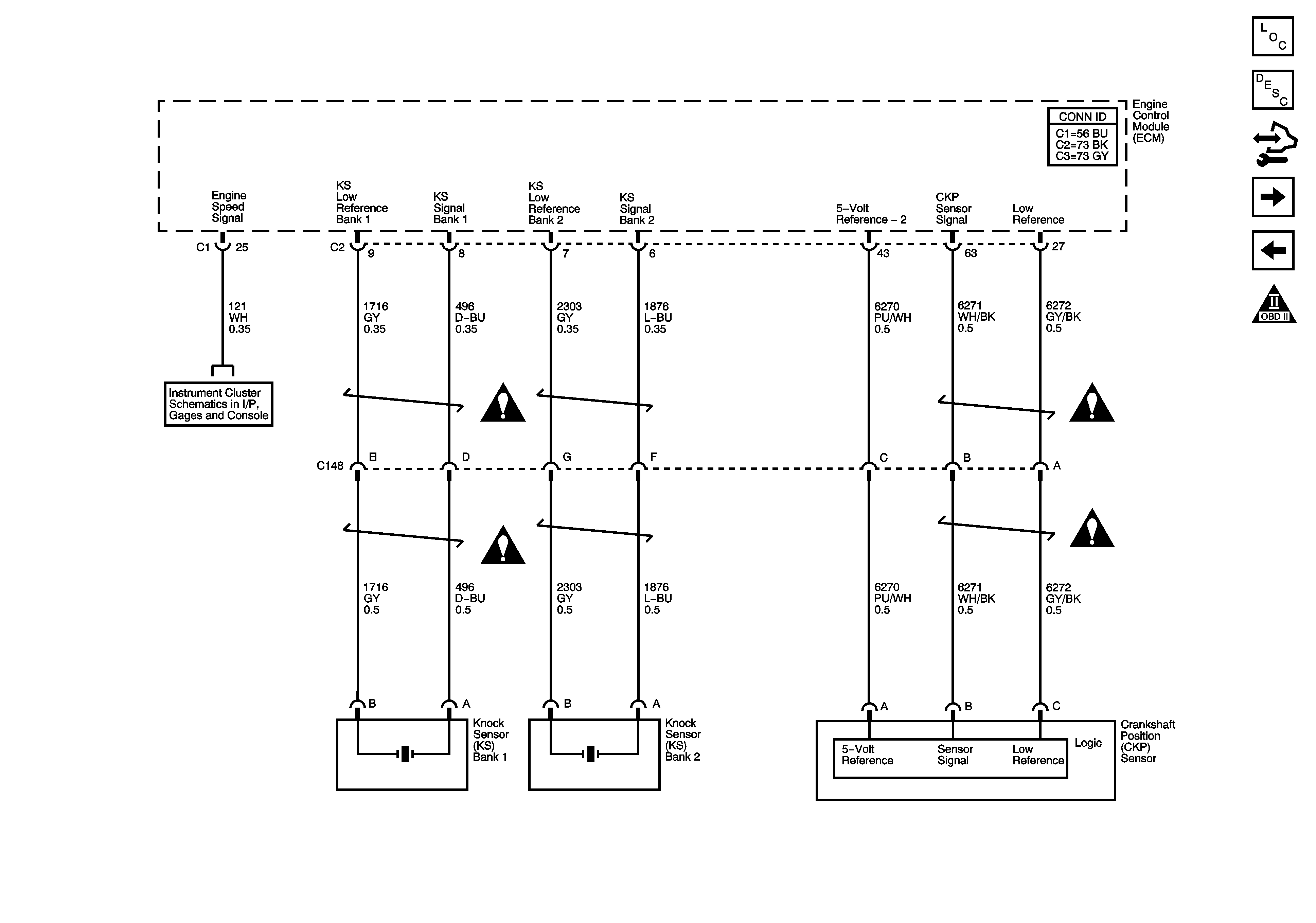
Figure 10:

Ignition Controls - CKP and KS Sensors


Object Number: 1655803  Size: FS
Master Electrical Component List
Engine Control Module Description
Control Module References
Ignition Controls - CMP Sensors and Controls
Ignition System - Bank 2
Engine Controls Schematic Icons
Instrument Cluster Gages Schematics
Engine Controls Schematic Icons
Engine Controls Schematic Icons
Engine Controls Schematic Icons
Engine Controls Schematic Icons
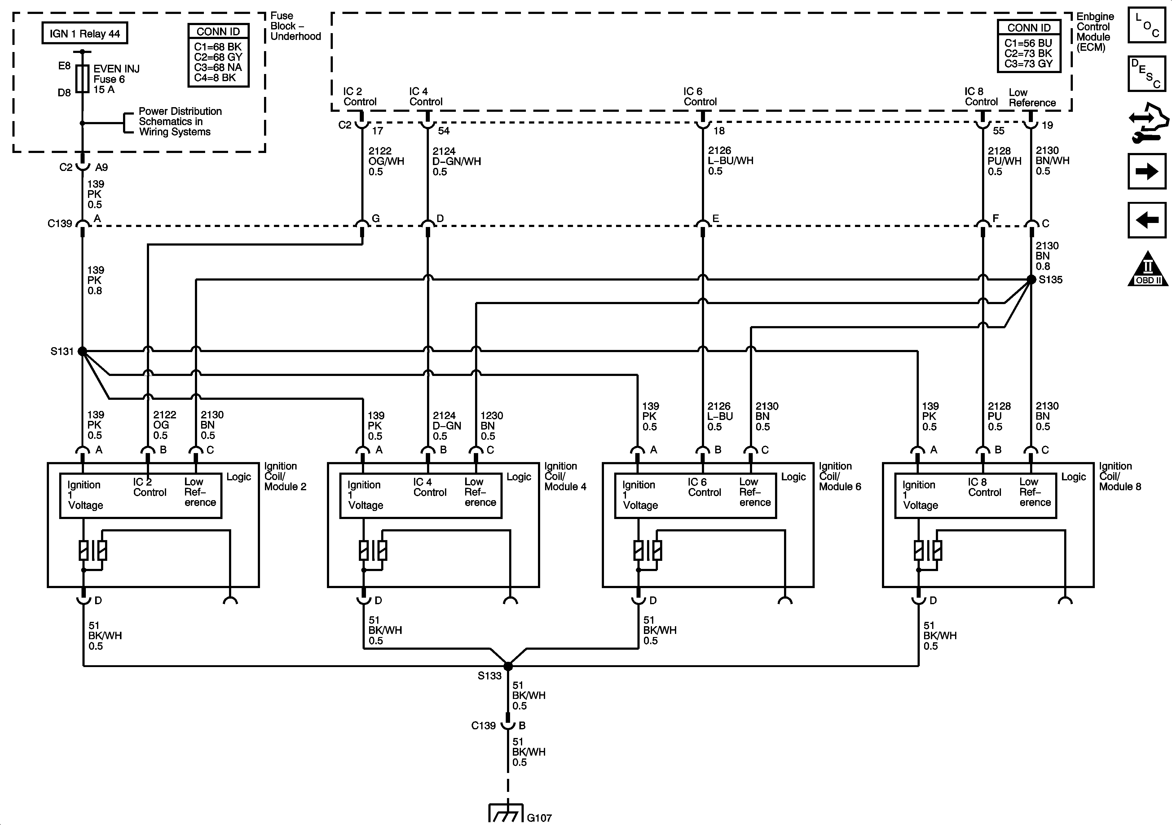
Figure 11:

Ignition Controls - CMP Sensors and Solenoids


Object Number: 1655805  Size: FS
Master Electrical Component List
Engine Control Module Description
Control Module References
Fuel Controls - Fuel Injectors and Fuel Pump Controls
Ignition Controls - CKP and Knock Sensors
Engine Controls Schematic Icons
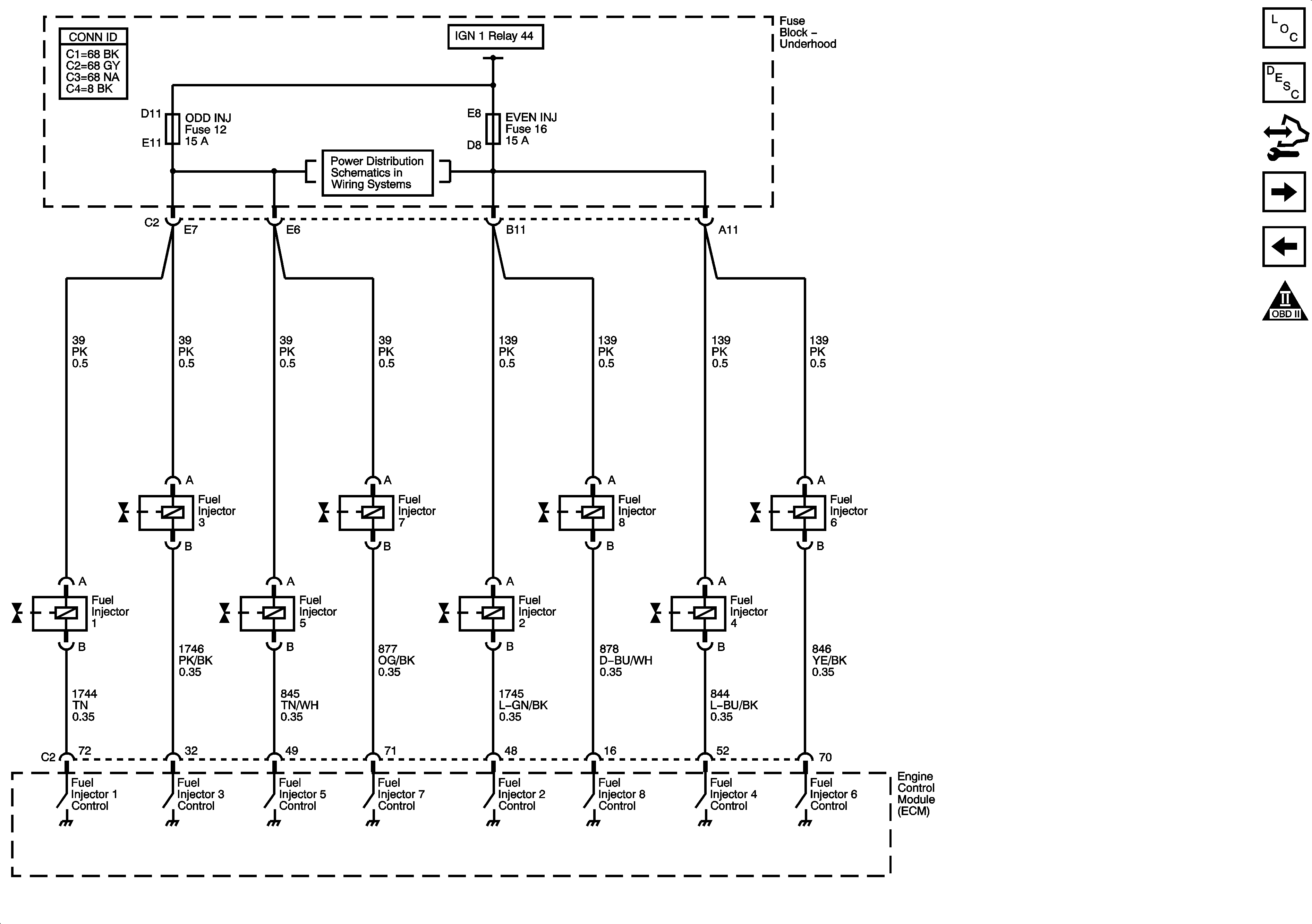
Figure 12:

Fuel Controls - Fuel Injectors and Fuel Pump Controls


Object Number: 1655807  Size: FS
Master Electrical Component List
Engine Control Module Description
Control Module References
Fuel Controls - EVAP Controls
Ignition Controls - CMP Sensors and Controls
Engine Controls Schematic Icons
Fuse Block Underhood Fuses: EMISSION, ETC, EVEN INJ, FUEL, O2SEN, and ODD INJ
Figure 13:

Fuel Controls - EVAP Controls


Object Number: 1655809  Size: FS
Master Electrical Component List
Engine Control Module Description
Control Module References
Fuel Pump Controls
Fuel Controls - Fuel Injectors and Fuel Pump Controls
Engine Controls Schematic Icons
Fuse Block Underhood Fuses: ABS, AMP, BATT2, COOLFAN, ECM/TCM, HORN, HVAC, MRRTD, W/S WASH
Fuse Block Underhood Fuses: EMISSION, ETC, EVEN INJ, FUEL, O2SEN, and ODD INJ
Fuse Block Underhood Fuses: ABS, AMP, BATT2, COOLFAN, ECM/TCM, HORN, HVAC, MRRTD, W/S WASH
Fuel Pump Controls
Fuel Pump Controls
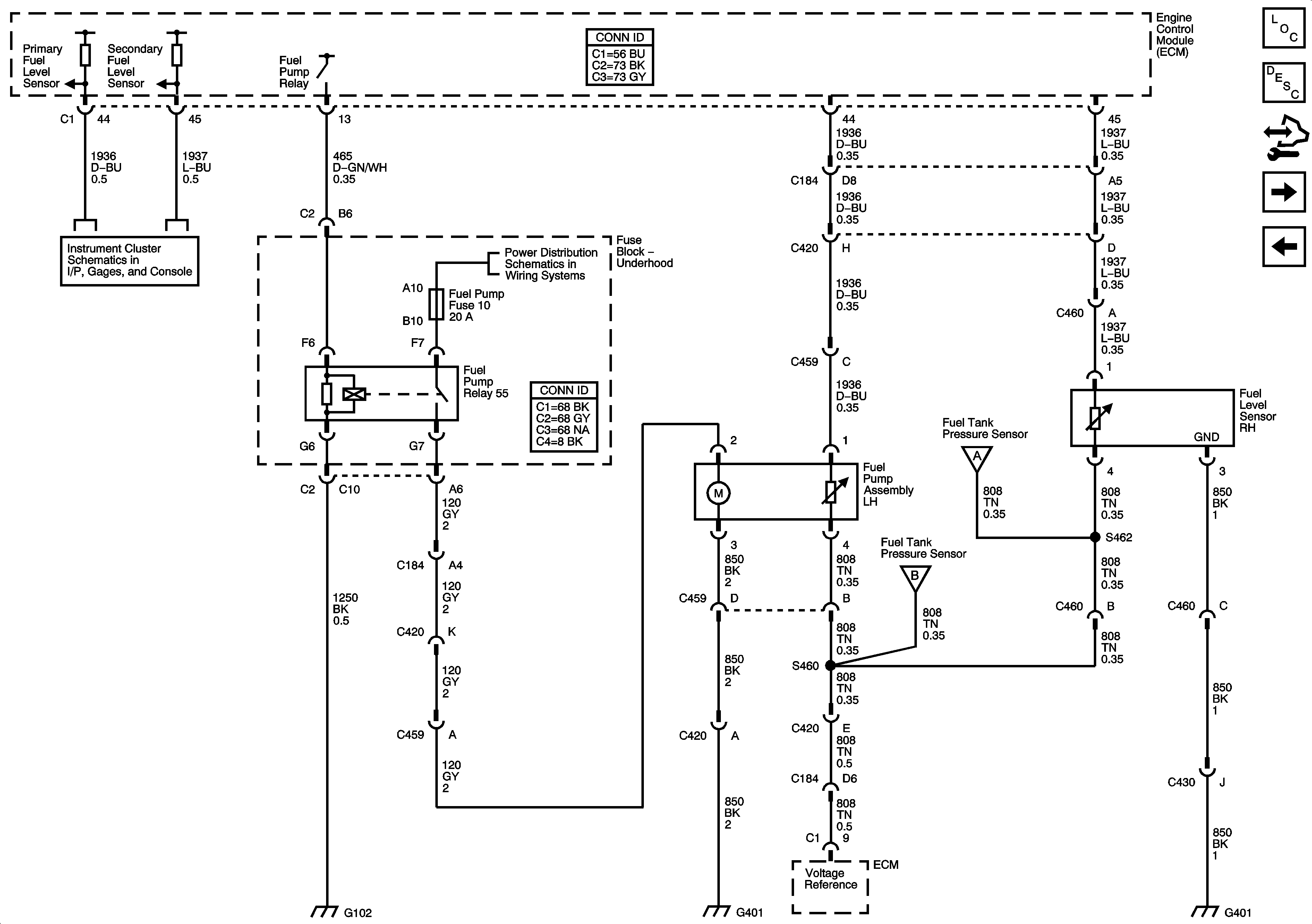
Figure 14:

Fuel Controls - Fuel Pump Controls


Object Number: 1676457  Size: FS
Master Electrical Component List
Engine Control Module Description
Control Module References
Controlled, Monitored Subsystem References
Fuel Controls - EVAP Controls
Engine Controls Schematic Icons
Gages
Fuse Block - Underhood Bussing
Low Reference Bussing
G102
G302, G401, and G402
G302, G401, and G402
Figure 15:

Controlled/Monitored Subsystem References


Object Number: 1655810  Size: FS
Master Electrical Component List
Engine Control Module Description
Control Module References
Fuel Pump Controls
Engine Controls Schematic Icons
Starting and Charging Schematics (LC3)
Starting and Charging - Cranking Schematics (LC3)
HVAC Compressor Controls
LH2
Instrument Cluster Messages Schematics
Instrument Cluster Gages Schematics
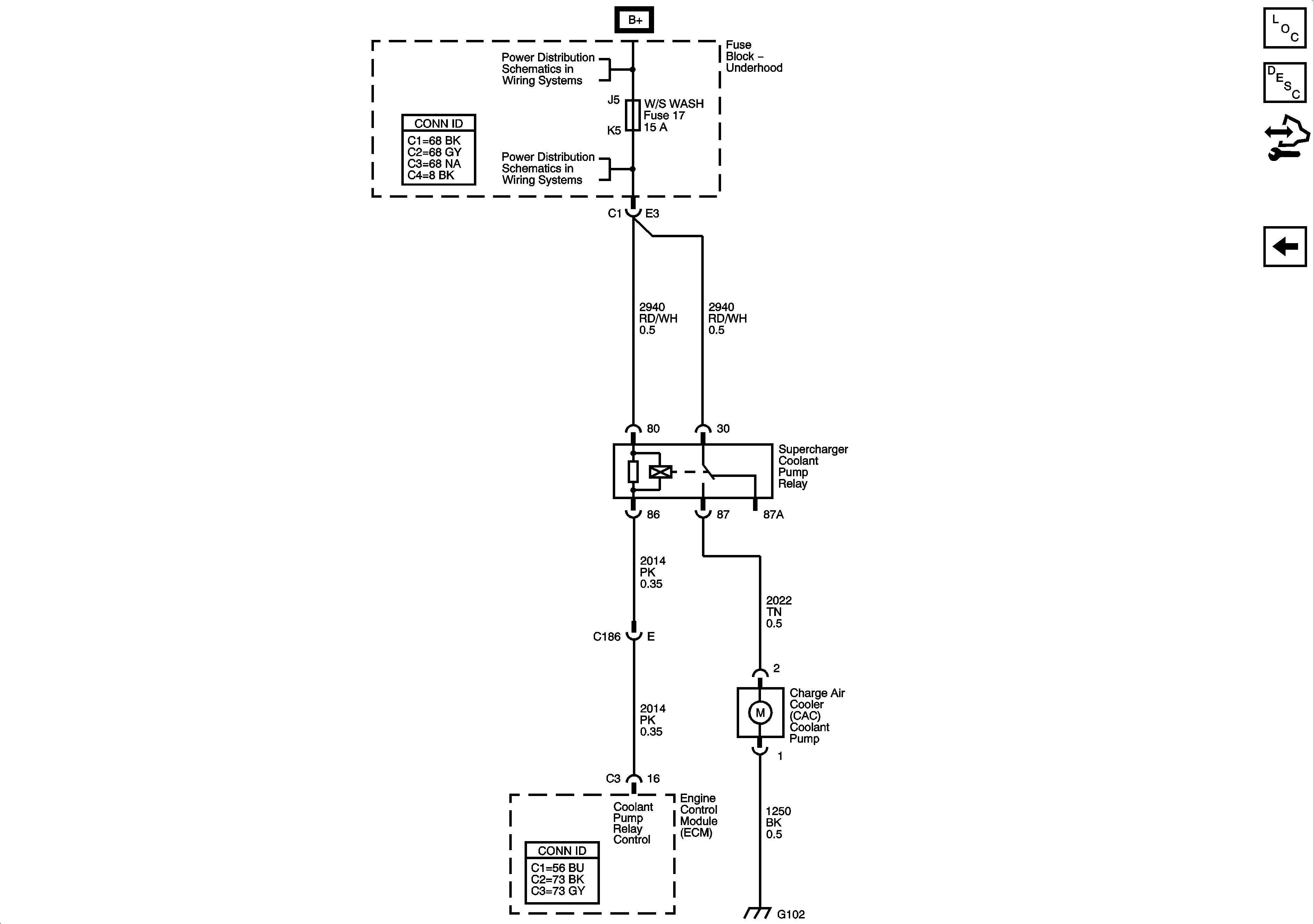
Figure 16:

Charge Air Cooler (CAC) Coolant Pump


Object Number: 1808345  Size: FS
Master Electrical Component List
Engine Control Module Description
Control Module References
5-Volt Reference Bussing
Engine Controls Schematic Icons
Fuse Block Underhood Fuses: ABS, AMP, BATT2, COOLFAN, ECM/TCM, HORN, HVAC, MRRTD, W/S WASH
Fuse Block Underhood Fuses: EMISSION, ETC, EVEN INJ, FUEL, O2SEN, and ODD INJ
Fuse Block Underhood Fuses: EMISSION, ETC, EVEN INJ, FUEL, O2SEN, and ODD INJ
BCM Fuses: AC LATCH/PK BRK B, CLUSTER, DOOR LOCKS, HVAC/PWR SND, INTERIOR LIGHTS, ISRVM/HVAC, and TUTD SW/STRG COL SW
BCM Fuses: ECM, GMLAN Devices, RPA/H/C SEAT and SDM/PSIR SW, Fuse Block Underhood Fuses - ABS/MRRTD, and ACC/TCM
06 XLR Body Control System Schematics - DLC, Power, and Ground
06 XLR Body Control System Schematics - DLC, Power, and Ground
06 XLR Body Control System Schematics - DLC, Power, and Ground
Class 2
GM LAN
Fuse Block Underhood Fuses: ABS, AMP, BATT2, COOLFAN, ECM/TCM, HORN, HVAC, MRRTD, W/S WASH
06 XLR Body Control System Schematics - DLC, Power, and Ground
G104 and G106
G104 and G106