GM Service Manual Online
For 1990-2009 cars only
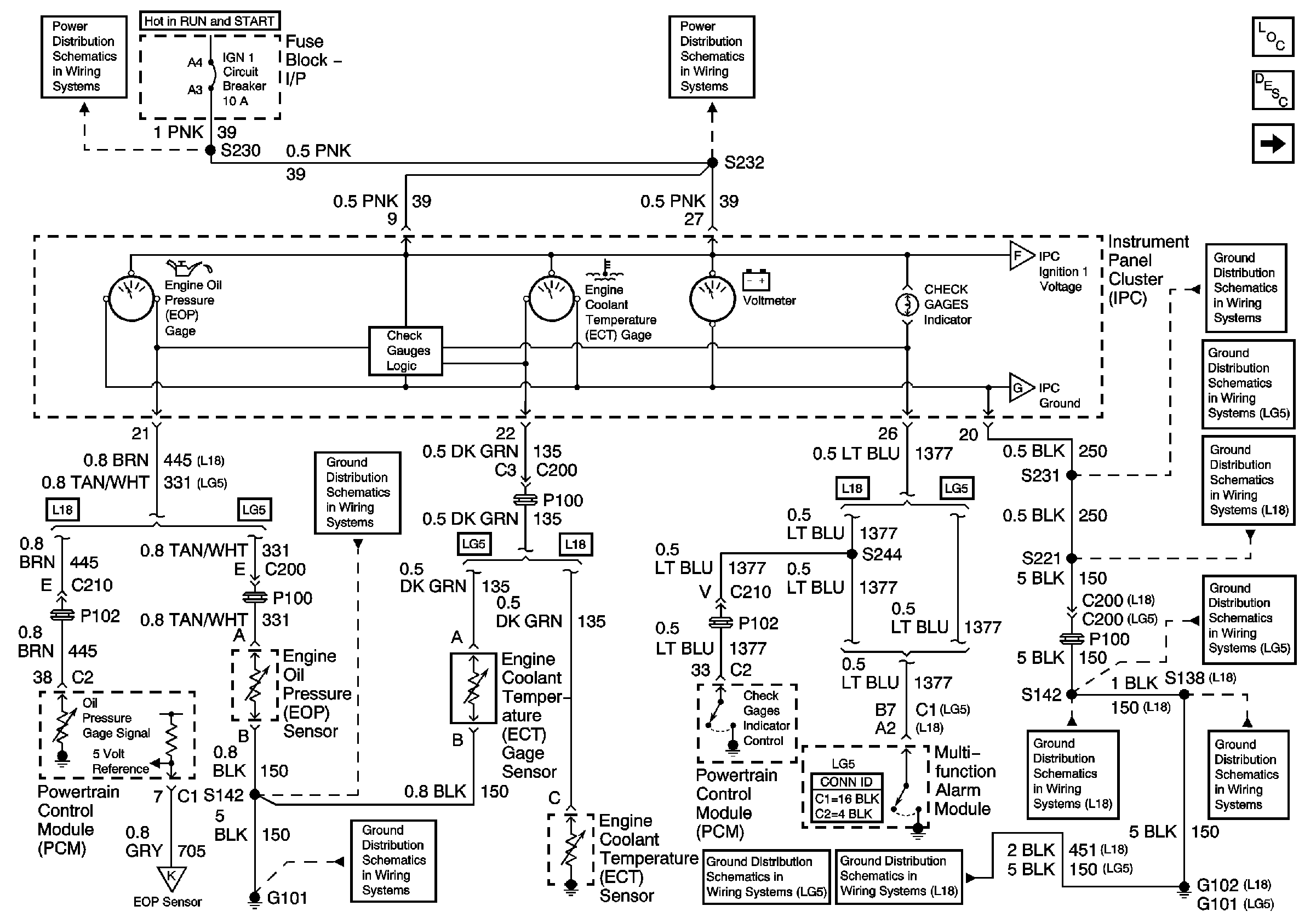
Figure 1:

Instrument Panel Cluster (IPC), CHECK GAGES Indicator, Engine Coolant Temperature (ECT), and Engine Oil Pressure (EOP) Gages and Voltmeter


Object Number: 791490  Size: FS
Power Distribution Schematics - IGN 1 Circuit Breaker, S225, S226, S230
Instrument Cluster Schematics - DIC, AUX and PB, and Check Trans
Ground Distribution Schematics - S142 and S241 LG5
Ground Distribution Schematics - G101, S138, S405 and S409 L18
Power Distribution Schematics - IGN 1 Circuit Breaker, S232, S243
Ground Distribution Schematics - G101, S138, S405 and S409 L18
Ground Distribution Schematics - G102, and S138 L18
Instrument Cluster Schematics - IPC, Fuel Gage, Gen Chg Ind and Tach
Instrument Cluster Schematics - IPC, Fuel Gage, Gen Chg Ind and Tach
Ground Distribution Schematics - S142 and S241 LG5
Master Electrical Component List
Audible Warnings Description and Operation
Instrument Cluster Schematics - IPC, Fuel Gage, Gen Chg Ind and Tach
Ground Distribution Schematics - S105, S261, and S231
Ground Distribution Schematics - G108, G207, G208 and S221 LG5
Ground Distribution Schematics - G207, G208, and S221 L18
Ground Distribution Schematics - S142, S178, S179, S405 and S409 L18
Ground Distribution Schematics - G102, and S138 L18
Figure 2:

Instrument Panel Cluster (IPC), Fuel Gage, Generator Charge Indicator and Tachometer


Object Number: 775433  Size: FS
Master Electrical Component List
Audible Warnings Description and Operation
Instrument Cluster Schematics - IPC, High Beam, LT and RT Ind, I/P ILL
Instrument Cluster Schematics - IPC, Check Ind, ECT, and EOP Gages
Power Distribution Schematics - IGN 1 Circuit Breaker, S225, S226, S230
Power Distribution Schematics - IGN 1 Circuit Breaker, S232, S243
Instrument Cluster Schematics - IPC, Check Ind, ECT, and EOP Gages
Instrument Cluster Schematics - IPC, Check Ind, ECT, and EOP Gages
Ground Distribution Schematics - S169, S210, S411 and S414 LG5
Ground Distribution Schematics - S169, S210, S411 and S414 LG5
02Ground Distribution Schematics - S141 and S210 L18
02Ground Distribution Schematics - S141 and S210 L18
Ground Distribution Schematics - G102, and S138 L18
Starting and Charging Schematics - L18 Charging Circuit
Ground Distribution Schematics - G101, S138, S405 and S409 L18
Ground Distribution Schematics - G102, and S138 L18
Ground Distribution Schematics - G102, and S138 L18
Starting and Charging Schematics - LG5 Charging Circuit
Instrument Cluster Schematics - IPC, High Beam, LT and RT Ind, I/P ILL
Instrument Cluster Schematics - EHM, GIF, TFT Gage and Sensor
Ground Distribution Schematics - S105, S261, and S231
Ground Distribution Schematics - G108, G207, G208 and S221 LG5
Ground Distribution Schematics - G207, G208, and S221 L18
Ground Distribution Schematics - S142 and S241 LG5
Ground Distribution Schematics - S142, S178, S179, S405 and S409 L18
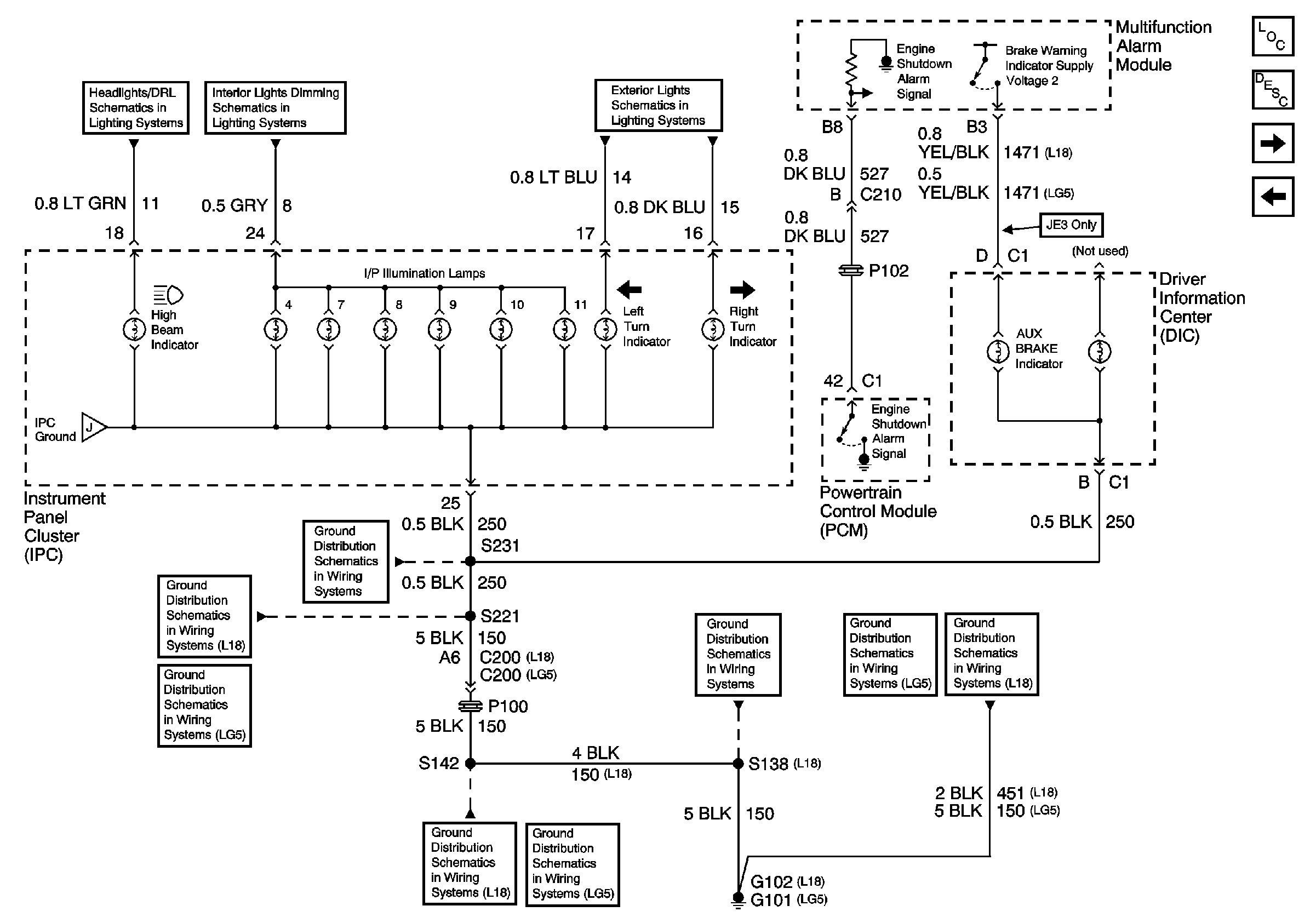
Figure 3:

Instrument Panel Cluster (IPC), High Beam, Left Turn and Right Turn Indicators, I/P Illumination Lamps


Object Number: 707429  Size: FS
Master Electrical Component List
Audible Warnings Description and Operation
Instrument Cluster Schematics - DIC, ABS, CHG OIL, DRL, EOS and HI Ind.
Instrument Cluster Schematics - IPC, Fuel Gage, Gen Chg Ind and Tach
Headlights/Daytime Running Lights (DRL) Schematics - Circuit Power, DRL
Interior Lights Schematics
Exterior Lights Schematics - Turn Signals
Instrument Cluster Schematics - IPC, Fuel Gage, Gen Chg Ind and Tach
Ground Distribution Schematics - G207, G208, and S221 L18
Ground Distribution Schematics - G108, G207, G208 and S221 LG5
Ground Distribution Schematics - S105, S261, and S231
Ground Distribution Schematics - S142, S178, S179, S405 and S409 L18
Ground Distribution Schematics - S142 and S241 LG5
Ground Distribution Schematics - G102, and S138 L18
Ground Distribution Schematics - G101, S138, S405 and S409 L18
Ground Distribution Schematics - G102, and S138 L18
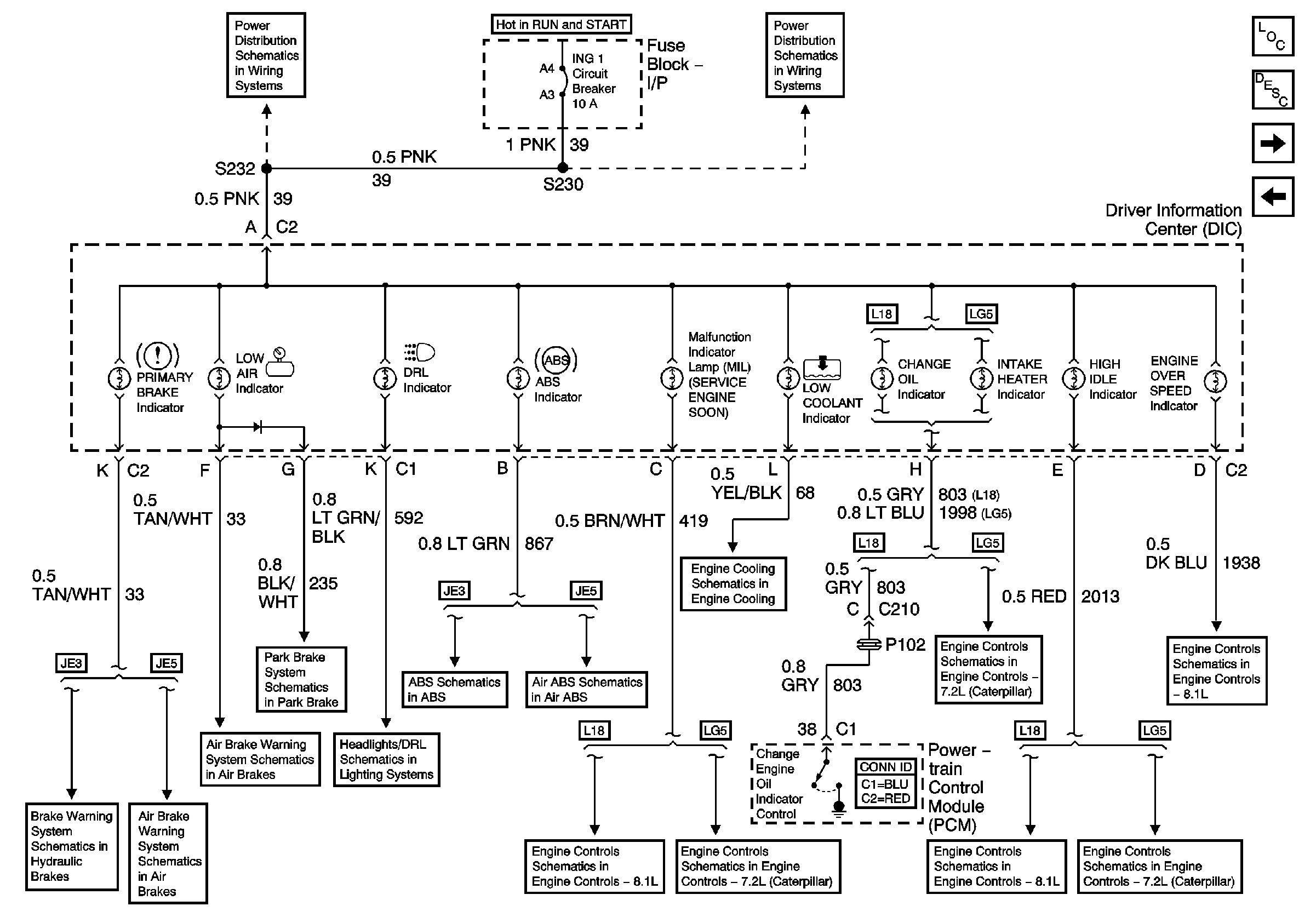
Figure 4:

Driver Information Center (DIC), ABS, CHANGE OIL, DRL, ENGINE OVER SPEED, HIGH IDLE, INTAKE HEATER, LOW AIR, LOW COOLANT, PRIMARY BRAKE and SERVICE ENGINE SOON Indicators


Object Number: 707454  Size: FS
Power Distribution Schematics - IGN 1 Circuit Breaker, S232, S243
Power Distribution Schematics - IGN 1 Circuit Breaker, S225, S226, S230
Master Electrical Component List
Audible Warnings Description and Operation
Instrument Cluster Schematics - DIC, AUX and PB, and Check Trans
Instrument Cluster Schematics - IPC, High Beam, LT and RT Ind, I/P ILL
Brake Warning System Schematics - L18 1of 2
Air Brake Warning System Schematics -DIC, IPC, Fuse Block- I/P, Stoplamp Switch
Air Brake Warning System Schematics -DIC, IPC, Fuse Block- I/P, Stoplamp Switch
Park Brake System Schematic
Headlights/Daytime Running Lights (DRL) Schematics - Circuit Power, DRL
02 MD-B7 ABS Schematics - EBCM, ABS Indicator, FB-2, FB-I/P02 MD-B7 ABS SchemaABS Schematics - EBCM, ABS Indicator, FB-2, FB-I/P
Air Antilock Brakes System Schematics - ABS Indicator, ABS RLY, DIC, EBCM, Exhaust Brake Switch and Engine Brake RLY, FB-2, FB-I/P
Engine Controls Schematics - Indicators
Engine Cooling Schematics - Driver Information Center (DIC), Multifunction Alarm Module, Coolant Level Switch
Engine Controls Schematics - Check Gages (MIL), ECT Switch, MFAM, PCM and Service Engine Soon Indicator
Engine Controls Schematics - Air (IA) Heater, Intake Heater Indicator, Connector C127 and Ignition 1 Relay
Engine Controls Schematics - Indicators
Engine Controls Schematics - Indicators
Engine Controls Schematics - ECT and EOP Gages and Sensors, Generator, Generator Charge and HI IDLE Indicators and PCM
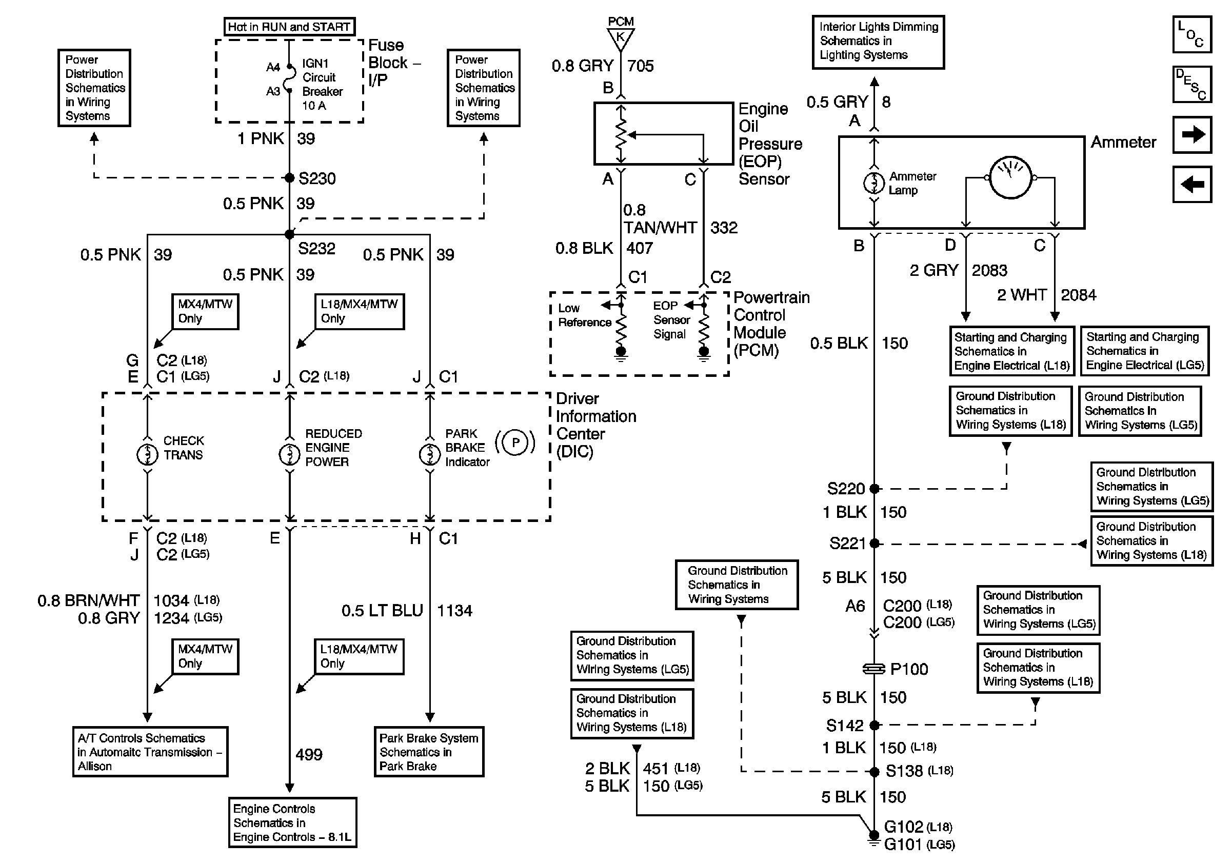
Figure 5:

Driver Information Center (DIC), AUX and PARK BRAKE, CHECK TRANS and REDUCED ENGINE POWER Indicators and Ammeter (U31) and Ammeter Lamp


Object Number: 707470  Size: FS
Power Distribution Schematics - IGN 1 Circuit Breaker, S225, S226, S230
Power Distribution Schematics - IGN 1 Circuit Breaker, S232, S243
Instrument Cluster Schematics - IPC, Check Ind, ECT, and EOP Gages
Interior Lights Schematics
Master Electrical Component List
Audible Warnings Description and Operation
Instrument Cluster Schematics-Stop Lamp Switch Interface Module, MAM
Instrument Cluster Schematics - DIC, ABS, CHG OIL, DRL, EOS and HI Ind.
Starting and Charging Schematics - L18 Charging Circuit
Starting and Charging Schematics - LG5 Charging Circuit
02Ground Distribution Schematics - G108, and S220 L18
Ground Distribution Schematics - S220, S229 LG5
Ground Distribution Schematics - G108, G207, G208 and S221 LG5
Ground Distribution Schematics - G207, G208, and S221 L18
Automatic Transmission Controls Schematics - Power and Ground, MIL (MX4/MTW)
Engine Controls Schematics - Indicators
Park Brake System Schematic
Ground Distribution Schematics - G101, S138, S405 and S409 L18
Ground Distribution Schematics - G102, and S138 L18
Ground Distribution Schematics - G102, and S138 L18
Ground Distribution Schematics - S142, S178, S179, S405 and S409 L18
Ground Distribution Schematics - S142 and S241 LG5
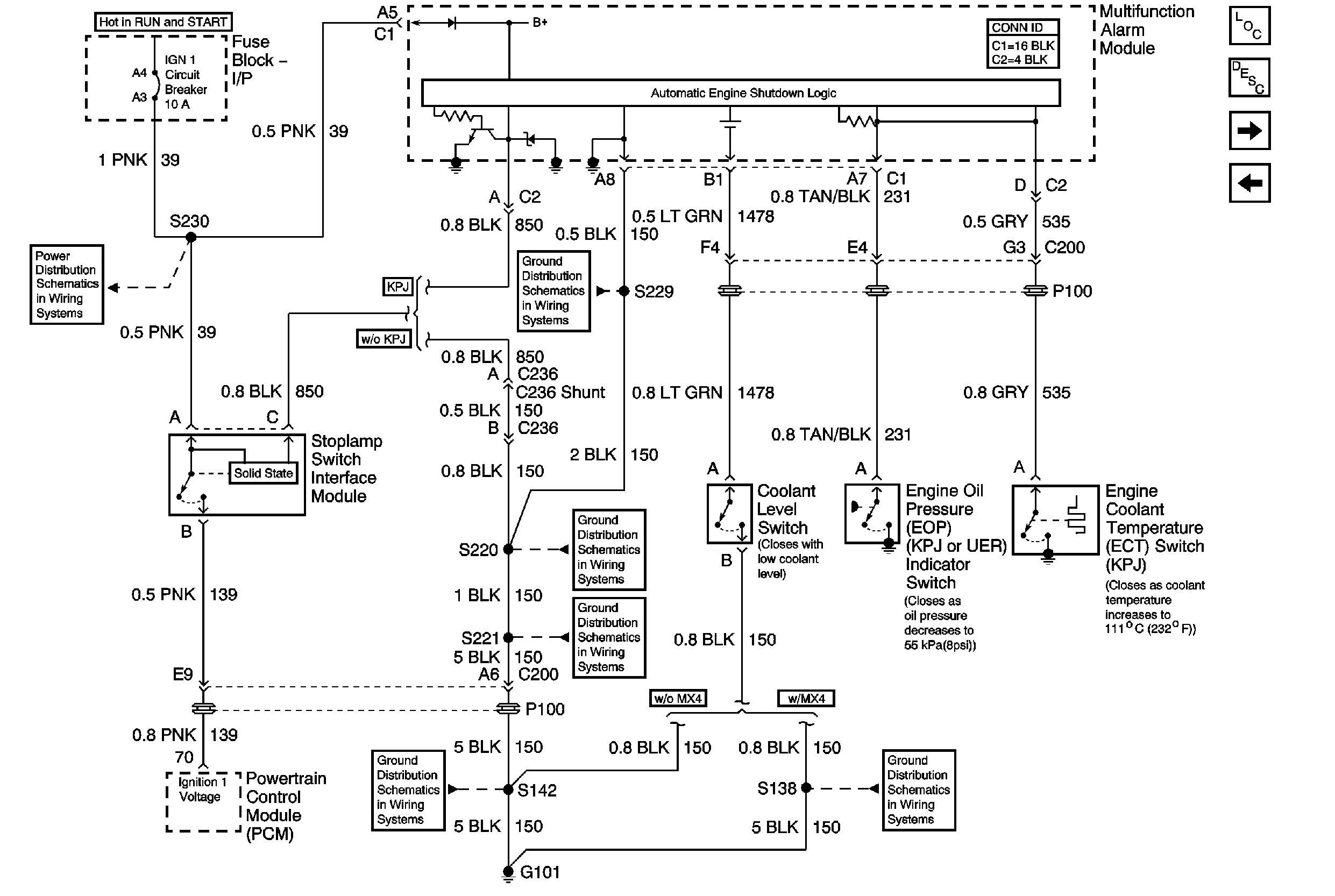
Figure 6:

Stop Lamp Interface Module, Multifunction Alarm Module, Engine Oil Pressure Indicator Switch, Engine Coolant Temperature Switch and Coolant Level Switch


Object Number: 775416  Size: FS
Master Electrical Component List
Audible Warnings Description and Operation
Instrument Cluster Schematics - EHM, GIF, TFT Gage and Sensor
Instrument Cluster Schematics - DIC, AUX and PB, and Check Trans
Power Distribution Schematics - IGN 1 Circuit Breaker, S225, S226, S230
Ground Distribution Schematics - S220, S229 LG5
Ground Distribution Schematics - S142 and S241 LG5
Ground Distribution Schematics - S220, S229 LG5
Ground Distribution Schematics - G108, G207, G208 and S221 LG5
Ground Distribution Schematics - G101, S138, S405 and S409 L18
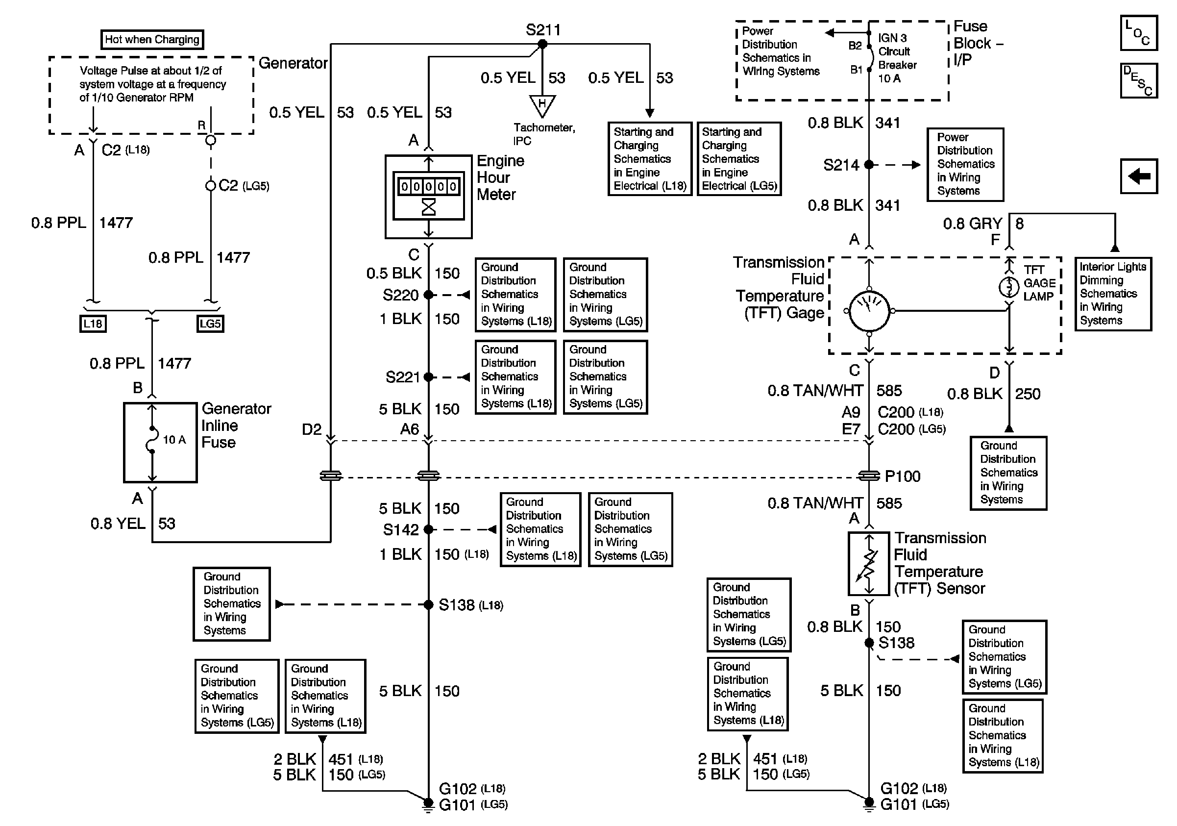
Figure 7:

Engine Hour Meter, Generator Inline Fuse, Transmission Fluid Temperature (TFT) Gage and Sensor


Object Number: 791512  Size: FS
Master Electrical Component List
Audible Warnings Description and Operation
Instrument Cluster Schematics-Stop Lamp Switch Interface Module, MAM
Power Distribution Schematics - IGN 3 Circuit Breaker
Power Distribution Schematics - ACC, B/U, Chassis, ING 1, ING 3 and Start Circuit Breakers
Instrument Cluster Schematics - IPC, Fuel Gage, Gen Chg Ind and Tach
Starting and Charging Schematics - L18 Charging Circuit
Starting and Charging Schematics - LG5 Charging Circuit
02Ground Distribution Schematics - G108, and S220 L18
Ground Distribution Schematics - S220, S229 LG5
Ground Distribution Schematics - G207, G208, and S221 L18
Ground Distribution Schematics - G108, G207, G208 and S221 LG5
Ground Distribution Schematics - G102, and S138 L18
Ground Distribution Schematics - G101, S138, S405 and S409 L18
Ground Distribution Schematics - G102, and S138 L18
Ground Distribution Schematics - S142 and S241 LG5
Ground Distribution Schematics - S142, S178, S179, S405 and S409 L18
Ground Distribution Schematics - G101, S138, S405 and S409 L18
Ground Distribution Schematics - G102, and S138 L18
Ground Distribution Schematics - G101, S138, S405 and S409 L18
Ground Distribution Schematics - G102, and S138 L18
Interior Lights Schematics
Ground Distribution Schematics - G207, G208, and S221 L18