GM Service Manual Online
For 1990-2009 cars only
Figure 1:

Module Power, Ground, Serial Data, and MIL


Object Number: 1774595  Size: FS
Master Electrical Component List
Powertrain Control Module Description
Body Control Module Programming and Setup
Engine Data Sensors - 5-Volt and Low Reference
Engine Controls Schematic Icons
B+ Bus - Underhood Fuse Block
ETC, O2 SENSOR, PWR/WINDOW, SUNROOF, and WIP/WASH Fuses
RUN/CRANK RELAY BUS - 1 of 3, CRUISE, SIR, and TRANS Fuses
RUN/CRANK RELAY BUS - 2 of 3, ABS, BACKUP, and IGN Fuses
Splice Pack SP105 and G105 - 1 of 2
Data Communication Schematics
G100, G104, G102, G103
Figure 2:

Engine Data Sensors - 5-Volt and Low Reference


Object Number: 1774604  Size: FS
Master Electrical Component List
Powertrain Control Module Description
Body Control Module Programming and Setup
Engine Data Sensors - Electronic Throttle Controls, MAF, Pressure, and Temperature
Power, Ground, Serial Data, and MIL
Engine Controls Schematic Icons
Figure 3:

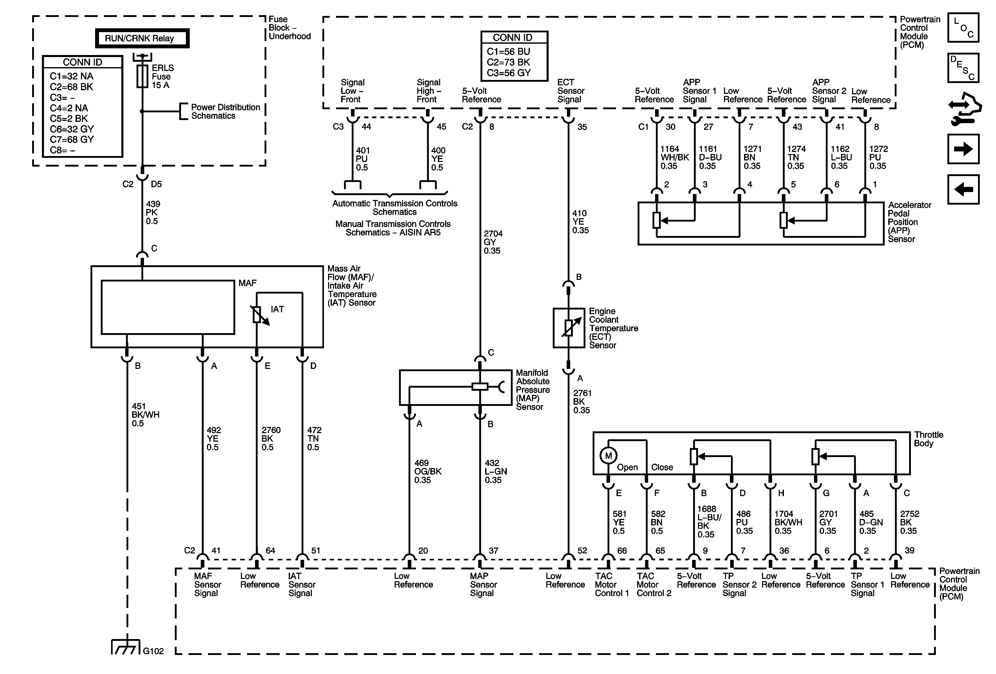
Engine Data Sensors - Electronic Throttle Controls, MAF, Pressure, and Temperature


Object Number: 1774605  Size: FS
Master Electrical Component List
Powertrain Control Module Description
Body Control Module Programming and Setup
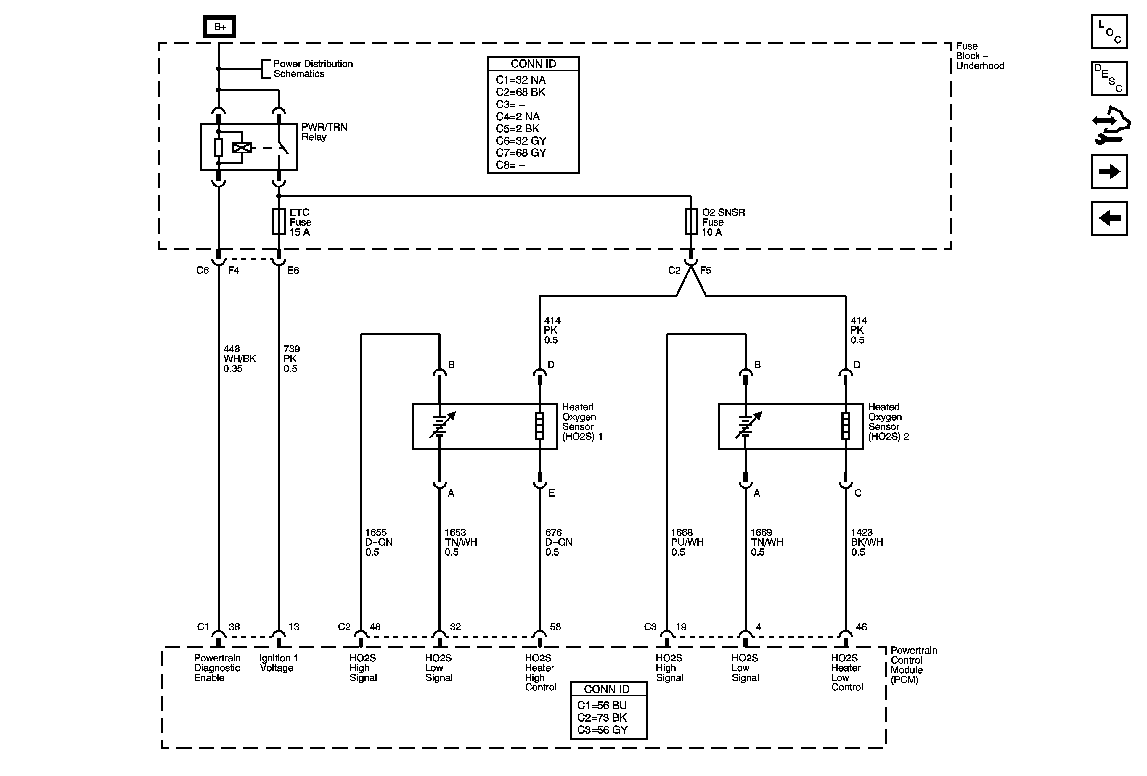
Oxygen Sensors
Engine Data Sensors - 5-Volt and Low Reference
Engine Controls Schematic Icons
Power, Ground, Serial Data, and MIL
RUN/CRANK RELAY BUS - 3 of 3, ERLS, FRT AX, INJECTOR, and PCM I Fuses
TCC Brake/Cruise Release Switch and Vehicle Speed Sensor
Manual Transmission Schematics
G100, G104, G102, G103
Figure 4:

Engine Data Sensors - Oxygen Sensors


Object Number: 1774640  Size: FS
Master Electrical Component List
Powertrain Control Module Description
Body Control Module Programming and Setup
Engine Data Sensors - Injection Timing Controls
Engine Data Sensors - Electronic Throttle Controls, MAF, Pressure, and Temperature
Engine Controls Schematic Icons
B+ Bus - Underhood Fuse Block
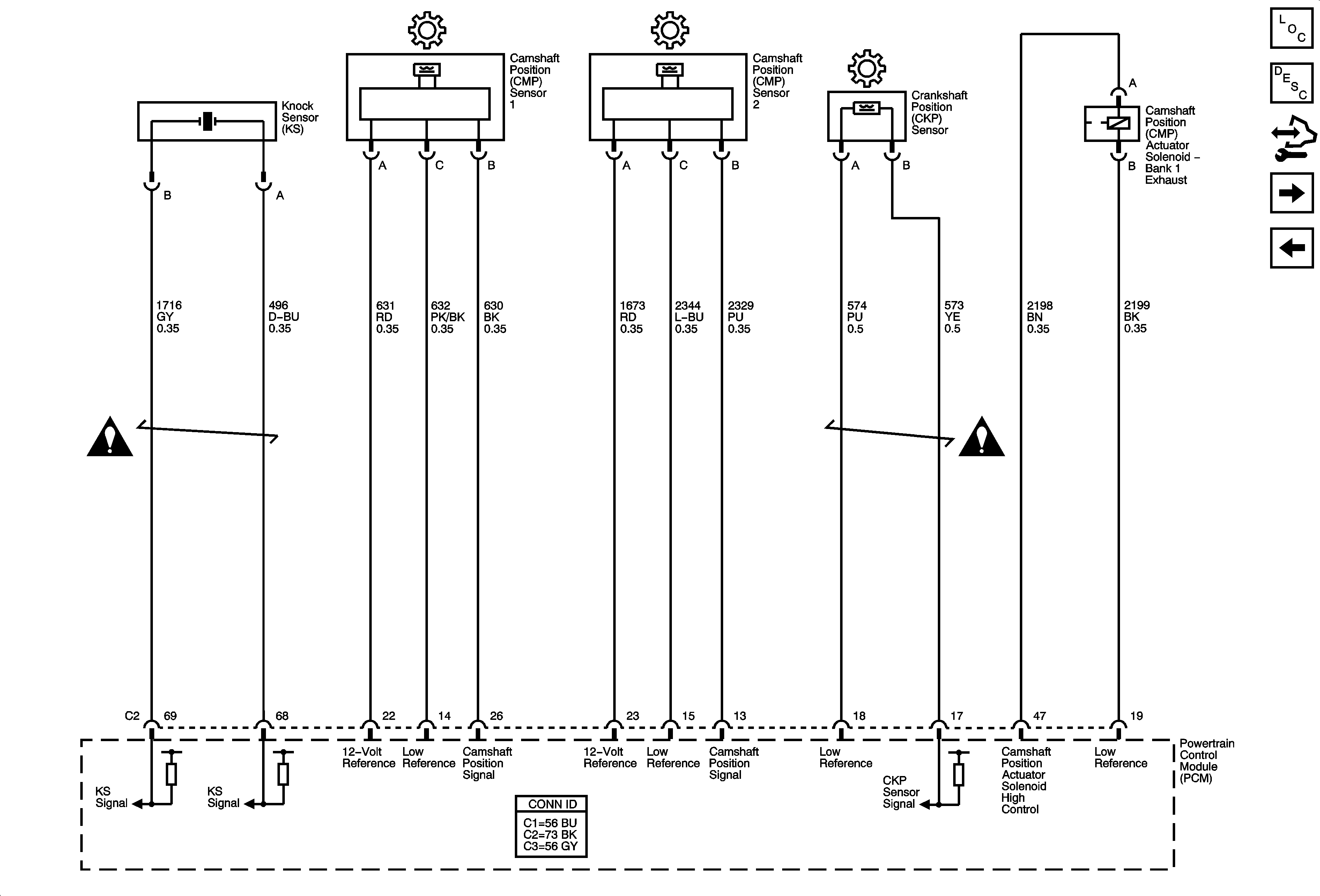
Figure 5:

Engine Data Sensors - Injection Timing Controls


Object Number: 1774653  Size: FS
Master Electrical Component List
Powertrain Control Module Description
Body Control Module Programming and Setup
Ignition Controls - Ignition System
Oxygen Sensors
Engine Controls Schematic Icons
Engine Controls Schematic Icons
Engine Controls Schematic Icons
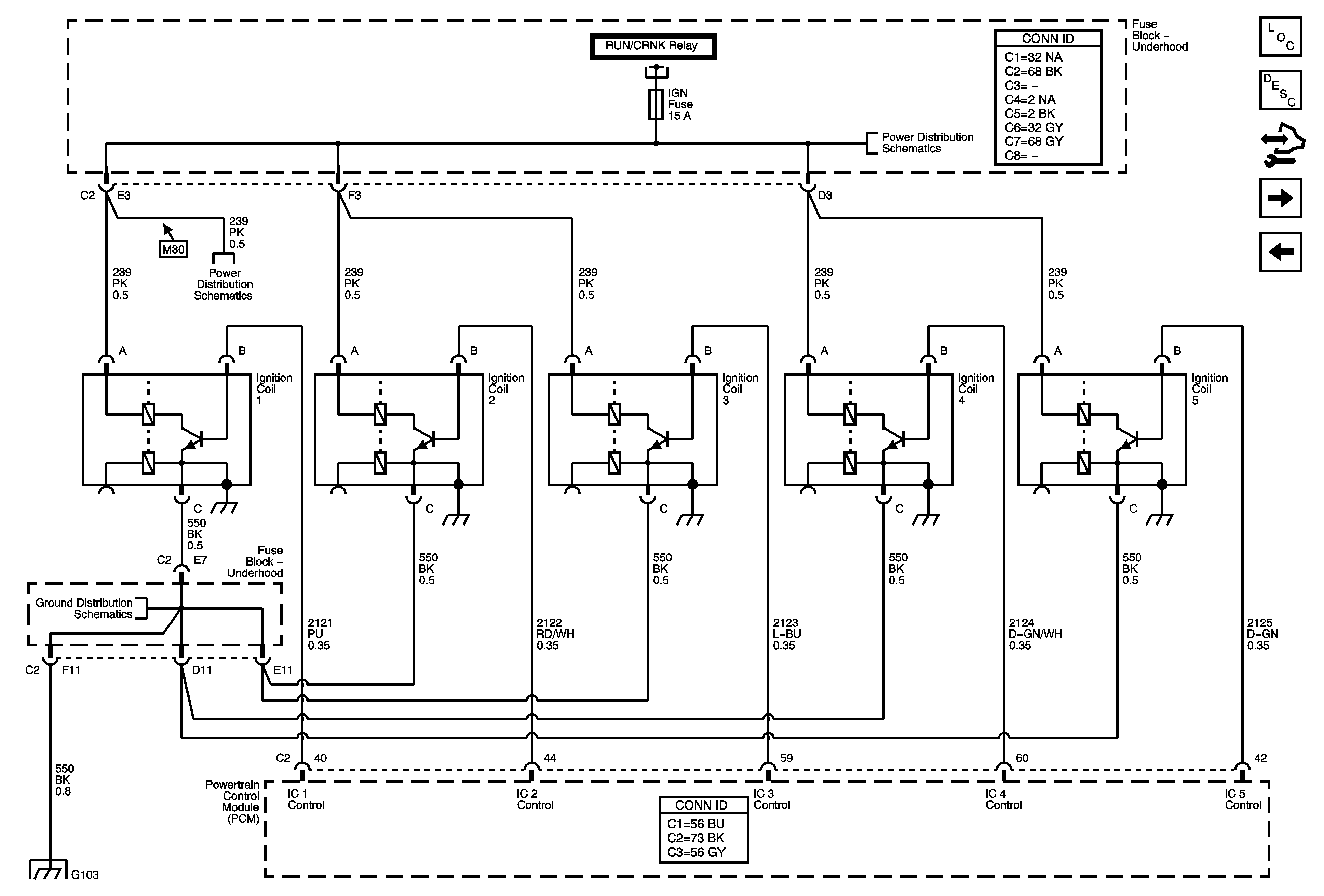
Figure 6:

Ignition Controls - Ignition System


Object Number: 1774671  Size: FS
Master Electrical Component List
Powertrain Control Module Description
Body Control Module Programming and Setup
Fuel Controls - Fuel Pump Controls
Engine Data Sensors - Injection Timing Controls
Engine Controls Schematic Icons
Power, Ground, Serial Data, and MIL
RUN/CRANK RELAY BUS - 2 of 3, ABS, BACKUP, and IGN Fuses
RUN/CRANK RELAY BUS - 2 of 3, ABS, BACKUP, and IGN Fuses
G100, G104, G102, G103
G100, G104, G102, G103
Figure 7:

Fuel Controls - Fuel Pump Controls


Object Number: 1774696  Size: FS
Master Electrical Component List
Powertrain Control Module Description
Body Control Module Programming and Setup
Fuel Controls - Fuel Injectors
Ignition Controls - Ignition System
Engine Controls Schematic Icons
B+ Bus - Underhood Fuse Block
Splice Pack SP105 and G105 - 1 of 2
Splice Pack SP105 and G105 - 2 of 2
Gages
Splice Pack SP105 and G105 - 1 of 2
Splice Pack SP105 and G105 - 2 of 2
Figure 8:

Fuel Controls - Fuel Injectors


Object Number: 1774710  Size: FS
Master Electrical Component List
Fuel System Description
Body Control Module Programming and Setup
Fuel Controls - EVAP Controls
Fuel Controls - Fuel Pump Controls
Engine Controls Schematic Icons
Power, Ground, Serial Data, and MIL
Figure 9:

Fuel Controls - EVAP Controls


Object Number: 1774729  Size: FS
Master Electrical Component List
Evaporative Emission Control System Description
Body Control Module Programming and Setup
Device Controls - K18
Fuel Controls - Fuel Injectors
Engine Controls Schematic Icons
B+ Bus - Underhood Fuse Block
Power, Ground, Serial Data, and MIL
RUN/CRANK RELAY BUS - 3 of 3, ERLS, FRT AX, INJECTOR, and PCM I Fuses
Gages
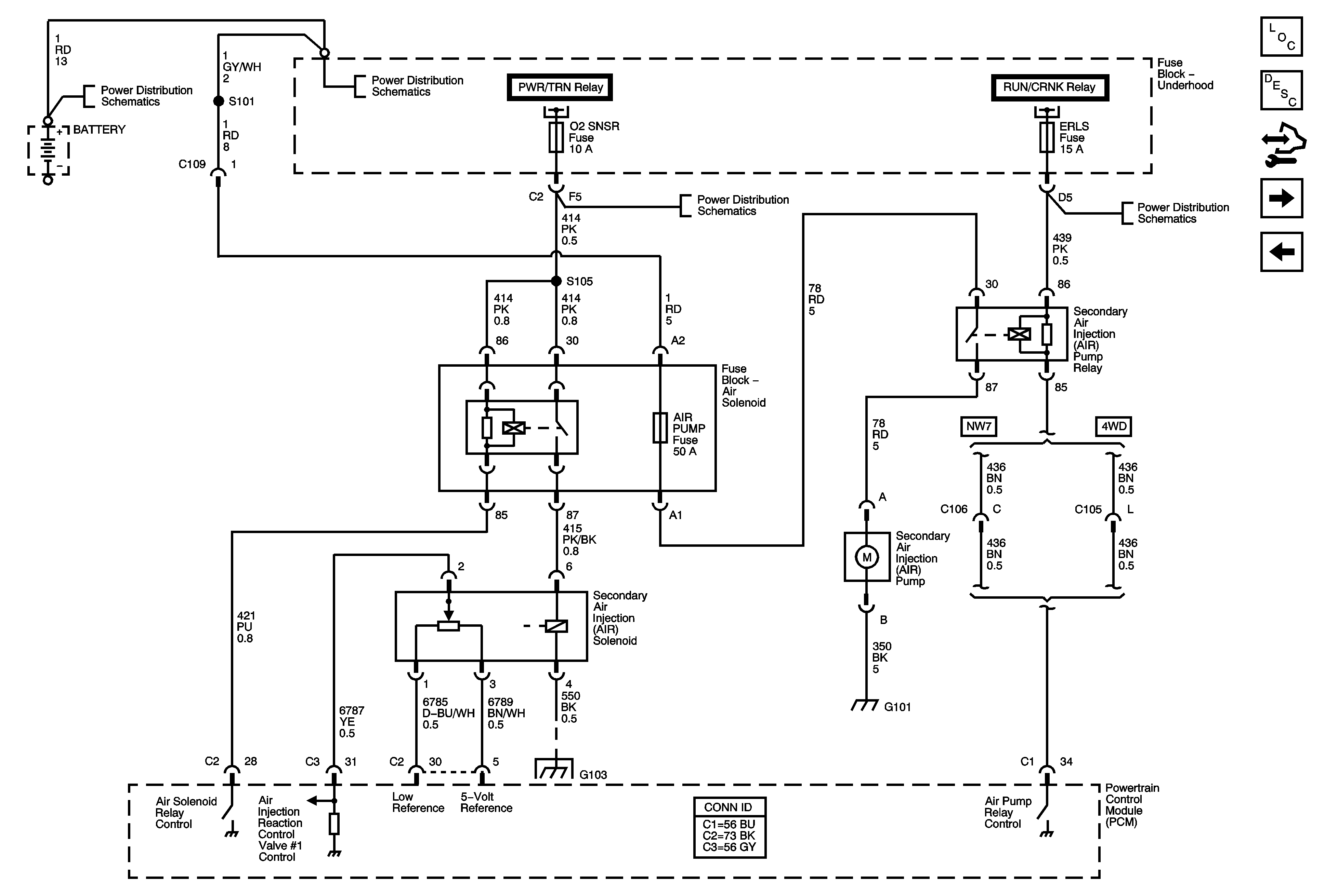
Figure 10:

Device Controls- K18


Object Number: 1815451  Size: FS
Master Electrical Component List
Secondary Air Injection System Description
Body Control Module Programming and Setup
Controlled/Monitored Subsystem and Transmission References
Fuel Controls - EVAP Controls
B+ Bus - Underhood Fuse Block
B+ Bus - Underhood Fuse Block
Power, Ground, Serial Data, and MIL
ETC, O2 SENSOR, PWR/WINDOW, SUNROOF, and WIP/WASH Fuses
Power, Ground, Serial Data, and MIL
RUN/CRANK RELAY BUS - 3 of 3, ERLS, FRT AX, INJECTOR, and PCM I Fuses
Figure 11:

Controlled/Monitored Subsystem and Transmission References


Object Number: 1774746  Size: FS
Master Electrical Component List
Powertrain Control Module Description
Body Control Module Programming and Setup
Fuel Controls - EVAP Controls
Engine Controls Schematic Icons
Power, Ground, and Electric Brake Control Module
Starting System - MA5
Starting System - M30
Charging System
Compressor Controls
Cruise Control Schematics
Indicators
Stop Lamps and License Lamps
Transfer Case Encoder Motor
Switches and VSS
Transmission Controls
TCC Brake/Cruise Release Switch and Vehicle Speed Sensor