GM Service Manual Online
For 1990-2009 cars only
Figure 1:

Module Power, Ground, Serial Data and MIL


Object Number: 855311  Size: FS
Master Electrical Component List
Powertrain Control Module Description
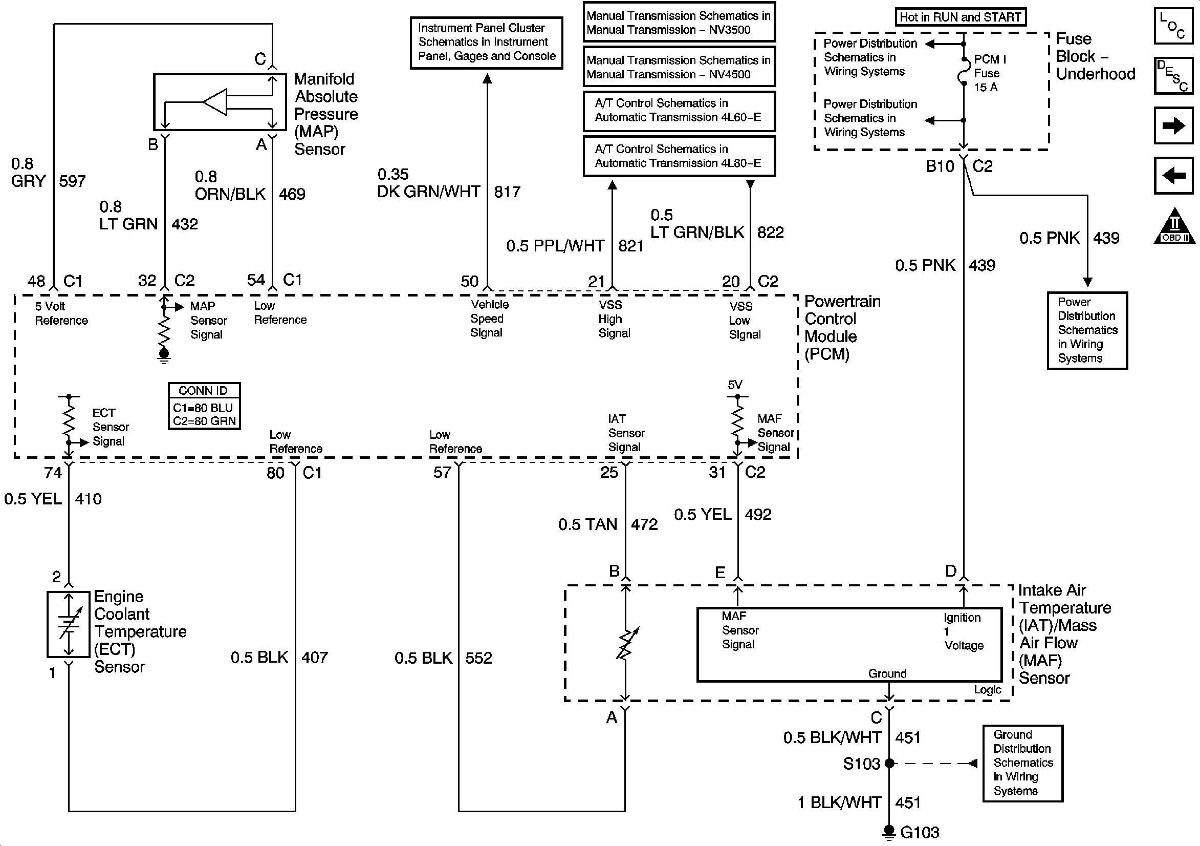
Pressure, Temperature, and VSS
OBD II Symbol Description Notice
Ignition, Run, Start, Accy Bus Bar
IGN 1 Relay Bus, SEO 2, RR DEFOG, SEO IGN, B/U LP
SBA, ETC, PCM 1, BTSI, TRL B/U
B+ Bus Bar (Gas) - 1 of 3
ECM, ECMRPV, EDU, EDU Relay - Diesel Only
IGN 0 , TBC IGN 0, TBC ACCY, SEO ACCY, W/S WIPER, RR WIPER
IGN 0 , TBC IGN 0, TBC ACCY, SEO ACCY, W/S WIPER, RR WIPER
SBA, ETC, PCM 1, BTSI, TRL B/U
Power, Ground, Serial Data
RTD/ECAS, RR WPR, EAP, SUNROOF, IPC/DIC, SEO 1
G102, G103-Gas
SP205 - 2 of 2
Figure 2:

Engine Data Sensors - Pressure, Temperature, and VSS


Object Number: 855313  Size: FS
Master Electrical Component List
Powertrain Control Module Description
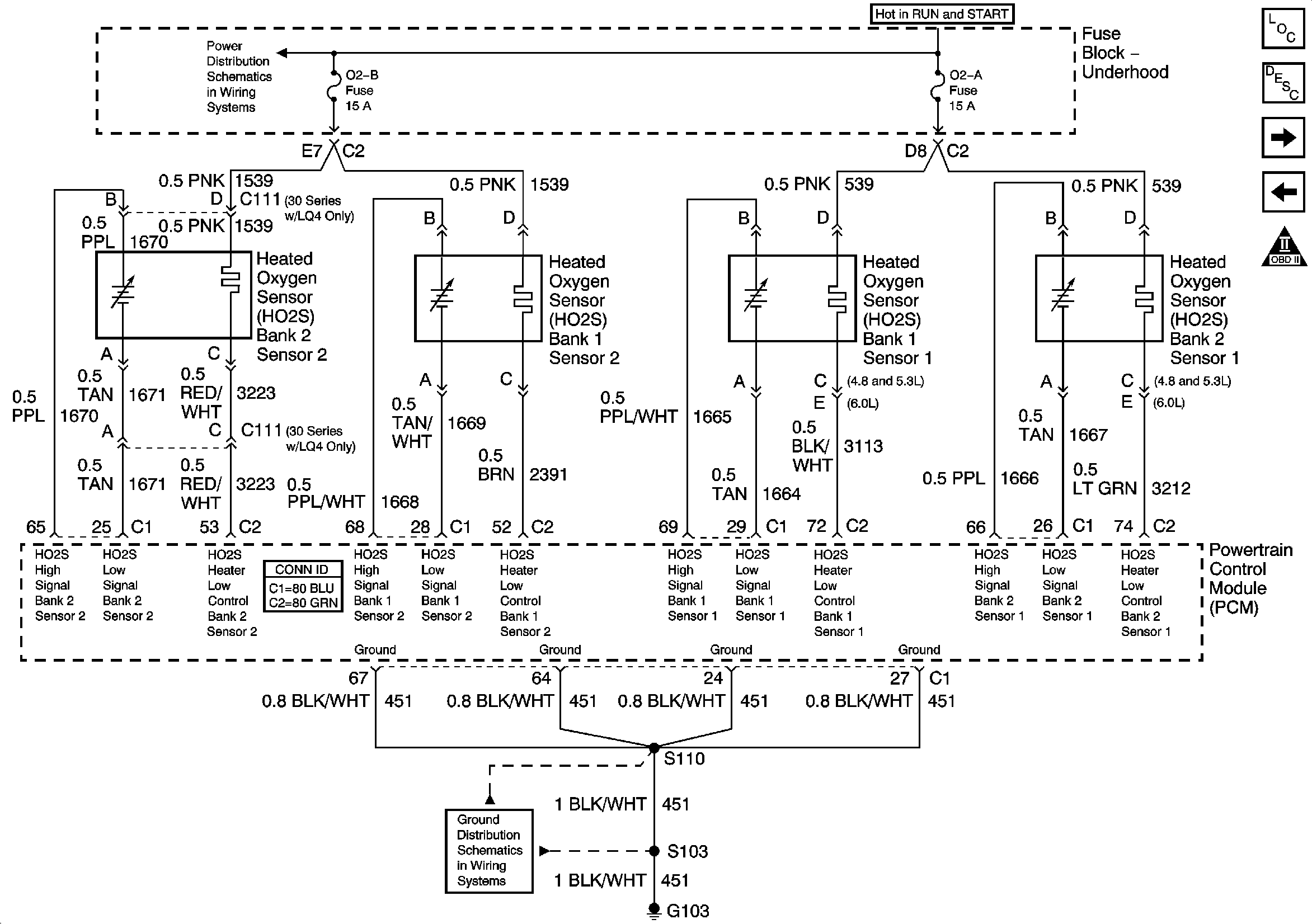
Engine Data Sensors - HO2S
Module Power, Ground, Serial Data and MIL
OBD II Symbol Description Notice
Vehicle Speed Signal
Manual Transmission Schematics
Manual Transmission Schematics
Vehicle Speed Signal and 4WD Low Signal
Vehicle Speed Signal and 4WD Low Signal
IGN 1 Relay Bus, SEO 2, RR DEFOG, SEO IGN, B/U LP
SBA, ETC, PCM 1, BTSI, TRL B/U
SBA, ETC, PCM 1, BTSI, TRL B/U
G102, G103-Gas
Figure 3:

Engine Data Sensors - HO2S


Object Number: 855317  Size: FS
Master Electrical Component List
Powertrain Control Module Description
Engine Data Sensors - Electronic Throttle Controls - 1 of 2
Pressure, Temperature, and VSS
OBD II Symbol Description Notice
Ignition, Run, Start, Accy Bus Bar
G102, G103-Gas
Figure 4:

Engine Data Sensors - Electronic Throttle Controls - 1 of 2


Object Number: 834725  Size: FS
Master Electrical Component List
Powertrain Control Module Description
Engine Data Sensors - Electronic Throttle Controls - 2 of 2
Engine Data Sensors - HO2S
OBD II Symbol Description Notice
IGN 1 Relay Bus, SEO 2, RR DEFOG, SEO IGN, B/U LP
G104, G106, G107
Figure 5:

Engine Data Sensors - Electronic Throttle Controls - 2 of 2


Object Number: 834728  Size: FS
Master Electrical Component List
Powertrain Control Module Description
Ignition Controls - Ignition System Coils 1, 3, 5, and 7
Engine Data Sensors - Electronic Throttle Controls - 1 of 2
OBD II Symbol Description Notice
4.8, 5.3, 6.0, and 8.1L Cruise Control Schematics - 1 of 2
Figure 6:

Ignition Controls - Ignition System Coils 1, 3, 5, and 7


Object Number: 855320  Size: FS
Master Electrical Component List
Powertrain Control Module Description
Ignition System - Ignition System Coils 2, 4, 6, and 8
Engine Data Sensors - Electronic Throttle Controls - 2 of 2
OBD II Symbol Description Notice
IGN 1 Relay Bus, SEO 2, RR DEFOG, SEO IGN, B/U LP
IGN 1 Relay Bus, SEO 2, RR DEFOG, SEO IGN, B/U LP
G102, G103-Gas
Figure 7:

Ignition Controls - Ignition System Coils 2, 4, 6, and 8


Object Number: 855323  Size: FS
Master Electrical Component List
Powertrain Control Module Description
Ignition Controls - Sensors
Ignition Controls - Ignition System Coils 1, 3, 5, and 7
OBD II Symbol Description Notice
IGN 1 Relay Bus, SEO 2, RR DEFOG, SEO IGN, B/U LP
IGN 1 Relay Bus, SEO 2, RR DEFOG, SEO IGN, B/U LP
G104, G106, G107
Figure 8:

Ignition Controls - Sensors


Object Number: 855327  Size: FS
Master Electrical Component List
Powertrain Control Module Description
Fuel Controls - Fuel Pump Controls
Ignition System - Ignition System Coils 2, 4, 6, and 8
OBD II Symbol Description Notice
Gauges, VSS, Engine Oil Signals-Gas Only
Figure 9:

Fuel Controls - Fuel Pump Controls


Object Number: 855329  Size: FS
Master Electrical Component List
Powertrain Control Module Description
Fuel Controls - Fuel Injectors
Ignition Controls - Sensors
OBD II Symbol Description Notice
B+ Bus Bar (Gas) - 1 of 3
ECM, ECMRPV, EDU, EDU Relay - Diesel Only
IGN 1 Relay Bus, SEO 2, RR DEFOG, SEO IGN, B/U LP
SBA, ETC, PCM 1, BTSI, TRL B/U
G104, G106, G107
G104, G106, G107
Fuel Gauge-Gas Only
Figure 10:

Fuel Controls - Fuel Injectors


Object Number: 855333  Size: FS
Master Electrical Component List
Powertrain Control Module Description
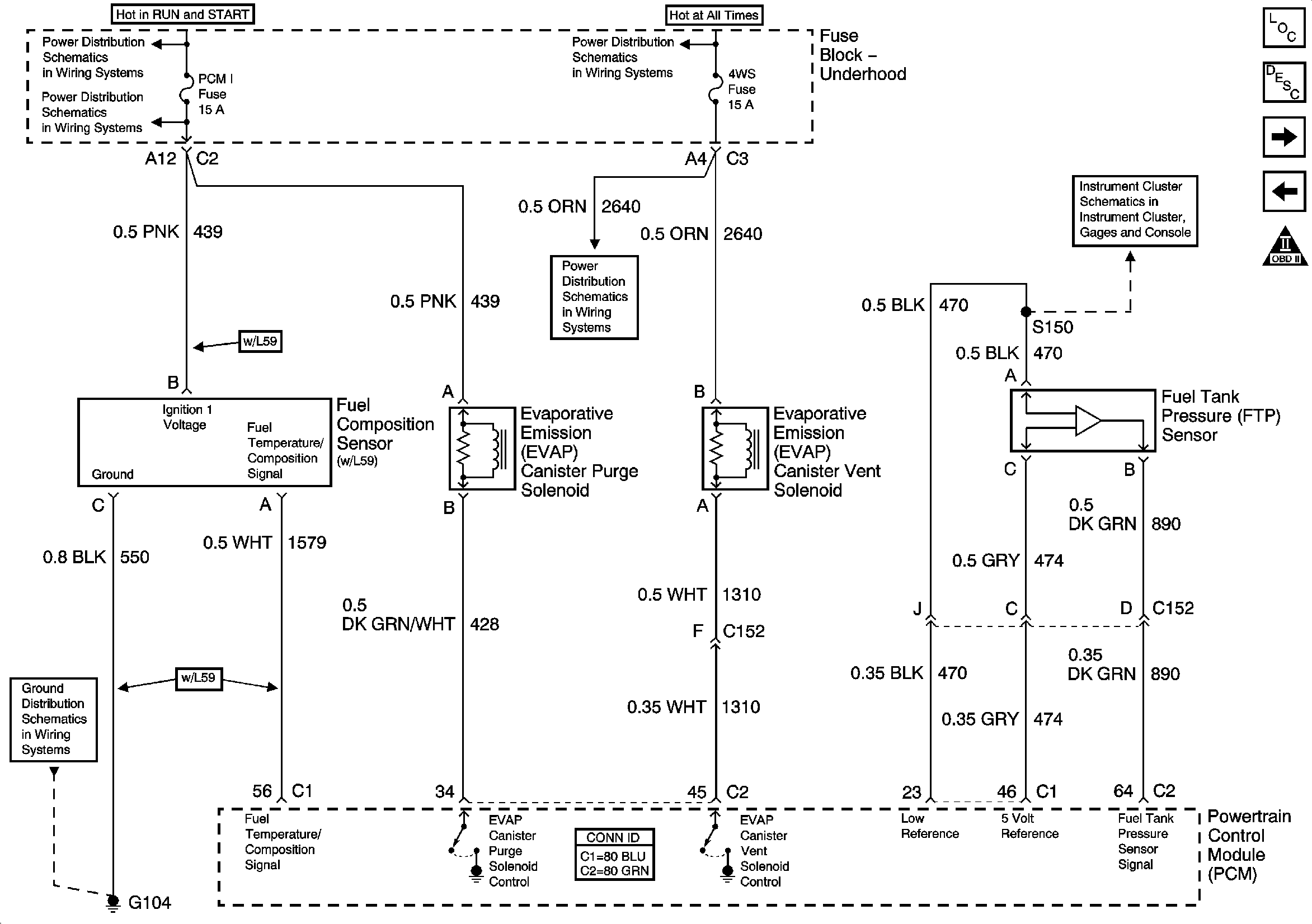
Fuel Controls - EVAP Controls and Fuel Tank Pressure
Fuel Controls - Fuel Pump Controls
OBD II Symbol Description Notice
IGN 1 Relay Bus, SEO 2, RR DEFOG, SEO IGN, B/U LP
IGN 1 Relay Bus, SEO 2, RR DEFOG, SEO IGN, B/U LP
Figure 11:

Fuel Controls - EVAP Controls and Fuel Tank Pressure


Object Number: 855335  Size: FS
Master Electrical Component List
Powertrain Control Module Description
Controlled/Monitored Subsystem References
Fuel Controls - Fuel Injectors
OBD II Symbol Description Notice
IGN 1 Relay Bus, SEO 2, RR DEFOG, SEO IGN, B/U LP
IGN 1 Relay Bus, SEO 2, RR DEFOG, SEO IGN, B/U LP
B+ Bus Bar (Gas) - 1 of 3
QS4, RADIO, RDO AMP
Fuel Gauge-Gas Only
G104, G106, G107
Figure 12:

Controlled/Monitored Subsystem References


Object Number: 855339  Size: FS
Master Electrical Component List
Powertrain Control Module Description
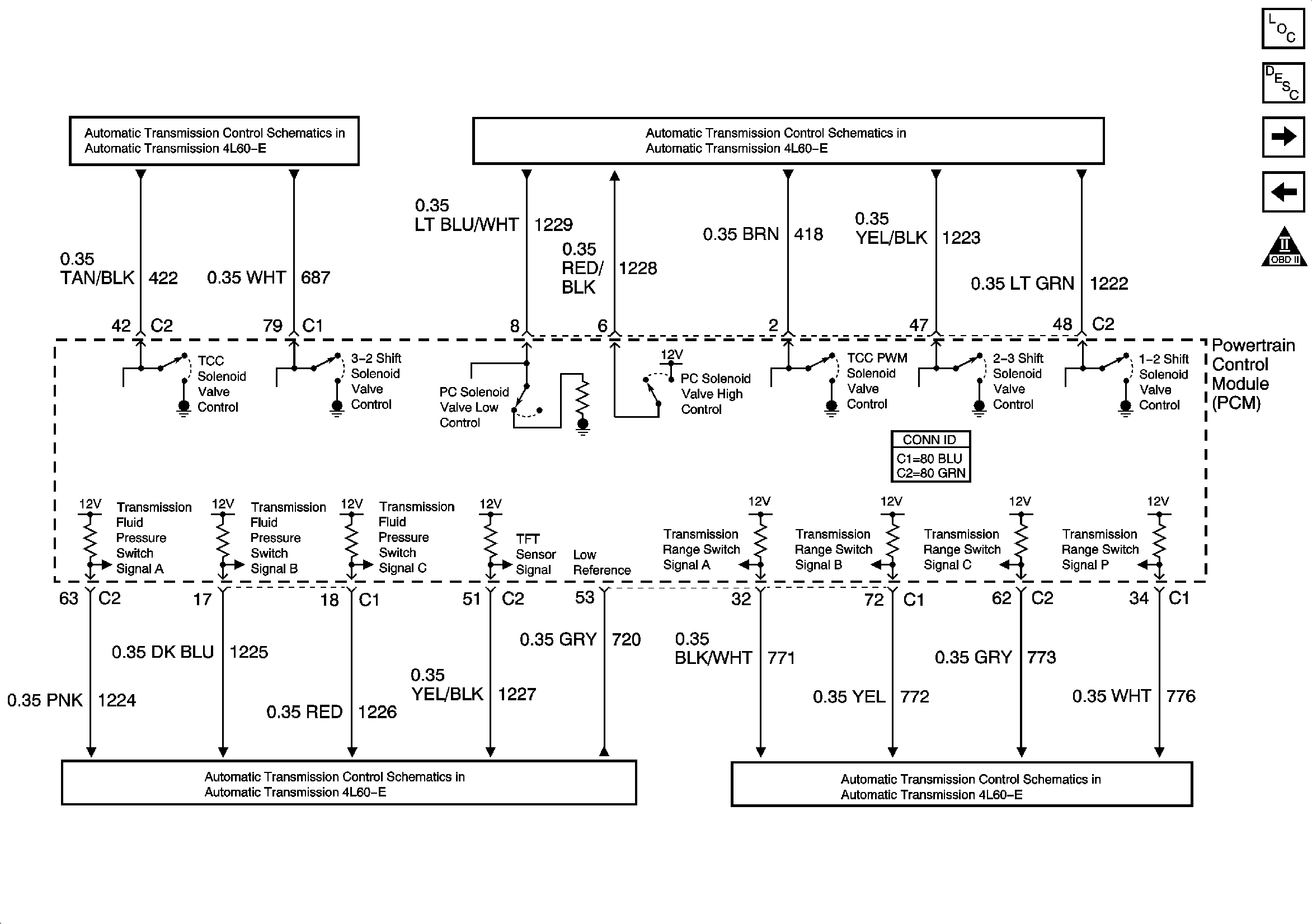
Transmission Controls - A/T - 4L60-E
Fuel Controls - EVAP Controls and Fuel Tank Pressure
OBD II Symbol Description Notice
A/C Compressor Controls
A/C Compressor Controls
Gauges, VSS, Engine Oil Signals-Gas Only
8600 GVW or Less - 1 of 2
Starting System-Gas
Transfer Case Schematics - NP1
Power, Ground, and Transfer Case Encoder Motor
Transfer Case Schematics - NP1
8600 GVW or Less - 2 of 2
Gauges, VSS, Engine Oil Signals-Gas Only
Engine Cooling
Figure 13:

Transmission Controls - A/T - 4L60-E


Object Number: 834743  Size: FS
Master Electrical Component List
Powertrain Control Module Description
Transmission Controls - A/T - 4L80-E
Controlled/Monitored Subsystem References
OBD II Symbol Description Notice
Valve Controls and Brake Switch
Switch Inputs
Switch Inputs
Tow/Haul Switch and PNP Switch Inputs
Figure 14:

Transmission Controls - A/T - 4L80-E


Object Number: 841471  Size: FS
Master Electrical Component List
Powertrain Control Module Description
Transmission Controls - A/T - 4L60-E
OBD II Symbol Description Notice
Switch Inputs
Switch Inputs
Tow/Haul Switch and PNP Switch Inputs
Switch Inputs
Switch Inputs
Valve Controls and Brake Switch