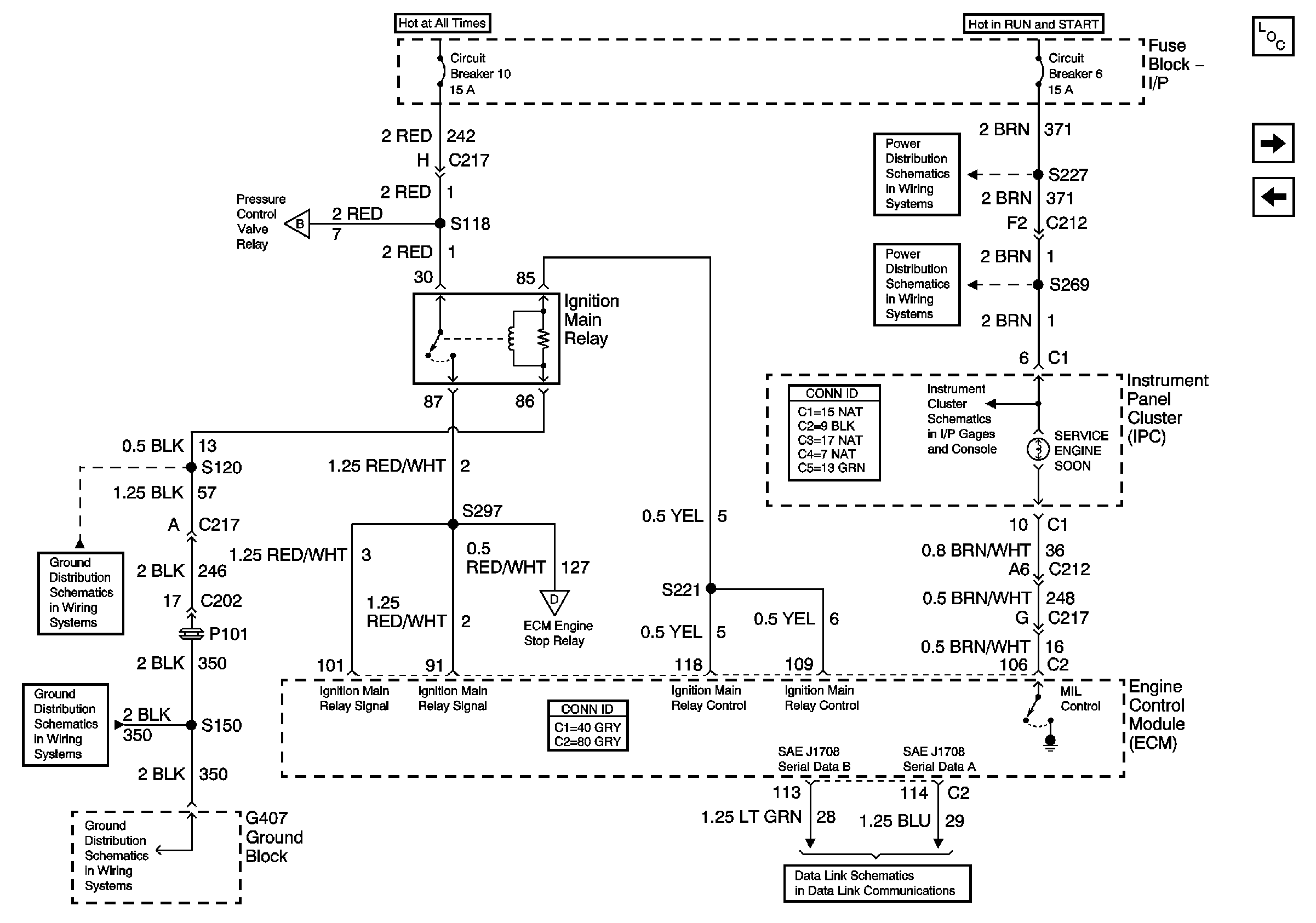
GM Service Manual Online
For 1990-2009 cars only
Figure 1:

Module Power, Ground, Data and MIL


Object Number: 777866  Size: FS
Master Electrical Component List
Module Power, Ground, Serial Data, MIL
IP Fuse Block, Circuit Breakers 1, 2, 3
Engine Data Sensors - Pressure Sensors
G 407, Splice Pack 3, S120, S121, S122, S150, S242, S361
Figure 2:

Module Power, Ground, Serial Data and MIL


Object Number: 803398  Size: FS
Master Electrical Component List
Engine Data Sensors - 5-Volt and Low Reference
Module Power, Ground, Data and MIL
Engine Data Sensors - Pressure Sensors
IP Fuse Block, Curcuit Breaker 6, Page 1 of 2
IP Fuse Block, Circuit Breaker 6, Page 2 of 2
DRL, Service Trans Filter, Low Coolant, Oil Filter, Bat, High Beam, and Service Engine Soon Lamps
G 407, Splice Pack 3, S120, S121, S122, S150, S242, S361
G 407, Splice Pack 3, S120, S121, S122, S150, S242, S361
G 407, Splice Pack 3, S120, S121, S122, S150, S242, S361
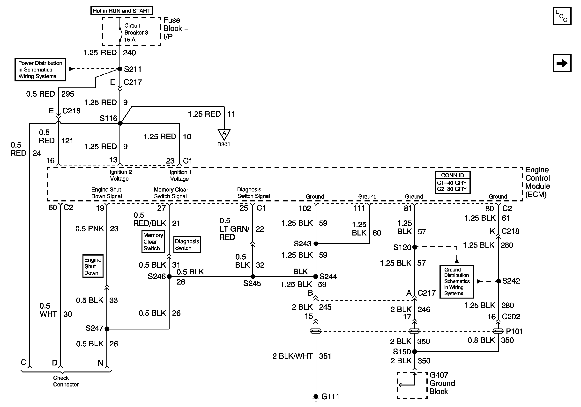
Engine Data Sensors - Glow Plug Controls and Engine Shutdown System
Data Link Connector (DLC)
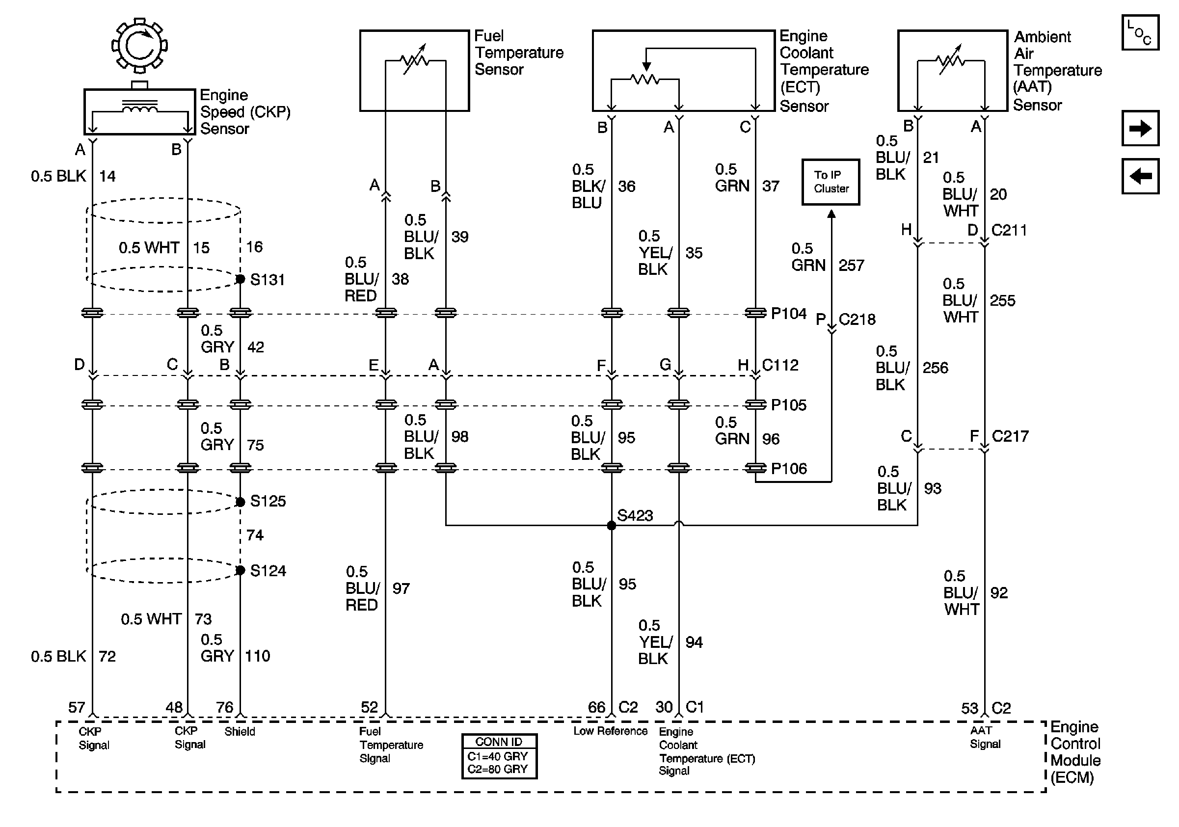
Figure 3:

Engine Data Sensors - 5-Volt and Low References


Object Number: 803149  Size: FS
Master Electrical Component List
Engine Data Sensors - Pressure Sensors
Module Power, Ground, Serial Data, MIL
Figure 4:

Engine Data Sensors - Pressure Sensors


Object Number: 777904  Size: FS
Master Electrical Component List
Engine Data Sensors - APP, Fuel Pressure and Injection Pump Speed Sensors
Engine Data Sensors - 5-Volt and Low Reference
Module Power, Ground, Data and MIL
Module Power, Ground, Serial Data, MIL
G 407, Splice Pack 3, S120, S121, S122, S150, S242, S361
G 407, Splice Pack 3, S120, S121, S122, S150, S242, S361
G 407, Splice Pack 3, S120, S121, S122, S150, S242, S361
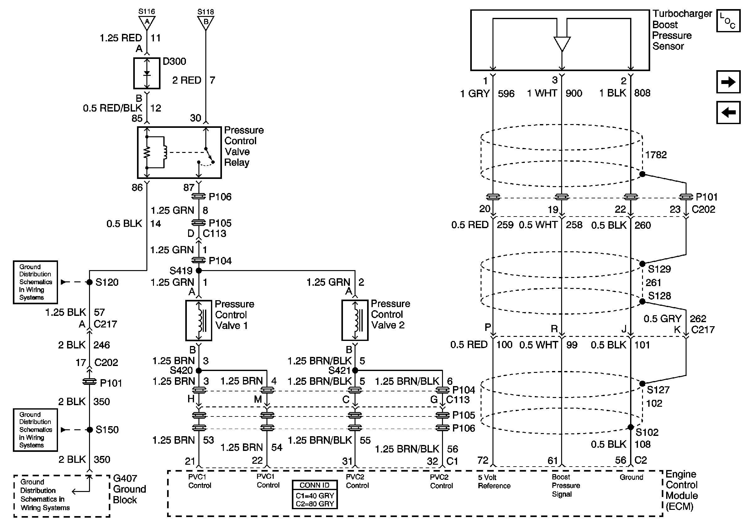
Figure 5:

Engine Data Sensors - APP, Fuel Pressure and Injection Pump Speed Sensors


Object Number: 777915  Size: FS
Master Electrical Component List
Engine Data Sensors - Temperature Sensors and Injection Timing Control
Engine Data Sensors - Pressure Sensors
Figure 6:

Engine Data Sensors - Temperature Sensors and Injection Timing Control


Object Number: 777911  Size: FS
Master Electrical Component List
Engine Data Sensors - Fast Idle Switch
Engine Data Sensors - APP, Fuel Pressure and Injection Pump Speed Sensors
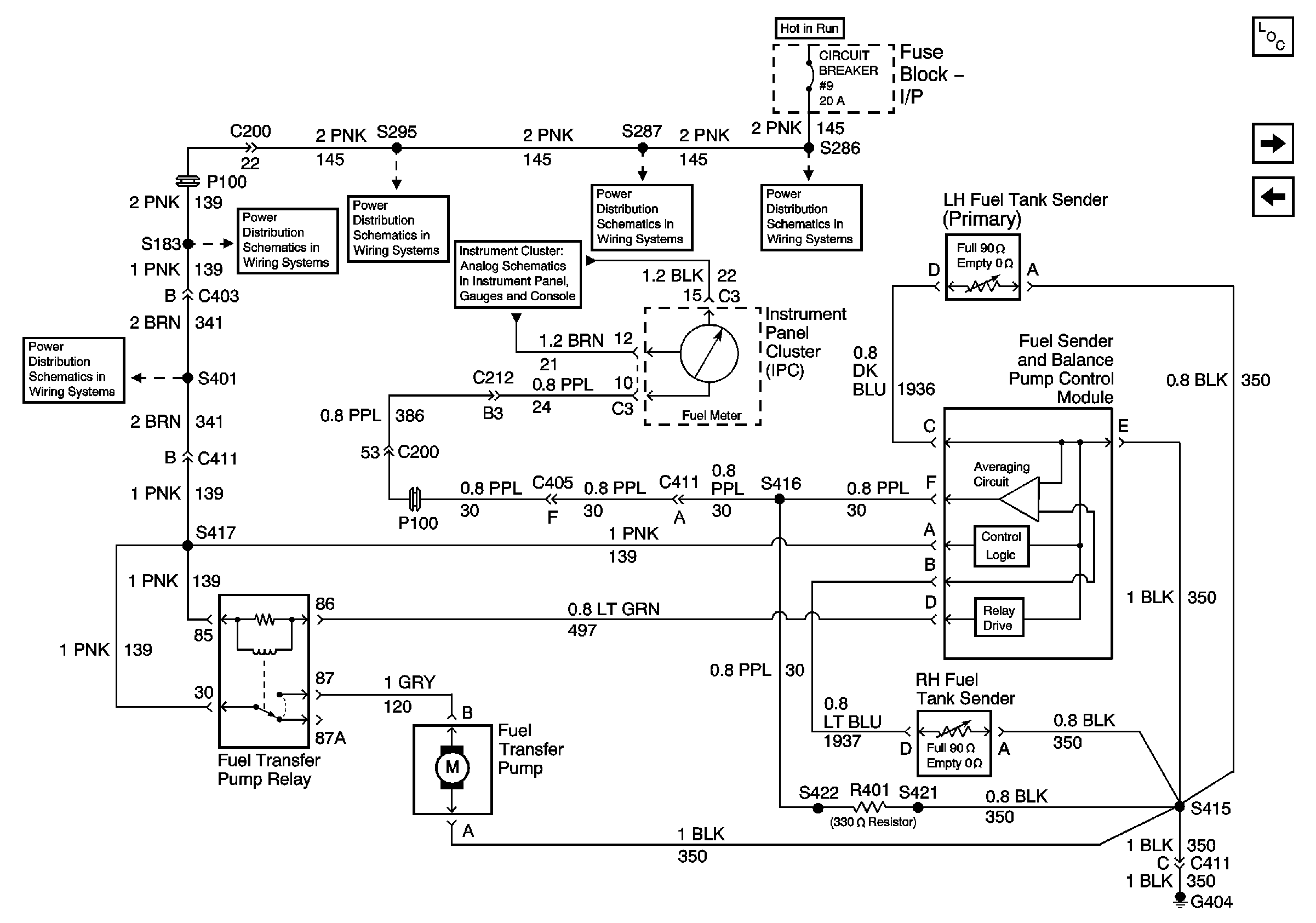
Fuel, Temperature, Oil Pressure and Check Gages
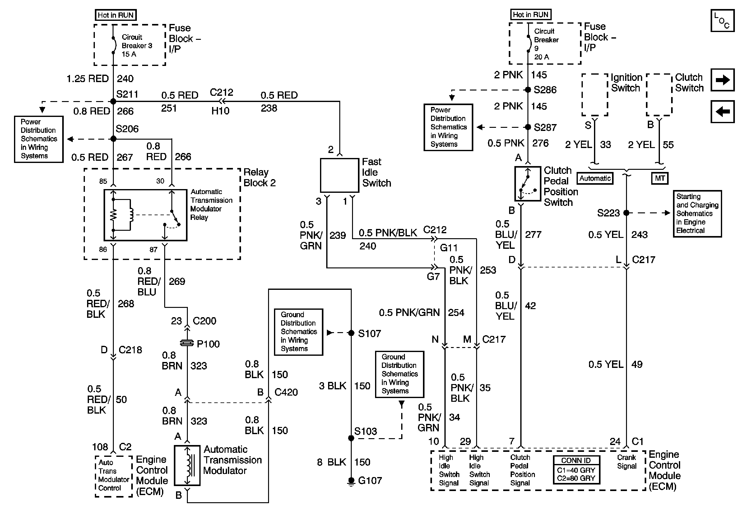
Figure 7:

Engine Data Sensors - Fast Idle Switch


Object Number: 777930  Size: FS
Master Electrical Component List
Engine Data Sensors - Glow Plug Controls and Engine Shutdown System
Engine Data Sensors - Temperature Sensors and Injection Timing Control
IP Fuse Block, Circuit Breakers 1, 2, 3
G107, S107
G107, S101, S103, S105
IP Fuse Block Circuit Breaker 9, Page 1 of 2
Starting Circuit
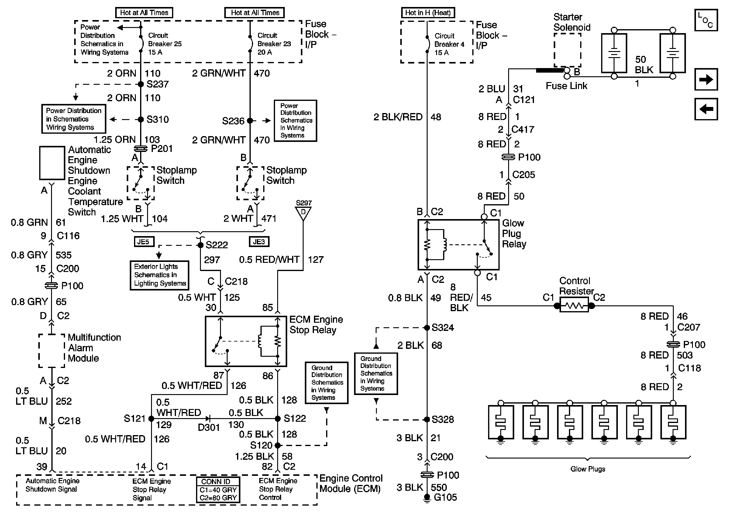
Figure 8:

Engine Data Sensors - Glow Plug Controls and Engine Shutdown System


Object Number: 777887  Size: FS
Master Electrical Component List
Fuel Controls, Fuel Pump Controls
Engine Data Sensors - Fast Idle Switch
Fuse Block 2, 2-SPEED AXLE, HVAC, TURN SIGNAL, IGNITION, HYD ABS MODULE, AIR ABS RELAY, AIR ABS TRAILER RELAY Fuses
IP Fuse Block, Circuit Breakers 22, 23, 24, 25, 26
IP Fuse Block, Circuit Breakers 22, 23, 24, 25, 26
Hazard Flasher, Stop Lamps Switch - JE5
Module Power, Ground, Serial Data, MIL
G 407, Splice Pack 3, S120, S121, S122, S150, S242, S361
G105, S325, S328
Figure 9:

Fuel Controls - Fuel Pump Controls


Object Number: 777896  Size: FS
Master Electrical Component List
Fuel Controls - Fuel Injector 1, 2, 3
Engine Data Sensors - Glow Plug Controls and Engine Shutdown System
IP Fuse Block, Circuit Breaker 9, Page 2 of 2
IP Fuse Block, Circuit Breaker 9, Page 2 of 2
IP Fuse Block Circuit Breaker 9, Page 1 of 2
Fuel, Temperature, Oil Pressure and Check Gages
IP Fuse Block Circuit Breaker 9, Page 1 of 2
IP Fuse Block Circuit Breaker 9, Page 1 of 2
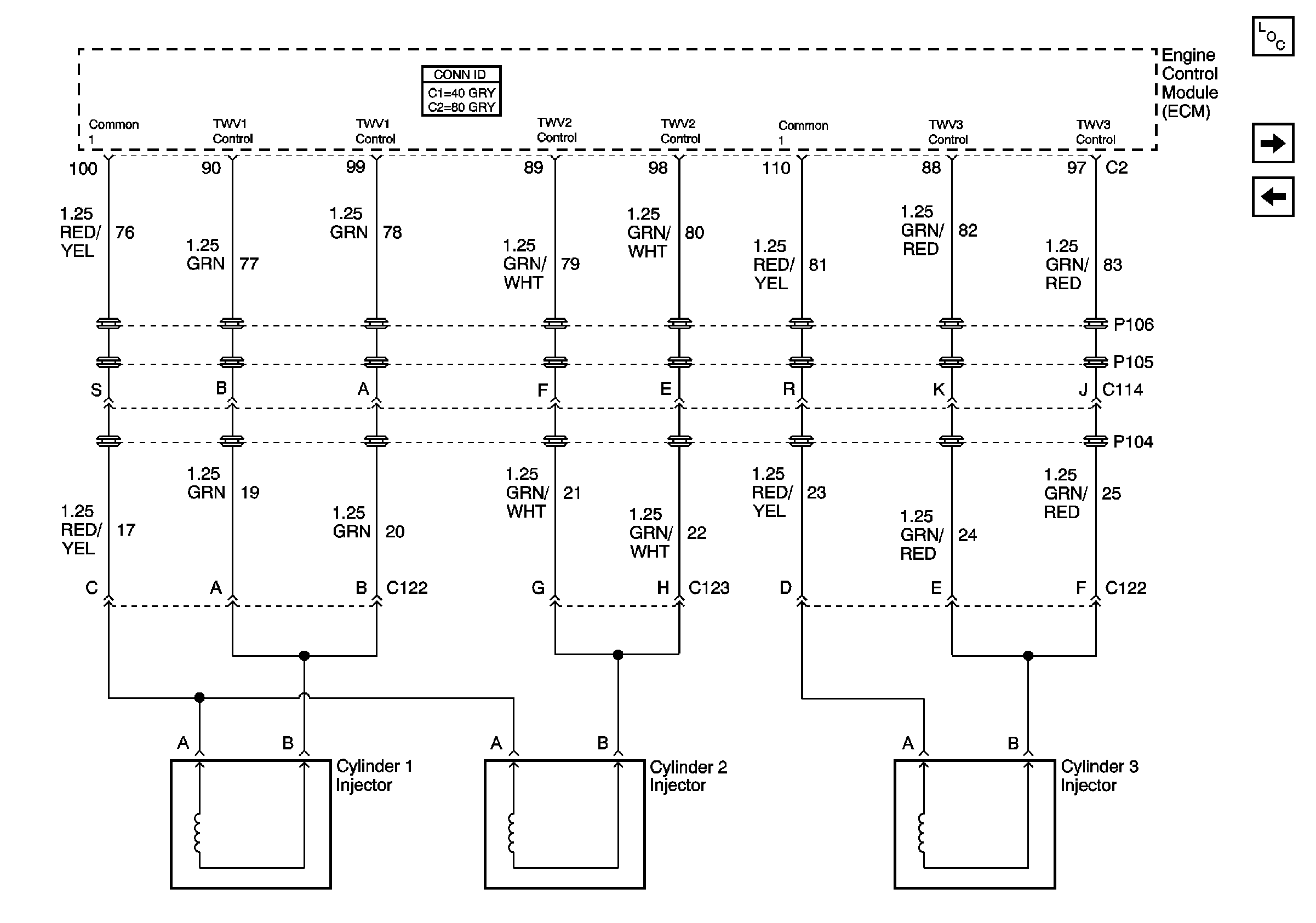
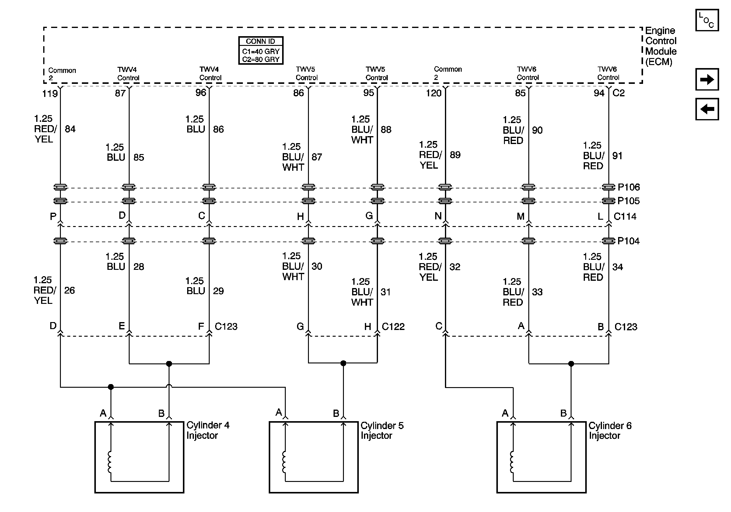
Figure 10:

Fuel Controls - Fuel Injectors 1, 2, 3


Object Number: 777898  Size: FS
Master Electrical Component List
Fuel Controls - Fuel Injectors 4, 5, 6
Fuel Controls, Fuel Pump Controls
Figure 11:

Fuel Controls - Fuel Injectors 4,5,6


Object Number: 777901  Size: FS
Master Electrical Component List
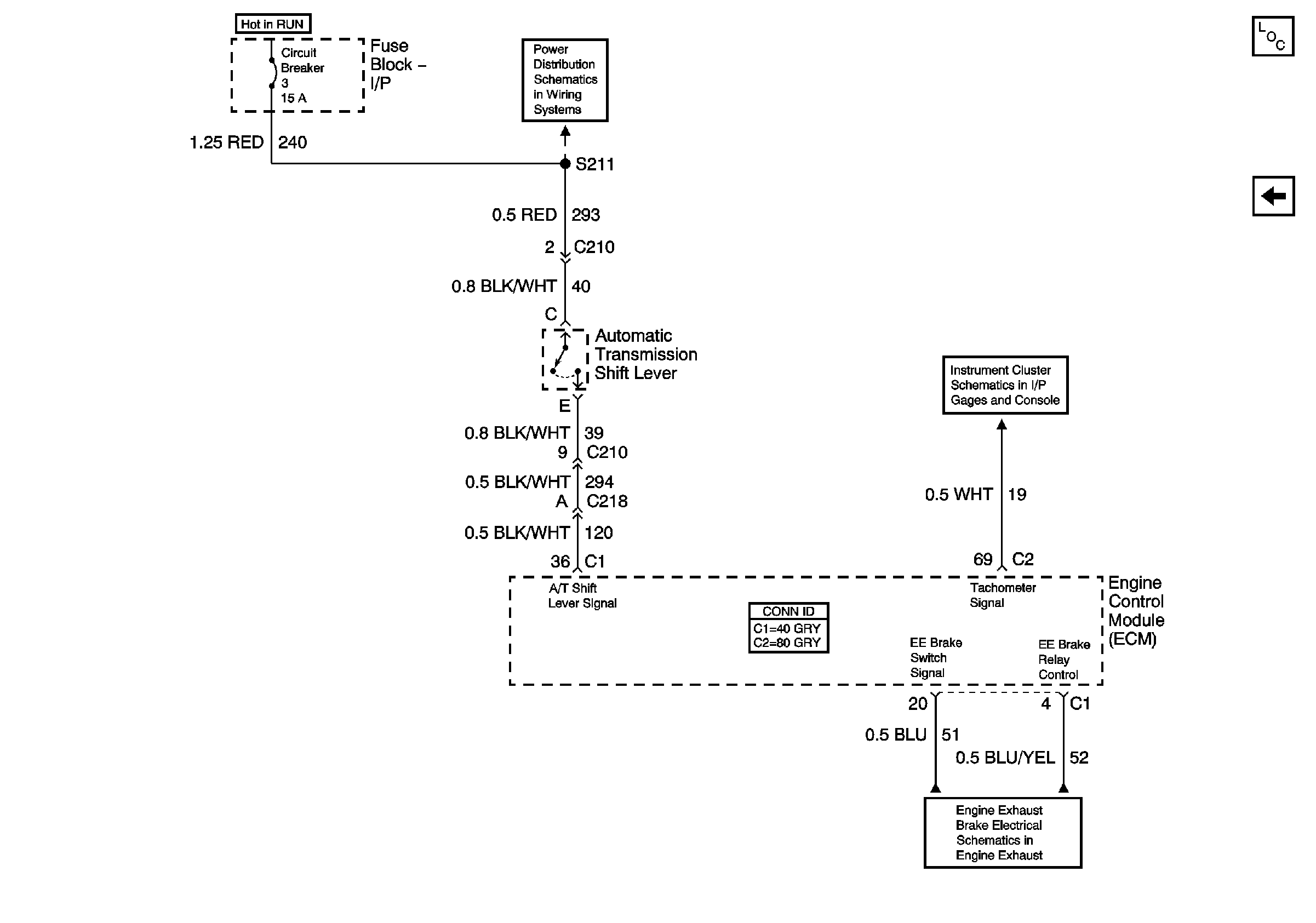
Controlled / Monitored Subsystem References
Fuel Controls - Fuel Injector 1, 2, 3
Figure 12:

Controlled/Monitored Subsystems References


Object Number: 777873  Size: FS
Master Electrical Component List
Fuel Controls - Fuel Injectors 4, 5, 6
IP Fuse Block, Circuit Breakers 1, 2, 3
Exhaust Brake, Air Suspension Dump Lamps and Tachometer (LG4)
IPC, EBCM, ENG Exhaust Brake Switch, ECM