GM Service Manual Online
For 1990-2009 cars only
Figure 1:

Battery Positive Voltage Circuits fron the Battery


Object Number: 562333  Size: FS
Power and Grounding Components
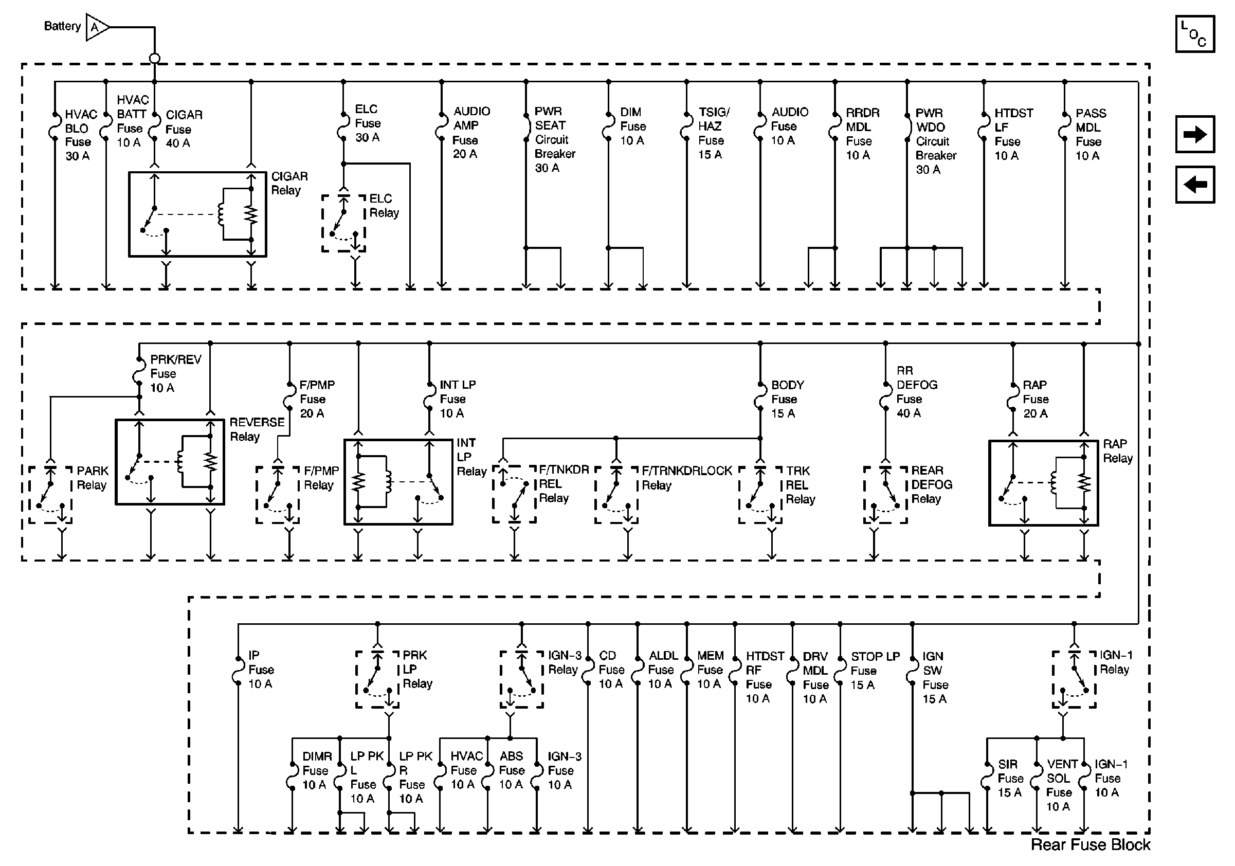
Battery Voltage to the Rear Fuse Block
Battery Voltage to the Rear Fuse Block
Figure 2:

Battery Voltage to the Rear Fuse Block


Object Number: 562338  Size: FS
Power and Grounding Components
IGN-1 Relay, TRANS, DIS, OXY SEN, and IGN 1 Fuses (Underhood Fuse Block)
Battery Positive Voltage Circuits from the Battery
Battery Positive Voltage Circuits from the Battery
Figure 3:

IGN-1 Relay, TRANS, DIS, OXY SEN, and IGN 1 Fuses (Underhood Fuse Block)


Object Number: 562514  Size: FS
Power and Grounding Components
INJ1 and INJ2 Fuses, CR CONT, PCM IGN Fuses (Underhood Fuse Block)
Battery Voltage to the Rear Fuse Block
INJ1 and INJ2 Fuses, CR CONT, PCM IGN Fuses (Underhood Fuse Block)
Handling ESD Sensitive Parts Notice
Figure 4:

INJ1 and INJ2 Fuses, CR CONT, PCM IGN Fuses (Underhood Fuse Block)


Object Number: 562525  Size: FS
Power and Grounding Components
START Circuit Breaker, HORN, and A/C CLU Fuses (Underhood Fuse Block)
IGN-1 Relay, TRANS, DIS, OXY SEN, and IGN 1 Fuses (Underhood Fuse Block)
IGN-1 Relay, TRANS, DIS, OXY SEN, and IGN 1 Fuses (Underhood Fuse Block)
Handling ESD Sensitive Parts Notice
Handling ESD Sensitive Parts Notice
Figure 5:

START Circuit Breaker, HORN, and A/C CLU Fuses (Underhood Fuse Block)


Object Number: 562728  Size: FS
Power and Grounding Components
FOG/DRL Fuse, Headlamp, Fog Lamp and DRL Relays (Underhood Fuse Block)
INJ1 and INJ2 Fuses, CR CONT, PCM IGN Fuses (Underhood Fuse Block)
00 310 Horns
Figure 6:

FOG/DRL Fuse, Headlamp, Fog Lamp and DRL Relays (Underhood Fuse Block)


Object Number: 562780  Size: FS
Power and Grounding Components
ABS and PCM BATT Fuses (Underhood Fuse Block)
START Circuit Breaker, HORN, and A/C CLU Fuses (Underhood Fuse Block)
G103
DRL, High Beam Headlamps, Dimmer Switch
Figure 7:

ABS and PCM BATT Fuses (Underhood Fuse Block)


Object Number: 406219  Size: FS
Power and Grounding Components
Cooling Fan Fuses and Relays (Underhood Fuse Block)
FOG/DRL Fuse, Headlamp, Fog Lamp and DRL Relays (Underhood Fuse Block)
Handling ESD Sensitive Parts Notice
Handling ESD Sensitive Parts Notice
Handling ESD Sensitive Parts Notice
Figure 8:

Cooling Fan Fuses and Relays (Underhood Fuse Block)


Object Number: 563119  Size: FS
Power and Grounding Components
AIR, C/LTR, AUX PWR, WSW, ACCY Fuses and ACCY Relay (Underhood Fuse Block)
ABS and PCM BATT Fuses (Underhood Fuse Block)
Cooling Fans and Relays
Cooling Fans and Relays
Figure 9:

AIR, C/LTR, AUX PWR, WSW, ACCY Fuses and ACCY Relay (Underhood Fuse Block)


Object Number: 406220  Size: FS
Power and Grounding Components
HTDST RF , HTDST LF, DIM, and MEM Fuses (Rear Fuse Block)
Cooling Fan Fuses and Relays (Underhood Fuse Block)
Figure 10:

HTDST RF , HTDST LF, DIM, and MEM Fuses (Rear Fuse BLock)


Object Number: 563133  Size: FS
Power and Grounding Components
HVAC BATT, DRV MDL, PASS MDL, RRDRMDL Fuses (Rear Fuse Block)
AIR, C/LTR, AUX PWR, WSW, ACCY Fuses and ACCY Relay (Underhood Fuse Block)
Handling ESD Sensitive Parts Notice
Handling ESD Sensitive Parts Notice
Handling ESD Sensitive Parts Notice
Handling ESD Sensitive Parts Notice
Figure 11:

HVAC BATT, DRV MDL, PASS MDL, RRDRMDL Fuses (Rear Fuse Block)


Object Number: 563136  Size: FS
Power and Grounding Components
ELC, RR DEFOG, and ALDL Fuses (Rear Fuse Block)
HTDST RF , HTDST LF, DIM, and MEM Fuses (Rear Fuse Block)
Handling ESD Sensitive Parts Notice
Handling ESD Sensitive Parts Notice
Handling ESD Sensitive Parts Notice
Handling ESD Sensitive Parts Notice
Handling ESD Sensitive Parts Notice
Handling ESD Sensitive Parts Notice
Figure 12:

ELC, RR DEFOG, and ALDL Fuses (Rear Fuse Block)


Object Number: 563162  Size: FS
Power and Grounding Components
PWR WDO and PWR SEAT Circuit Breakers (Rear Fuse Block)
HVAC BATT, DRV MDL, PASS MDL, RRDRMDL Fuses (Rear Fuse Block)
Handling ESD Sensitive Parts Notice
Handling ESD Sensitive Parts Notice
Figure 13:

PWR WDO and PWR SEAT Circuit Breakers (Rear Fuse Block)


Object Number: 563236  Size: FS
Power and Grounding Components
INT LP and BODY Fuses (Rear Fuse Block)
ELC, RR DEFOG, and ALDL Fuses (Rear Fuse Block)
Handling ESD Sensitive Parts Notice
Handling ESD Sensitive Parts Notice
Handling ESD Sensitive Parts Notice
Handling ESD Sensitive Parts Notice
Handling ESD Sensitive Parts Notice
Figure 14:

INT LP and BODY Fuses (Rear Fuse Block)


Object Number: 563242  Size: FS
Power and Grounding Components
INT LP Relay, SP306 Circuits
PWR WDO and PWR SEAT Circuit Breakers (Rear Fuse Block)
INT LP Relay, SP306 Circuits
DIMR, LP PKR, LP PKL Fuses, F/TRNKDRLOCK and F/TNKDR REL Relays
Handling ESD Sensitive Parts Notice
Figure 15:

INT LP Relay, SP306 Circuits


Object Number: 406695  Size: FS
Power and Grounding Components
DIMR, LP PKR, LP PKL Fuses, F/TRNKDRLOCK and F/TNKDR REL Relays
INT LP and BODY Fuses (Rear Fuse Block)
INT LP and BODY Fuses (Rear Fuse Block)
Figure 16:

DIMR, LP PKR, LP PKL Fuses, F/TRNKDRLOCK and F/TNKDR REL Relays


Object Number: 394720  Size: FS
Power and Grounding Components
TSIG/HAZ, STOP LP, AUDIO, and CD Fuses
INT LP Relay, SP306 Circuits
INT LP and BODY Fuses (Rear Fuse Block)
Handling ESD Sensitive Parts Notice
Figure 17:

TSIG/HAZ, STOP LP, AUDIO, and CD Fuses


Object Number: 406701  Size: FS
Power and Grounding Components
CIGAR and IP Fuses (Rear Fuse Block)
DIMR, LP PKR, LP PKL Fuses, F/TRNKDRLOCK and F/TNKDR REL Relays
Handling ESD Sensitive Parts Notice
Handling ESD Sensitive Parts Notice
Handling ESD Sensitive Parts Notice
Figure 18:

CIGAR and IP Fuses (Rear Fuse Block)


Object Number: 406221  Size: FS
Power and Grounding Components
IGN SW and NSBU Fuses (Rear Fuse Block)
TSIG/HAZ, STOP LP, AUDIO, and CD Fuses
Handling ESD Sensitive Parts Notice
Handling ESD Sensitive Parts Notice
Handling ESD Sensitive Parts Notice
Figure 19:

IGN SW and NSBU Fuses (Rear Fuse Block)


Object Number: 406225  Size: FS
Power and Grounding Components
Ignition Switch
CIGAR and IP Fuses (Rear Fuse Block)
Backup Lamps
Ignition Switch
Handling ESD Sensitive Parts Notice
Handling ESD Sensitive Parts Notice
Handling ESD Sensitive Parts Notice
Figure 20:

Ignition Switch


Object Number: 406223  Size: FS
Power and Grounding Components
Circuits from the Ignition Switch
IGN SW and NSBU Fuses (Rear Fuse Block)
IGN SW and NSBU Fuses (Rear Fuse Block)
Circuits from the Ignition Switch
Circuits from the Ignition Switch
Handling ESD Sensitive Parts Notice
Handling ESD Sensitive Parts Notice
Handling ESD Sensitive Parts Notice
Handling ESD Sensitive Parts Notice
Handling ESD Sensitive Parts Notice
Handling ESD Sensitive Parts Notice
Figure 21:

Circuits from the Ignition Switch


Object Number: 569092  Size: FS
Power and Grounding Components
IGN 1, VENT SOL, and SIR Fuses (Rear Fuse Block)
Ignition Switch
Ignition Switch
Ignition Switch
Handling ESD Sensitive Parts Notice
G103
Compressor Control W/C67
Fog Lamps (Front)
ALC Suspension (Pontiac)
Rear Window Defogger
G302
License Plate Lamps, Park Lamp Relay
G302
Figure 22:

IGN 1, VENT SOL, and SIR Fuses (Rear Fuse Block)


Object Number: 406688  Size: FS
Power and Grounding Components
ABS and IGN 3 Fuses (Rear Fuse Block)
Circuits from the Ignition Switch
Handling ESD Sensitive Parts Notice
Handling ESD Sensitive Parts Notice
Figure 23:

ABS and IGN 3 Fuses (Rear Fuse Block)


Object Number: 394723  Size: FS
Power and Grounding Components
HVAC Fuse (Rear Fuse Block)
IGN 1, VENT SOL, and SIR Fuses (Rear Fuse Block)
Handling ESD Sensitive Parts Notice
Handling ESD Sensitive Parts Notice
Handling ESD Sensitive Parts Notice
Handling ESD Sensitive Parts Notice
Handling ESD Sensitive Parts Notice
Figure 24:

HVAC Fuse (Rear Fuse Block)


Object Number: 406684  Size: FS
Power and Grounding Components
F/PMP Relay, HVAC BLO and AUDIO AMP Fuses (Rear Fuse Block)
ABS and IGN 3 Fuses (Rear Fuse Block)
Handling ESD Sensitive Parts Notice
Figure 25:

F/PMP Relay, HVAC BLO and AUDIO AMP Fuses (Rear Fuse Block)


Object Number: 569096  Size: FS
Power and Grounding Components
HVAC Fuse (Rear Fuse Block)
Handling ESD Sensitive Parts Notice
Handling ESD Sensitive Parts Notice
Handling ESD Sensitive Parts Notice
Handling ESD Sensitive Parts Notice