GM Service Manual Online
For 1990-2009 cars only
Figure 1:

PCM Power, Ground, Serial Data and MIL


Object Number: 885647  Size: FS
Underhood Fuse Block B+ Bus - 3.8L
Ignition Switch Positions
Powertrain Control Module Description
OBD II Symbol Description Notice
ABS, PCM BATT, andCool Fan 1 Fuse - 3.8L
G104 and G105 - 3.8L
Master Electrical Component List
Engine Data Sensors, 5 Volt and Low Reference
Serial Data Class 2
Figure 2:

Engine Data Sensors - 5-Volt and Low Reference


Object Number: 1220160  Size: FS
Master Electrical Component List
Powertrain Control Module Description
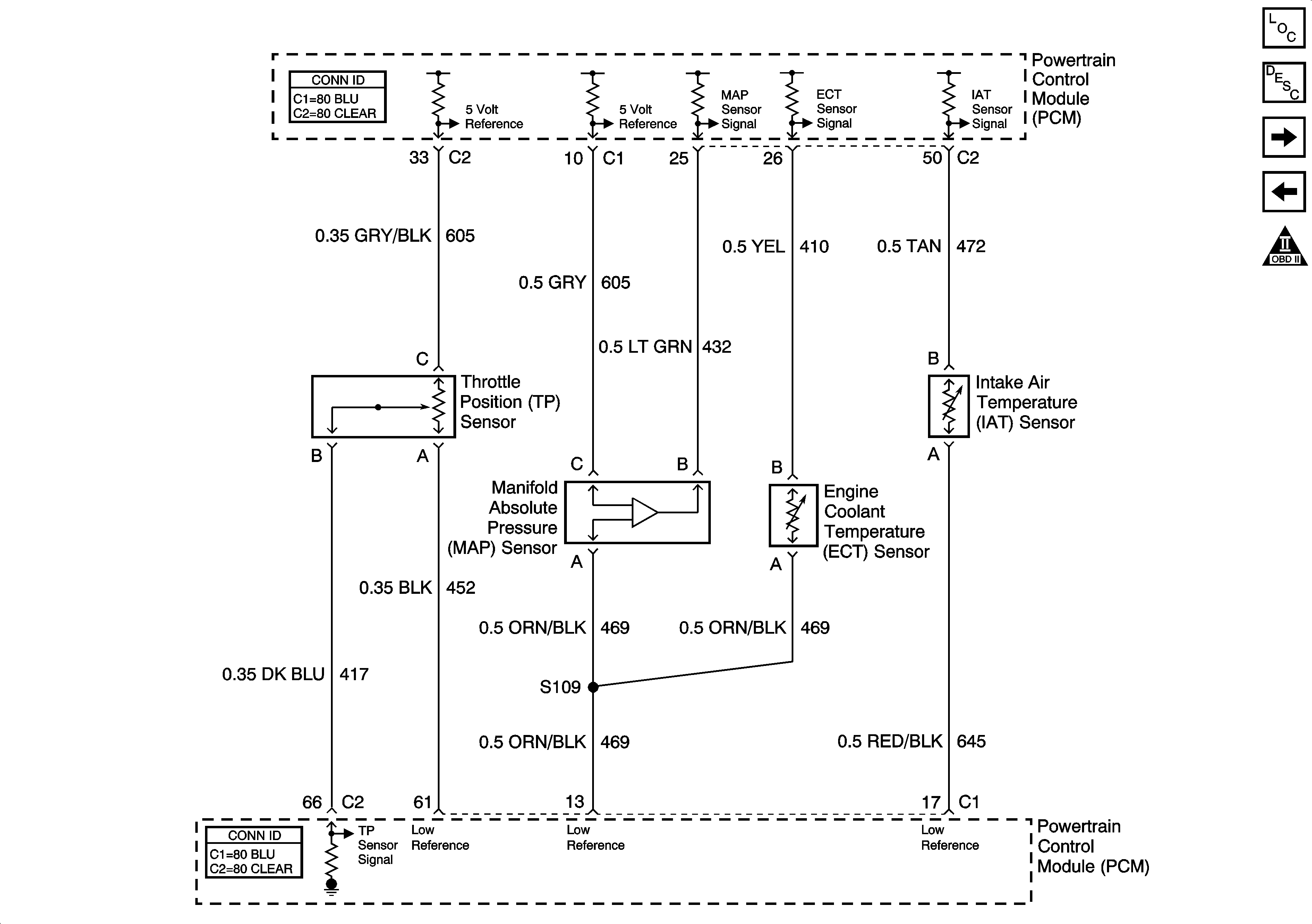
Engine Data Sensors Pressure and Temperature
PCM Power, Ground, Serial Data, and MIL
OBD II Symbol Description Notice
Figure 3:

Engine Data Sensors - Pressure and Temperature


Object Number: 1220174  Size: FS
Master Electrical Component List
Powertrain Control Module Description
Engine Data Sensors; MAF, VSS, and Extended Brake Travel Switch
Engine Data Sensors, 5 Volt and Low Reference
OBD II Symbol Description Notice
Figure 4:

Engine Data Sensors - MAF, VSS and Extended Brake Travel Switch


Object Number: 885648  Size: FS
Master Electrical Component List
Powertrain Control Module Description
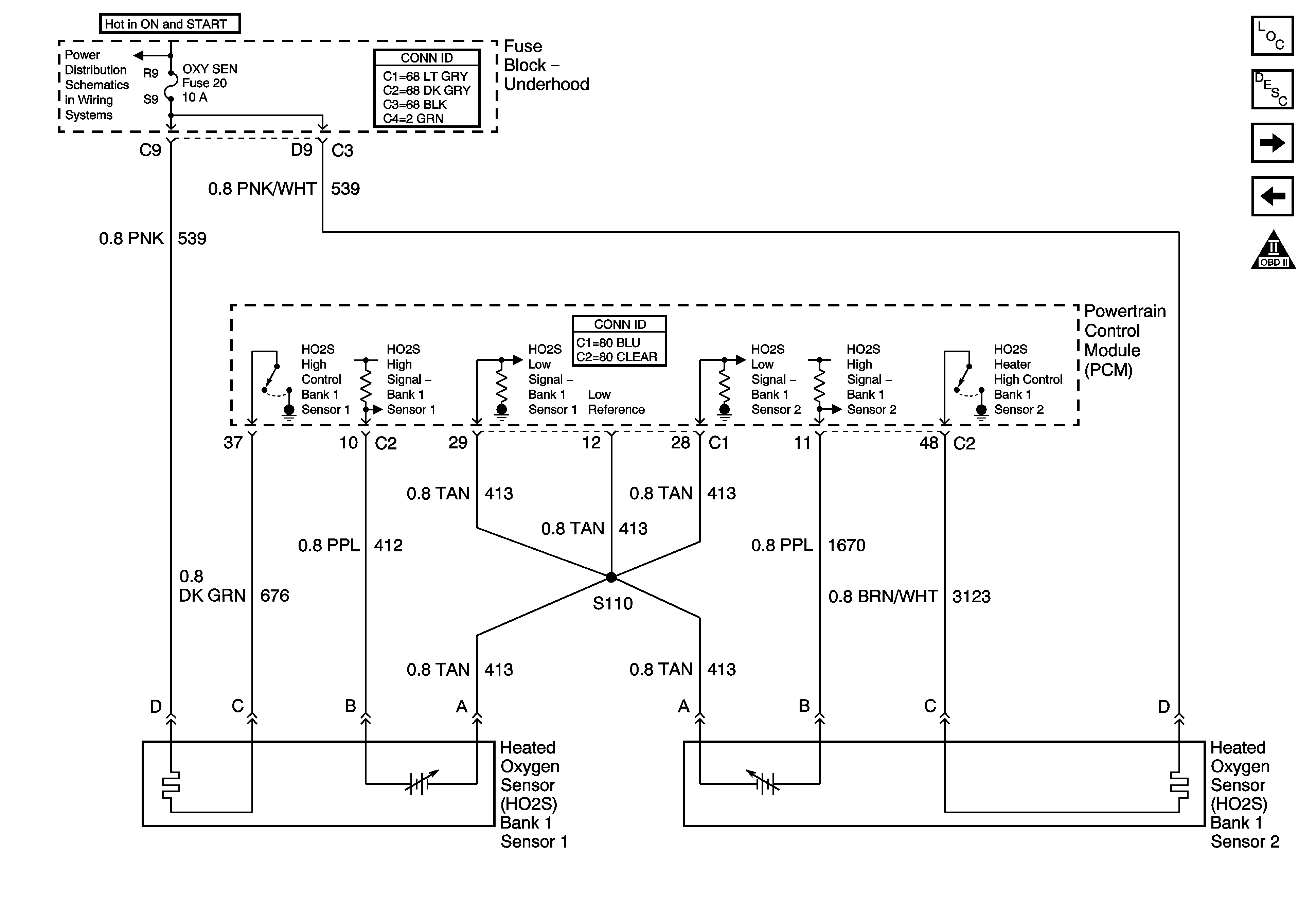
Heated Oxygen Sensors (HO2S)
Engine Data Sensors Pressure and Temperature
OBD II Symbol Description Notice
G104 and G105 - 3.8L
Underhood Fuse Block B+ Bus - 3.8L
TRANS, DIS, OXY SEN, and IGN 1 Fuses - 3.8L
Speedometer, Tachometer, and Fuel Indicators
Transaxle Inputs
G200
Figure 5:

Heated Oxygen Sensors (HO2S)


Object Number: 1220180  Size: FS
Master Electrical Component List
Powertrain Control Module Description
TRANS, DIS, OXY SEN, and IGN 1 Fuses - 3.8L
Ignition Controls
Engine Data Sensors; MAF, VSS, and Extended Brake Travel Switch
OBD II Symbol Description Notice
Figure 6:

Ignition Controls


Object Number: 885652  Size: FS
Master Electrical Component List
Electronic Ignition (EI) System Description
TRANS, DIS, OXY SEN, and IGN 1 Fuses - 3.8L
Fuel Pump Controls
Heated Oxygen Sensors (HO2S)
OBD II Symbol Description Notice
Speedometer, Tachometer, and Fuel Indicators
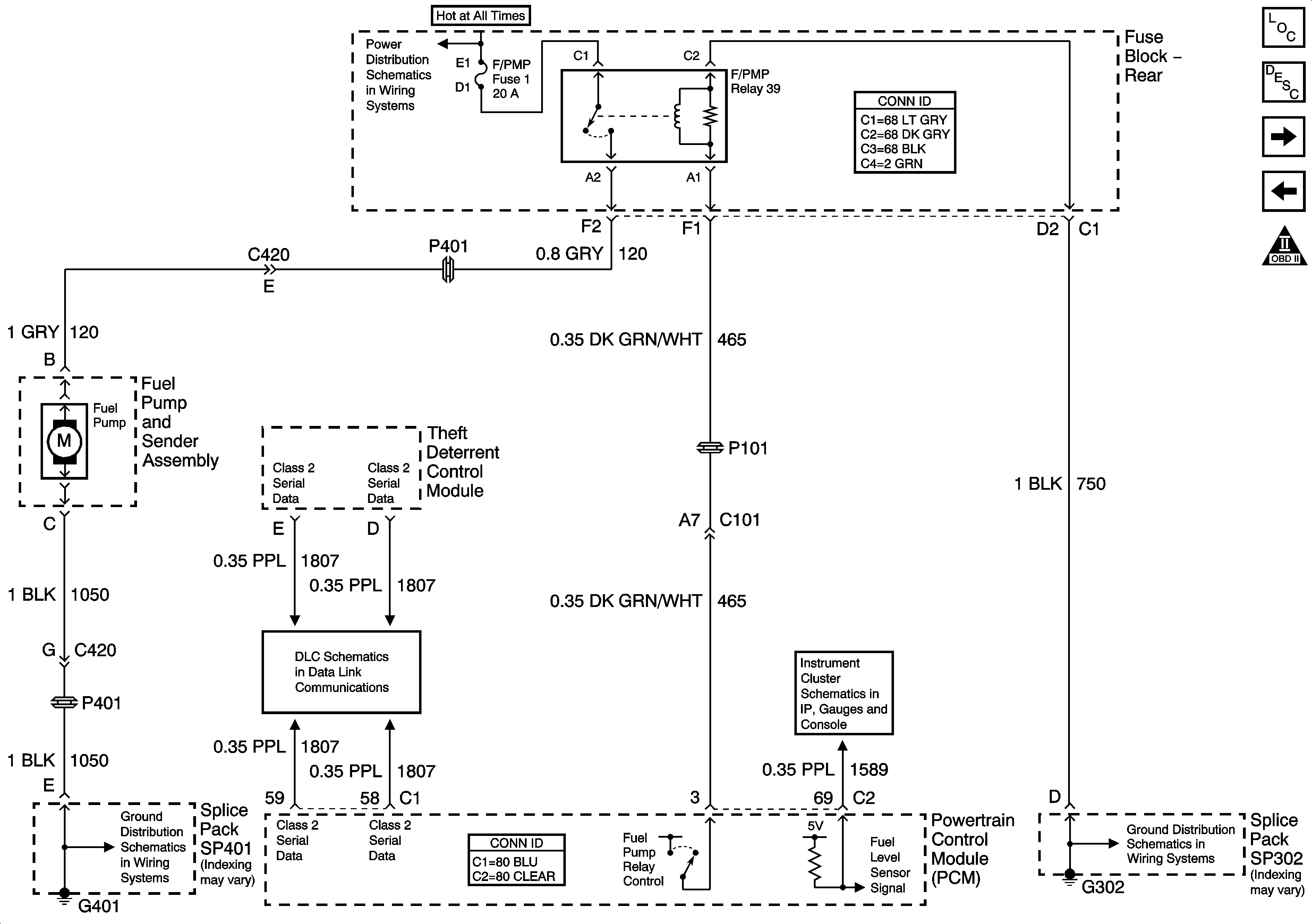
Figure 7:

Fuel Pump Controls


Object Number: 1220184  Size: FS
Master Electrical Component List
Fuel System Description
Rear Fuse Block - B+ Bus
G401 (1 of 2)
TRANS, DIS, OXY SEN, and IGN 1 Fuses - 3.8L
G302
Fuel Injectors
Ignition Controls
OBD II Symbol Description Notice
Serial Data Class 2
Speedometer, Tachometer, and Fuel Indicators
Figure 8:

Fuel Injectors


Object Number: 885654  Size: FS
Master Electrical Component List
Fuel System Description
INJR 2, PCM IGN, CR CONT, and INJR 1 Fuses - 3.8L
Fuel Sensor and EVAP Solenoid Controls
Fuel Pump Controls
OBD II Symbol Description Notice
Figure 9:

Fuel Sensor and EVAP Solenoid Controls


Object Number: 885655  Size: FS
Master Electrical Component List
Evaporative Emission Control System Description
Speedometer, Tachometer, and Fuel Indicators
Device Controls
Fuel Injectors
OBD II Symbol Description Notice
Compressor Controls
Compressor Controls - 3.8L
IGN-1, Vent Sol, and SIR Fuses
Underhood Fuse Block B+ Bus - 3.8L
TRANS, DIS, OXY SEN, and IGN 1 Fuses - 3.8L
Figure 10:

Device Controls


Object Number: 869701  Size: FS
Master Electrical Component List
Powertrain Control Module Description
Controlled/Monitored Subsystem References
Fuel Sensor and EVAP Solenoid Controls
OBD II Symbol Description Notice
Figure 11:

Controlled/Monitored Subsystem References


Object Number: 766025  Size: FS
Master Electrical Component List
Powertrain Control Module Description
Compressor Controls - 3.8L
PCM Signals Engine Oil, and Volt Indicators
Engine Cooling Fans, and Relays
Generator Control
DIC Switch (w/U50)
Cruise Control Module, and VSS
Transmission Controls
Device Controls
OBD II Symbol Description Notice
Figure 12:

Transmission Controls


Object Number: 879281  Size: FS
Master Electrical Component List
Powertrain Control Module Description
Power to the Transaxle and Solenoid Controls
Internal Mode Switch Inputs
Traction Control (NW9)
Transaxle Inputs
Controlled/Monitored Subsystem References
OBD II Symbol Description Notice