GM Service Manual Online
For 1990-2009 cars only
Figure 1:

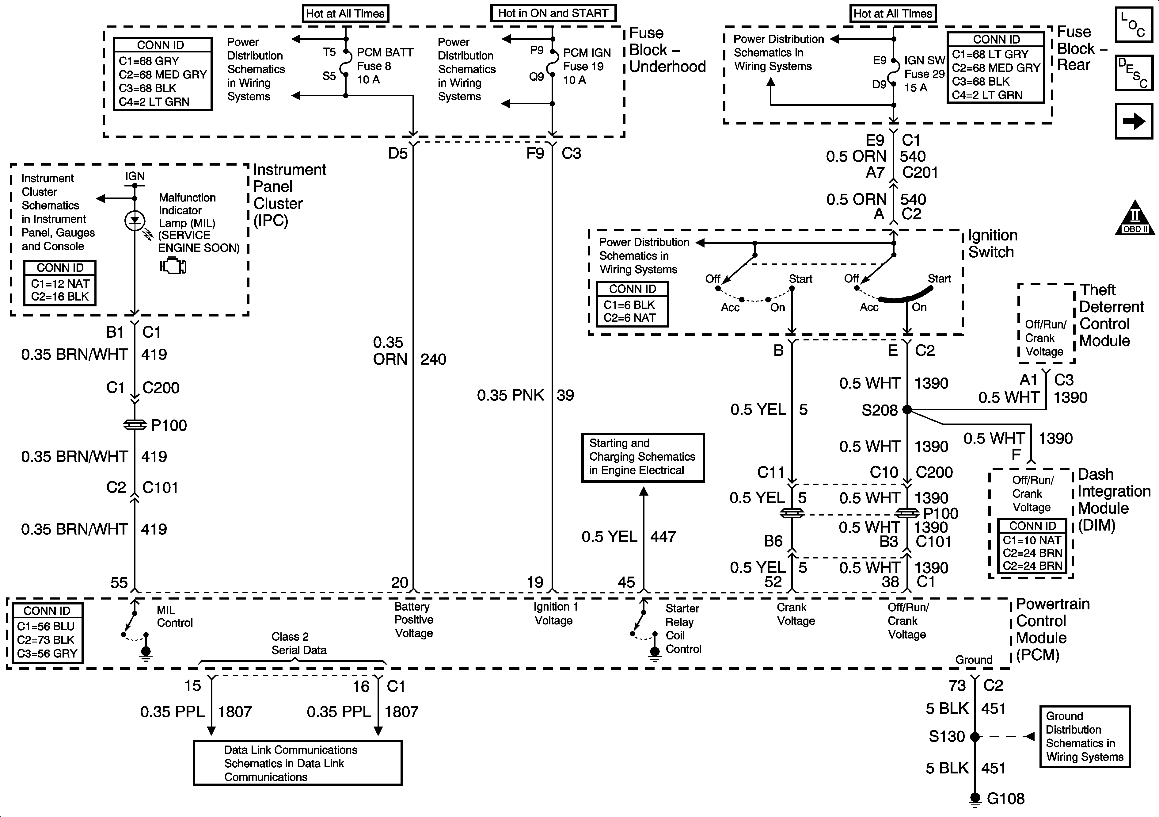
PCM Power, Ground, Serial Data, and MIL


Object Number: 1237508  Size: FS
Underhood Fuse Block B+ Bus - 4.6L
Underhood Fuse Block B+ Bus - 4.6L
DIM, PCM, and EBCM Signals Traction, ABS, Brake, Battery and MIL Indicators
Serial Data Class 2
Ignition Switch Positions
Starting Control
Rear Fuse Block - B+ Bus
G108, G110, and G111 - 4.6L
Master Electrical Component List
Powertrain Control Module Description
5 Volt, and Low Reference Sensors
OBD II Symbol Description Notice
Figure 2:

5-Volt and Low Reference Sensors


Object Number: 1237509  Size: FS
Master Electrical Component List
Powertrain Control Module Description
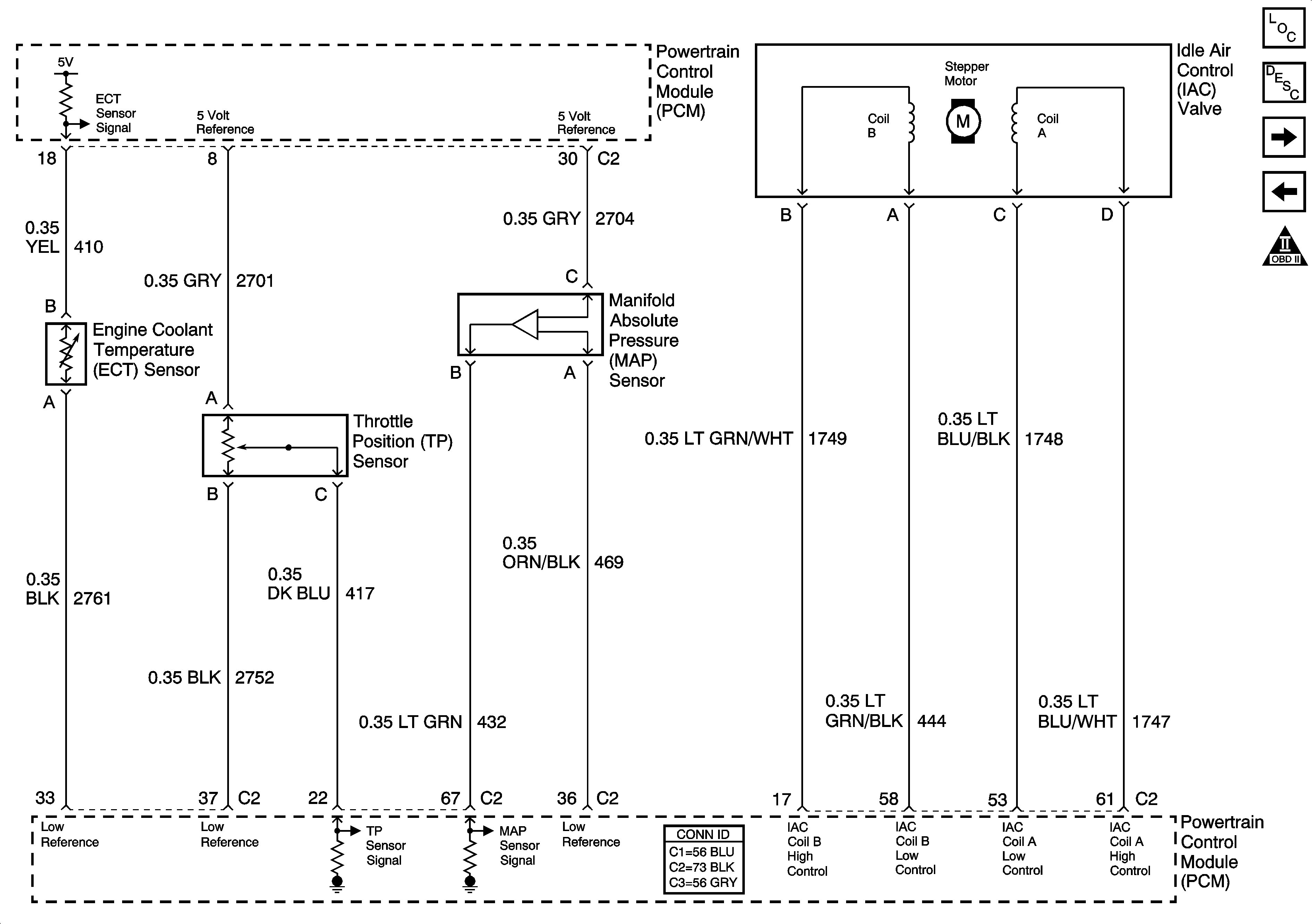
Pressure, and Temperature Sensors
PCM Power, Ground, Serial Data, and MIL
OBD II Symbol Description Notice
Figure 3:

Pressure and Temperature Sensors


Object Number: 1237510  Size: FS
Master Electrical Component List
Powertrain Control Module Description
MAF, VSS, and Extended Travel Switch Sensors
5 Volt, and Low Reference Sensors
OBD II Symbol Description Notice
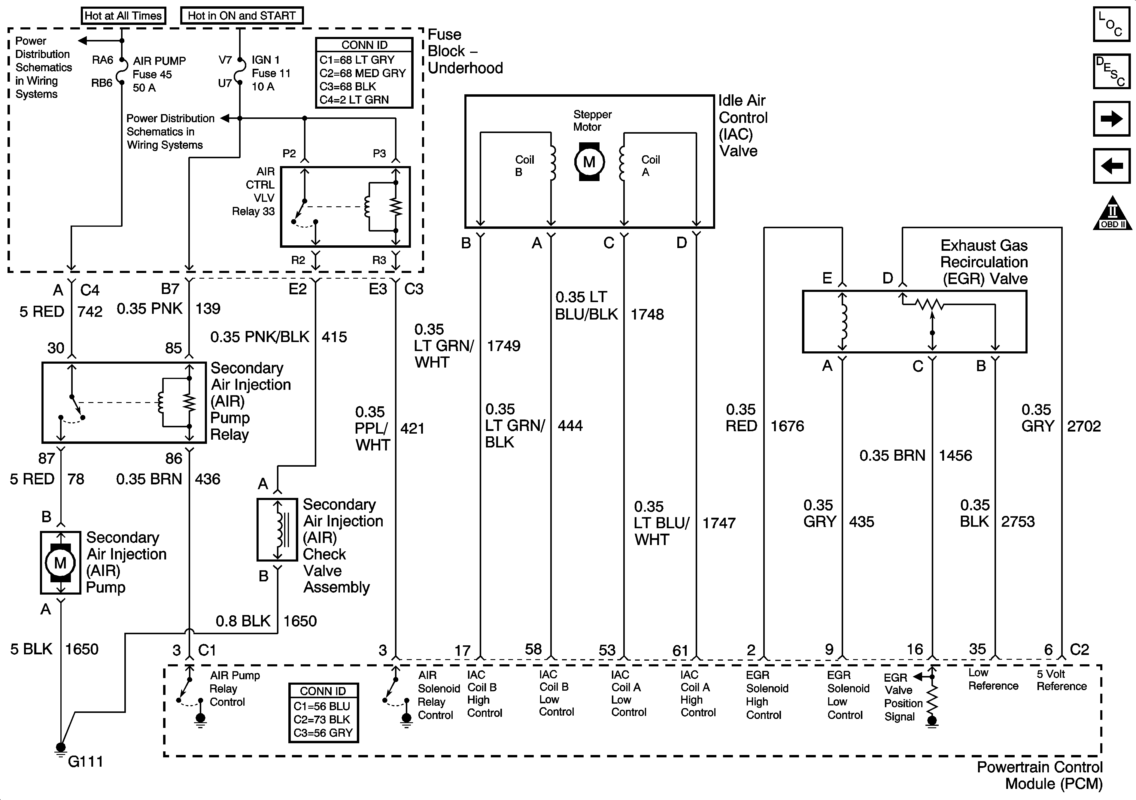
Figure 4:

MAF, VSS and Extended Travel Switch Sensors


Object Number: 1237511  Size: FS
Underhood Fuse Block B+ Bus - 4.6L
G108, G110, and G111 - 4.6L
IGN-1, Vent Sol, and SIR Fuses
Speedometer, Tachometer, and Fuel Indicators
Power, and Ground - 4.6L
Rear Fuse Block - B+ Bus
Transmission Internal Mode Switch (IMS) and VSS
Master Electrical Component List
Powertrain Control Module Description
HO2S Sensors
Pressure, and Temperature Sensors
OBD II Symbol Description Notice
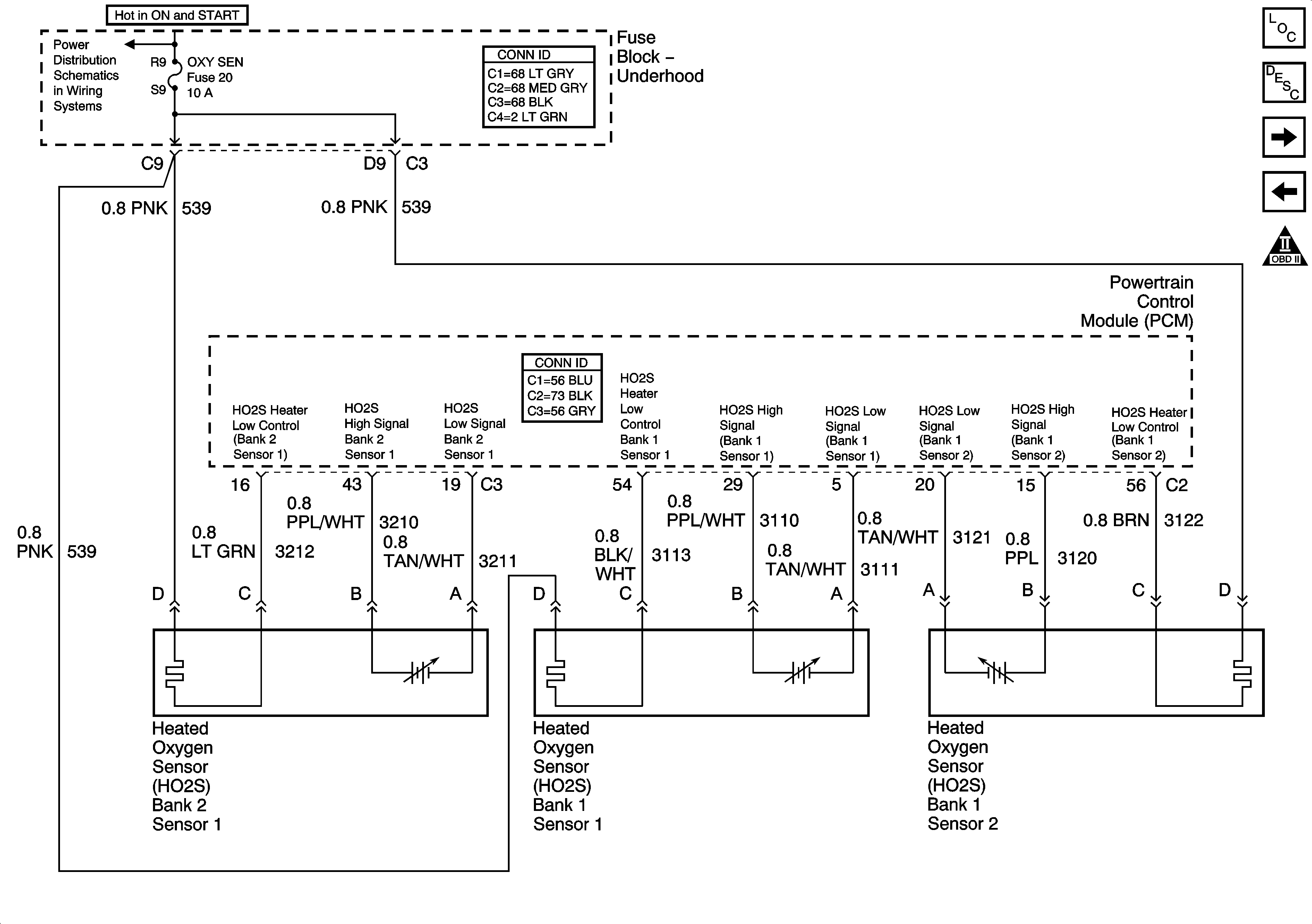
Figure 5:

HO2S Sensors


Object Number: 1237512  Size: FS
Underhood Fuse Block B+ Bus - 4.6L
Master Electrical Component List
Powertrain Control Module Description
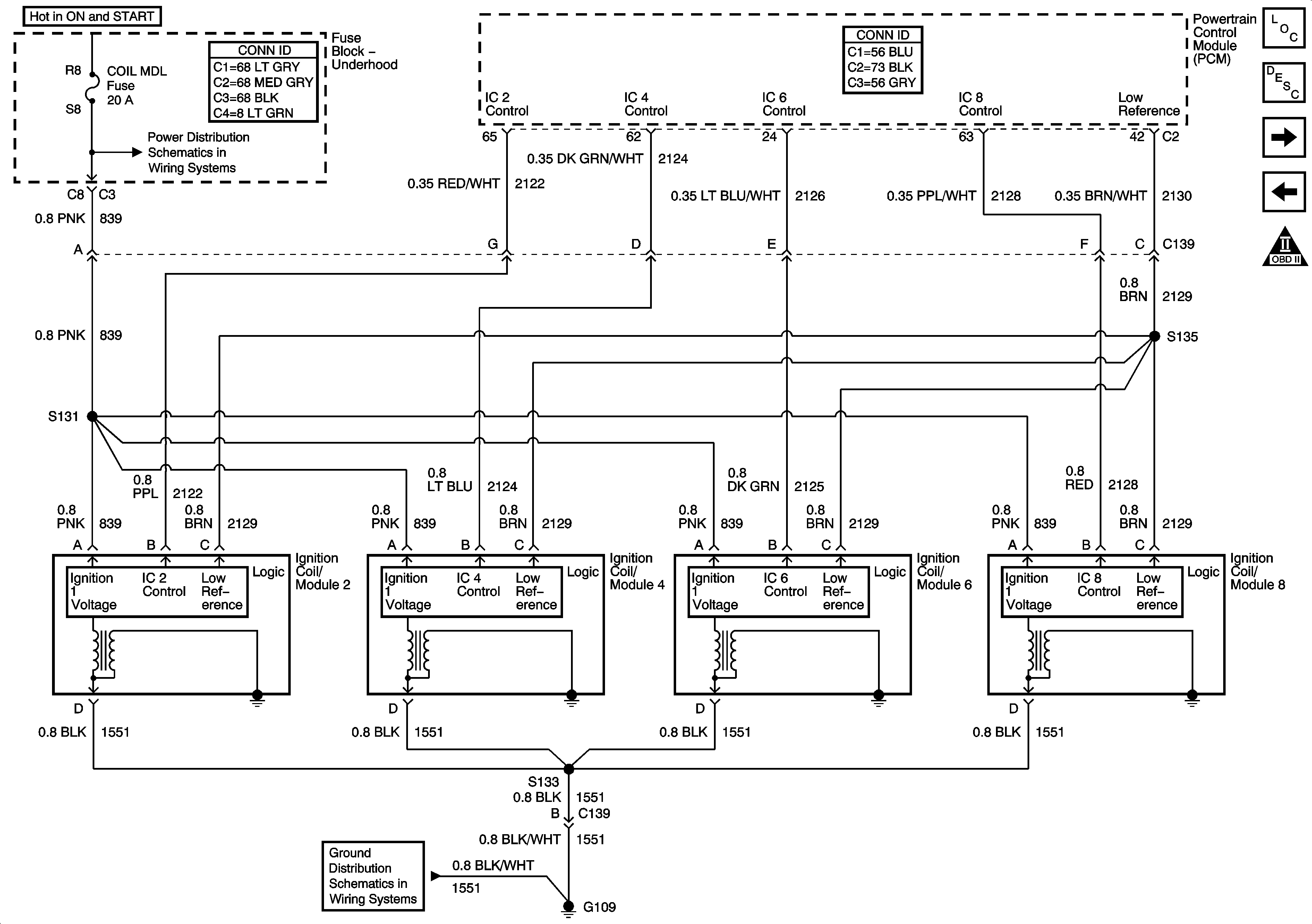
Ignition System - Bank 1
MAF, VSS, and Extended Travel Switch Sensors
OBD II Symbol Description Notice
Figure 6:

Ignition System - Bank 1


Object Number: 1368895  Size: FS
Underhood Fuse Block B+ Bus - 4.6L
Speedometer, Tachometer, and Fuel Indicators
G109 - 4.6L
Master Electrical Component List
Powertrain Control Module Description
Ignition System - Bank 2
HO2S Sensors
OBD II Symbol Description Notice
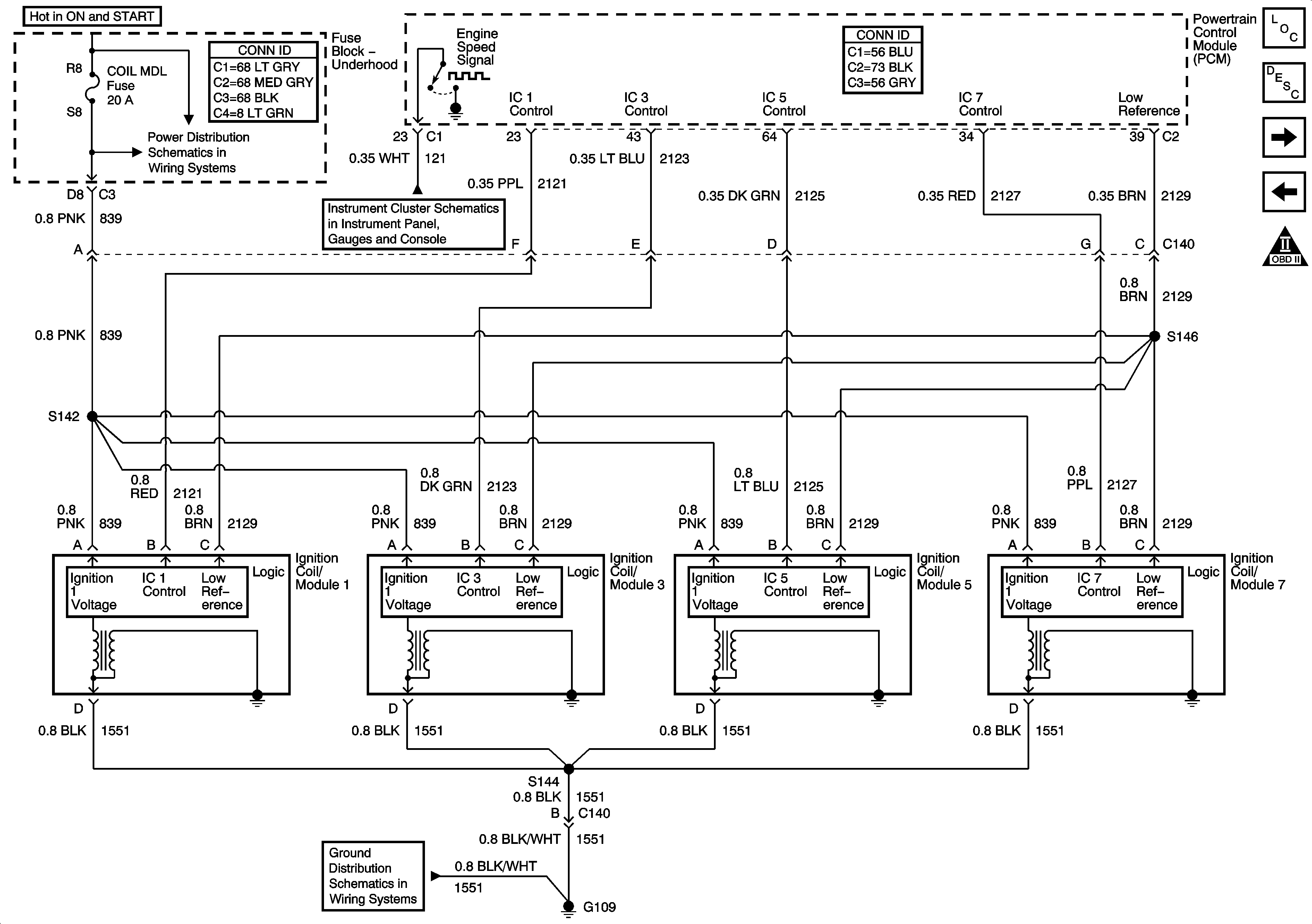
Figure 7:

Ignition System - Bank 2


Object Number: 1368908  Size: FS
Underhood Fuse Block B+ Bus - 4.6L
G109 - 4.6L
Master Electrical Component List
Powertrain Control Module Description
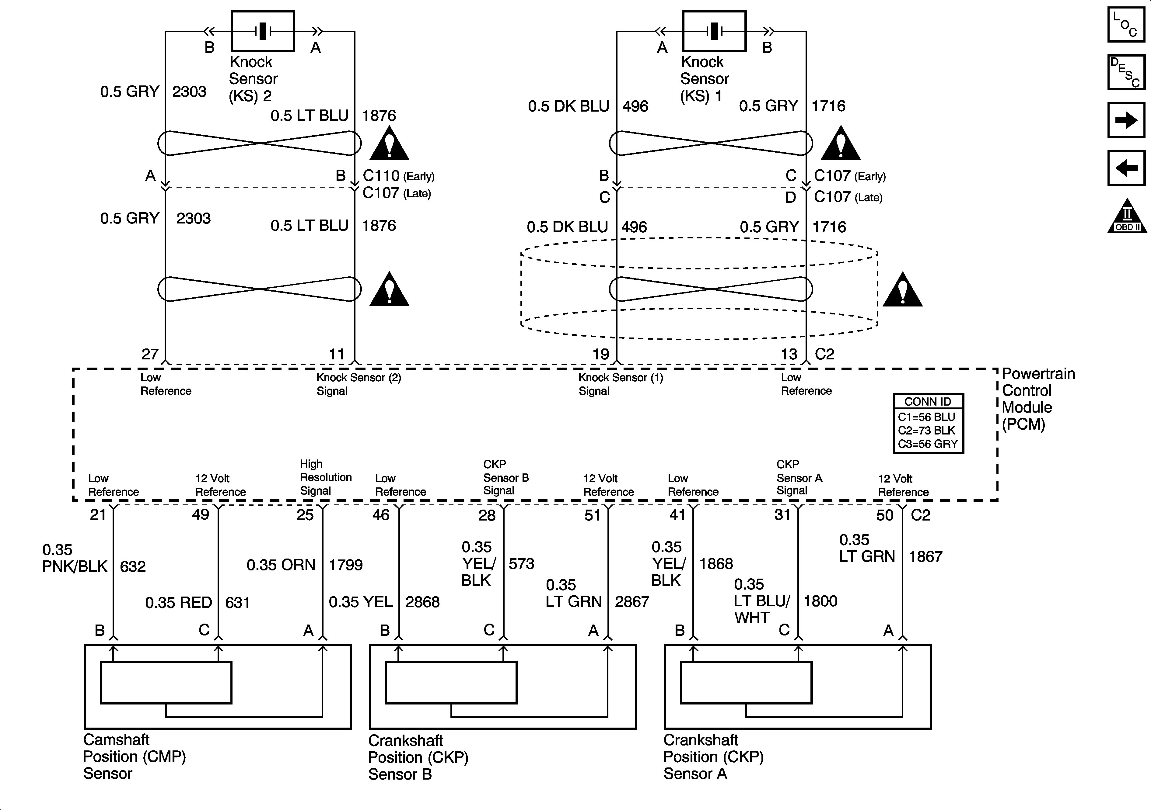
Ignition Controls - Sensors
Ignition System - Bank 1
OBD II Symbol Description Notice
Figure 8:

Ignition Controls - Sensors


Object Number: 1237516  Size: FS
Engine Controls Schematic Icons
Engine Controls Schematic Icons
Engine Controls Schematic Icons
Engine Controls Schematic Icons
Master Electrical Component List
Powertrain Control Module Description
Fuel Controls - Fuel Pump Controls
Ignition System - Bank 2
OBD II Symbol Description Notice
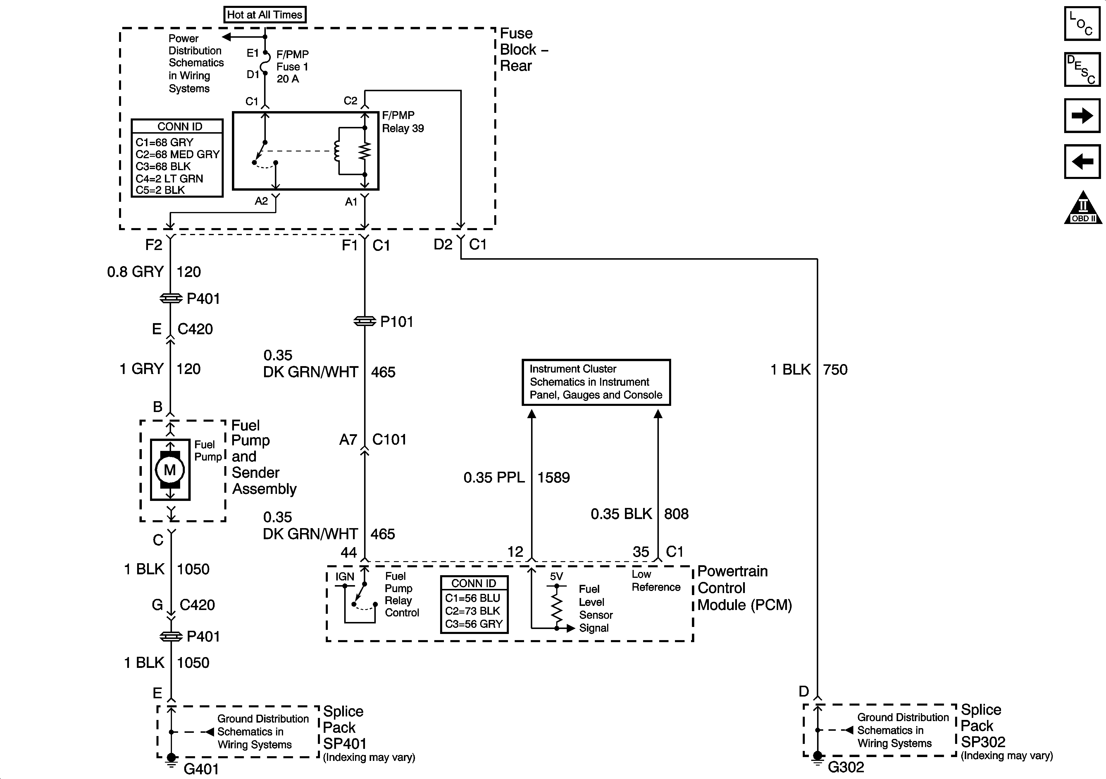
Figure 9:

Fuel Controls - Fuel Pump Controls


Object Number: 1237517  Size: FS
Rear Fuse Block - B+ Bus
G401 (1 of 2)
Speedometer, Tachometer, and Fuel Indicators
G302
Master Electrical Component List
Fuel System Description
Fuel Controls - Fuel Injectors
Ignition Controls - Sensors
OBD II Symbol Description Notice
Figure 10:

Fuel Controls - Fuel Injectors


Object Number: 1237519  Size: FS
Underhood Fuse Block B+ Bus - 4.6L
Master Electrical Component List
Fuel System Description
EVAP Controls
Fuel Controls - Fuel Pump Controls
OBD II Symbol Description Notice
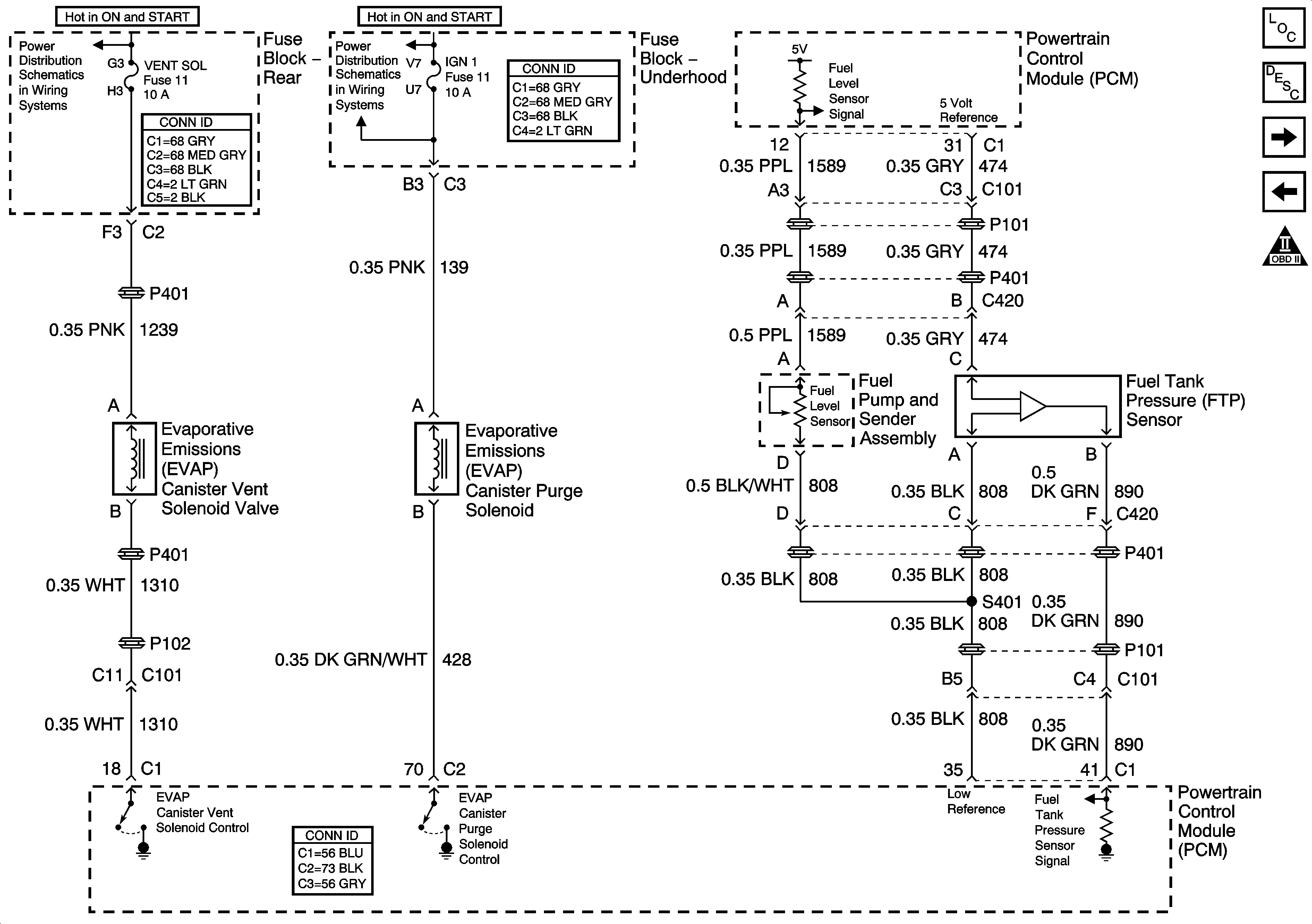
Figure 11:

EVAP Controls


Object Number: 1237520  Size: FS
Rear Fuse Block - B+ Bus
Underhood Fuse Block B+ Bus - 4.6L
Master Electrical Component List
Evaporative Emission Control System Description
Device Controls
Fuel Controls - Fuel Injectors
OBD II Symbol Description Notice
Figure 12:

Device Controls


Object Number: 1237522  Size: FS
Underhood Fuse Block B+ Bus - 4.6L
PCM IGN and IGN 1 Fuses - 4.6L
Master Electrical Component List
Powertrain Control Module Description
Controlled/Monitored Subsystem References
EVAP Controls
OBD II Symbol Description Notice
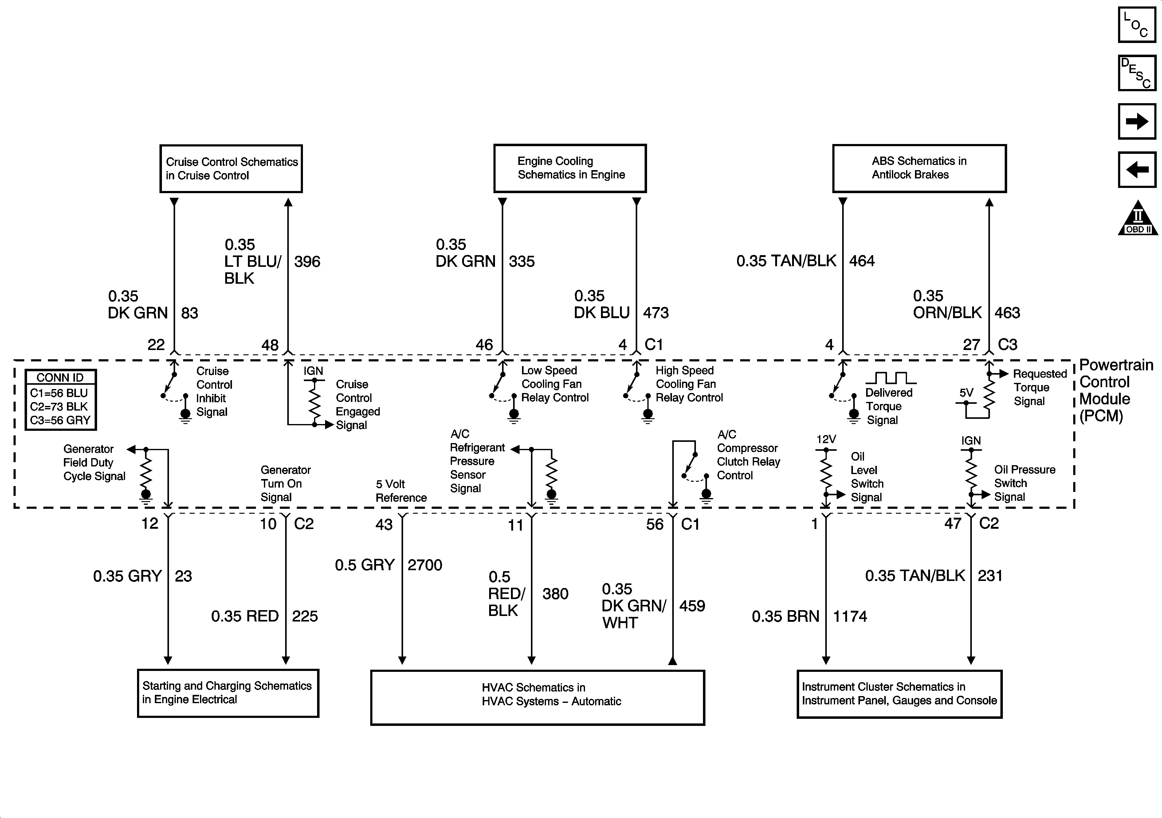
Figure 13:

Controlled/Monitored Subsystem References


Object Number: 1237524  Size: FS
Cruise Control Module, and VSS
Engine Cooling Fans, and Relays
Traction Control (NW9)
Generator Control
Compressor Controls - 4.6L
PCM Signals Engine Oil, and Volt Indicators
Master Electrical Component List
Powertrain Control Module Description
Transmission Controls - A/T
Device Controls
OBD II Symbol Description Notice
Figure 14:

Transmission Controls - A/T


Object Number: 1237526  Size: FS
Stop Lamp Switch and Transaxle Solenoids
Sensors
Transmission Internal Mode Switch (IMS) and VSS
Sensors
Master Electrical Component List
Powertrain Control Module Description
Controlled/Monitored Subsystem References
OBD II Symbol Description Notice