GM Service Manual Online
For 1990-2009 cars only
Figure 1:

Module Power, Ground, Serial Data, and MIL


Object Number: 1801885  Size: FS
Master Electrical Component List
Powertrain Control Module Description
Control Module References
5 Volt and Low Reference
Fuse Block-Underhood B+ Bus
G101, G102, G103, G111, G112, and G113
Ignition Switch
Ignition Switch
Fuse Block-Underhood B+ Bus
Fuse Block - Underhood ABS, TRANS SOL, PCM, SIR, and DIPSLAY Fuses, CRANK Relay, and Fuse Block - I/P CRUISE SW Fuse
Data Link Connector Schematics L26
G101, G102, G103, G111, G112, and G113
Figure 2:

5-Volt and Low Reference


Object Number: 1801887  Size: FS
Master Electrical Component List
Powertrain Control Module Description
Control Module References
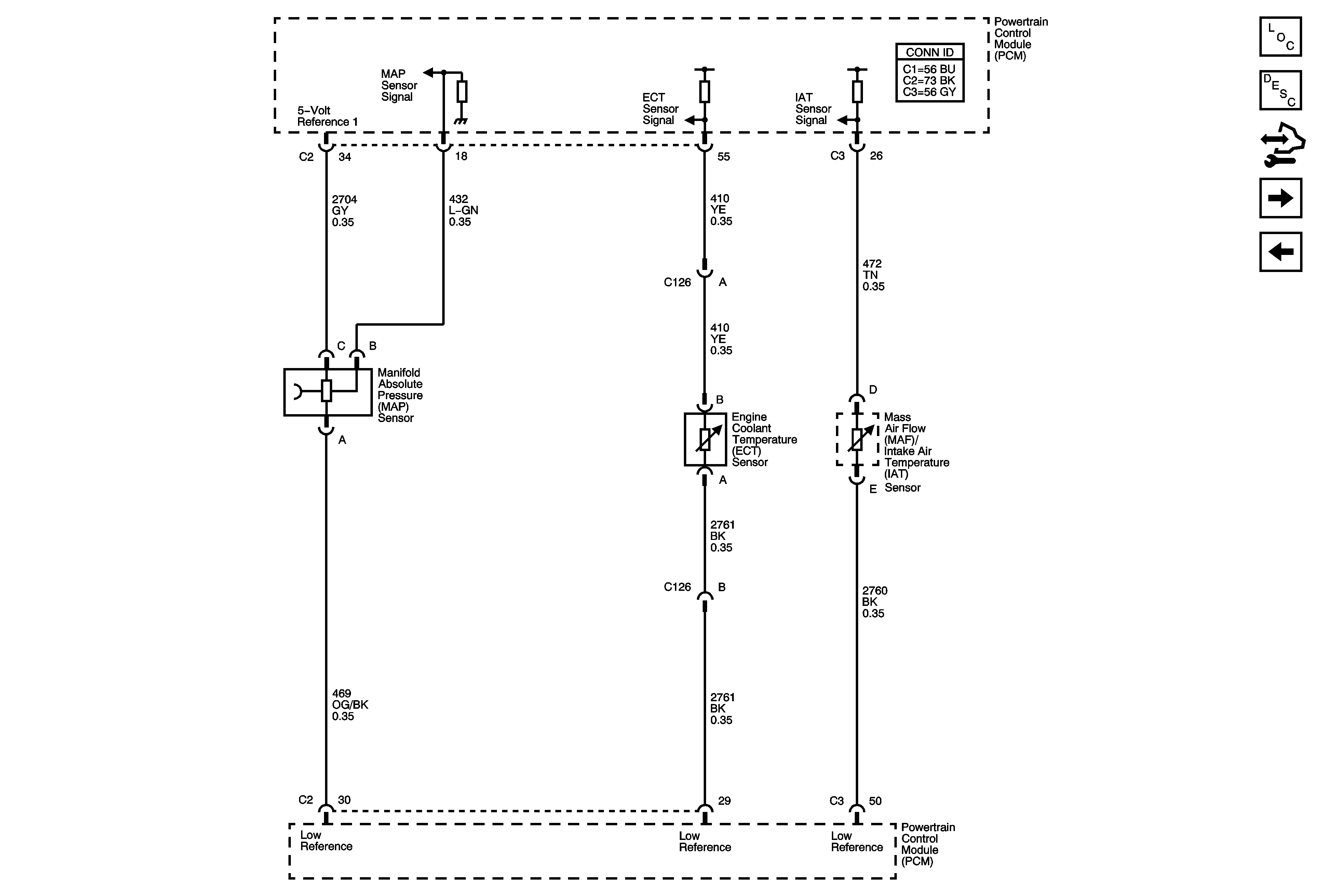
Pressure and Temperature Sensors
Module Power, Ground, Serial Data, and MIL
Figure 3:

Pressure and Temperature Sensors


Object Number: 1801891  Size: FS
Master Electrical Component List
Powertrain Control Module Description
Control Module References
MAF, VSS
5 Volt and Low Reference
Figure 4:

MAF, VSS


Object Number: 1801894  Size: FS
Master Electrical Component List
Powertrain Control Module Description
Control Module References
Oxygen Sensors
Pressure and Temperature Sensors
Fuse Block-Underhood B+ Bus
Fuse Block-Underhood B+ Bus
Fuse Block - Underhood ETC, ELEK IGN (L26), FUEL INJ (L26), 02 SSR (L26), and EMISSION Fuses
Fuse Block - Underhood ETC, ELEK IGN (L26), FUEL INJ (L26), 02 SSR (L26), and EMISSION Fuses
PC Solenoid Valve, Fluid Pressure Manual Valve Position Switch, ISS and VSS Sensors (L26)
G101, G102, G103, G111, G112, and G113
Figure 5:

Oxygen Sensors


Object Number: 1801898  Size: FS
Master Electrical Component List
Powertrain Control Module Description
Control Module References
Electronic Throttle Controls
MAF, VSS
Fuse Block-Underhood B+ Bus
Fuse Block-Underhood B+ Bus
Figure 6:

Electronic Throttle Controls


Object Number: 1801900  Size: FS
Master Electrical Component List
Throttle Actuator Control (TAC) System Description
Control Module References
Ignition Controls
Oxygen Sensors
Fuse Block-Underhood B+ Bus
Fuse Block-Underhood B+ Bus
Object Detection Schematics
Turn Signal, Hazard and Stop Lamps Outputs
Data Active Brake and Stability
G101, G102, G103, G111, G112, and G113
Figure 7:

Ignition Controls


Object Number: 1801902  Size: FS
Master Electrical Component List
Electronic Ignition (EI) System Description
Control Module References
Fuel Pump Controls
Electronic Throttle Controls
Fuse Block-Underhood B+ Bus
Fuse Block-Underhood B+ Bus
Data Active Brake and Stability
Figure 8:

Fuel Pump Controls


Object Number: 1801925  Size: FS
Master Electrical Component List
Fuel System Description
Control Module References
Fuel Injectors
Ignition Controls
Fuse Block-Underhood B+ Bus
Power, Ground, Serial Data, and Gages L26
G302
G101, G102, G103, G111, G112, and G113
Figure 9:

Fuel Injectors


Object Number: 1801930  Size: FS
Master Electrical Component List
Fuel System Description
Control Module References
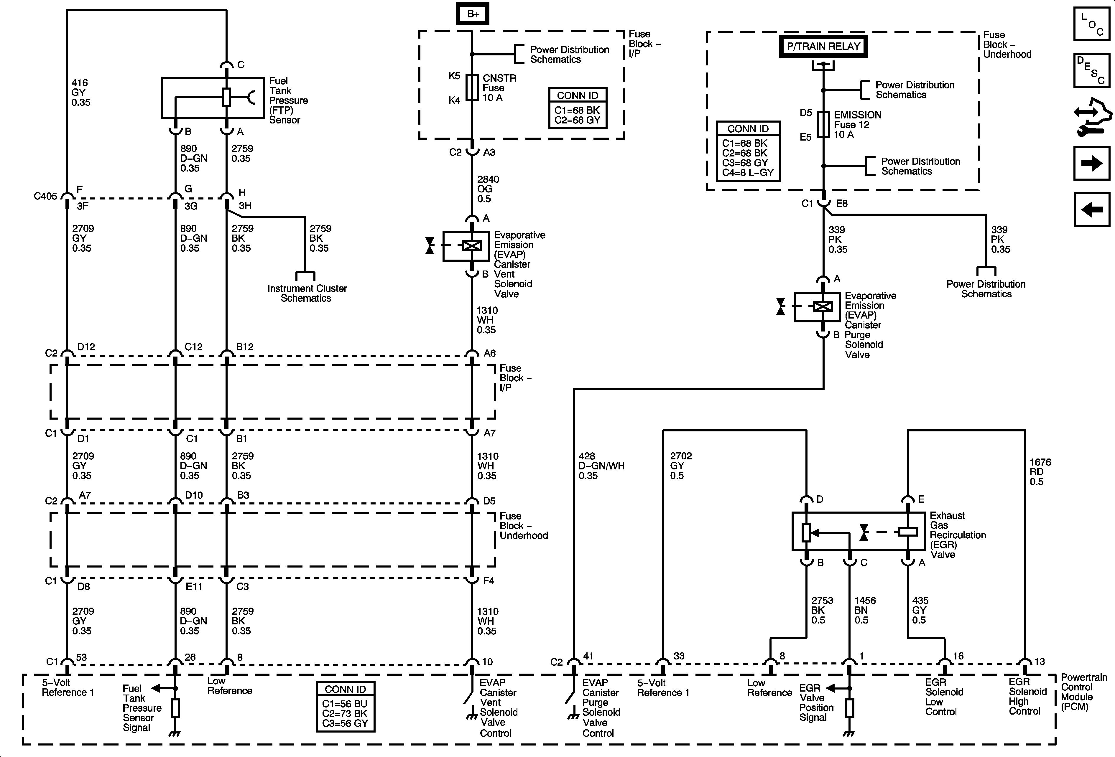
EVAP, EGR, and FTP Controls
Fuel Pump Controls
Fuse Block-Underhood B+ Bus
Fuse Block-Underhood B+ Bus
Figure 10:

EVAP, EGR, and FTP Controls


Object Number: 1801933  Size: FS
Master Electrical Component List
Fuel System Description
Control Module References
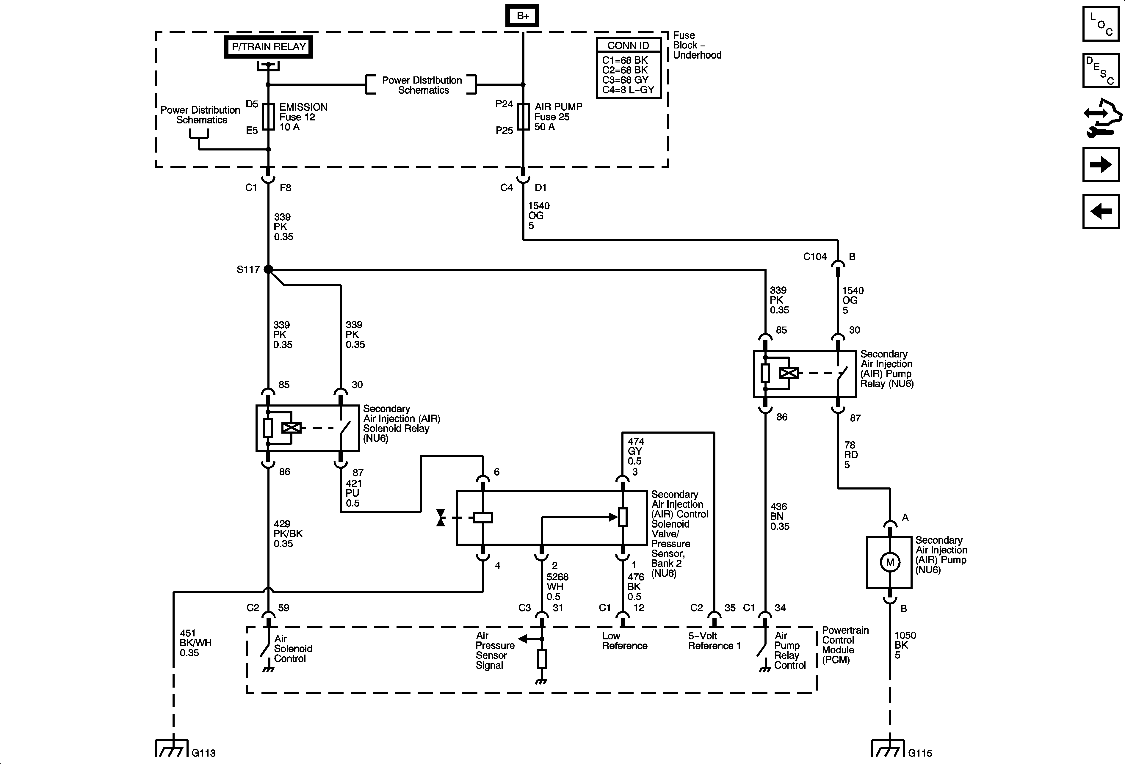
AIR Controls (NU3)
Fuel Injectors
Fuse Block - Underhood BATT MAIN 1 Fuse
Fuse Block-Underhood B+ Bus
Fuse Block-Underhood B+ Bus
Fuse Block - Underhood ETC, ELEK IGN (L26), FUEL INJ (L26), 02 SSR (L26), and EMISSION Fuses
Power, Ground, Serial Data, and Gages L26
Fuse Block - Underhood ETC, ELEK IGN (L26), FUEL INJ (L26), 02 SSR (L26), and EMISSION Fuses
Figure 11:

AIR Controls (NU6)


Object Number: 1801936  Size: FS
Master Electrical Component List
Secondary Air Injection System Description
Control Module References
Controlled/Monitored Subsystem References
EVAP, EGR, and FTP Controls
Fuse Block-Underhood B+ Bus
Fuse Block-Underhood B+ Bus
Fuse Block - Underhood ETC, ELEK IGN (L26), FUEL INJ (L26), 02 SSR (L26), and EMISSION Fuses
G101, G102, G103, G111, G112, and G113
G115 (L26)
Figure 12:

Controlled/Monitored Subsystem References


Object Number: 1801943  Size: FS
Master Electrical Component List
Powertrain Control Module Description
Control Module References
A/T Control References
AIR Controls (NU3)
Compress Controls and Serial Data (L26)
Compressor Controls and Serial Data (L26)
Engine Cooling Schematics
Starting - L26
Charging
Ambient Air Temperature Sensor, Electronic Compass
Indicators U2E
Indicators UH8
Cruise Control Schematics L26
Figure 13:

A/T Control References


Object Number: 1801947  Size: FS
Master Electrical Component List
Powertrain Control Module Description
Control Module References
Controlled/Monitored Subsystem References
Shift and TCC Solenoid Valves, TFT Sensor, and Stop Lamp Switch (L26)
Internal Mode Switch (L26)
PC Solenoid Valve, Fluid Pressure Manual Valve Position Switch, ISS and VSS Sensors (L26)