GM Service Manual Online
For 1990-2009 cars only
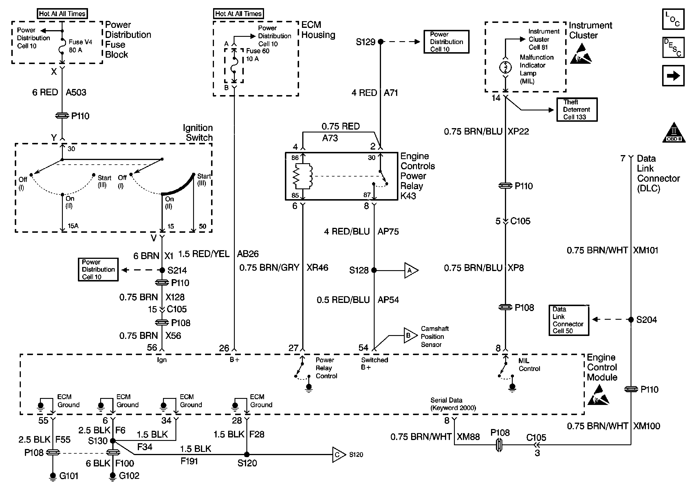
Figure 1:

Cell 20 -- Power, Ground, MIL and DLC


Object Number: 64210  Size: FS
Engine Controls Components
Serial Data Communications
Cell 20: Ignition System
Power Distribution Schematics
Power Distribution Schematics
Theft Deterrent System Schematics
Data Link Connector Schematics
Figure 2:

Cell 20: Ignition System


Object Number: 64212  Size: FS
Engine Controls Components
Electronic Ignition (EI) System Description
Cell 20: Fuel Controls
Cell 20 - Power, Ground, MIL and DLC
Power Distribution Schematics
Figure 3:

Cell 20: Fuel Controls


Object Number: 64213  Size: FS
Engine Controls Components
Fuel Supply Component Description
Cell 20: Fuel Injectors
Cell 20: Ignition System
Power Distribution Schematics
Instrument Cluster: Analog Schematics
Ground Distribution Schematics
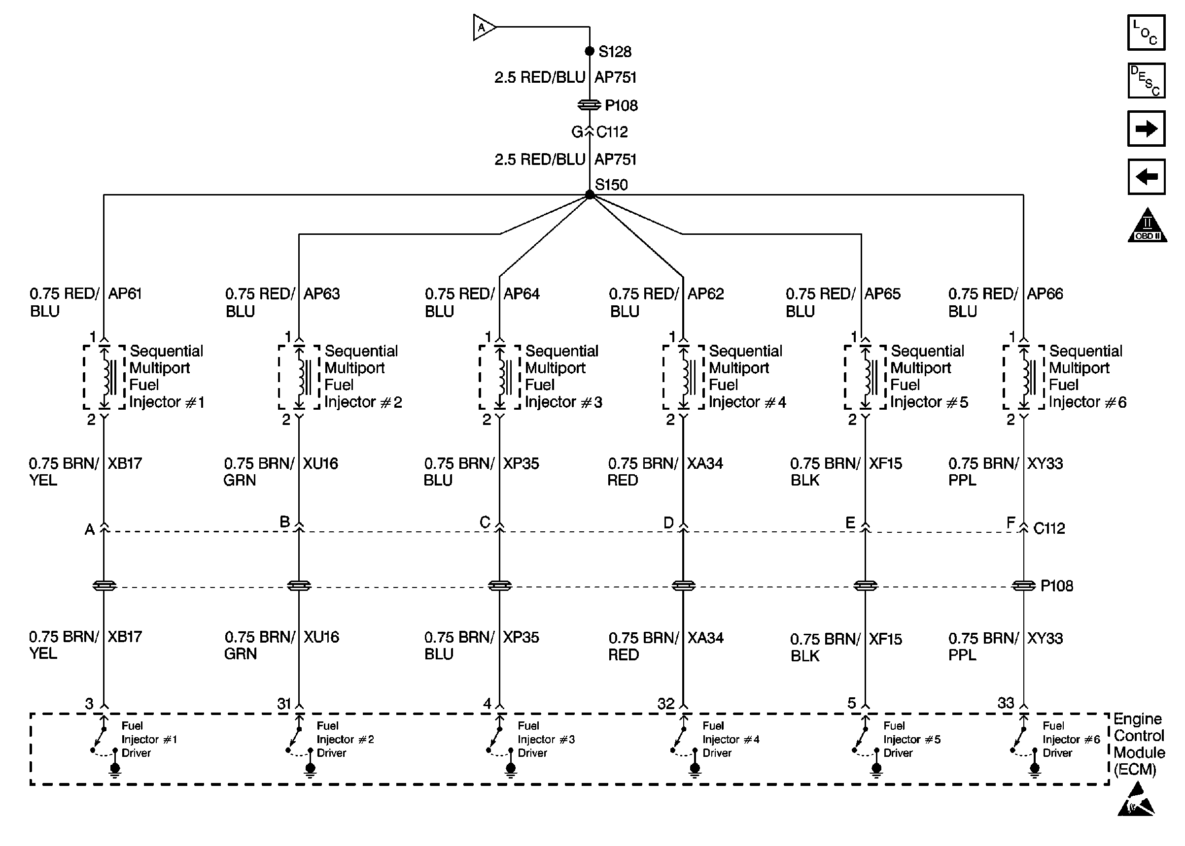
Figure 4:

Cell 20: Fuel Injectors


Object Number: 64214  Size: FS
Engine Controls Components
Fuel Metering System Description
Cell 20: Engine Data Sensors - TP, ECT, IAT and Fuel Tank
Cell 20: Fuel Controls
Figure 5:

Cell 20: Engine Data Sensors - TP, ECT, IAT and Fuel Tank


Object Number: 64215  Size: FS
Engine Controls Components
Information Sensors
Cell 20: Heated Oxygen Sensors
Cell 20: Fuel Injectors
Figure 6:

Cell 20: Heated Oxygen Sensors


Object Number: 64216  Size: FS
Engine Controls Components
Fuel Supply Component Description
Cell 20: EVAP, Air Injection and Intake Resonance Controls
Cell 20: Engine Data Sensors - TP, ECT, IAT and Fuel Tank
Figure 7:

Cell 20: EVAP, Air Injection and Intake Resonance Controls


Object Number: 64217  Size: FS
Engine Controls Components
Evaporative Emission Control System Operation Description
Cell 20: Knock Sensors Banks 1 & 2 and IAC, MAF Sensors
Cell 20: Heated Oxygen Sensors
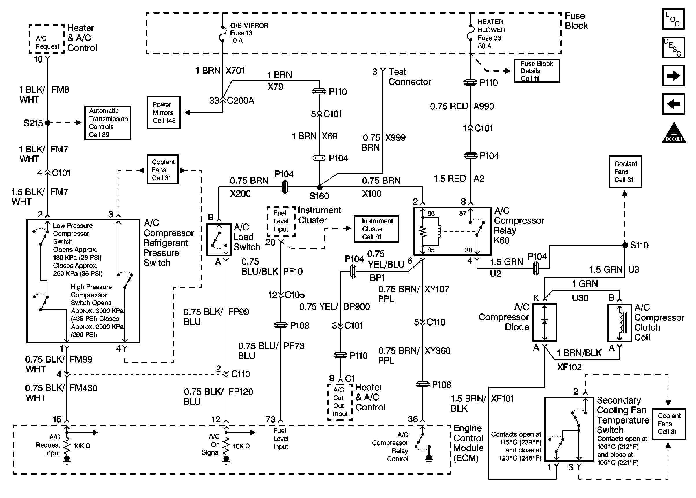
Figure 8:

Cell 20: Knock Sensors Banks 1 & 2 and IAC,MAF Sensors


Object Number: 64219  Size: FS
Engine Controls Components
Information Sensors
Cell 20: A/C Controls
Cell 20: EVAP, Air Injection and Intake Resonance Controls
Ground Distribution Schematics
Figure 9:

Cell 20: A/C Controls


Object Number: 64221  Size: FS
Engine Controls Components
Air Conditioning (A/C) Clutch Circuit Description
Transmission Control Module
Cell 20: Knock Sensors Banks 1 & 2 and IAC, MAF Sensors
Automatic Transmission Controls Schematics
Outside Rearview Mirror Schematics
Cooling Fan Schematics
Instrument Cluster: Analog Schematics
Fuse Block Schematics Schematics
Cooling Fan Schematics
Cooling Fan Schematics
Figure 10:

Transmission Control Module


Object Number: 64223  Size: FS
Engine Controls Components
Electronic Component Description
Cell 20: EBTCM and Theft Deterrent Module
Cell 20: A/C Controls
Figure 11:

Cell 20: EBTCM and Theft Deterrent Module


Object Number: 64227  Size: FS
Engine Controls Components
ABS/TCS System Operation
Transmission Control Module