GM Service Manual Online
For 1990-2009 cars only
Figure 1:

Hazard, Headlamp, Driver Information Display Switches, Ashtray, HVAC Control Module, Radio, Clock


Object Number: 1615536  Size: FS
Master Electrical Component List
Interior Lighting Systems Description and Operation
Control Module References
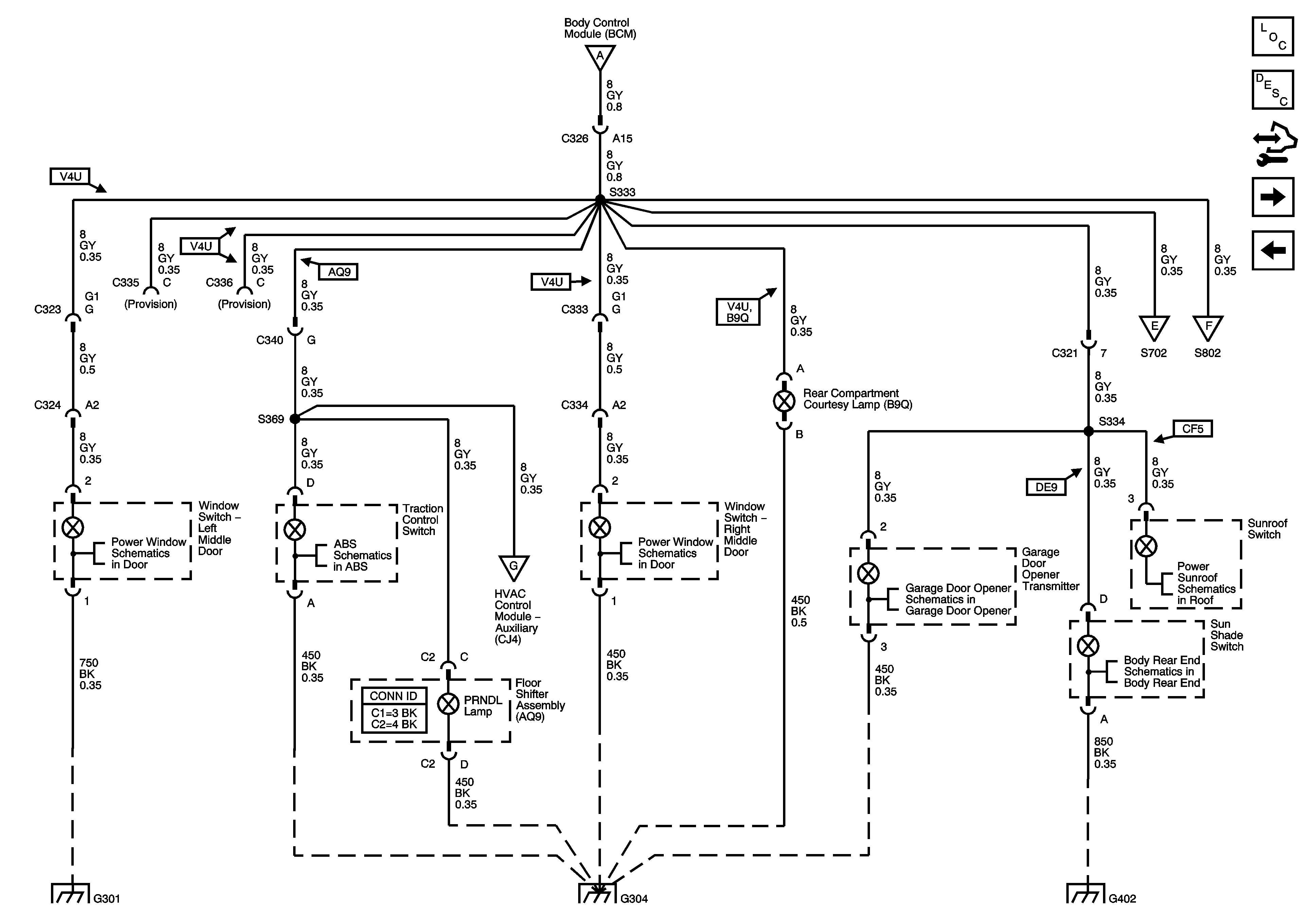
Window, Traction Control, Sun Shade, Sunroof Switches, Reverse Lockout Solenoid, Garage Door Opener, Rear Compartment Courtesy Lamp
Rear Fuse Block B+ Bus
Window, Traction Control, Sun Shade, Sunroof Switches, Reverse Lockout Solenoid, Garage Door Opener, Rear Compartment Courtesy Lamp
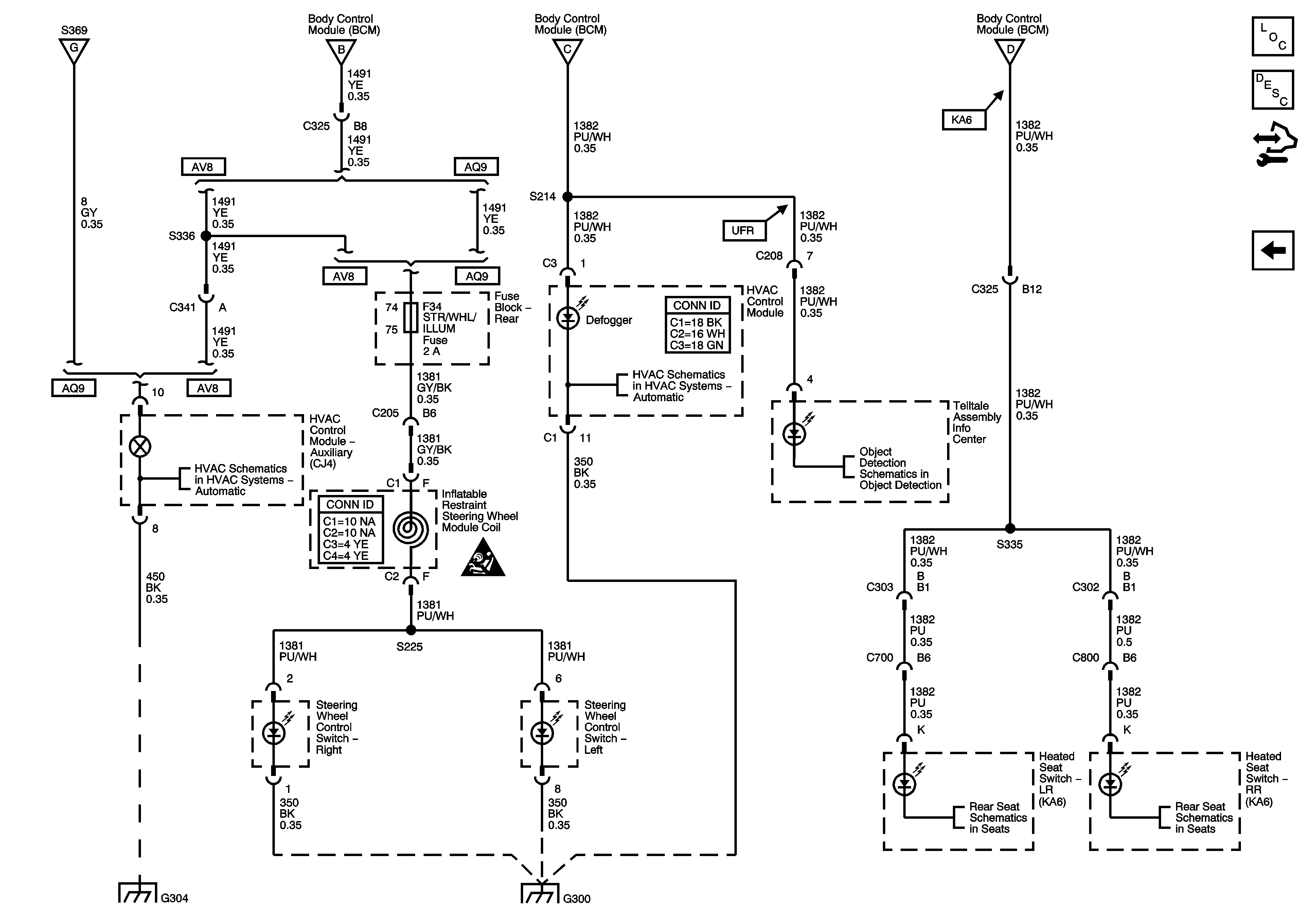
HVAC Control Module, Steering Wheel, Heated Seat KA6, Telltale Assembly Info Center
HVAC Control Module, Steering Wheel, Heated Seat KA6, Telltale Assembly Info Center
HVAC Control Module, Steering Wheel, Heated Seat KA6, Telltale Assembly Info Center
Front Turn Signal/Hazard Lamps
Power, Ground, Blower Motor Control
Power, Ground, Clock
Inflatable Restraint I/P Module Indicator, Telltale Assembly Info Center, Driver Information Display
Power, Ground, Digital Radio Receiver (U2K), Antennas
G300
G304
G304
G305
Headlamp Switch
Figure 2:

Window, Traction Control, Sun Shade, Sunroof Switches, Reverse Lockout Solenoid, Garage Door Opener, Rear Compartment Courtesy Lamp


Object Number: 1615538  Size: FS
Master Electrical Component List
Interior Lighting Systems Description and Operation
Control Module References
Window, Heated Seat, Seat Lumbar Switches
Hazard, Headlamp, Driver Information Display Switches, Ashtray, HVAC Control Module, Radio, Clock
Hazard, Headlamp, Driver Information Display Switches, Ashtray, HVAC Control Module, Radio, Clock
Upfitter Window Provisions - V4U
G301
Brake Pedal Position, Traction Control Switch, Data Link Communications
HVAC Control Module, Steering Wheel, Heated Seat KA6, Telltale Assembly Info Center
Upfitter Window Provisions - V4U
Garage Door Opener Schematic
G304
G402
Rear Window Sunshade DE9
Sunroof with CF5
Window, Heated Seat, Seat Lumbar Switches
Window, Heated Seat, Seat Lumbar Switches
Figure 3:

Window, Heated Seat, Seat Lumbar Switches


Object Number: 1615539  Size: FS
Master Electrical Component List
Interior Lighting Systems Description and Operation
Control Module References
HVAC Control Module, Steering Wheel, Heated Seat KA6, Telltale Assembly Info Center
Window, Traction Control, Sun Shade, Sunroof Switches, Reverse Lockout Solenoid, Garage Door Opener, Rear Compartment Courtesy Lamp
Window, Traction Control, Sun Shade, Sunroof Switches, Reverse Lockout Solenoid, Garage Door Opener, Rear Compartment Courtesy Lamp
Window Switches
Left Rear Heated Seat Switch w/KA6
w/ARC
G301
Window Switches
Right Rear Heated Seat Switch w/KA6
w/ARC
G304
Window, Traction Control, Sun Shade, Sunroof Switches, Reverse Lockout Solenoid, Garage Door Opener, Rear Compartment Courtesy Lamp
Figure 4:

HVAC Control Module, Steering Wheel, Heated Seat (KA6), Telltale Assembly Info Center


Object Number: 1615541  Size: FS
Master Electrical Component List
Interior Lighting Systems Description and Operation
Control Module References
Window, Heated Seat, Seat Lumbar Switches
Window, Traction Control, Sun Shade, Sunroof Switches, Reverse Lockout Solenoid, Garage Door Opener, Rear Compartment Courtesy Lamp
Hazard, Headlamp, Driver Information Display Switches, Ashtray, HVAC Control Module, Radio, Clock
Hazard, Headlamp, Driver Information Display Switches, Ashtray, HVAC Control Module, Radio, Clock
Hazard, Headlamp, Driver Information Display Switches, Ashtray, HVAC Control Module, Radio, Clock
Auxiliary HVAC CJ4
G304
Power, Ground, Blower Motor Control
G300
Front Park Assist UFR
Left Rear Heated Seat Switch w/KA6
Right Rear Heated Seat Switch w/KA6