GM Service Manual Online
For 1990-2009 cars only

Control Module

Repair Instructions

Diagnostic System Check

Schematic

Cellular Telephone Module

Refer to Cellular Telephone Module Replacement in Cellular Communications

Refer to Diagnostic System Check - Cellular Communication in Cellular Communications

Refer to

Power and Ground (w/o UE1)


Object Number: 576367  Size: FS
Cellular Communication Components
Cellular Telephone Circuit Description
Handset and Microphone (w/o UE1)
Audio, Audio Amp and DIM Fuses
Handling ESD Sensitive Parts Notice
Handling ESD Sensitive Parts Notice
G401 1 of 3
in Cellular Communications

Continuosly Variable Road Sensing Suspension (CVRSS) Module

Refer to Electronic Suspension Control Module Replacement in Road Sensing Suspension

Refer to Diagnostic System Check in Road Sensing Suspension

Refer to

Power and Ground


Object Number: 575649  Size: FS
Suspension Controls Component Views
Road Sensing Suspension Control Module Description
Sensors and Actuators
Handling ESD Sensitive Parts Notice
Handling ESD Sensitive Parts Notice
Handling ESD Sensitive Parts Notice
NSBU, F/PMP, CVRTD and BODY Fuses
IGN 3 RR Fuses
G401 1 of 3
Class 2 Serial Data Line (LH Drive)
Automatic Level Control (with F45)
in Road Sensing Suspension

Dash Integration Module (DIM)

Refer to Dash Integration Module Replacement in Body Control System

Refer to Diagnostic System Check - Body Control System in Body Control System

Refer to

DIM Power and Ground


Object Number: 576016  Size: FS
Body Control Module Components
Body Control System Circuit Description
DIM Ignition Inputs
Handling ESD Sensitive Parts Notice
IGN SW, HTDST LR, HTDST RR, and HTDST RF Fuses
IGN SW, HTDST LR, HTDST RR, and HTDST RF Fuses
Class 2 Serial Data Line (LH Drive)
G201 (Partial)
in Body Control System

Driver Door Module (DDM)

Refer to Door Control Module Replacement in Doors

Refer to Diagnostic System Check - Power Door Systems in Doors

Refer to

LFDM Inputs and Outputs


Object Number: 575810  Size: FS
Power Door Systems Components
Automatic Door Lock System Description
DDM Power, Ground, Inputs, and Outputs
Handling ESD Sensitive Parts Notice
LH Power Windows
Class 2 Serial Data Line (LH Drive)
PWR WDO Circuit Breaker
DRV MDL, PASS MDL, RRDR MDL and DLC Fuses
LH Outside Mirror
G200 1 of 2
in Doors

Electronic Brake Control Module (EBCM)

Refer to Electronic Brake Control Module Replacement in Antilock Brake System

Refer to Diagnostic System Check - ABS in Antilock Brake System

Refer to

PWR, GND, Stoplamp Switch, Solenoid Valves, and Pump Motor


Object Number: 561922  Size: FS
ABS Components
ABS Description
Wheel Speed Sensors
Handling ESD Sensitive Parts Notice
Battery Feeds
IGN 2 Relay and HVAC, ABS Fuses
Power to Underhood Fuse Block
Cruise Control Module PCM Controls and Vehicle Speed Input
Stop Lamps
Stop Lamps
in Antilock Brake System

Inflatable Restraint Sensing and Diagnostic Module (SDM)

Refer to Inflatable Restraint Sensing and Diagnostic Module Replacement in Restraints SIR

Refer to Diagnostic System Check - SIR in Restraints SIR

Refer to

Power, Ground, and Side Impact Sensors


Object Number: 561911  Size: FS
SIR Components
SIR System Component Description and Definitions
SDM and Frontal Inflator Modules
Handling ESD Sensitive Parts Notice
SIR Handling Caution
IGN 1 Relay and SIR, Vent SOL, IGN 1 Fuses
Data Link Connector Schematics
Seat Belt Schematics
in Restraints SIR

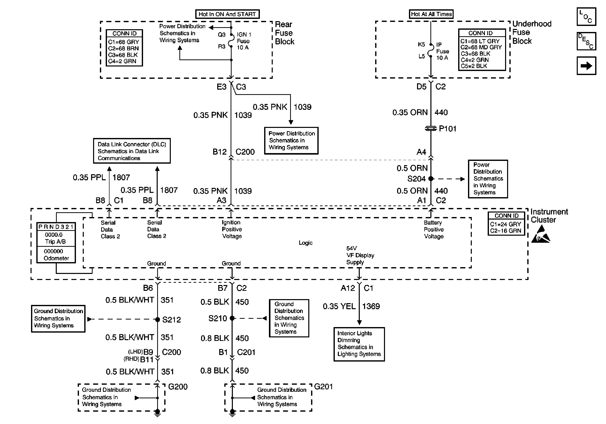
Instrument Cluster

Refer to Instrument Cluster Replacement in Instrument Panel, Gauges and Console

Refer to Diagnostic System Check - Instrument Cluster in Instrument Panel, Gauges and Console

Refer to

Power and Ground in Class 2


Object Number: 576248  Size: FS
Instrument Cluster Components
Instrument Cluster Circuit Description
PCM and IPC Inputs
IGN 1 Relay and SIR, Vent SOL, IGN 1 Fuses
IGN 1 Relay and SIR, Vent SOL, IGN 1 Fuses
Class 2 Serial Data Line (LH Drive)
PCM BATT, EXPORT BRK, IP, ABS Sol, and ABS MOT Fuses
G200 1 of 2
G200 1 of 2
G201
G201
Class 2 Dimming Communication
Handling ESD Sensitive Parts Notice
in Instrument Panel, Gauges and Console

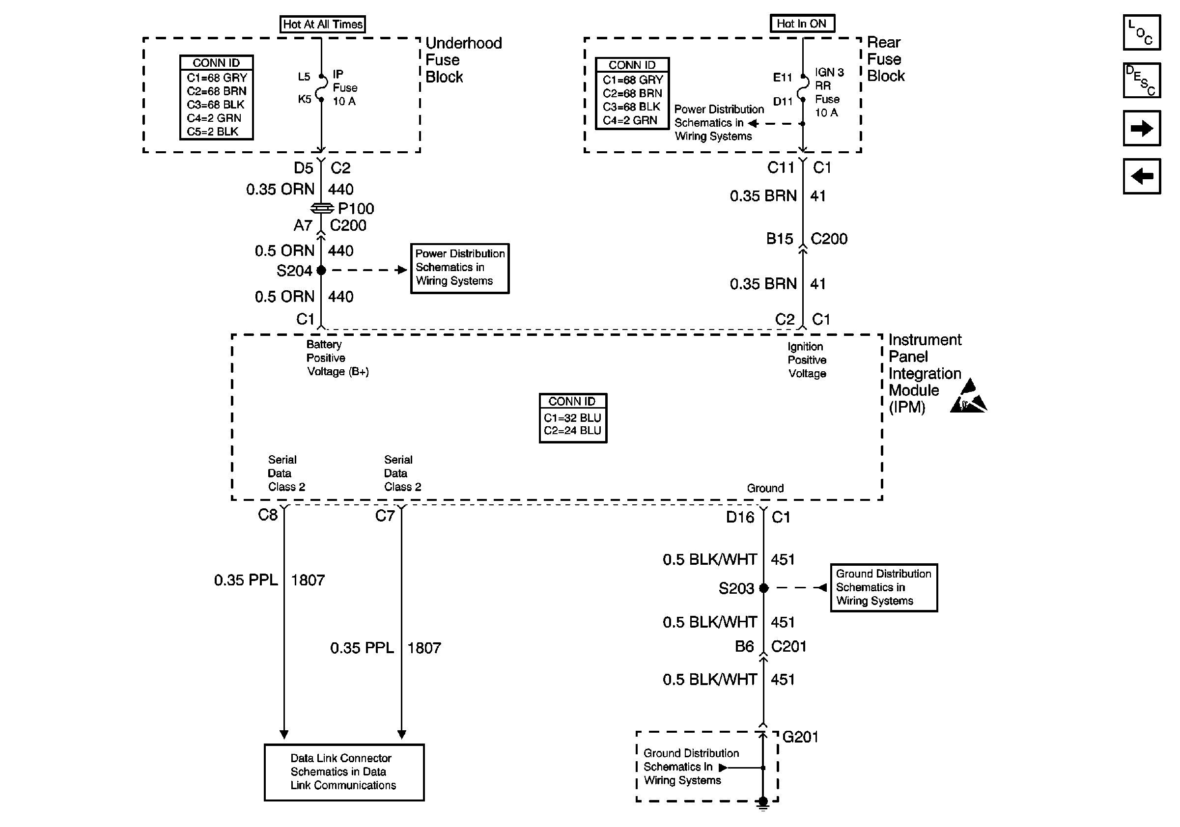
Instrument Panel Integration Module (IPM)

Refer to Instrument Panel Module Replacement in Body Control System

Refer to Diagnostic System Check - Body Control System in Body Control System

Refer to

IPM Power and Ground


Object Number: 576069  Size: FS
Body Control Module Components
Body Control System Circuit Description
IPM Inputs and Outputs 1 of 2
DIM Inputs and Outputs 2 of 2
Handling ESD Sensitive Parts Notice
PCM BATT, EXPORT BRK, IP, ABS Sol, and ABS MOT Fuses
IGN 3 RR Fuses
Class 2 Serial Data Line (RH Drive)
G201 (Partial)
G201 (Partial)
in Body Control System

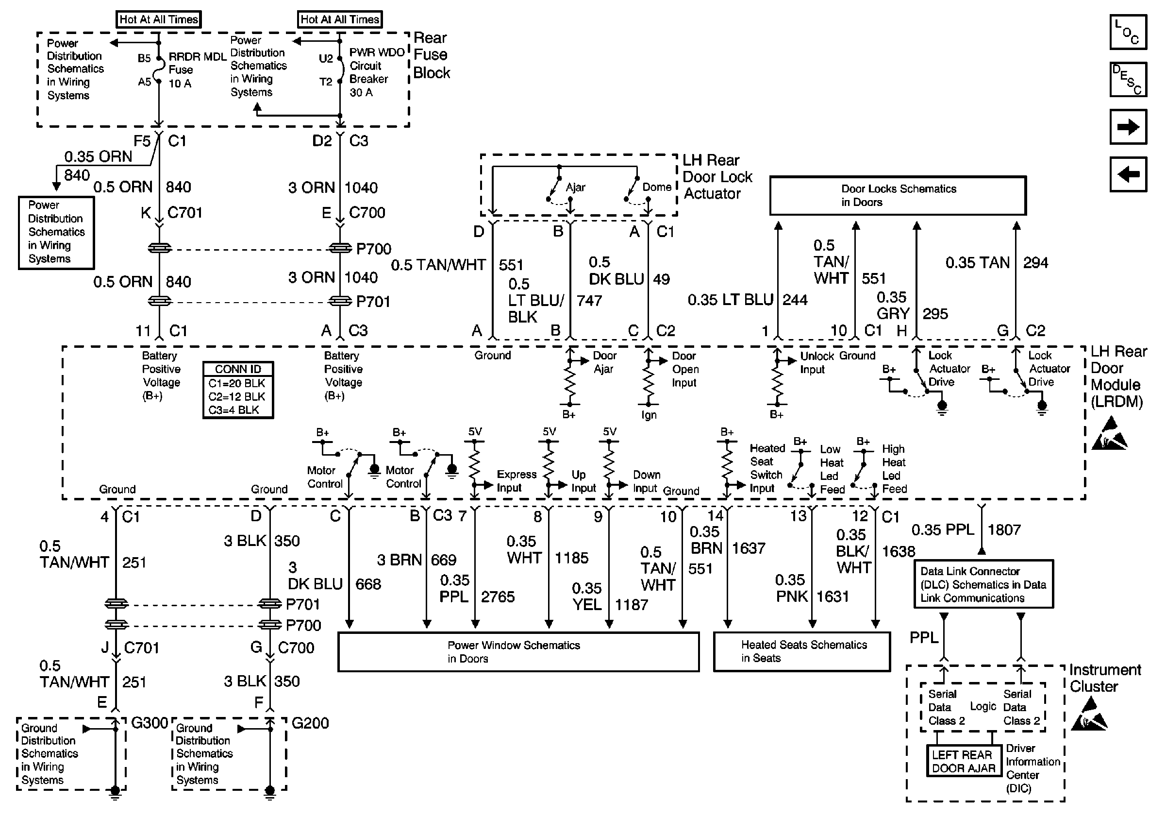
LH Rear Door Module

Refer to Door Control Module Replacement in Doors

Refer to Diagnostic System Check - Power Door Systems in Doors

Refer to

LRDM Power, Ground, Inputs, and Outputs


Object Number: 575821  Size: FS
Power Door Systems Components
Automatic Door Lock System Description
RRDM Power, Ground, Inputs, and Outputs
RFDM Inputs and Outputs
PDM, RF AND RR Actuators and Switches
DRV MDL, PASS MDL, RRDR MDL and DLC Fuses
DRV MDL, PASS MDL, RRDR MDL and DLC Fuses
PWR WDO Circuit Breaker
LH Power Windows
Rear Heated Seat Switches
Handling ESD Sensitive Parts Notice
G300
G200 1 of 2
in Doors

Memory Seat Module (MSM) (w/A45)

Refer to Memory Seat Control Module Replacement in Seats

Refer to Diagnostic System Check - Power Seat Systems in Seats

Refer to

Memory Function Switch


Object Number: 576206  Size: FS
Power Seat Systems Components
Memory Seat Circuit Description
PWR, GND, LH Seat Switch, and MSM
Front Door Dimming
Class 2 Serial Data Line (RH Drive)
Handling ESD Sensitive Parts Notice
in Seats

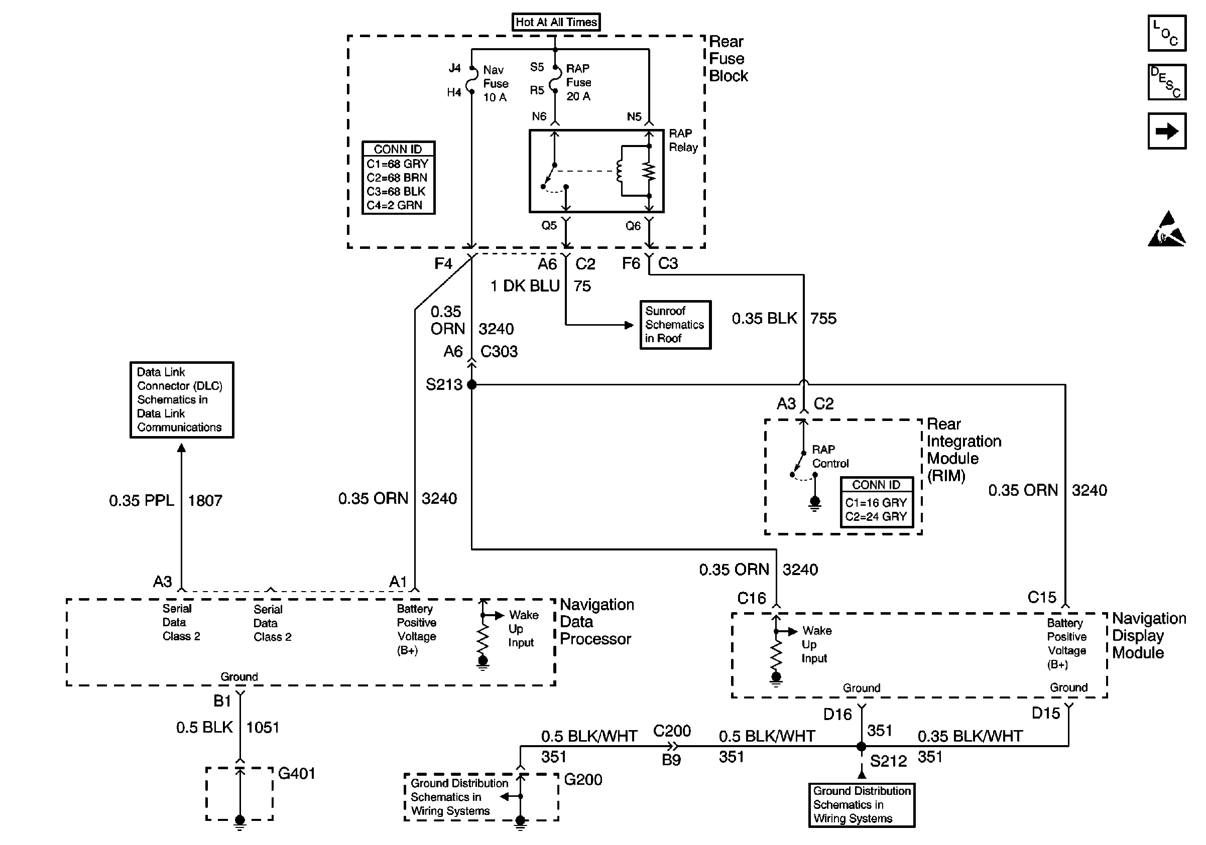
Navigation Data Processor

Refer to Navigation Data Processor Replacement in Entertainment

Refer to Diagnostic System Check - Instrument Cluster in Instrument Panel, Gauges and Console

Refer to

PWR and GRD


Object Number: 576404  Size: FS
Navigation System Components
Auxiliary RCA Video Jacks
Handling ESD Sensitive Parts Notice
Class 2 Serial Data Line (RH Drive)
Power, Grounds, and Components
G200 1 of 2
G200 1 of 2
in Instrument Panel, Gauges and Console

Navigation Display Module

Refer to Navigation Display Module Replacement in Entertainment

Refer to Diagnostic System Check - Instrument Cluster in Instrument Panel, Gauges and Console

Refer to

PWR and GRD


Object Number: 576404  Size: FS
Navigation System Components
Auxiliary RCA Video Jacks
Handling ESD Sensitive Parts Notice
Class 2 Serial Data Line (RH Drive)
Power, Grounds, and Components
G200 1 of 2
G200 1 of 2
in Instrument Panel, Gauges and Console

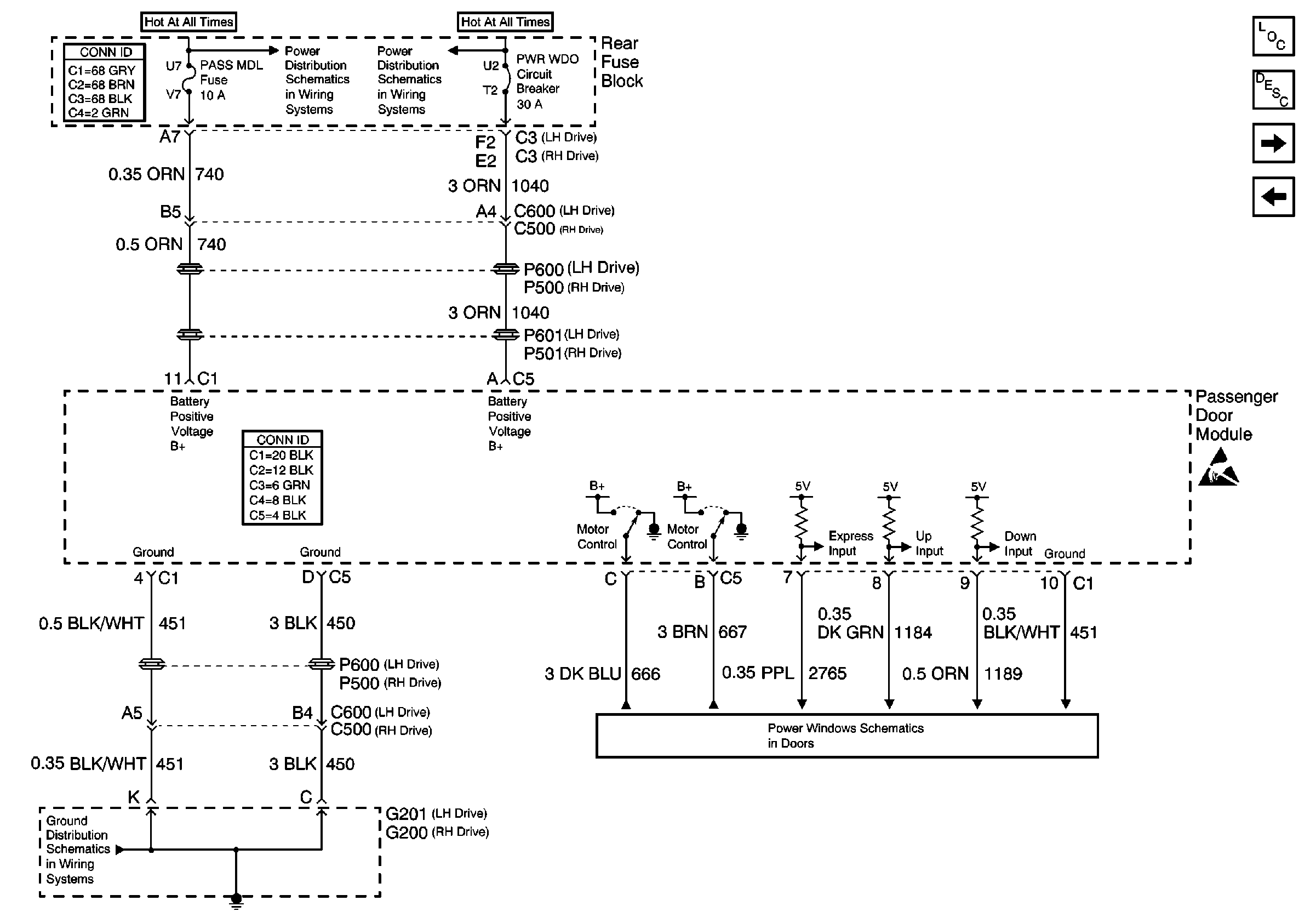
Passenger Door Module (PDM)

Refer to Door Control Module Replacement in Doors

Refer to Diagnostic System Check - Power Door Systems in Doors

Refer to

PDM Power, Ground, Inputs, and Outputs


Object Number: 576224  Size: FS
Power Door Systems Components
Automatic Door Lock System Description
RFDM Inputs and Outputs
DDM Power, Ground, Inputs, and Outputs
RH Power Window
Handling ESD Sensitive Parts Notice
DRV MDL, PASS MDL, RRDR MDL and DLC Fuses
PWR WDO Circuit Breaker
G200 1 of 2
in Doors

Powertrain Control Module (PCM)

Refer to Powertrain Control Module Replacement/Programming in Engine Controls - 4.6 L

Refer to A Powertrain On Board Diagnostic (OBD) System Check in Engine Controls - 4.6 L

Refer to

PCM Power and Grounds


Object Number: 576326  Size: FS
Engine Controls Components
OBD II Symbol Description Notice
MIL Control and DLC
PCM BATT, EXPORT BRK, IP, ABS Sol, and ABS MOT Fuses
DIM Ignition Inputs
G106, G110, and G109
Ignition Switch
Powertrain Control Module (PCM)
in Engine Controls - 4.6 L

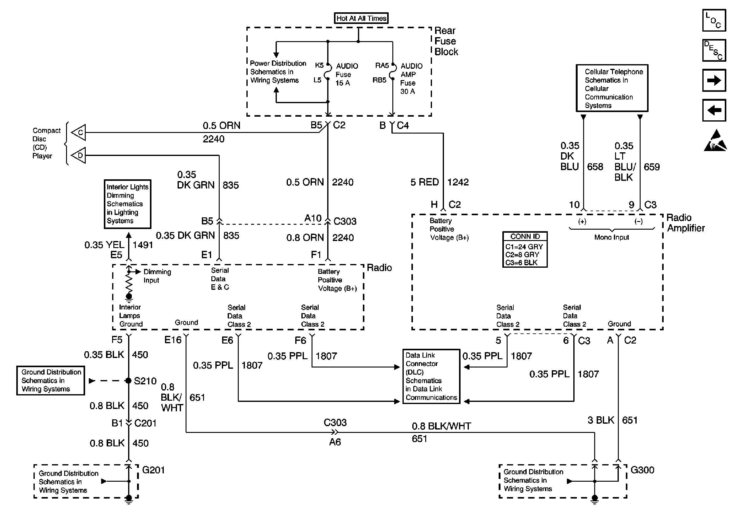
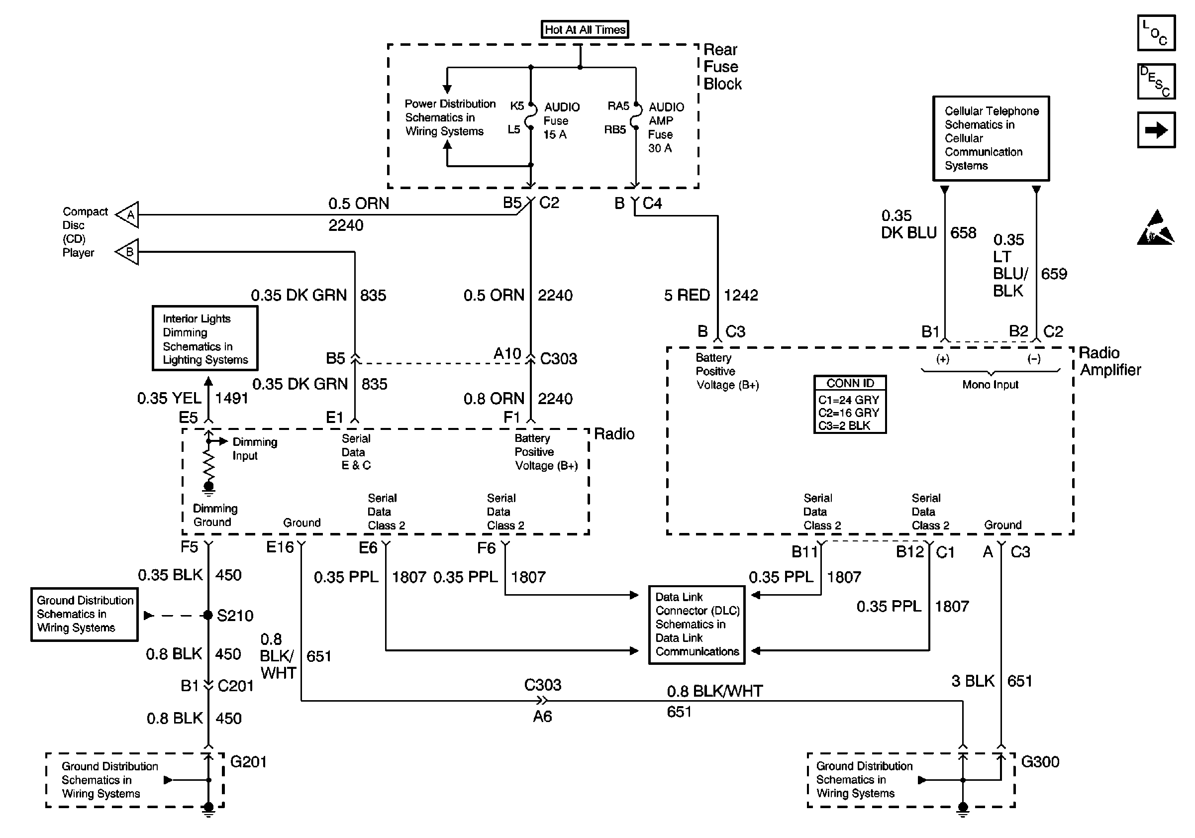
Radio

Refer to Radio Replacement in Entertainment

Refer to Diagnostic System Check - Radio/Audio System in Entertainment

Refer to

Power and Ground (x/UX9)


Object Number: 576208  Size: FS
Entertainment Components
Radio/Audio System Circuit Description
Compact Disc (CD) Player (w/UX9)
Rear Speakers (w/UX8)
Handling ESD Sensitive Parts Notice
Handset and Radio Amplifier (w/o UE1)
Instrument Panel Dimming
Audio, Audio Amp and DIM Fuses
Compact Disc (CD) Player (w/UX9)
G201
G201
G300
Class 2 Serial Data Line (RH Drive)
Instrument Panel Dimming

Power and Ground (w/UX8)


Object Number: 576217  Size: FS
Entertainment Components
Radio/Audio System Circuit Description
Compact Disc (CD) Player (w/UX8)
Audio, Audio Amp and DIM Fuses
Handling ESD Sensitive Parts Notice
Handset and Radio Amplifier (w/o UE1)
Instrument Panel Dimming
Class 2 Serial Data Line (RH Drive)
Compact Disc (CD) Player (w/UX8)
G201
G201
G300

Power and Ground (w/UY4)


Object Number: 576213  Size: FS
Entertainment Components
Radio/Audio System Circuit Description
Compact Disc (CD) Player (w/UY4)
Speakers (w/UX9)
Handling ESD Sensitive Parts Notice
Handset and Radio Amplifier (w/o UE1)
Audio, Audio Amp and DIM Fuses
Instrument Panel Dimming
Class 2 Serial Data Line (RH Drive)
Compact Disc (CD) Player (w/UY4)
G201
G201
G300
in Entertainment

Radio Amplifier

Refer to Radio Speaker Amplifier Replacement in Entertainment

Refer to Diagnostic System Check - Radio/Audio System in Entertainment

Refer to

Power and Ground (x/UX9)


Object Number: 576208  Size: FS
Entertainment Components
Radio/Audio System Circuit Description
Compact Disc (CD) Player (w/UX9)
Rear Speakers (w/UX8)
Handling ESD Sensitive Parts Notice
Handset and Radio Amplifier (w/o UE1)
Instrument Panel Dimming
Audio, Audio Amp and DIM Fuses
Compact Disc (CD) Player (w/UX9)
G201
G201
G300
Class 2 Serial Data Line (RH Drive)
Instrument Panel Dimming

Power and Ground (w/UX8)


Object Number: 576217  Size: FS
Entertainment Components
Radio/Audio System Circuit Description
Compact Disc (CD) Player (w/UX8)
Audio, Audio Amp and DIM Fuses
Handling ESD Sensitive Parts Notice
Handset and Radio Amplifier (w/o UE1)
Instrument Panel Dimming
Class 2 Serial Data Line (RH Drive)
Compact Disc (CD) Player (w/UX8)
G201
G201
G300

Power and Ground (w/UY4)


Object Number: 576213  Size: FS
Entertainment Components
Radio/Audio System Circuit Description
Compact Disc (CD) Player (w/UY4)
Speakers (w/UX9)
Handling ESD Sensitive Parts Notice
Handset and Radio Amplifier (w/o UE1)
Audio, Audio Amp and DIM Fuses
Instrument Panel Dimming
Class 2 Serial Data Line (RH Drive)
Compact Disc (CD) Player (w/UY4)
G201
G201
G300
in Entertainment

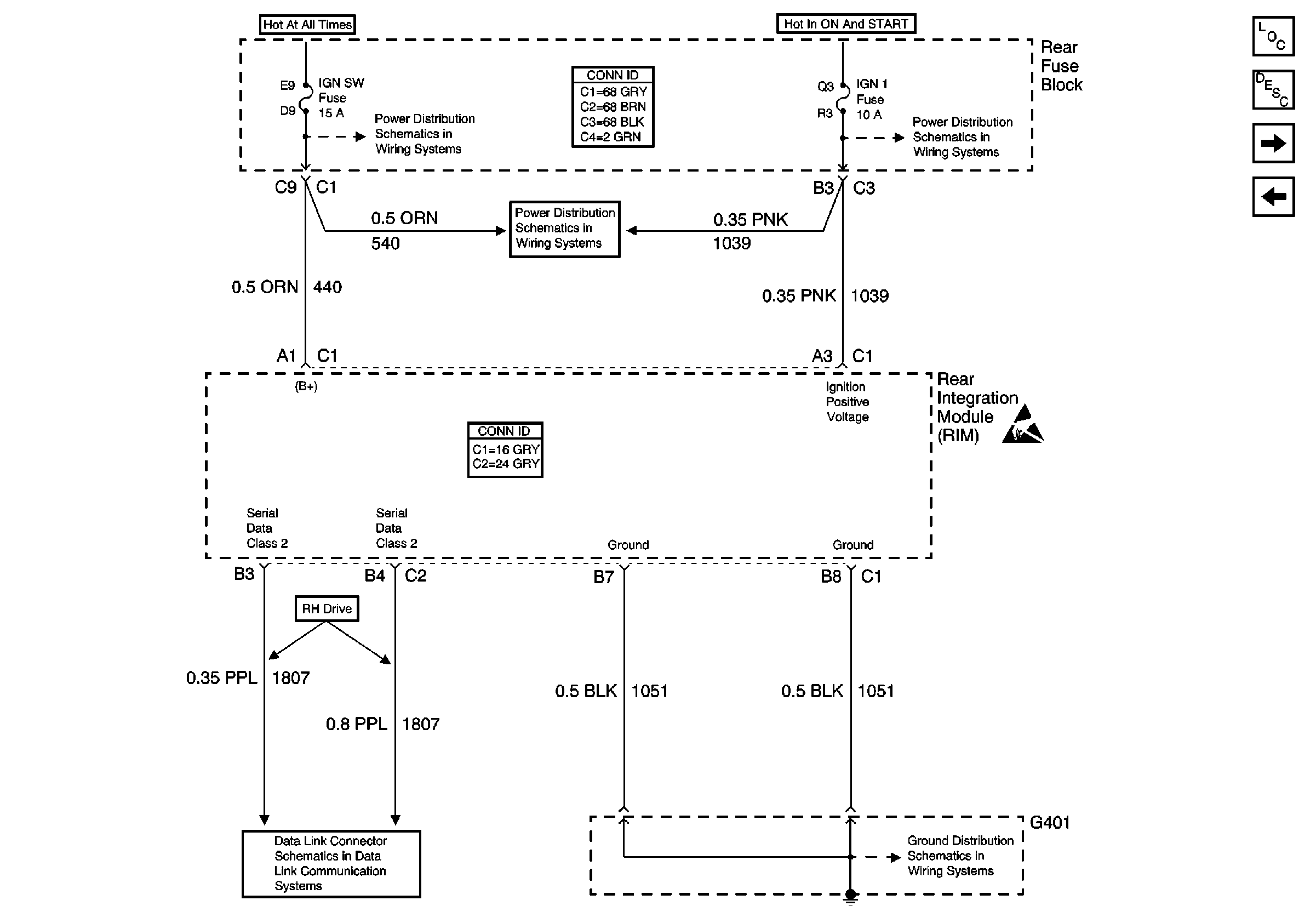
Rear Integration Module (RIM)

Refer to Rear Integration Body Control Module Replacement in Body Control System

Refer to Diagnostic System Check - Body Control System in Body Control System

Refer to

RIM Power and Ground


Object Number: 576079  Size: FS
Body Control Module Components
Body Control System Circuit Description
RIM Inputs and Outputs 1 of 2
IPM Inputs and Outputs 2 of 2
IGN 1 Relay and SIR, Vent SOL, IGN 1 Fuses
IGN SW, HTDST LR, HTDST RR, and HTDST RF Fuses
Class 2 Serial Data Line (RH Drive)
Handling ESD Sensitive Parts Notice
IGN SW, HTDST LR, HTDST RR, and HTDST RF Fuses
G401 1 of 3
in Body Control System

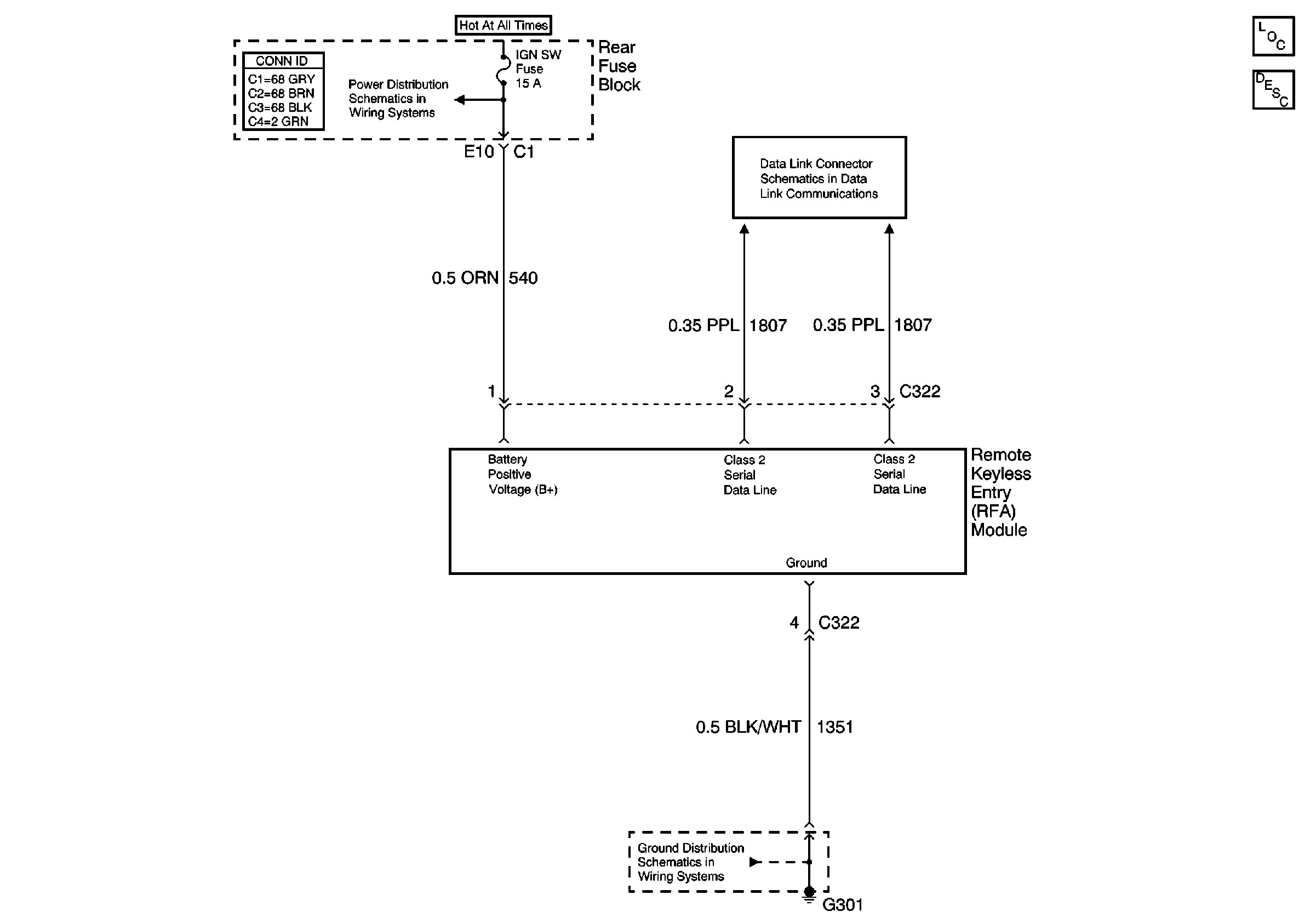
Remote Keyless Entry (RKE) Module

Refer to RFA Module Replacement in Keyless Entry

Refer to Diagnostic System Check - Remote Keyless Entry in Keyless Entry

Refer to
Object Number: 575811  Size: FS
Keyless Entry Components
Keyless Entry System Description
Class 2 Serial Data Line (LH Drive)
G301
IGN SW, HTDST LR, HTDST RR, and HTDST RF Fuses
Keyless Entry Components
Keyless Entry System Circuit Description
in Keyless Entry

RH Rear Door Module

Refer to Diagnostic System Check - Instrument Cluster in Instrument Panel, Gauges and Console

Refer to Diagnostic System Check - Power Door Systems in Doors

Refer to

RRDM Power, Ground, Inputs, and Outputs


Object Number: 576226  Size: FS
Power Door Systems Components
Automatic Door Lock System Description
SBI
LRDM Power, Ground, Inputs, and Outputs
Handling ESD Sensitive Parts Notice
DRV MDL, PASS MDL, RRDR MDL and DLC Fuses
DRV MDL, PASS MDL, RRDR MDL and DLC Fuses
PWR WDO Circuit Breaker
DDM, LH Actuator, LR Switch and LR Actuator
RH Power Window
Rear Heated Seat Switches
G201 (Partial)
G302 1 of 2
in Doors

Steering Column Module

Refer to Steering Column Replacement in Steering Wheel and Column - Tilt

Refer to Tilt/Telescoping Steering Column Diagnostic System Check in Steering Wheel and Column - Tilt

Refer to
Object Number: 576291  Size: FS
Tilt Wheel/Column Components
Tilt/Telescoping Steering Column Circuit Description
MEM T/T, PWR T/T and TSIG/HAZ Fuse
MEM T/T, PWR T/T and TSIG/HAZ Fuse
Class 2 Serial Data Line (LH Drive)
Handling ESD Sensitive Parts Notice
G200 1 of 2
in Steering Wheel and Column - Tilt

Theft Deterrent Module

Refer to Theft Deterrent Module Replacement in Theft Deterrent

Refer to Diagnostic System Check - Theft Deterrent in Theft Deterrent

Refer to

PASS-Key LHD


Object Number: 575983  Size: FS
IGN SW, HTDST LR, HTDST RR, and HTDST RF Fuses
Ignition Switch
Ignition Switch
Ignition Switch
Starter Solenoid Control
Class 2 Serial Data Line (LH Drive)
Pass-Key RHD
Theft Deterrent System Components
Vehicle Theft Deterrent (VTD)Circuit Description
Start Circuit Breaker and ACC, WSW Fuses
Start Circuit Breaker and ACC, WSW Fuses
Start Circuit Breaker and ACC, WSW Fuses
G201 (Partial)
in Theft Deterrent