GM Service Manual Online
For 1990-2009 cars only
Figure 1:

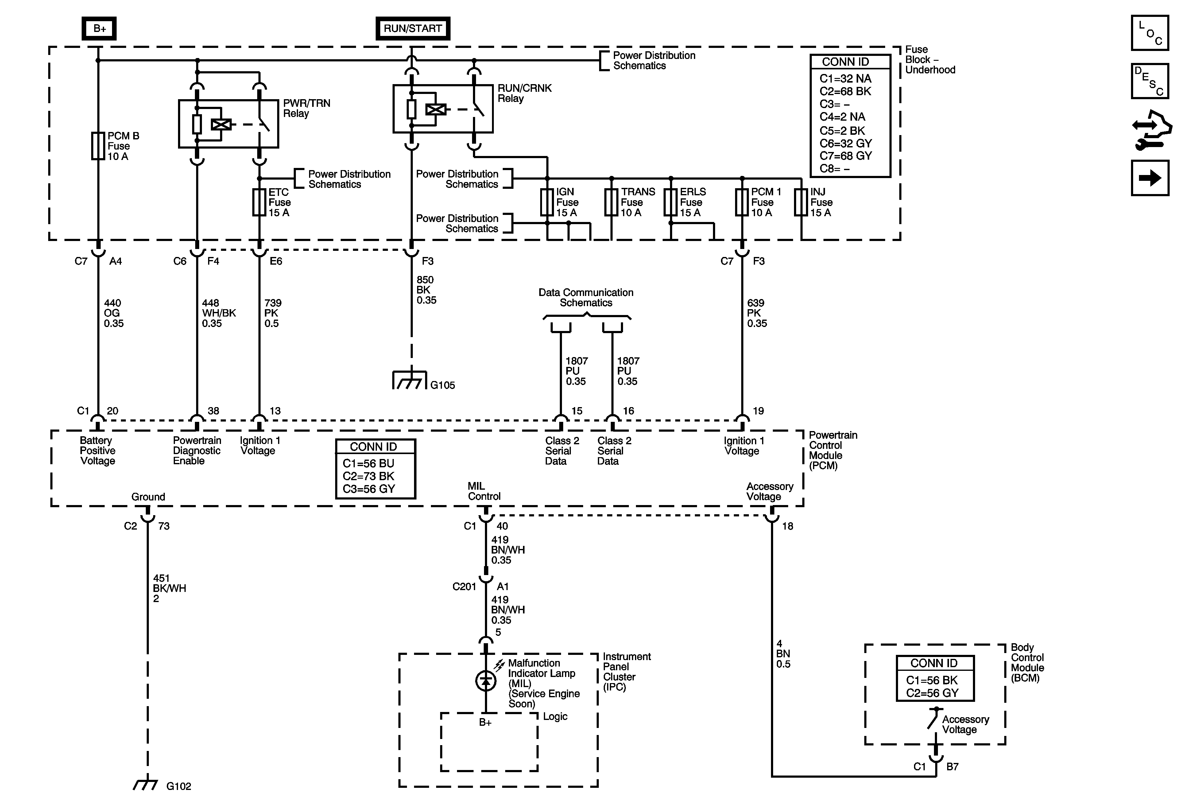
Module Power, Ground, Serial Data, and MIL


Object Number: 1774469  Size: FS
Master Electrical Component List
Powertrain Control Module Description
Body Control Module Programming and Setup
Engine Data Sensors - 5-Volt and Low Reference
Engine Controls Schematic Icons
B+ Bus - Underhood Fuse Block
B+ Bus - Underhood Fuse Block
RUN/CRANK RELAY BUS - 2 of 3, ABS, BACKUP, and IGN Fuses
ETC, O2 SENSOR, PWR/WINDOW, SUNROOF, and WIP/WASH Fuses
Data Communication Schematics
Splice Pack SP105 and G105 - 1 of 2
G100, G104, G102, G103
Figure 2:

Engine Data Sensors - 5-Volt and Low Reference


Object Number: 1774473  Size: FS
Master Electrical Component List
Powertrain Control Module Description
Body Control Module Programming and Setup
Engine Data Sensors - Electronic Throttle Controls, MAF, Pressure, and Temperature
Module Power, Ground, Serial Data, and MIL
Engine Controls Schematic Icons
Figure 3:

Engine Data Sensors - Electronic Throttle Controls, MAF, Pressure, and Temperature


Object Number: 1774474  Size: FS
Master Electrical Component List
Throttle Actuator Control (TAC) System Description
Body Control Module (BCM) Programming/RPO Configuration
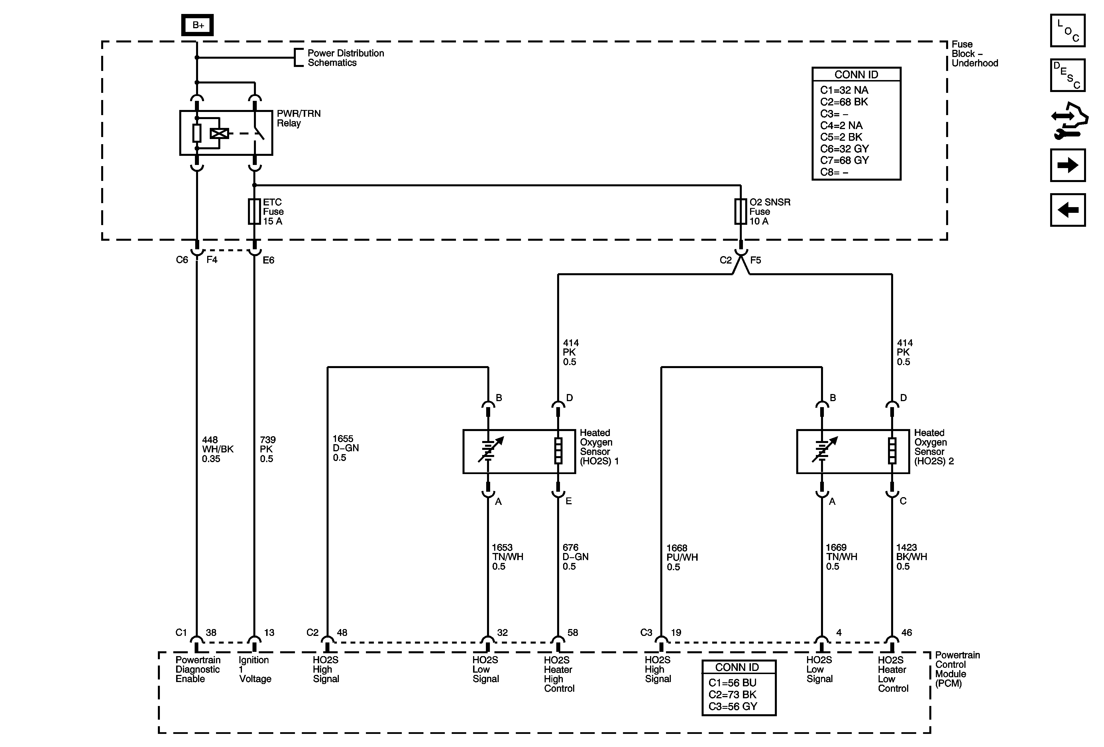
Oxygen Sensors
Engine Data Sensors - 5-Volt and Low Reference
Engine Controls Schematic Icons
B+ Bus - Underhood Fuse Block
TCC Brake/Cruise Release Switch and Vehicle Speed Sensor
Manual Transmission Schematics
G100, G104, G102, G103, and G101
Figure 4:

Engine Data Sensors - Oxygen Sensors


Object Number: 1774479  Size: FS
Master Electrical Component List
Powertrain Control Module Description
Body Control Module Programming and Setup
Engine Data Sensors - Injection Timing Controls
Engine Data Sensors - Electronic Throttle Controls, MAF, Pressure, and Temperature
Engine Controls Schematic Icons
B+ Bus - Underhood Fuse Block
Figure 5:

Engine Data Sensors - Injection Timing Controls


Object Number: 1774489  Size: FS
Master Electrical Component List
Powertrain Control Module Description
Body Control Module Programming and Setup
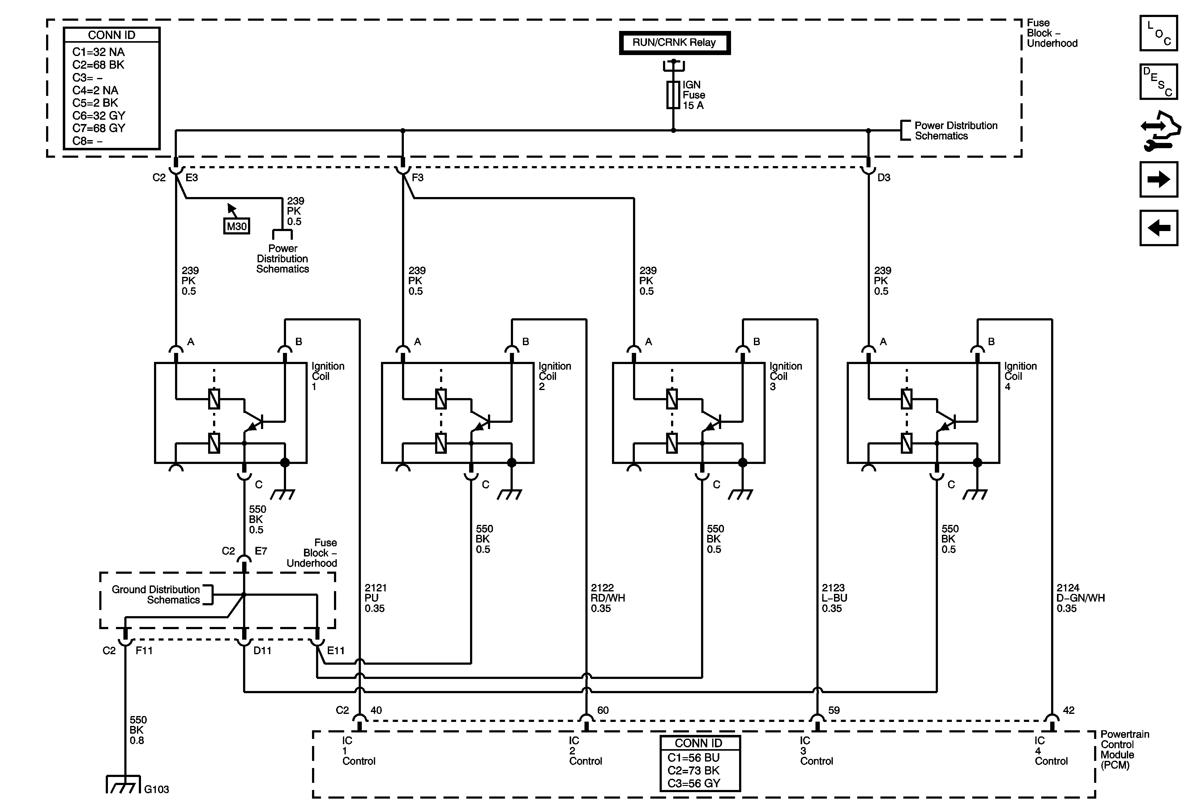
Ignition Controls - Ignition Systems
Oxygen Sensors
Engine Controls Schematic Icons
Engine Controls Schematic Icons
Engine Controls Schematic Icons
Figure 6:

Ignition Controls - Ignition System


Object Number: 1774497  Size: FS
Master Electrical Component List
Powertrain Control Module Description
Body Control Module Programming and Setup
Fuel Controls - Fuel Pump Controls
Engine Data Sensors - Injection Timing Controls
Engine Controls Schematic Icons
Module Power, Ground, Serial Data, and MIL
RUN/CRANK RELAY BUS - 2 of 3, ABS, BACKUP, and IGN Fuses
RUN/CRANK RELAY BUS - 2 of 3, ABS, BACKUP, and IGN Fuses
G100, G104, G102, G103
G100, G104, G102, G103
Figure 7:

Fuel Controls - Fuel Pump Controls


Object Number: 1774514  Size: FS
Master Electrical Component List
Powertrain Control Module Description
Body Control Module Programming and Setup
Fuel Controls - Fuel Injectors
Ignition Controls - Ignition Systems
Engine Controls Schematic Icons
B+ Bus - Underhood Fuse Block
Splice Pack SP105 and G105 - 1 of 2
Splice Pack SP105 and G105 - 1 of 2
Splice Pack SP105 and G105 - 2 of 2
Splice Pack SP105 and G105 - 2 of 2
Gages
Figure 8:

Fuel Controls - Fuel Injectors


Object Number: 1774517  Size: FS
Master Electrical Component List
Powertrain Control Module Description
Body Control Module Programming and Setup
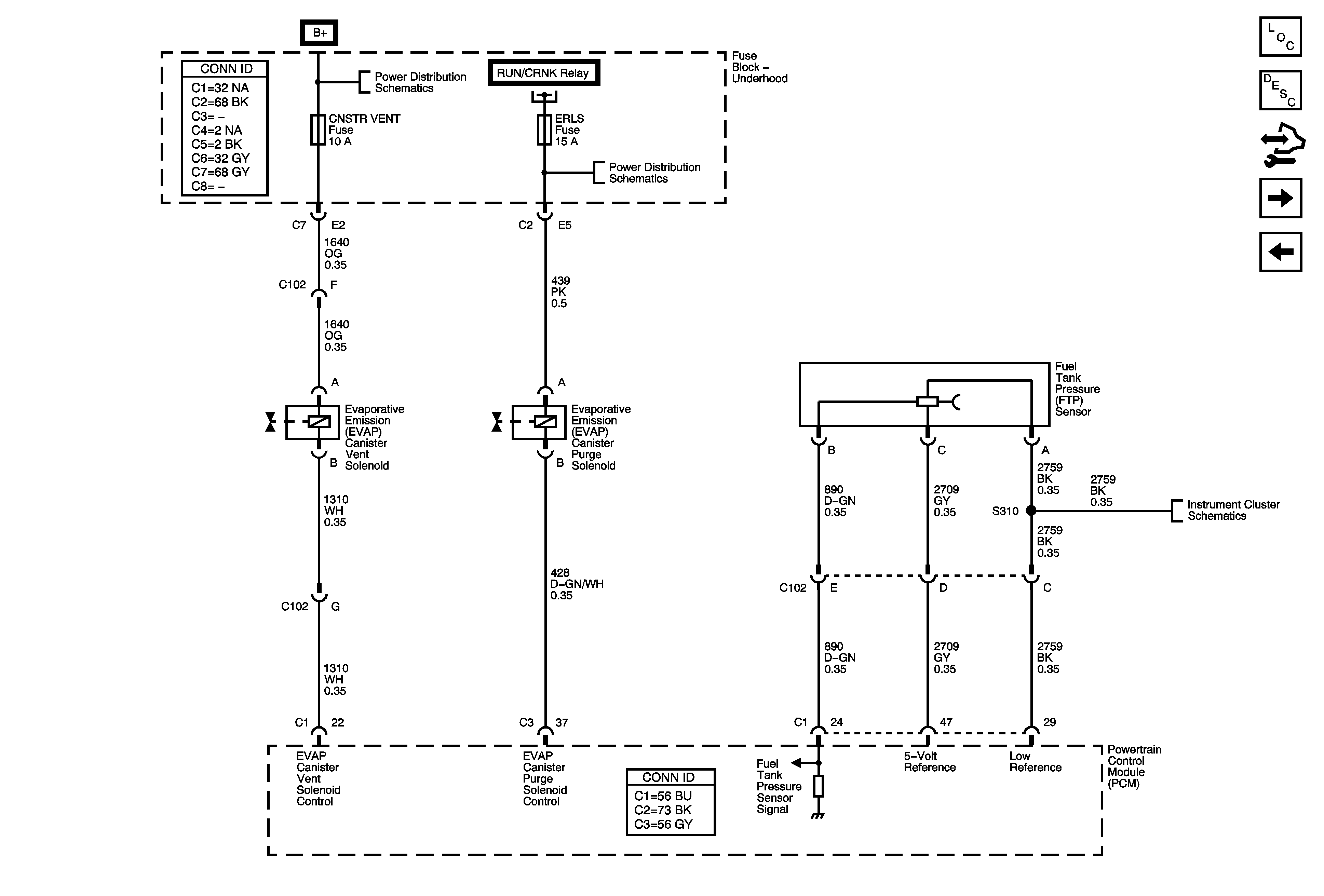
Fuel Controls - EVAP Controls
Fuel Controls - Fuel Pump Controls
Engine Controls Schematic Icons
Module Power, Ground, Serial Data, and MIL
Figure 9:

Fuel Controls - EVAP Controls


Object Number: 1774545  Size: FS
Master Electrical Component List
Powertrain Control Module Description
Body Control Module Programming and Setup
Controlled/Monitored Subsystem and Transmission References
Fuel Controls - Fuel Injectors
Engine Controls Schematic Icons
B+ Bus - Underhood Fuse Block
Module Power, Ground, Serial Data, and MIL
RUN/CRANK RELAY BUS - 3 of 3, ERLS, FRT AX, INJECTOR, and PCM I Fuses
Gages
Figure 10:

Controlled/Monitored Subsystem and Transmission References


Object Number: 1774557  Size: FS
Master Electrical Component List
Powertrain Control Module Description
Body Control Module Programming and Setup
Fuel Controls - EVAP Controls
Engine Controls Schematic Icons
Power, Ground, and Electric Brake Control Module
Starting System - MA5
Starting System - M30
Charging System
Compressor Controls
Cruise Control Schematics
Indicators
Stop Lamps and License Lamps
Transfer Case Encoder Motor
Switches and VSS
Transmission Controls
TCC Brake/Cruise Release Switch and Vehicle Speed Sensor