GM Service Manual Online
For 1990-2009 cars only
Figure 1:

Module Power, Ground, Serial Data, Malfunction Indicator Lamp (MIL)


Object Number: 1376429  Size: FS
Master Electrical Component List
Engine Data Sensors - Pressure and Temperature, Vehicle Speed Sensor (VSS), Mass Air Flow (MAF)
Engine Controls Schematic Icons
Underhood Fuse Block - STOP LAMPS, HI BEAM PASSING, and ECM Fuses
Underhood Fuse Block - ENG1, COOL FAN HIGH, and COOL FAN LOW Fuses
Underhood Fuse Block - IGN1 Fuse, Ignition Switch, I/P Fuse Block - LTR, HTD SEAT, CLK, RADIO, AIR BAG, BCK/UP CRUISE, and ECM Fuses
I/P Fuse Block - WPR, TCM BTSI, BCM ABS, CLSTR AUTO A/C and WSWA Fuses
Underhood Fuse Block - IGN1 Fuse, Ignition Switch, I/P Fuse Block - LTR, HTD SEAT, CLK, RADIO, AIR BAG, BCK/UP CRUISE, and ECM Fuses
G103 (2.5L)
Data Link Connector
I/P Fuse Block - WPR, TCM BTSI, BCM ABS, CLSTR AUTO A/C and WSWA Fuses
Figure 2:

Engine Data Sensors - Pressure and Temperature, Vehicle Speed Sensor (VSS), Mass Air Flow (MAF)


Object Number: 1376443  Size: FS
Master Electrical Component List
Engine Data Sensors - Oxygen Sensors
Module Power, Ground, Serial Data, Malfunction Indicator Lamp (MIL)
Engine Controls Schematic Icons
Underhood Fuse Block - ENG1, COOL FAN HIGH, and COOL FAN LOW Fuses
Underhood Fuse Block - ENG1, COOL FAN HIGH, and COOL FAN LOW Fuses
Vehicle Speed Signal
Underhood Fuse Block - ENG1, COOL FAN HIGH, and COOL FAN LOW Fuses
G101
Figure 3:

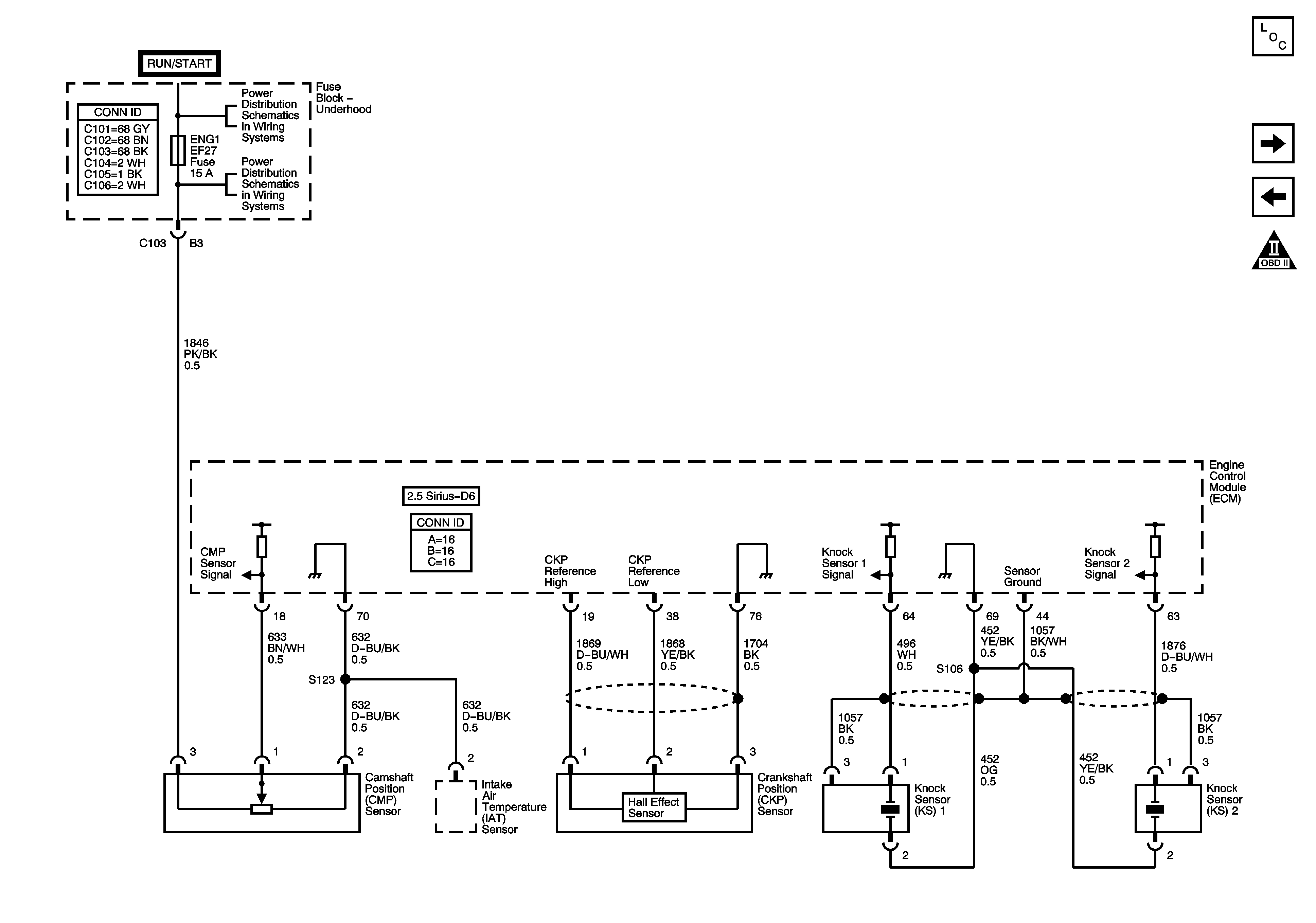
Engine Data Sensors - Oxygen Sensors


Object Number: 1376444  Size: FS
Master Electrical Component List
Engine Data Sensors - Main Throttle Idle Actuator (MTIA)
Engine Data Sensors - Pressure and Temperature, Vehicle Speed Sensor (VSS), Mass Air Flow (MAF)
Engine Controls Schematic Icons
Underhood Fuse Block - ENG1, COOL FAN HIGH, and COOL FAN LOW Fuses
Underhood Fuse Block - ENG1, COOL FAN HIGH, and COOL FAN LOW Fuses
Fuel Controls - Evaporative Emissions Controls, Device Controls
Underhood Fuse Block - ENG1, COOL FAN HIGH, and COOL FAN LOW Fuses
Figure 4:

Engine Data Sensors - Main Throttle Idle Actuator (MTIA)


Object Number: 1376445  Size: FS
Master Electrical Component List
Ignition Controls - Ignition System (1-3)
Engine Data Sensors - Oxygen Sensors
Engine Controls Schematic Icons
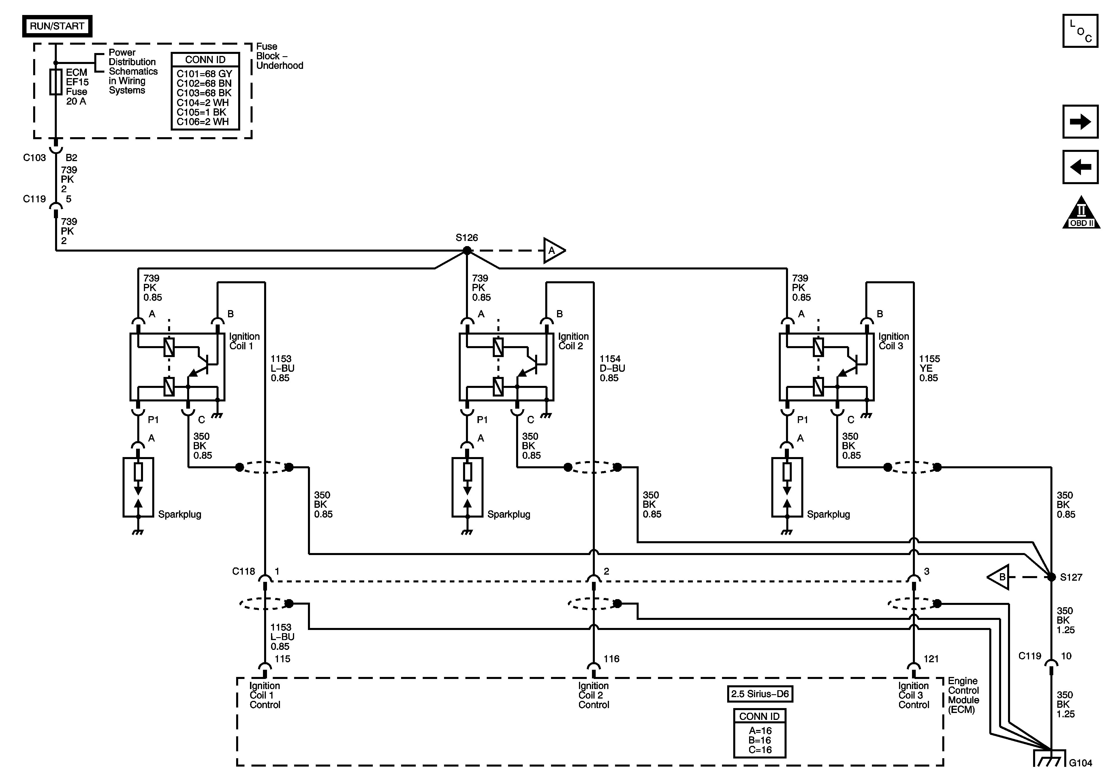
Figure 5:

Ignition Controls - Ignition System (1-3)


Object Number: 1376447  Size: FS
Master Electrical Component List
Ignition Control - Ignition System (4-6)
Engine Data Sensors - Main Throttle Idle Actuator (MTIA)
Engine Controls Schematic Icons
Underhood Fuse Block - Fuel Pump Relay, FUEL and ECM Fuses
Ignition Controls - Sensors
Ignition Controls - Sensors
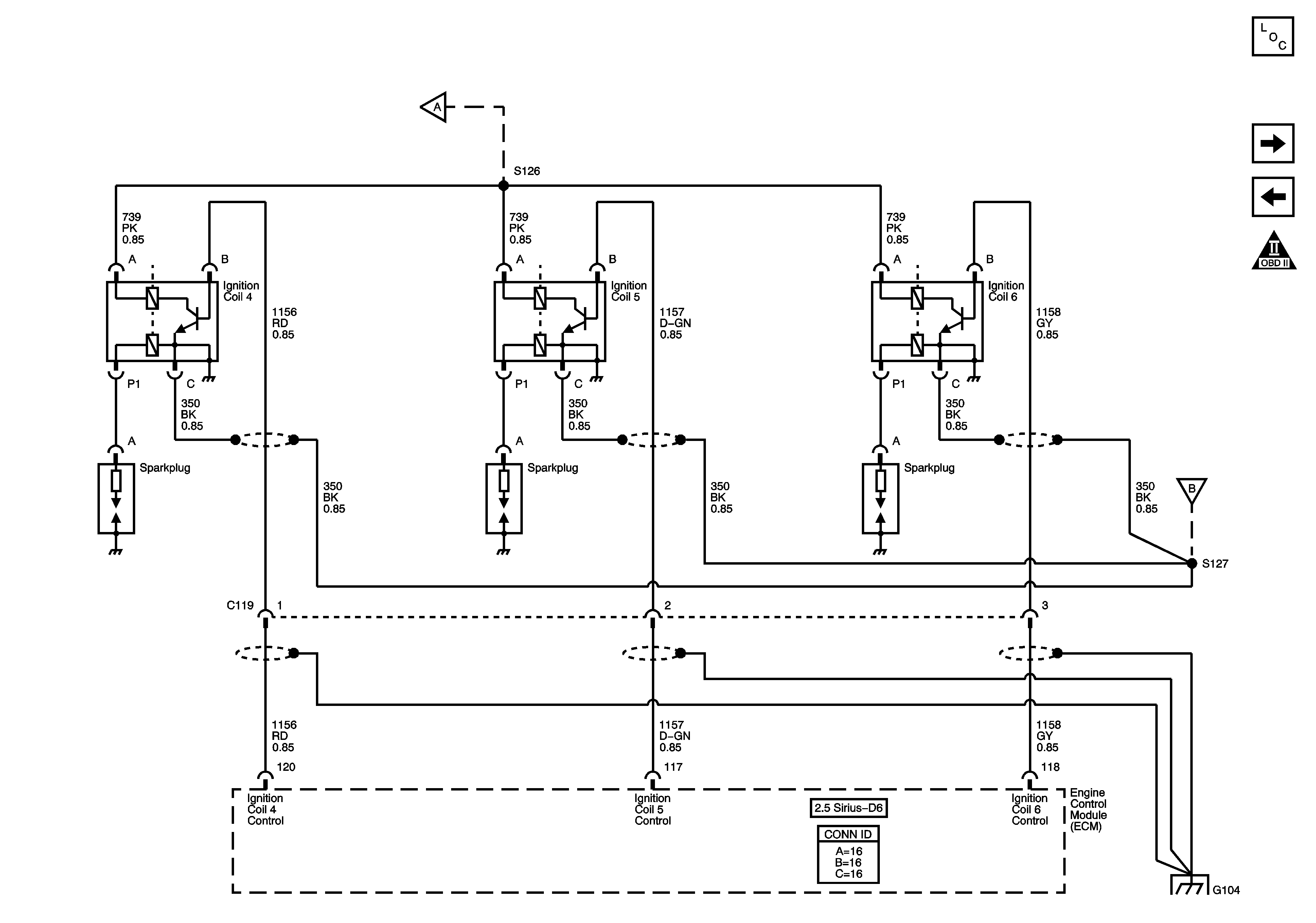
Figure 6:

Ignition Control - Ignition System (4-6)


Object Number: 1506997  Size: FS
Master Electrical Component List
Ignition Controls - Sensors
Ignition Controls - Ignition System (1-3)
Engine Controls Schematic Icons
Ignition Controls - Ignition System (1-3)
Ignition Controls - Ignition System (1-3)
Figure 7:

Ignition Controls - Sensors


Object Number: 1376450  Size: FS
Master Electrical Component List
Fuel Controls - Fuel Pump Controls and Fuel Injectors
Ignition Control - Ignition System (4-6)
Engine Controls Schematic Icons
Underhood Fuse Block - ENG1, COOL FAN HIGH, and COOL FAN LOW Fuses
Underhood Fuse Block - ENG1, COOL FAN HIGH, and COOL FAN LOW Fuses
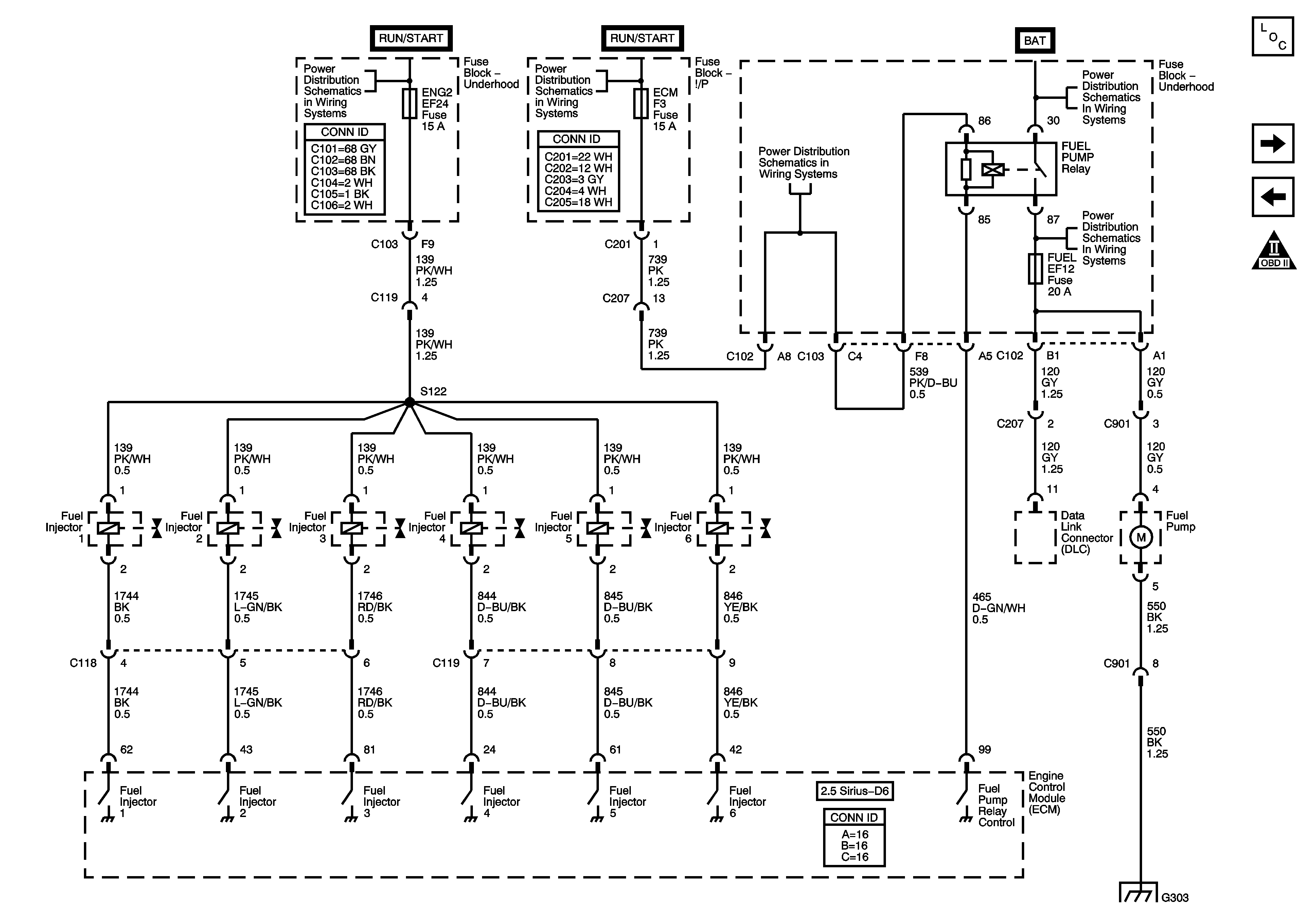
Figure 8:

Fuel Controls - Fuel Pump Controls and Fuel Injectors


Object Number: 1376452  Size: FS
Master Electrical Component List
Fuel Controls - Evaporative Emissions Controls, Device Controls
Ignition Controls - Sensors
Engine Controls Schematic Icons
Underhood Fuse Block (2.0L) - ENG MAIN Relay and ENG2 Fuse
Underhood Fuse Block - IGN1 Fuse, Ignition Switch, I/P Fuse Block - LTR, HTD SEAT, CLK, RADIO, AIR BAG, BCK/UP CRUISE, and ECM Fuses
Underhood Fuse Block - Battery Feeds
Underhood Fuse Block - Fuel Pump Relay, FUEL and ECM Fuses
Underhood Fuse Block - Battery Feeds
Figure 9:

Fuel Controls - Evaporative Emissions Controls, Device Controls


Object Number: 1376453  Size: FS
Master Electrical Component List
Controlled/Monitored Subsystem References
Fuel Controls - Fuel Pump Controls and Fuel Injectors
Engine Controls Schematic Icons
Underhood Fuse Block - ENG1, COOL FAN HIGH, and COOL FAN LOW Fuses
Underhood Fuse Block (2.5L) - ENG MAIN Relay and ENG2 Fuse
Engine Data Sensors - Oxygen Sensors
Engine Data Sensors - Oxygen Sensors
Figure 10:

Controlled/Monitored Subsystem References


Object Number: 1376455  Size: FS
Master Electrical Component List
Engine Controls Schematic Icons
Power, Ground, and Gages (2.5L Sirius D6)
Cooling Fans
Blower Controls
Blower Controls Automatic