GM Service Manual Online
For 1990-2009 cars only
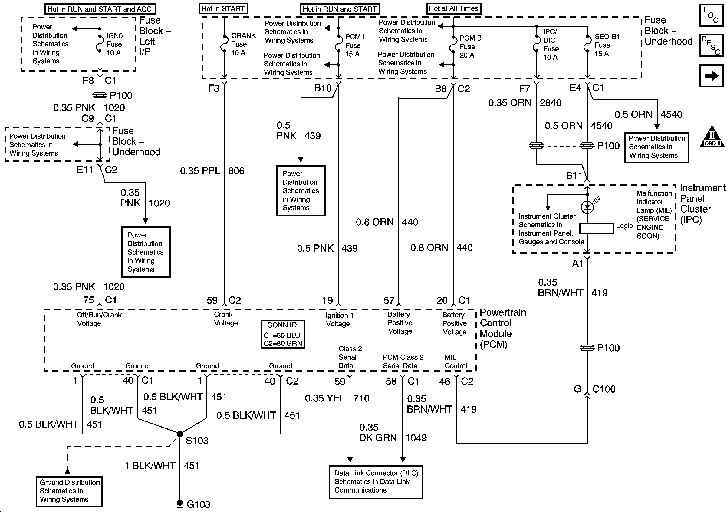
Figure 1:

Module Power, Ground, Serial Data, and MIL


Object Number: 858871  Size: FS
Master Electrical Component List
Powertrain Control Module Description
Engine Data Sensors - Pressure and Temperature
OBD II Symbol Description Notice
Ignition, Run, Start, Accy Bus Bar
IGN 1 Relay Bus, SEO 2, RR DEFOG, SEO IGN, B/U LP
SBA, ETC, PCM 1, BTSI, TRL B/U
B+ Bus Bar (Gas) - 1 of 3
ECM, ECMRPV, EDU, EDU Relay - Diesel Only
IGN 0 , TBC IGN 0, TBC ACCY, SEO ACCY, W/S WIPER, RR WIPER
RTD/ECAS, RR WPR, EAP, SUNROOF, IPC/DIC, SEO 1
IGN 0 , TBC IGN 0, TBC ACCY, SEO ACCY, W/S WIPER, RR WIPER
SBA, ETC, PCM 1, BTSI, TRL B/U
Power, Ground, Serial Data
G102, G103-Gas
SP205 - 2 of 2
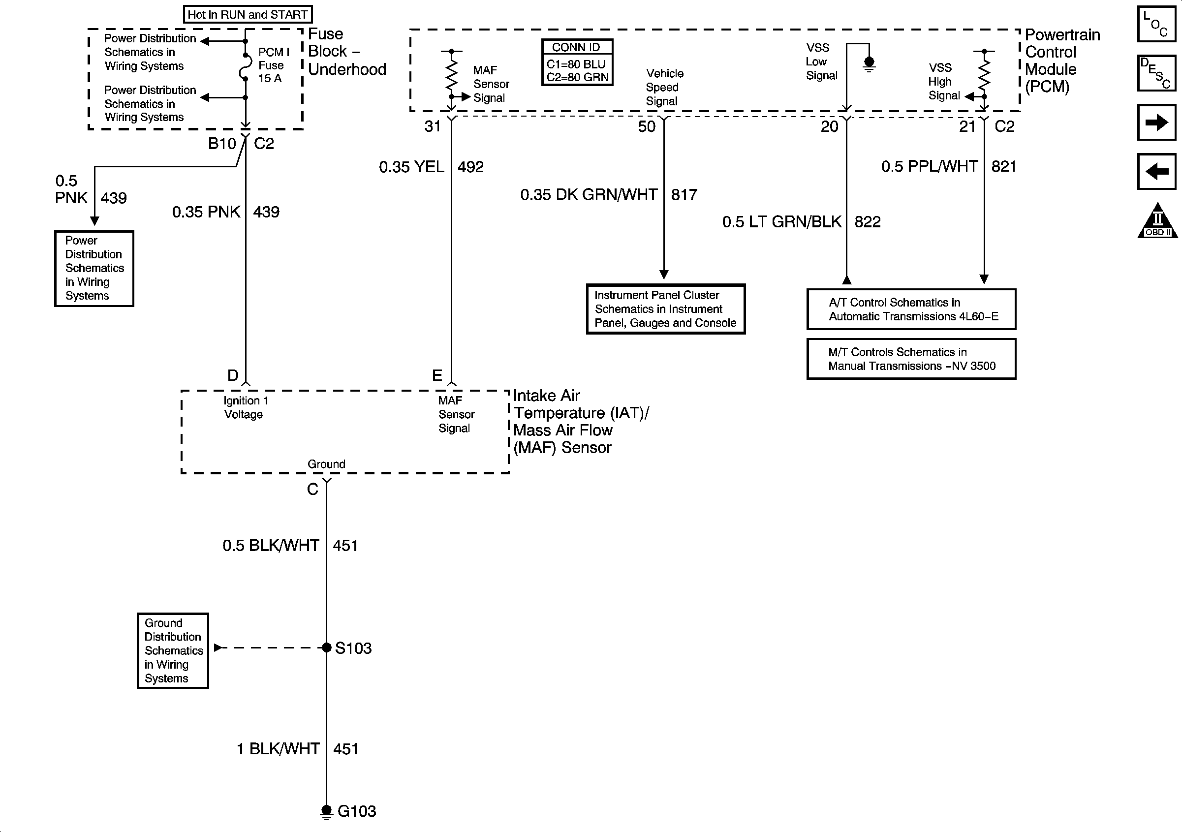
Figure 2:

Engine Data Sensors - Pressure and Temperature


Object Number: 858875  Size: FS
Master Electrical Component List
Powertrain Control Module Description
Engine Data Sensors - MAF and VSS
Module Power, Ground, Serial Data, and MIL
OBD II Symbol Description Notice
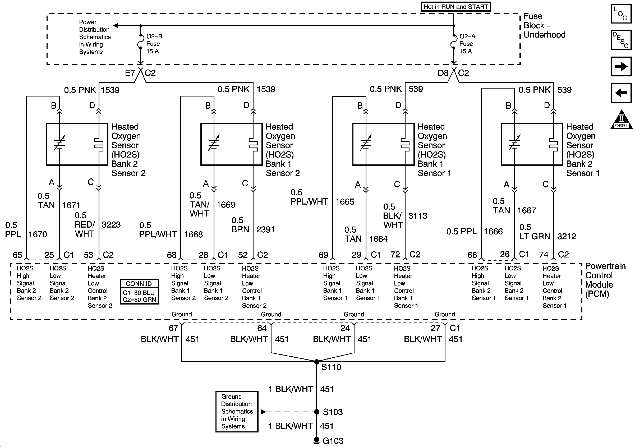
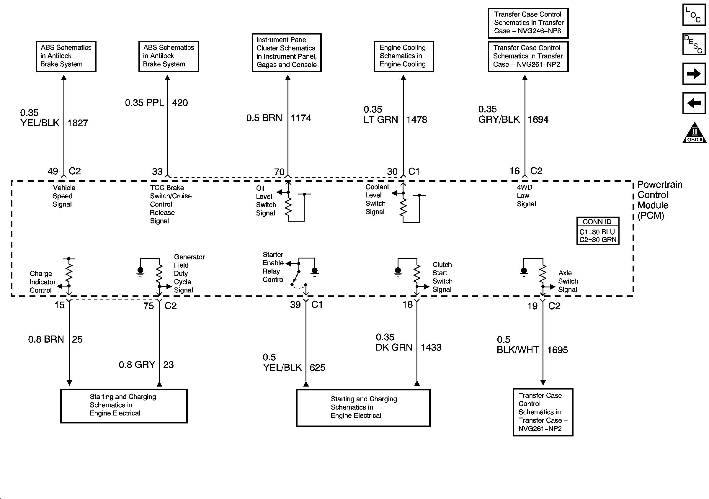
Figure 3:

Engine Data Sensors - MAF and VSS


Object Number: 858876  Size: FS
Master Electrical Component List
Powertrain Control Module Description
Engine Data Sensors - HO2S
Engine Data Sensors - Pressure and Temperature
OBD II Symbol Description Notice
IGN 1 Relay Bus, SEO 2, RR DEFOG, SEO IGN, B/U LP
SBA, ETC, PCM 1, BTSI, TRL B/U
SBA, ETC, PCM 1, BTSI, TRL B/U
Vehicle Speed Signal
Vehicle Speed Signal and 4WD Low Signal
Manual Transmission Schematics
G102, G103-Gas
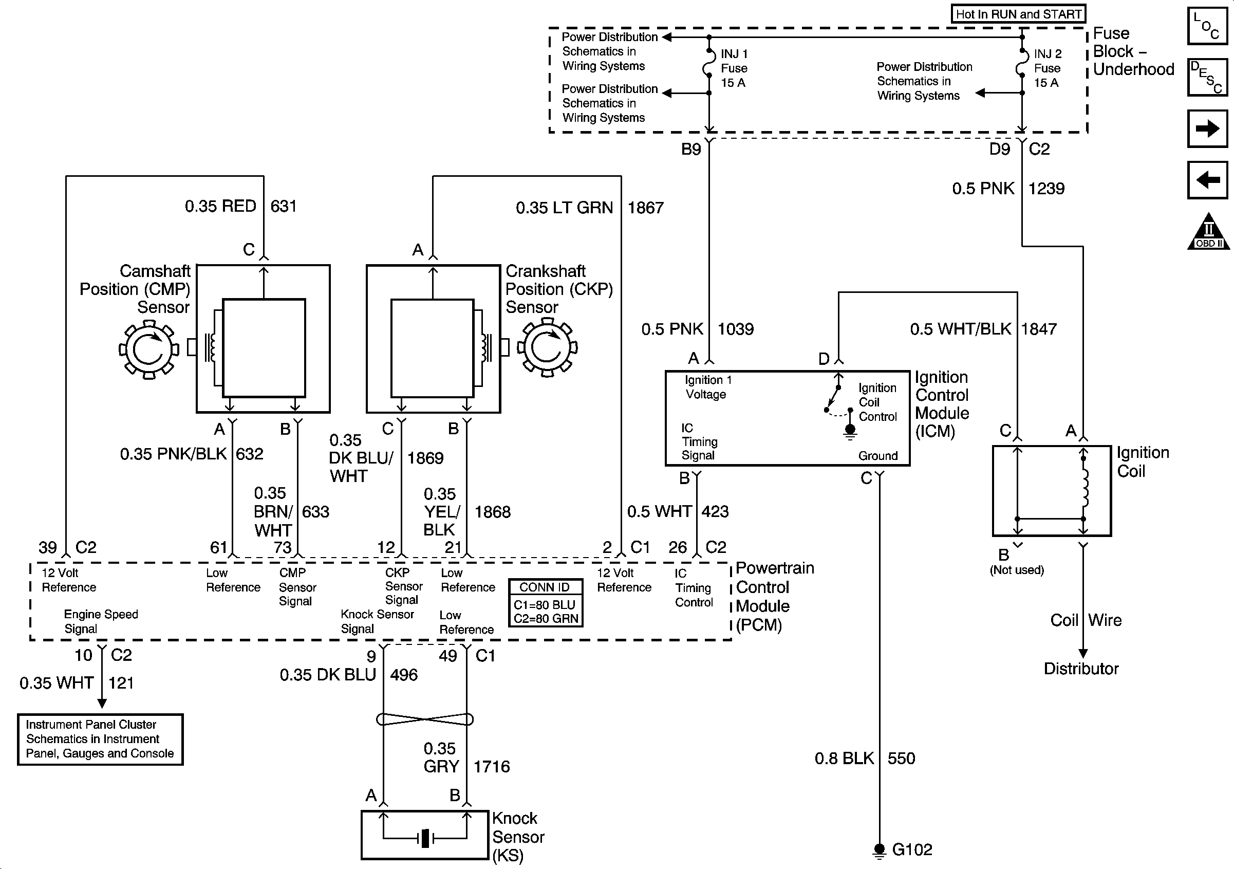
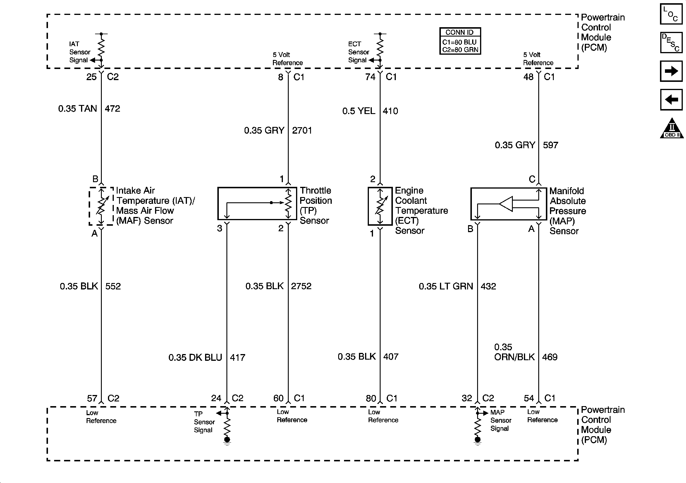
Figure 4:

Engine Data Sensors - HO2S


Object Number: 858877  Size: FS
Master Electrical Component List
Powertrain Control Module Description
Ignition Controls
Engine Data Sensors - MAF and VSS
OBD II Symbol Description Notice
Ignition, Run, Start, Accy Bus Bar
G102, G103-Gas
Figure 5:

Ignition Controls


Object Number: 858879  Size: FS
Master Electrical Component List
Powertrain Control Module Description
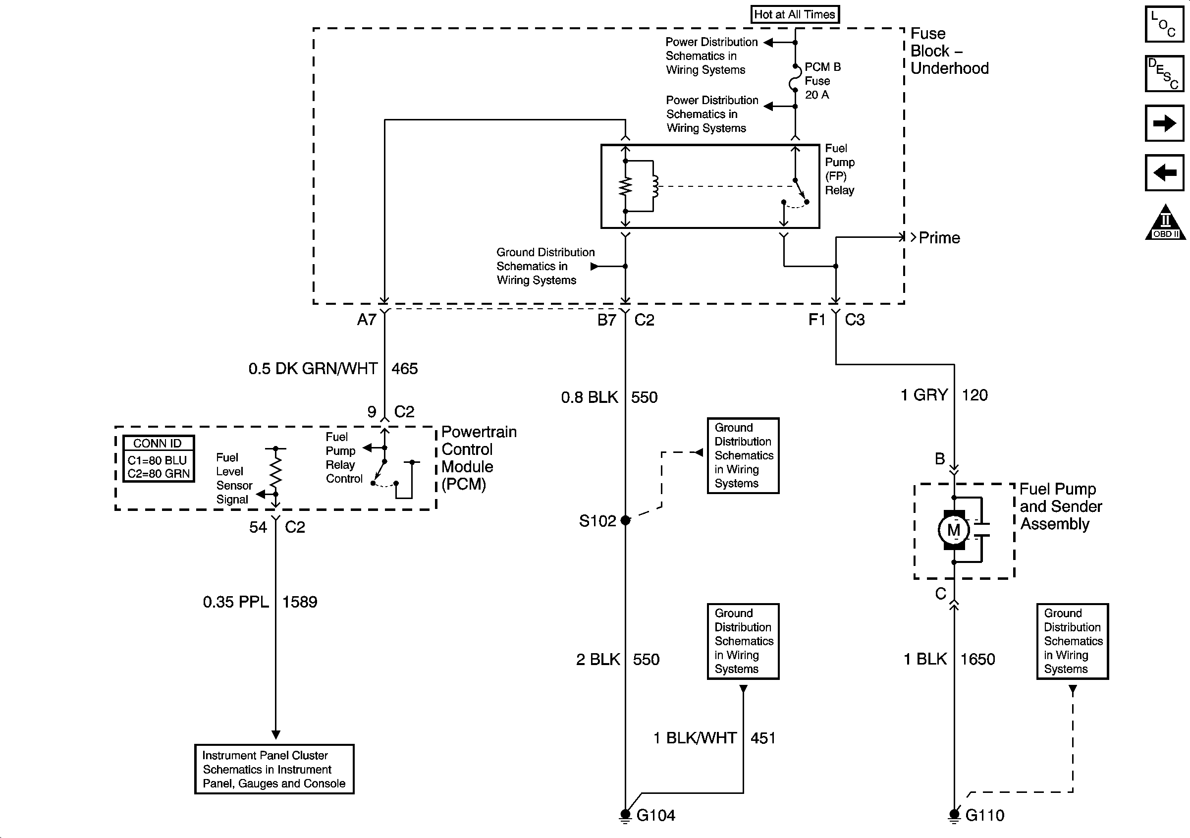
Fuel Controls - Fuel Pump Controls
Engine Data Sensors - HO2S
OBD II Symbol Description Notice
IGN 1 Relay Bus, SEO 2, RR DEFOG, SEO IGN, B/U LP
IGN 1 Relay Bus, SEO 2, RR DEFOG, SEO IGN, B/U LP
IGN 1 Relay Bus, SEO 2, RR DEFOG, SEO IGN, B/U LP
Gauges, VSS, Engine Oil Signals-Gas Only
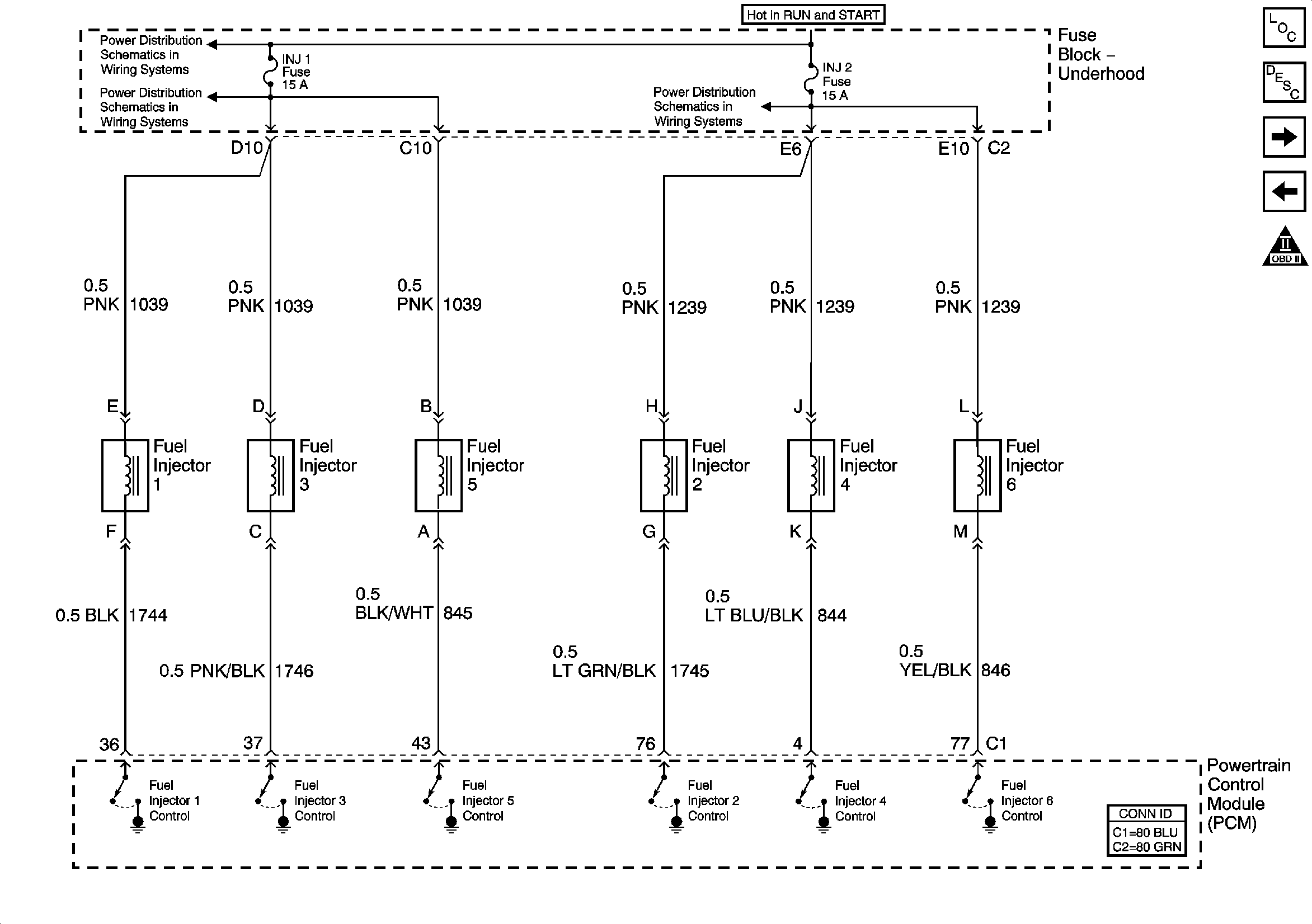
Figure 6:

Fuel Controls - Fuel Pump Controls


Object Number: 858881  Size: FS
Master Electrical Component List
Powertrain Control Module Description
Fuel Controls - Fuel Injectors
Ignition Controls
OBD II Symbol Description Notice
B+ Bus Bar (Gas) - 1 of 3
ECM, ECMRPV, EDU, EDU Relay - Diesel Only
G104, G106, G107
G104, G106, G107
G104, G106, G107
G110
Fuel Gauge-Gas Only
Figure 7:

Fuel Controls - Fuel Injectors


Object Number: 858883  Size: FS
Master Electrical Component List
Powertrain Control Module Description
Fuel/Device Controls - EVAP, Fuel Tank Pressure, and IAC
Fuel Controls - Fuel Pump Controls
OBD II Symbol Description Notice
IGN 1 Relay Bus, SEO 2, RR DEFOG, SEO IGN, B/U LP
IGN 1 Relay Bus, SEO 2, RR DEFOG, SEO IGN, B/U LP
IGN 1 Relay Bus, SEO 2, RR DEFOG, SEO IGN, B/U LP
Figure 8:

Fuel/Device Controls - EVAP, Fuel Tank Pressure, and IAC


Object Number: 858884  Size: FS
Master Electrical Component List
Powertrain Control Module Description
Controlled/Monitored Subsystem References - 1 of 2
Fuel Controls - Fuel Injectors
OBD II Symbol Description Notice
B+ Bus Bar (Gas) - 1 of 3
IGN 1 Relay Bus, SEO 2, RR DEFOG, SEO IGN, B/U LP
IGN 1 Relay Bus, SEO 2, RR DEFOG, SEO IGN, B/U LP
Fuel Gauge-Gas Only
Figure 9:

Controlled/Monitored Subsystem References - 1 of 2


Object Number: 858885  Size: FS
Master Electrical Component List
Powertrain Control Module Description
Controlled/Monitored Subsystem References - 2 of 2
Fuel/Device Controls - EVAP, Fuel Tank Pressure, and IAC
OBD II Symbol Description Notice
8600 GVW or Less - 1 of 2
8600 GVW or Less - 2 of 2
Gauges, VSS, Engine Oil Signals-Gas Only
Engine Cooling
Power, Ground, and Transfer Case Encoder Motor
Transfer Case Schematics - NP1
Charging System-Gas
Starting System-Gas
Transfer Case Schematics - NP1
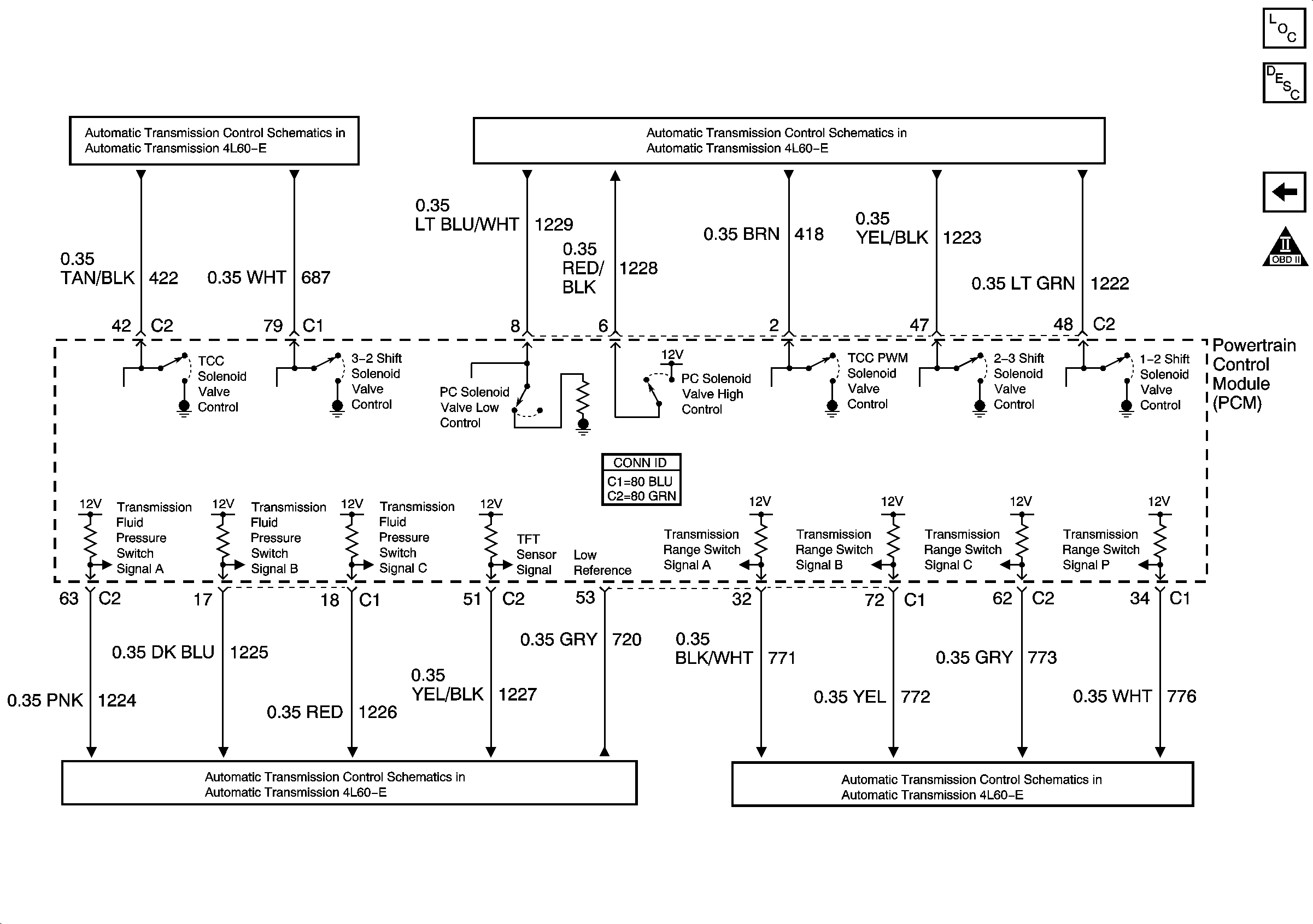
Figure 10:

Controlled/Monitored Subsystem References - 2 of 2


Object Number: 858888  Size: FS
Master Electrical Component List
Powertrain Control Module Description
Transmission Controls - A/T
Controlled/Monitored Subsystem References - 1 of 2
OBD II Symbol Description Notice
A/C Compressor Controls
A/C Compressor Controls
Gauges, VSS, Engine Oil Signals-Gas Only
8600 GVW or Less - 1 of 2
8600 GVW or Less - 1 of 2
8600 GVW or Less - 1 of 2
4.3L Cruise Control Schematics - 1 of 2
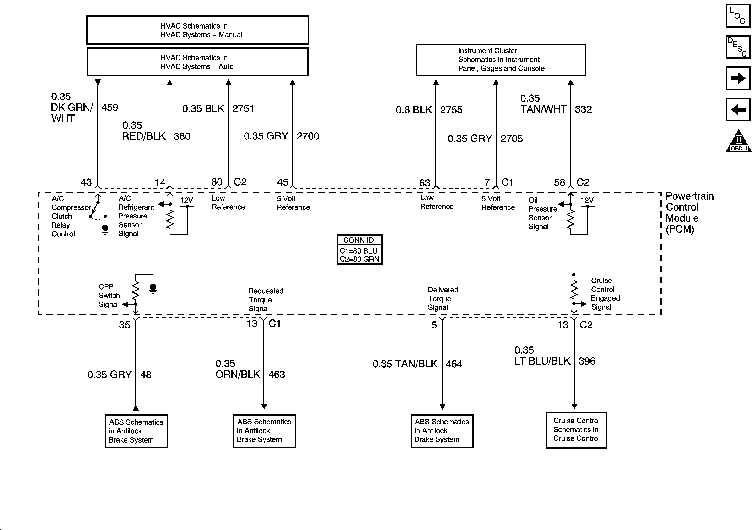
Figure 11:

Transmission Controls A/T


Object Number: 858890  Size: FS
Master Electrical Component List
Powertrain Control Module Description
Controlled/Monitored Subsystem References - 2 of 2
OBD II Symbol Description Notice
Valve Controls and Brake Switch
Switch Inputs
Switch Inputs
Tow/Haul Switch and PNP Switch Inputs