GM Service Manual Online
For 1990-2009 cars only
Figure 1:

Power, Ground, Data Link, and MIL


Object Number: 1910109  Size: FS
Master Electrical Component List
Engine Control Module Description
Control Module References
5-Volt and Low Reference
BCM, DR LCK, ECM/TCM. INT LIGHT, PWR WNDW, RDO and SDM Fuses
ECM/TRANS, I/P/ IGN, OUTLET/LTR, AIRBAG, EPS/STR WHL CNTRL, HVAC/IP IGN, WPR, CAN VENT, BCK/UP LAMP, and ABS Fuses
ECM/TRANS, I/P/ IGN, OUTLET/LTR, AIRBAG, EPS/STR WHL CNTRL, HVAC/IP IGN, WPR, CAN VENT, BCK/UP LAMP, and ABS Fuses
DLC, ECM, EXH, INJ IGN MDL, and TURBO Fuses
DLC, ECM, EXH, INJ IGN MDL, and TURBO Fuses
DLC, ECM, EXH, INJ IGN MDL, and TURBO Fuses
DLC, ECM, EXH, INJ IGN MDL, and TURBO Fuses
High Speed LAN
G103, G104, G105, G106, G304
Figure 2:

5-Volt and Low Reference


Object Number: 1910119  Size: FS
Master Electrical Component List
Electronic Ignition (EI) System Description
Control Module References
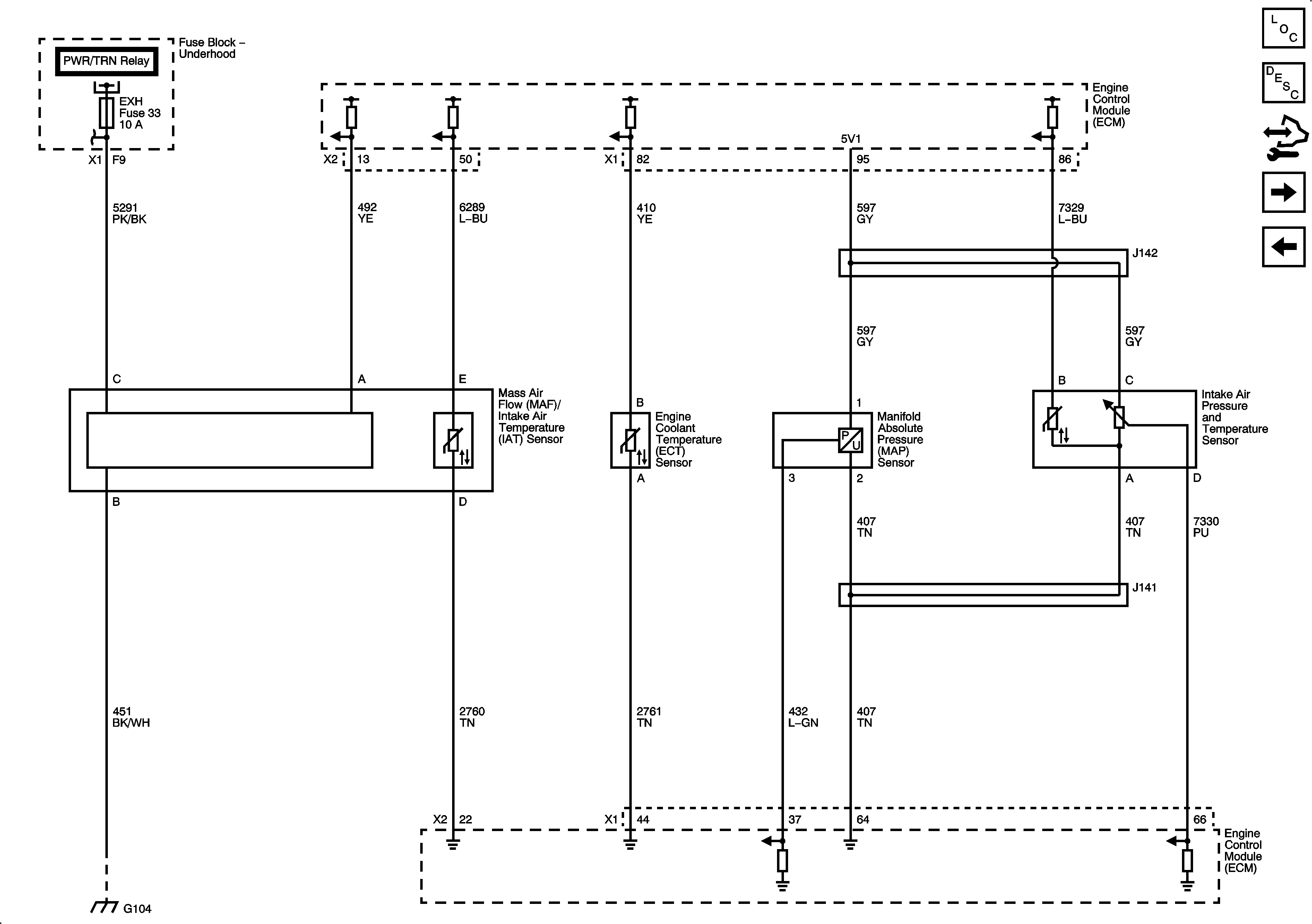
Engine Data Sensors - Pressure and Temperature
Power, Ground, Data Link and MIL
Figure 3:

Engine Data Sensors - Pressure and Temperature


Object Number: 1910122  Size: FS
Master Electrical Component List
Air Intake System Description
Control Module References
Engine Data Sensors - Oxygen Sensors
5-Volt and Low Reference
DLC, ECM, EXH, INJ IGN MDL, and TURBO Fuses
DLC, ECM, EXH, INJ IGN MDL, and TURBO Fuses
G103, G104, G105, G106, G304
Figure 4:

Engine Data Sensors - Oxygen Sensors


Object Number: 1910127  Size: FS
Master Electrical Component List
Electronic Ignition (EI) System Description
Control Module References
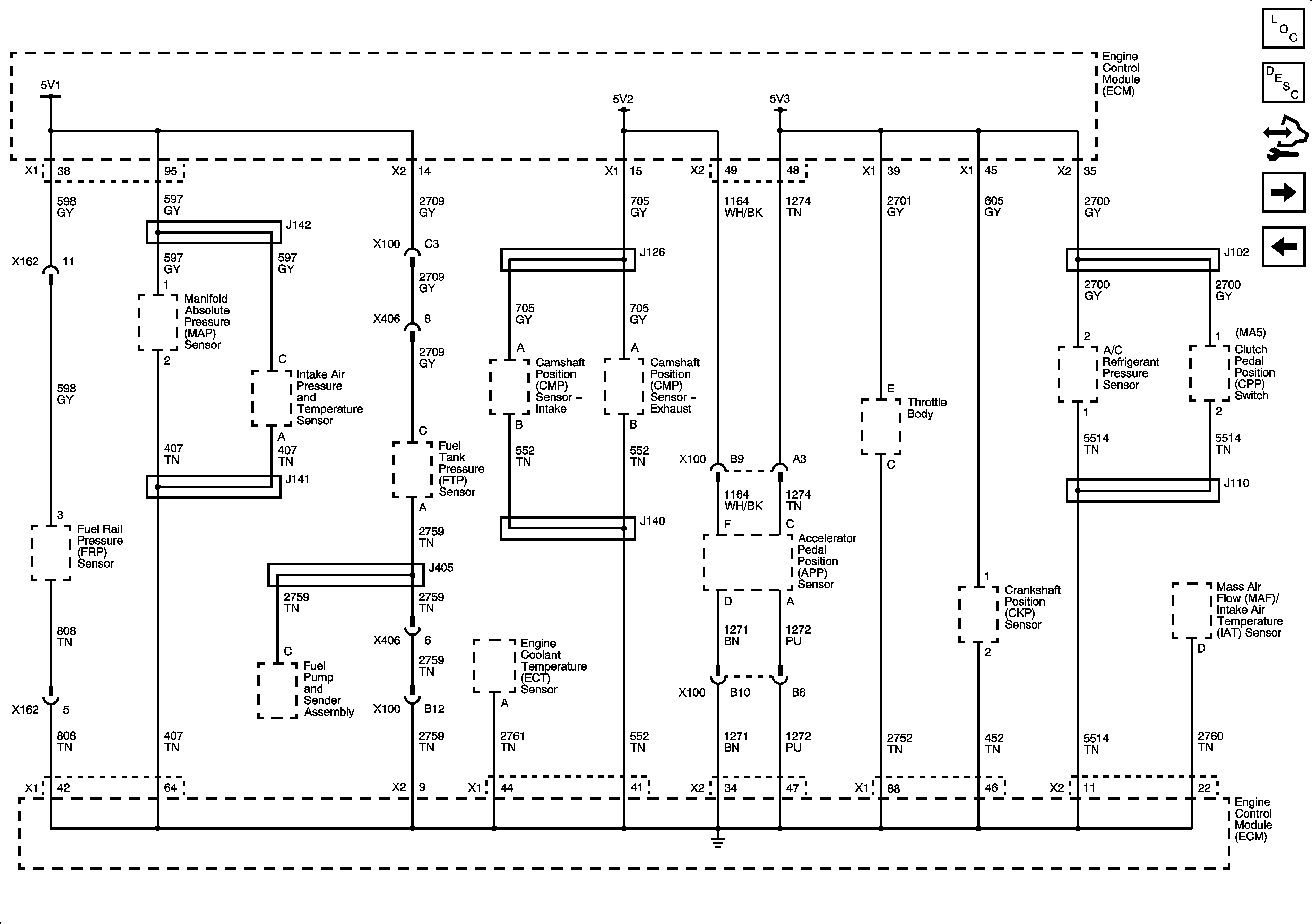
Engine Data Sensors - Electronic Throttle Controls
Engine Data Sensors - Pressure and Temperature
DLC, ECM, EXH, INJ IGN MDL, and TURBO Fuses
DLC, ECM, EXH, INJ IGN MDL, and TURBO Fuses
Engine Data Sensors - Electronic Throttle Controls
Engine Data Sensors - Electronic Throttle Controls
Figure 5:

Engine Data Sensors - Electronic Throttle Controls


Object Number: 1910130  Size: FS
Master Electrical Component List
Throttle Actuator Control (TAC) System Description
Control Module References
Ignition Controls - Sensors
Engine Data Sensors - Oxygen Sensors
High Speed LAN
Figure 6:

Ignition Controls - Sensors


Object Number: 1910132  Size: FS
Master Electrical Component List
Camshaft Actuator System Description
Control Module References
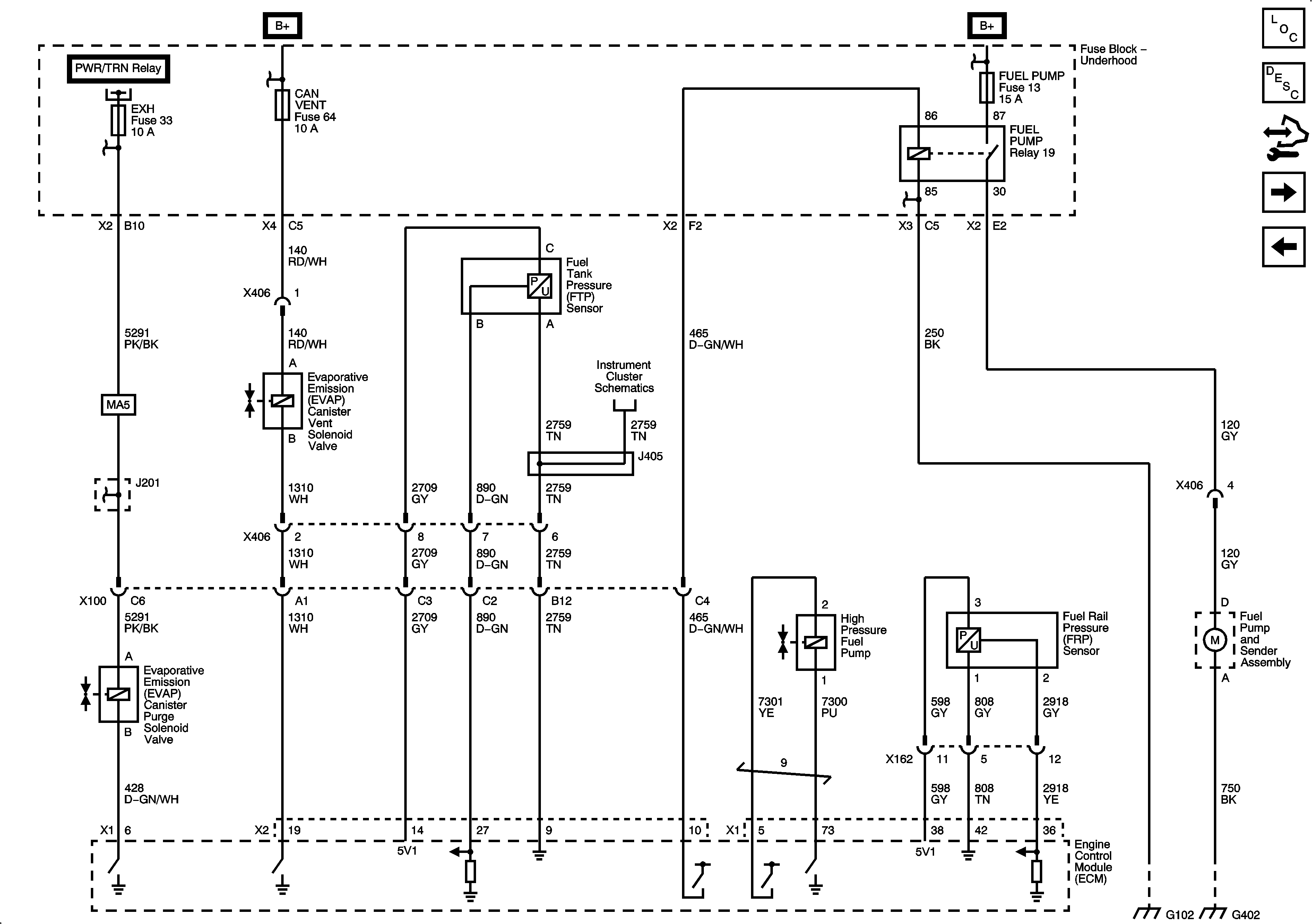
Fuel Controls - Fuel Pump Controls and Fuel Injectors
Engine Data Sensors - Electronic Throttle Controls
Fuel Controls - Fuel Pump Controls and Fuel Injectors
Fuel Controls - Fuel Pump Controls and Fuel Injectors
DLC, ECM, EXH, INJ IGN MDL, and TURBO Fuses
DLC, ECM, EXH, INJ IGN MDL, and TURBO Fuses
Compressor Controls
Compressor Controls
Figure 7:

Fuel Controls - Fuel Pump Controls and Fuel Injectors


Object Number: 1910140  Size: FS
Master Electrical Component List
Fuel System Description
Control Module References
Ignition Controls - Ignition System
Ignition Controls - Sensors
ECM/TRANS, I/P/ IGN, OUTLET/LTR, AIRBAG, EPS/STR WHL CNTRL, HVAC/IP IGN, WPR, CAN VENT, BCK/UP LAMP, and ABS Fuses
G301, G302, G303, G400, G402
G103, G104, G105, G106, G304
Ignition Controls - Sensors
Ignition Controls - Sensors
Ignition Controls - Sensors
Ignition Controls - Sensors
Ignition Controls - Sensors
Figure 8:

Ignition Controls - Ignition System


Object Number: 1910144  Size: FS
Master Electrical Component List
Electronic Ignition (EI) System Description
Control Module References
Fuel Controls - EVAP Controls
Fuel Controls - Fuel Pump Controls and Fuel Injectors
DLC, ECM, EXH, INJ IGN MDL, and TURBO Fuses
DLC, ECM, EXH, INJ IGN MDL, and TURBO Fuses
G103, G104, G105, G106, G304
Figure 9:

Fuel Controls - EVAP Controls


Object Number: 1910148  Size: FS
Master Electrical Component List
Evaporative Emission Control System Description
Control Module References
Controlled/Monitored Subsystem References
Ignition Controls - Ignition System
DLC, ECM, EXH, INJ IGN MDL, and TURBO Fuses
ECM/TRANS, I/P/ IGN, OUTLET/LTR, AIRBAG, EPS/STR WHL CNTRL, HVAC/IP IGN, WPR, CAN VENT, BCK/UP LAMP, and ABS Fuses
DLC, ECM, EXH, INJ IGN MDL, and TURBO Fuses
Fuel Controls - Fuel Pump Controls and Fuel Injectors
Figure 10:

Controlled/Monitored Subsystem References


Object Number: 1910150  Size: FS
Master Electrical Component List
Engine Control Module Description
Control Module References
Fuel Controls - EVAP Controls
Backup Lamp and Stop Lamps
Sensors and Switches
Cruise Control Schematics
Hydraulic Brakes Schematics
Manual Transmission Schematics
Compressor Controls
Engine Cooling Schematics
Starting and Charging Schematics