GM Service Manual Online
For 1990-2009 cars only
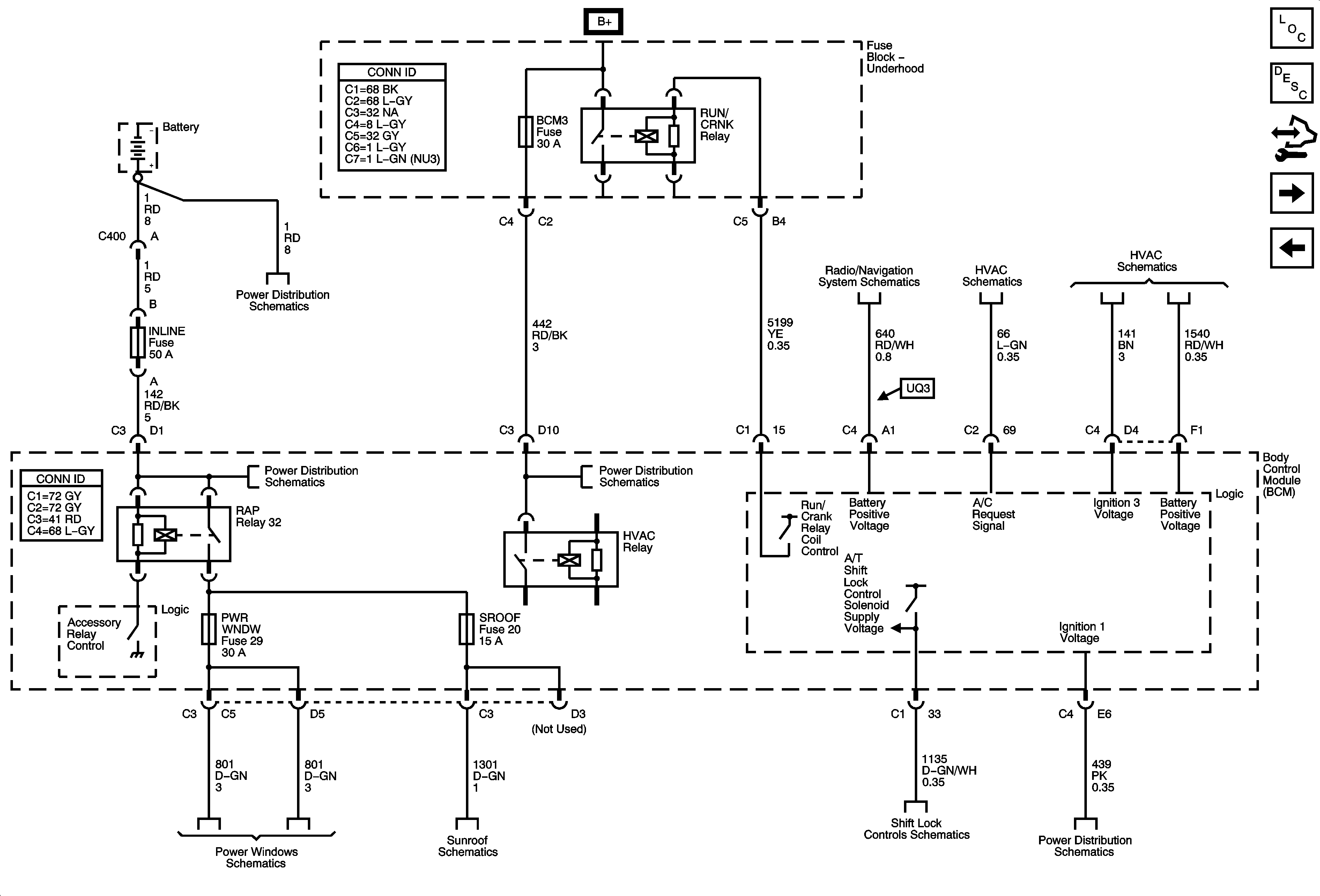
Figure 1:

Power, Ground, Communication, Controlled/Monitored Subsystem References (1 of 5)


Object Number: 1785234  Size: FS
Master Electrical Component List
Body Control System Description and Operation
Control Module References
References (2 of 5)
Body Control Module - AUDIO AMPLIFIER Fuse, BCM2 Fuse, CLUSTER Fuse, IGN SW Fuse, STOP LPS Fuse
Body Control Module - AUDIO AMPLIFIER Fuse, BCM2 Fuse, CLUSTER Fuse, IGN SW Fuse, STOP LPS Fuse
BCM Fuses - DR LCK, ECM/TCM, INT LIGHT, PWR WNDW, RDO, SDM, S ROOF
High Speed GMLAN
Power, Ground, Low Speed GMLAN
Power, Ground, Indicators, Pretensioners, Front Modules
Body Control Module - AUDIO AMPLIFIER Fuse, BCM2 Fuse, CLUSTER Fuse, IGN SW Fuse, STOP LPS Fuse
Charging
Passenger Presence System
Power, Ground, MIL
Starting
G201 (2 of 2)
G401
Figure 2:

Controlled/Monitored Subsystem References (2 of 5)


Object Number: 1785245  Size: FS
Master Electrical Component List
Body Control System Description and Operation
Control Module References
References (3 of 5)
Power, Ground, Communication, References (1 of 5)
B+ Bussing, Underhood Fuse Block B+ Bus
Amplifier, Speakers
Compressor Controls
Power, Ground, Blower Motor
BCM Fuses - DR LCK, ECM/TCM, INT LIGHT, PWR WNDW, RDO, SDM, S ROOF
Body Control Module - AUDIO AMPLIFIER Fuse, BCM2 Fuse, CLUSTER Fuse, IGN SW Fuse, STOP LPS Fuse
Coupe
Sunroof Schematic
Shift Lock Control Schematic
Underhood Fuse Block IP IGN Fuse, Body Control Module Fuses - AIRBAG, EPS/STR WHL CNTRL, HVAC/IP IGN, WPR
Figure 3:

Controlled/Monitored Subsystem References (3 of 5)


Object Number: 1785320  Size: FS
Master Electrical Component List
Body Control System Description and Operation
Control Module References
References (4 of 5)
References (2 of 5)
Power, Ground, MIL, Communication
Power, Ground, MIL, Communication
Power, Ground, MIL, Communication
G301 (1 of 2)
Sensors, Indicators
Power, Ground, MIL
Headlights/DRL Schematics
Park Brake Switch, Brake Warning
Power, Ground, Blower Motor
Power, Ground, Communication, Cruise Switches
Power Steering Schematic
Door Switches
Door Latches
Inputs
Figure 4:

Controlled/Monitored Subsystem References (4 of 5)


Object Number: 1785331  Size: FS
Master Electrical Component List
Body Control System Description and Operation
Control Module References
References (5 of 5)
References (3 of 5)
Fog Lamps Schematic
Inputs
Park Lamps
Dimmer Switch Inputs
Outputs
Dimmer Switch Inputs
I/P and Seat Lighting
Door and Seat Lighting
Headlights/DRL Schematics
Stop Lamps
Stop Lamps
Figure 5:

Controlled/Monitored Subsystem References (5 of 5)


Object Number: 1785339  Size: FS
Master Electrical Component List
Body Control System Description and Operation
Control Module References
References (4 of 5)
Vehicle Theft Deterrent
Radio (UQ4)
Keyless Entry
Defogger Schematics
Horns Schematic
Wiper/Washer System Schematic
Rear Compartment Lid Release
Outputs
Headlights/DRL Schematics