GM Service Manual Online
For 1990-2009 cars only
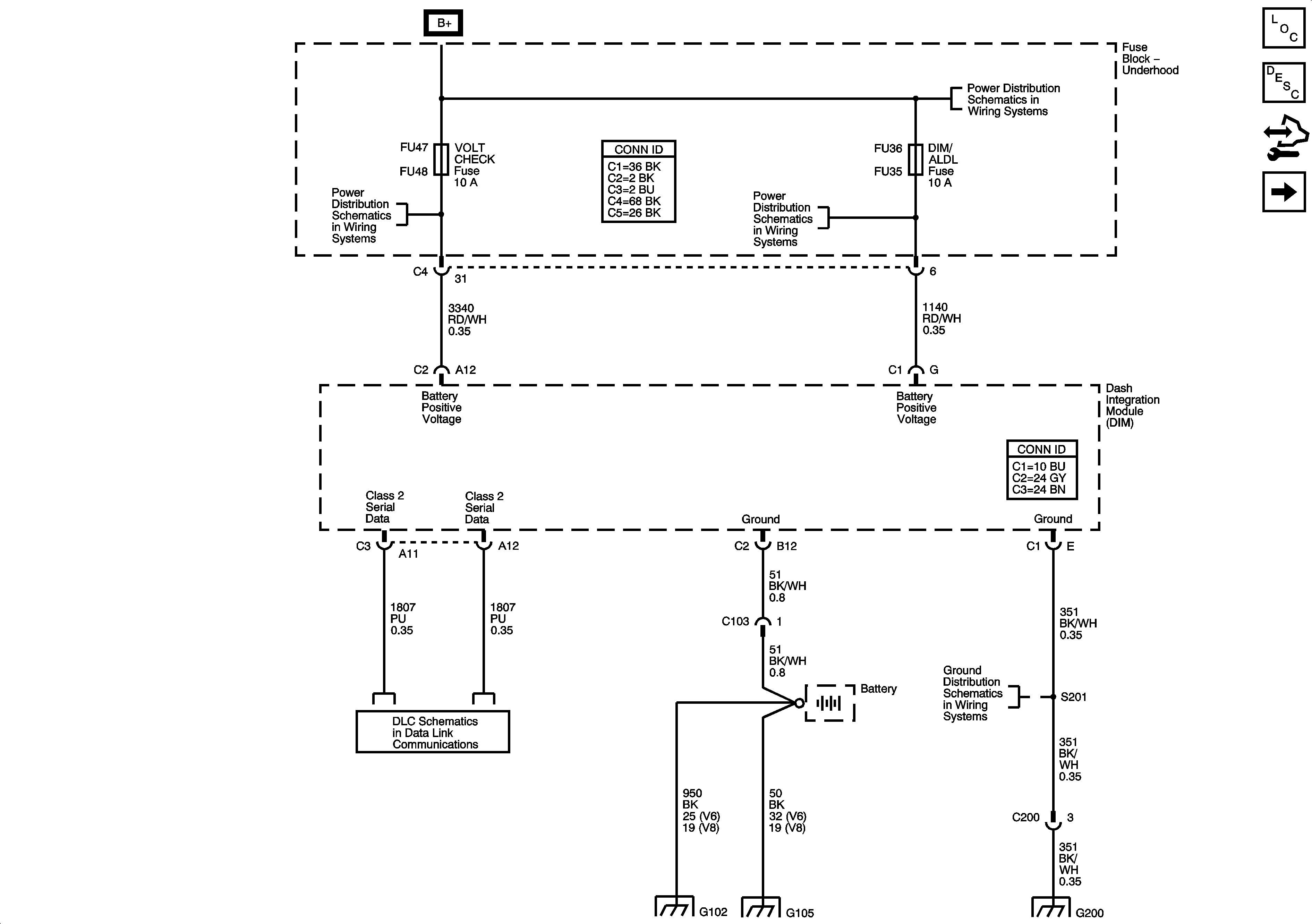
Figure 1:

Dash Integration Module (DIM) Power, Ground and Serial Data


Object Number: 1471053  Size: FS
Master Electrical Component List
Body Control System Description and Operation
Control Module References
Ignition Switch
Underhood Fuse Block B+ Bus - 1 of 2
Underhood Fuse Block Headlamp Relays/Fuses, ACCESSORY Relay, I/P OUTLET, OUTLET, WPR MOD, WPR SW and ELEC PRNDL Fuses
Underhood Fuse Block DIM/ALDL, VOLT CHECK, FLASHER, CCP, EGM/TCM and ABS Fuses
Underhood Fuse Block DIM/ALDL, VOLT CHECK, FLASHER, CCP, EGM/TCM and ABS Fuses
Class 2 Serial Data Bus - LHD - 2 of 2
G200
G102, G105, G110, G303, G304 and G306
G102, G105, G110, G303, G304 and G306
G200
Figure 2:

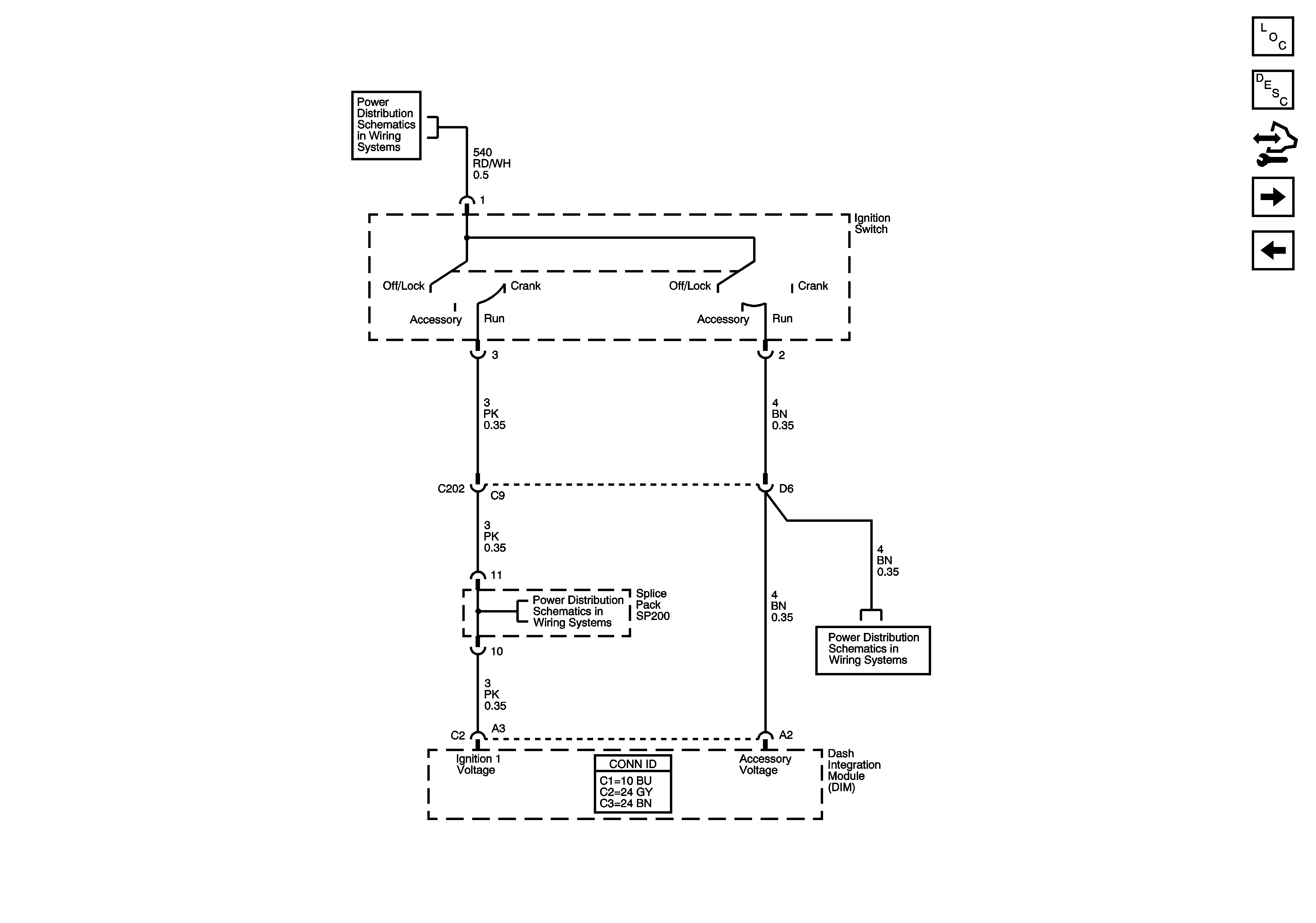
Ignition Switch


Object Number: 1471058  Size: FS
Master Electrical Component List
Body Control System Description and Operation
Control Module References
DIM Inputs and Outputs - 1 of 3
Dash Integration Module (DIM) Power, Ground and Serial Data
Ignition Switch - 1 of 2
Ignition Switch - 2 of 2
Ignition Switch - 2 of 2
Figure 3:

DIM Inputs and Outputs - 1 of 3


Object Number: 1471061  Size: FS
Master Electrical Component List
Body Control System Description and Operation
Control Module References
DIM Inputs and Outputs - 2 of 3
Ignition Switch
Fog Lamps - Front
Power, Ground and Serial Data - 1 of 2
Horns
Power, Ground and Serial Data - 1 of 2
Ignition Lock Cylinder Control Actuator (M82)
Figure 4:

DIM Inputs and Outputs - 2 of 3


Object Number: 1471065  Size: FS
Master Electrical Component List
Body Control System Description and Operation
Control Module References
DIM Inputs and Outputs - 3 of 3
DIM Inputs and Outputs - 1 of 3
Headlamp Controls
Turn Signal/Hazard Flasher Module
Front Marker Lamps (w/TT7) and Front Park Lamps (w/o TT7)
Headlamp Controls
Audible Warnings
Fog Lamps - Front
Figure 5:

DIM Inputs and Outputs - 3 of 3


Object Number: 1471071  Size: FS
Master Electrical Component List
Body Control System Description and Operation
Control Module References
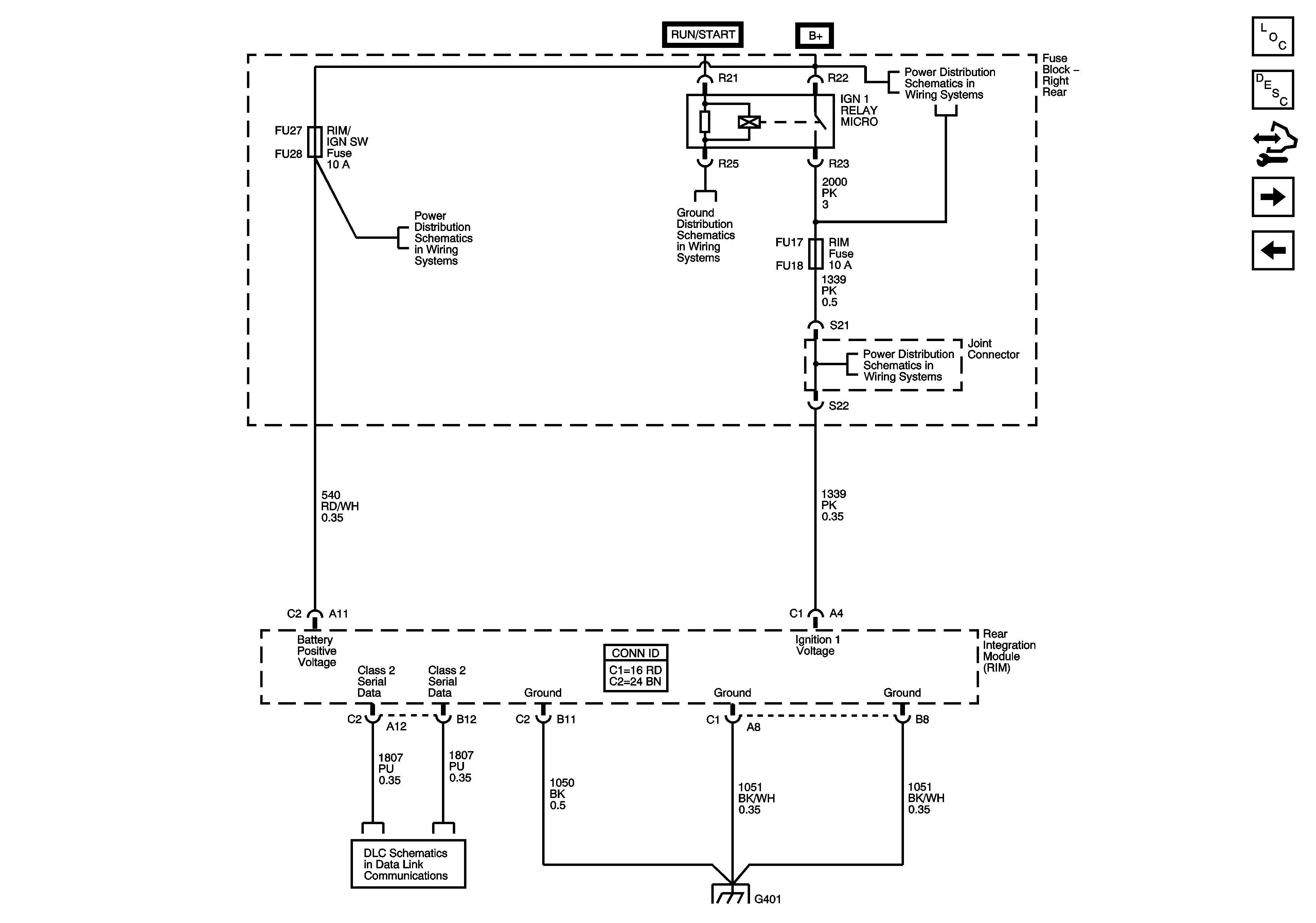
Rear Integration Module (RIM) Power, Ground and Serial Data
DIM Inputs and Outputs - 2 of 3
Turn Signal/Hazard Flasher Module
Backup Lamps
Power, Ground, Windshield Wiper/Washer Switch and Module
Door Modules, Serial Data and Indicator
Fog Lamps - Rear (T79)
Windshield Washer Fluid Pump, Headlamp Washer Fluid Pump Relay (CEV) and Washer Fluid Level Switch
Turn Signal/Hazard Flasher Module
Windshield Washer Fluid Pump, Headlamp Washer Fluid Pump Relay (CEV) and Washer Fluid Level Switch
Power, Ground and Serial Data - 1 of 2
Figure 6:

Rear Integration Module (RIM) Power, Ground and Serial Data


Object Number: 1471073  Size: FS
Master Electrical Component List
Body Control System Description and Operation
Control Module References
RIM Controlled/Monitored Subsystem References - 1 of 2
DIM Inputs and Outputs - 3 of 3
Right Rear Fuse Block B+ Bus
Right Rear Fuse Block DR MOD PWR Circuit Breaker, CANISTER VENT, RIM/IGN SW, R FRT HTD SEAT MOD, and POWER SOUNDER Fuses
G401
Right Rear Fuse Block IGN1 Relay, AIRBAG, RIM, ABS, PSGR DR MOD and TV/VICS Fuses
Class 2 Serial Data Bus - LHD - 2 of 2
G401
Figure 7:

RIM Inputs and Outputs - 1 of 2


Object Number: 1471075  Size: FS
Master Electrical Component List
Body Control System Description and Operation
Control Module References
RIM Controlled/Monitored Subsystem References - 2 of 2
Rear Integration Module (RIM) Power, Ground and Serial Data
Heated Seat - Driver (KA1)
Heated Seat - Passenger (KA1)
Courtesy Lamps
Backup Lamps
Heated Seat - Passenger (KA1)
Heated Seat - Driver (KA1)
Early Production
Compartment LId Release System
Retained Accessory Power (RAP)
Figure 8:

RIM Inputs and Outputs - 2 of 2


Object Number: 1471076  Size: FS
Master Electrical Component List
Body Control System Description and Operation
Control Module References
RIM Controlled/Monitored Subsystem References - 1 of 2
BPP Sensor, Switches and Indicators - 2.8L/3.6L (LP1/LY7)
Manual Transmission (M12)
Theft Deterrent Alarm, Intrusion Sensor and Inclinatio Sensor - Export (w/UA2)
BPP Sensor, Switches and Indicators - 2.8L/3.6L (LP1/LY7)
Position Lamp Controls - Export (T79)
Fog Lamps - Rear (T79)
Theft Deterrent Alarm, Intrusion Sensor and Inclinatio Sensor - Export (w/UA2)
Shift Lock Control
Rear Window Defogger