GM Service Manual Online
For 1990-2009 cars only
Figure 1:

IPM Power, Grounds and DLC


Object Number: 1823229  Size: FS
Master Electrical Component List
Body Control System Description and Operation
Control Module References
IPM Input and Outputs 1 of 3
Fuse Block Underhood Wiring Bussing
Fuse Block - Underhood Fuses/Relays: IPM/ALDL, Auto Headlamp Dimming, CCP, ECM/TCM, WPR MOD, WPR SW/VICS and Rain Sensor/HDLP Wash Fuses; ACC Relay
Fuse Block - Underhood Fuses: LT PARK Fuse, License/Dimming Fuse
Fuse Block Underhood Wiring Bussing
GM LAN - High Speed, Domestic w/ UE1
GM LAN - Low Speed 2 of 2
G201 (2 of 2)
G201 (2 of 2)
G101
Figure 2:

IPM Inputs and Outputs 1 of 3


Object Number: 1823231  Size: FS
Master Electrical Component List
Body Control System Description and Operation
Control Module References
IPM Input and Outputs 2 of 3
IPM Power, Grounds and DLC
TCM Power, Grounds, and DLC (LY7/LH2)
Automatic Transmission Shift Lock Control Schematics
Tilt/Telescoping Steering Column Schematics
Column Lock Schematics
Indicator and Traction Control
Ignition Mode Switch
Power, Grounds and Wiper Switch
Cruise Control Switch, Steering Wheel Controls
Charging System
Figure 3:

IPM Inputs and Outputs 2 of 3


Object Number: 1823233  Size: FS
Master Electrical Component List
Body Control System Description and Operation
Control Module References
IPM Input and Outputs 3 of 3
IPM Input and Outputs 1 of 3
Radio Antennas, Audio/Video Adapter
Power, DLC, and DIC/Dimmer Switch
Power, DLC, and DIC/Dimmer Switch
Headlamp Switch, Ambient Light Sensor, DLC
Front Fog Lamps
Headlamp Switch, Ambient Light Sensor, DLC
Automatic Transmission Shift Lock Control Schematics
Headlamp Switch, Ambient Light Sensor, DLC
Park Lamp Relay, Switch and Instrument Cluster - Domestic
Park Lamp Relay, Switch and Instrument Cluster - Domestic
Front Turn Signal Switch Signals, Brake Pedal Position Sensor - Domestic and Export
Backup Lamps, CHMSL - Domestic and Export
Headlamp Switch, Ambient Light Sensor, DLC
Front Door Puddle Lamps, DIC/Dimmer Switch
Power, Grounds and Wiper Switch
Front Fog Lamps
Figure 4:

IPM Inputs and Outputs 3 of 3


Object Number: 1823235  Size: FS
Master Electrical Component List
Body Control System Description and Operation
Control Module References
RIM Power, Grounds and DLC
IPM Input and Outputs 2 of 3
Brake Warning System Schematics
Front Door Puddle Lamps, DIC/Dimmer Switch
Automatic Headlamp Dimming Signals
Front Fog Lamps
Rain Sensor (CEI), Windshield Washer Pump and Headlamp Washer Pump w/ TT6/TT7/TT8
Power, Ground, Headlamps w/ TT7/TT8 and w/o TT7 and TT8
Power Modes
G201 (1 of 2)
Rain Sensor (CEI), Windshield Washer Pump and Headlamp Washer Pump w/ TT6/TT7/TT8
Front Door Puddle Lamps, DIC/Dimmer Switch
Release System Schematics
Horn Schematics
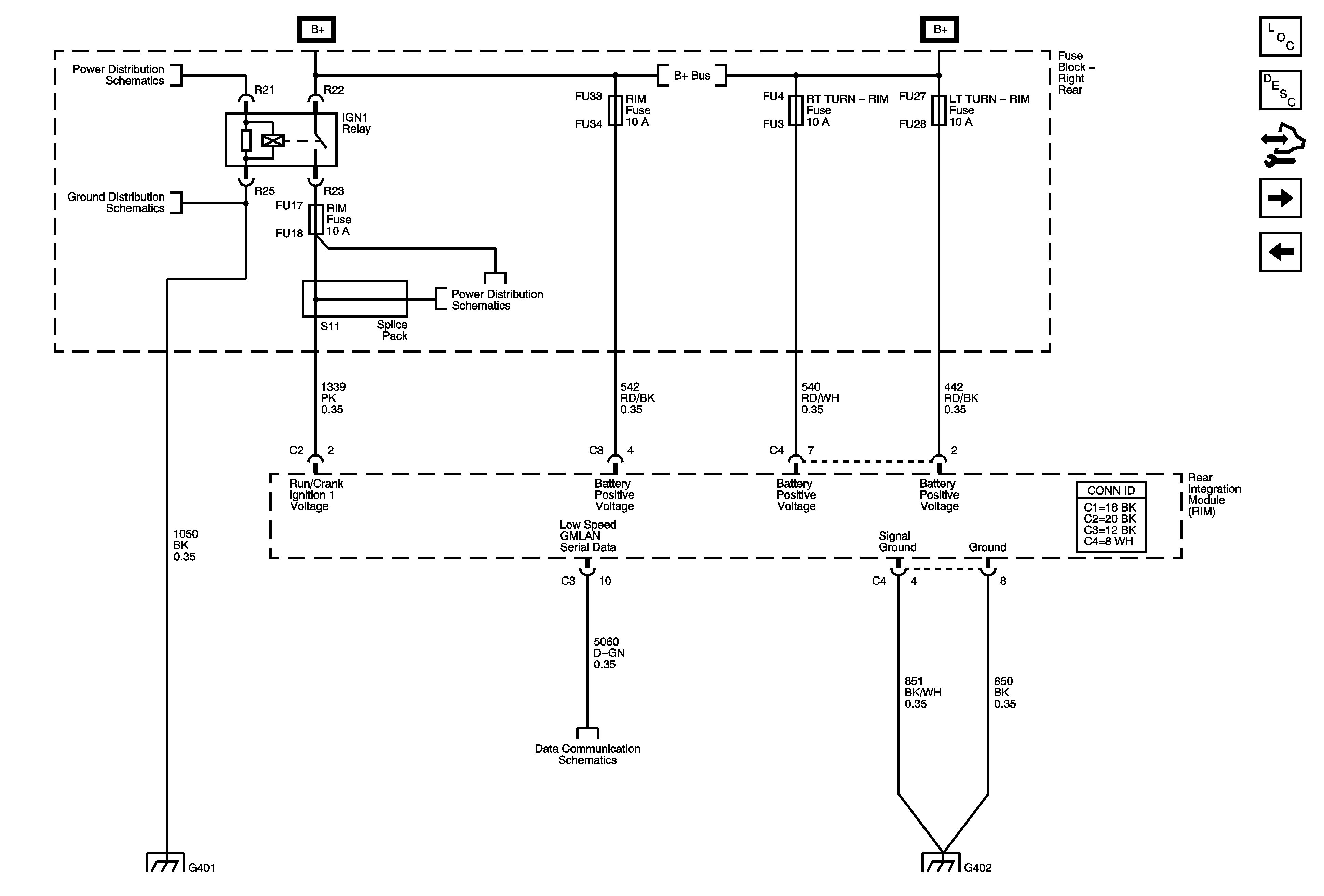
Figure 5:

RIM Power, Grounds and DLC


Object Number: 1823237  Size: FS
Master Electrical Component List
Body Control System Description and Operation
Control Module References
RIM Inputs and Outputs
IPM Input and Outputs 3 of 3
Ignition Mode Switch
G401 (1 of 2)
Fuse Block - Right Rear - Lt Turn Signal, RIM 1, Rear Fog Lamp, Ft Pass Door Module, Htd Stg Clm, IGN 1, RIM 2 and Airbag Fuses, Rear Fog Lamp and Ign 1 Relays
Fuse Block - Right Rear Bussing
G401 (1 of 2)
GM LAN - Low Speed 1 of 2
G402 (2 of 2)
Figure 6:

RIM Inputs and Outputs


Object Number: 1823240  Size: FS
Master Electrical Component List
Body Control System Description and Operation
Control Module References
RIM Power, Grounds and DLC
07 STS Theft Deterrent - Content Theft Deterrent (CTD) System
Wiper Inhibit System (Export, STS-V)
Wiper Inhibit System (Export, STS-V)
Defogger Schematics
Rear Fog Lamps - Export
Object Detection Schematics
Keyless Entry Module Power, Grounds, Antennas, and Switches
Power Sunroof Schematics
Backup Lamps, CHMSL - Domestic and Export
Front Park Lamps, Rear Turn Signal Switch Signal, LT, RT Position and Standing Lamp Relay - Export
Courtesy Lamps
Vanity Mirror and Rear Compartment Lamps
Tail Lamps - Export
Tail Lamps - Domestic
Front Turn Signal and Repeater Lamps, Hazard Switch - Domestic and Export
Front Turn Signal and Repeater Lamps, Hazard Switch - Domestic and Export
Front Turn Signal and Repeater Lamps, Hazard Switch - Domestic and Export
Tail Lamps - Export
Tail Lamps - Domestic
Front Turn Signal and Repeater Lamps, Hazard Switch - Domestic and Export