GM Service Manual Online
For 1990-2009 cars only
Figure 1:

Power, Ground, DLC and MIL


Object Number: 586329  Size: FS
Engine Controls Components
Ignition Coil/Module Cylinders 1 and 3
OBD II Symbol Description Notice
Handling ESD Sensitive Parts Notice
Handling ESD Sensitive Parts Notice
Handling ESD Sensitive Parts Notice
Power Distribution Schematics
Power Distribution Schematics
Power Distribution Schematics
Power Distribution Schematics
Ground Distribution Schematics
Ground Distribution Schematics
Ground Distribution Schematics
Data Link Connector Schematics
Data Link Connector Schematics
Figure 2:

Ignition Coil/Module Cylinders 1 and 3


Object Number: 586350  Size: FS
Engine Controls Components
Ignition Coil/Module Cylinders 5 and 7
Power, Ground, DLC and MIL
OBD II Symbol Description Notice
Handling ESD Sensitive Parts Notice
Power Distribution Schematics
Power Distribution Schematics
Ground Distribution Schematics
Figure 3:

Ignition Coil/Module Cylinders 5 and 7


Object Number: 586360  Size: FS
Engine Controls Components
Ignition Coil/Module Cylinders 2 and 4
Ignition Coil/Module Cylinders 1 and 3
OBD II Symbol Description Notice
Handling ESD Sensitive Parts Notice
Power Distribution Schematics
Power Distribution Schematics
Ground Distribution Schematics
Figure 4:

Ignition Coil/Module Cylinders 2 and 4


Object Number: 586363  Size: FS
Engine Controls Components
Ignition Coil/Module Cylinders 6 and 8
Ignition Coil/Module Cylinders 5 and 7
OBD II Symbol Description Notice
Handling ESD Sensitive Parts Notice
Power Distribution Schematics
Power Distribution Schematics
Ground Distribution Schematics
Figure 5:

Ignition Coil/Module Cylinders 6 and 8


Object Number: 586368  Size: FS
Engine Controls Components
CKP, CMP, KS and Traction Control System
Ignition Coil/Module Cylinders 2 and 4
OBD II Symbol Description Notice
Handling ESD Sensitive Parts Notice
Power Distribution Schematics
Power Distribution Schematics
Ground Distribution Schematics
Figure 6:

CKP, CMP, KS and Traction Control System


Object Number: 586370  Size: FS
Engine Controls Components
Fuel Pump, Fuel Level Sensors and Fuel Tank Pressure Sensor
Ignition Coil/Module Cylinders 6 and 8
OBD II Symbol Description Notice
Handling ESD Sensitive Parts Notice
Handling ESD Sensitive Parts Notice
Figure 7:

Fuel Pump, Fuel Level Sensors and Fuel Tank Pressure Sensor


Object Number: 586372  Size: FS
Engine Controls Components
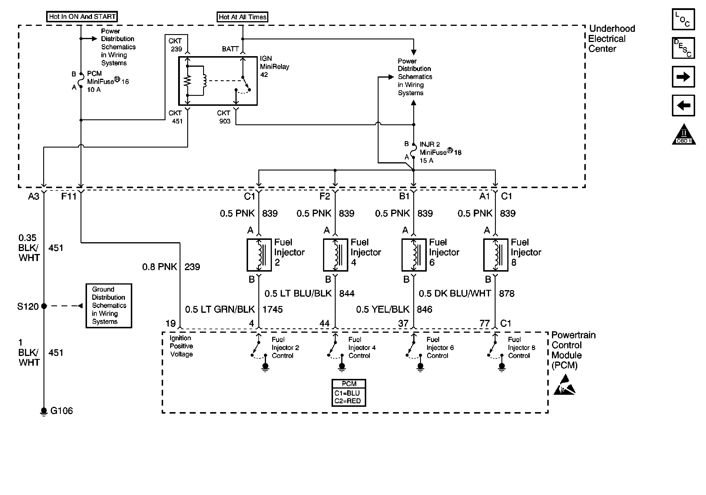
Fuel Injectors 2, 4, 6 and 8
CKP, CMP, KS and Traction Control System
OBD II Symbol Description Notice
Power Distribution Schematics
Ground Distribution Schematics
Ground Distribution Schematics
Handling ESD Sensitive Parts Notice
Figure 8:

Fuel Injectors 2, 4, 6 and 8


Object Number: 586379  Size: FS
Engine Controls Components
Fuel Injectors 1, 3, 5 and 7
Fuel Pump, Fuel Level Sensors and Fuel Tank Pressure Sensor
OBD II Symbol Description Notice
Power Distribution Schematics
Power Distribution Schematics
Ground Distribution Schematics
Handling ESD Sensitive Parts Notice
Figure 9:

Fuel Injectors 1, 3, 5 and 7


Object Number: 586383  Size: FS
Engine Controls Components
Cruise Control Switch
Fuel Injectors 2, 4, 6 and 8
OBD II Symbol Description Notice
Power Distribution Schematics
Power Distribution Schematics
Ground Distribution Schematics
Handling ESD Sensitive Parts Notice
Figure 10:

Cruise Control Switch


Object Number: 586386  Size: FS
Engine Controls Components
Stop Lamp Switch
Fuel Injectors 1, 3, 5 and 7
OBD II Symbol Description Notice
Power Distribution Schematics
Handling ESD Sensitive Parts Notice
Handling ESD Sensitive Parts Notice
Figure 11:

Stop Lamp Switch


Object Number: 586390  Size: FS
Engine Controls Components
TP and APP Sensors
Cruise Control Switch
OBD II Symbol Description Notice
Handling ESD Sensitive Parts Notice
Handling ESD Sensitive Parts Notice
Power Distribution Schematics
Power Distribution Schematics
Power Distribution Schematics
Ground Distribution Schematics
Exterior Lights Schematics
Exterior Lights Schematics
Figure 12:

TP and APP Sensors


Object Number: 586428  Size: FS
Engine Controls Components
Engine Data Sensors
Stop Lamp Switch
OBD II Symbol Description Notice
Handling ESD Sensitive Parts Notice
Handling ESD Sensitive Parts Notice
Figure 13:

Engine Data Sensors


Object Number: 586435  Size: FS
Engine Controls Components
Heated Oxygen Sensors (HO2S)
TP and APP Sensors
OBD II Symbol Description Notice
Handling ESD Sensitive Parts Notice
Handling ESD Sensitive Parts Notice
Figure 14:

Heated Oxygen Sensors (HO2S)


Object Number: 586440  Size: FS
Engine Controls Components
EVAP and AIR
Engine Data Sensors
OBD II Symbol Description Notice
Power Distribution Schematics
Ground Distribution Schematics
Figure 15:

EVAP and AIR


Object Number: 586446  Size: FS
Engine Controls Components
Evaporative Emissions Vent Valve Solenoid
Heated Oxygen Sensors (HO2S)
OBD II Symbol Description Notice
Handling ESD Sensitive Parts Notice
Power Distribution Schematics
Power Distribution Schematics
Power Distribution Schematics
Power Distribution Schematics
Ground Distribution Schematics
Ground Distribution Schematics
Evaporative Emissions Vent Valve Solenoid
Figure 16:

Evaporative Emissions Vent Valve Solenoid


Object Number: 586451  Size: FS
Engine Controls Components
Manual Transmission Controls
EVAP and AIR
OBD II Symbol Description Notice
Handling ESD Sensitive Parts Notice
EVAP and AIR
Figure 17:

Manual Transmission Controls


Object Number: 586453  Size: FS
Engine Controls Components
1 to 4 Lamp Control and TFT Sensor (Manual Transmission(Europe))
Evaporative Emissions Vent Valve Solenoid
OBD II Symbol Description Notice
Handling ESD Sensitive Parts Notice
Power Distribution Schematics
Power Distribution Schematics
Ground Distribution Schematics
Figure 18:

1 to 4 Lamp Control and TFT Sensor (Manual Transmission(Europe))


Object Number: 586457  Size: FS
Engine Controls Components
TCC Switch and Extended Brake Travel Switch
Manual Transmission Controls
OBD II Symbol Description Notice
Handling ESD Sensitive Parts Notice
Handling ESD Sensitive Parts Notice
Figure 19:

TCC Switch and Extended Brake Travel Switch


Object Number: 586462  Size: FS
Engine Controls Components
Automatic Transmission Controls
1 to 4 Lamp Control and TFT Sensor (Manual Transmission(Europe))
OBD II Symbol Description Notice
Handling ESD Sensitive Parts Notice
Power Distribution Schematics
Power Distribution Schematics
Ground Distribution Schematics
Automatic Transmission Controls
Figure 20:

Automatic Transmission Controls


Object Number: 586466  Size: FS
Engine Controls Components
Automatic Transmission Controls and VSS Output
TCC Switch and Extended Brake Travel Switch
OBD II Symbol Description Notice
Handling ESD Sensitive Parts Notice
TCC Switch and Extended Brake Travel Switch
Figure 21:

Automatic Transmission Controls and VSS Output


Object Number: 586471  Size: FS
Engine Controls Components
Park Neutral Position and Backup Switch
Automatic Transmission Controls
OBD II Symbol Description Notice
Handling ESD Sensitive Parts Notice
Handling ESD Sensitive Parts Notice
Handling ESD Sensitive Parts Notice
Handling ESD Sensitive Parts Notice
Figure 22:

Park Neutral Position and Backup Switch


Object Number: 586474  Size: FS
Engine Controls Components
Miscellaneous
Automatic Transmission Controls and VSS Output
OBD II Symbol Description Notice
Handling ESD Sensitive Parts Notice
Power Distribution Schematics
Ground Distribution Schematics
Starting and Charging Schematics
Shift Lock Control Schematics
Backup Lamp Schematics
Figure 23:

Miscellaneous


Object Number: 586477  Size: FS
Engine Controls Components
A/C Compressor Controls
Park Neutral Position and Backup Switch
OBD II Symbol Description Notice
Handling ESD Sensitive Parts Notice
Handling ESD Sensitive Parts Notice
Power Distribution Schematics
Ground Distribution Schematics
Ground Distribution Schematics
Figure 24:

A/C Compressor Controls


Object Number: 586481  Size: FS
Engine Controls Components
Engine Cooling Fans
Miscellaneous
OBD II Symbol Description Notice
Handling ESD Sensitive Parts Notice
Power Distribution Schematics
Power Distribution Schematics
Ground Distribution Schematics
Ground Distribution Schematics
Data Link Connector Schematics
Figure 25:

Engine Cooling Fans


Object Number: 586485  Size: FS
Engine Controls Components
A/C Compressor Controls
OBD II Symbol Description Notice
Power Distribution Schematics
Handling ESD Sensitive Parts Notice