GM Service Manual Online
For 1990-2009 cars only

Engine Controls Schematics Non-European Emissions

Figure 1:

Module Power, Ground, Serial Data, Malfunction Indicator Lamp (MIL)


Object Number: 1257037  Size: FS
Master Electrical Component List
Engine Data Sensors - Pressure and Temperature
Underhood Fuse Block - Fuel Pump Relay, FUEL and ECM Fuses
Underhood Fuse Block - Battery Feeds
Underhood Fuse Block - A/C and IP Fuse BATT, I/P Fuse Block - RADIO CRUISE, AUTO HVAC CLSTR, and DLC Fuses
Underhood Fuse Block - A/C and IP Fuse BATT, I/P Fuse Block - RADIO CRUISE, AUTO HVAC CLSTR, and DLC Fuses
Underhood Fuse Block - IGN1 Fuse, Ignition Switch, I/P Fuse Block - LTR, HTD SEAT, CLK, RADIO, AIR BAG, BCK/UP CRUISE, and ECM Fuses
Underhood Fuse Block - Fuel Pump Relay, FUEL and ECM Fuses
G103 (MR-140)
Data Link Connector
Figure 2:

Engine Data Sensors - Pressure and Temperature


Object Number: 1257038  Size: FS
Master Electrical Component List
Engine Data Sensors - Oxygen Sensors
Module Power, Ground, Serial Data, MIL
Vehicle Speed Sensor (VSS) - European Emissions
Figure 3:

Engine Data Sensors - Oxygen Sensors


Object Number: 1257039  Size: FS
Master Electrical Component List
Ignition Controls - Ignition System
Engine Data Sensors - Pressure and Temperature
Engine Data Sensors - Pressure and Temperature
Figure 4:

Ignition Controls - Ignition System


Object Number: 1257293  Size: FS
Master Electrical Component List
Ignition Controls - Sensors
Engine Data Sensors - Oxygen Sensors
Underhood Fuse Block - ENG1, COOL FAN HIGH, and COOL FAN LOW Fuses
Power, Ground, and Gages (2.5L Sirius D6)
Figure 5:

Ignition Controls - Sensors


Object Number: 1461090  Size: FS
Master Electrical Component List
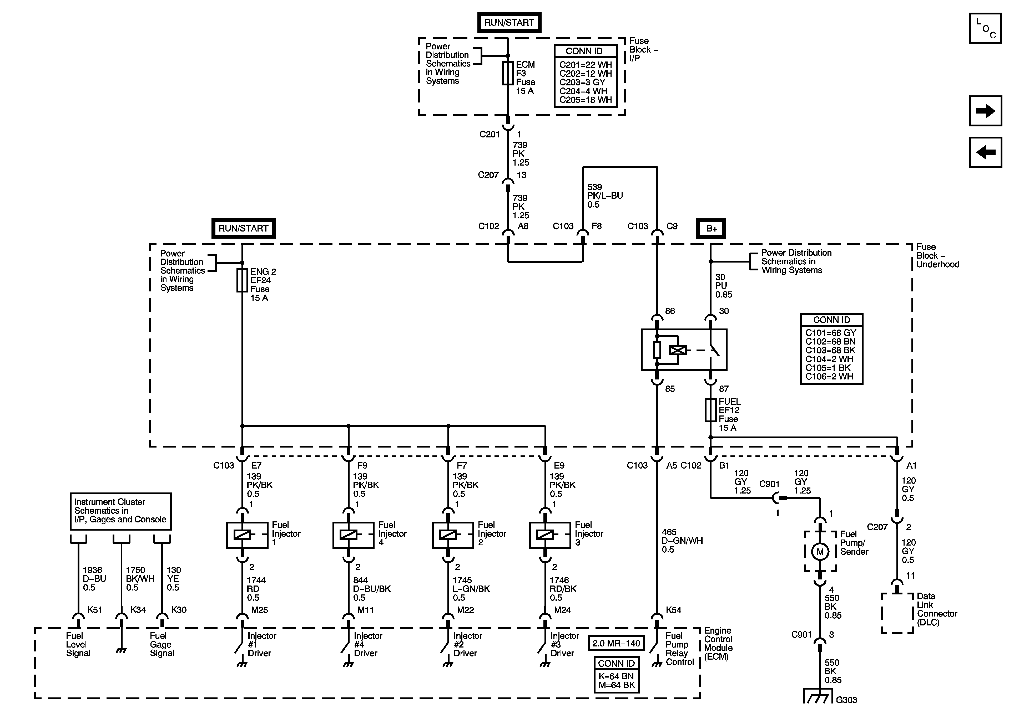
Fuel Controls - Fuel Pump Controls and Fuel Injectors
Ignition Controls - Ignition System
G103 (MR-140)
Engine Data Sensors - Oxygen Sensors
Figure 6:

Fuel Controls - Fuel Pump Controls and Fuel Injectors


Object Number: 1461091  Size: FS
Master Electrical Component List
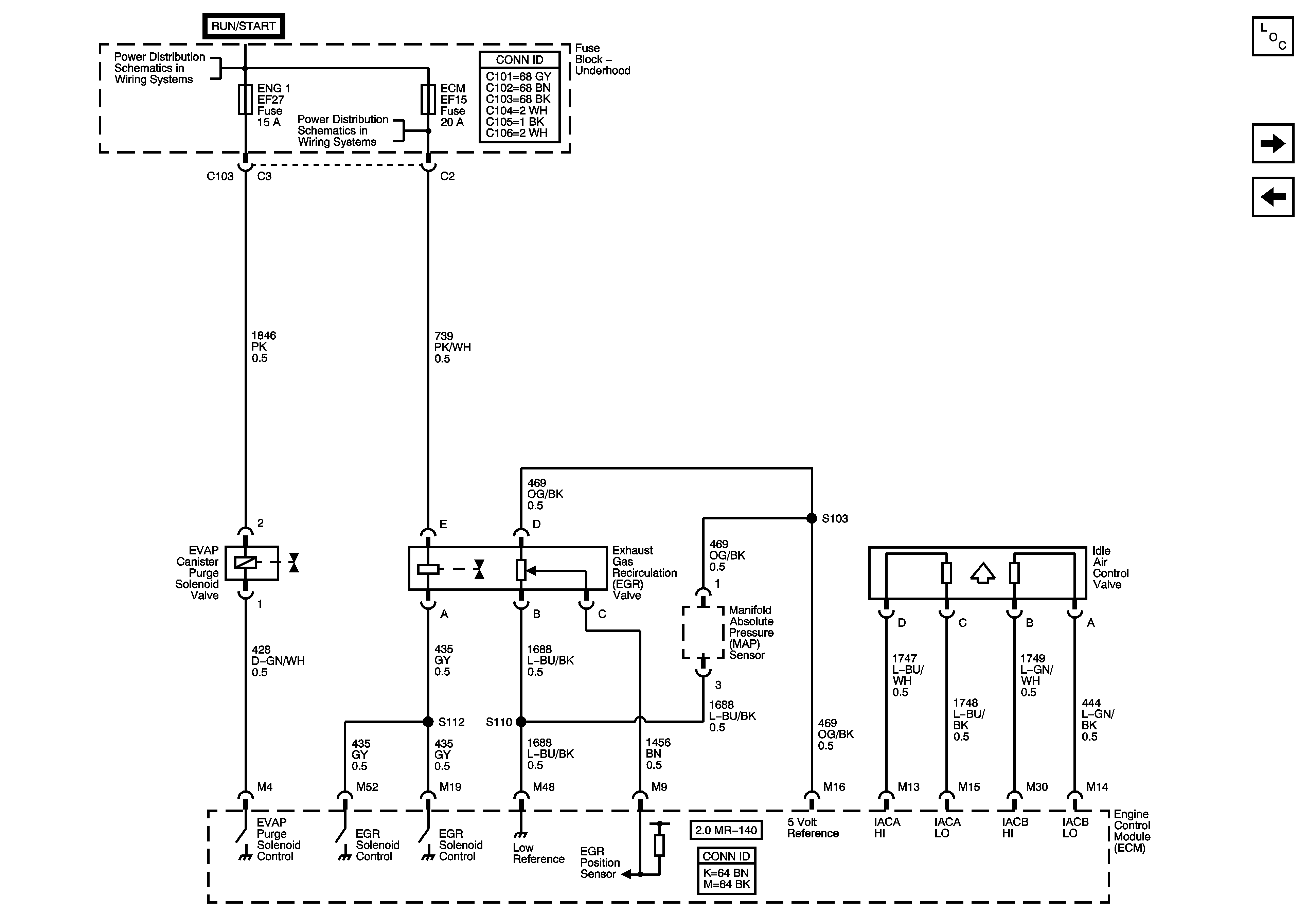
EVAP and Device Controls
Ignition Controls - Sensors
Underhood Fuse Block - IGN1 Fuse, Ignition Switch, I/P Fuse Block - LTR, HTD SEAT, CLK, RADIO, AIR BAG, BCK/UP CRUISE, and ECM Fuses
Underhood Fuse Block (2.0L) - ENG MAIN Relay and ENG2 Fuse
Underhood Fuse Block - Battery Feeds
Figure 7:

EVAP and Device Controls


Object Number: 1461092  Size: FS
Master Electrical Component List
Controlled/Monitored Subsystem References
Fuel Controls - Fuel Pump Controls and Fuel Injectors
Underhood Fuse Block - ENG1, COOL FAN HIGH, and COOL FAN LOW Fuses
Figure 8:

Controlled/Monitored Subsystem References


Object Number: 1508731  Size: FS
Master Electrical Component List
EVAP and Device Controls
Shift and Pressure Control Solenoids
Cooling Fans
Compressor Controls (2.0L MR-140)

Engine Controls Schematics European Emissions

Figure 1:

Module Power Ground, Serial Data, Malfunction Indicator Lamp (MIL)


Object Number: 1376396  Size: FS
Master Electrical Component List
Engine Data Sensors - Pressure and Temperature
Underhood Fuse Block - Fuel Pump Relay, FUEL and ECM Fuses
Underhood Fuse Block - IGN1 Fuse, Ignition Switch, I/P Fuse Block - LTR, HTD SEAT, CLK, RADIO, AIR BAG, BCK/UP CRUISE, and ECM Fuses
Underhood Fuse Block - IGN1 Fuse, Ignition Switch, I/P Fuse Block - LTR, HTD SEAT, CLK, RADIO, AIR BAG, BCK/UP CRUISE, and ECM Fuses
Underhood Fuse Block - A/C and IP Fuse BATT, I/P Fuse Block - RADIO CRUISE, AUTO HVAC CLSTR, and DLC Fuses
Underhood Fuse Block - Fuel Pump Relay, FUEL and ECM Fuses
Underhood Fuse Block - A/C and IP Fuse BATT, I/P Fuse Block - RADIO CRUISE, AUTO HVAC CLSTR, and DLC Fuses
Underhood Fuse Block - IGN1 Fuse, Ignition Switch, I/P Fuse Block - LTR, HTD SEAT, CLK, RADIO, AIR BAG, BCK/UP CRUISE, and ECM Fuses
G103 (MR-140)
G103 (MR-140)
Data Link Connector
Transmission Control Module (TCM) - Engine Control Module (ECM) Communications
Figure 2:

Engine Data Sensors - Pressure and Temperature


Object Number: 1376397  Size: FS
Master Electrical Component List
Engine Data Sensors - Oxygen Sensors
Module Power, Ground, Serial Data, MIL
Vehicle Speed Sensor (VSS) - European Emissions
Figure 3:

Engine Data Sensors - Oxygen Sensors


Object Number: 1376402  Size: FS
Master Electrical Component List
Ignition Controls - Ignition System
Engine Data Sensors - Pressure and Temperature
Underhood Fuse Block - ENG1, COOL FAN HIGH, and COOL FAN LOW Fuses
Figure 4:

Ignition Controls - Ignition System


Object Number: 1376403  Size: FS
Master Electrical Component List
Ignition Controls - Sensors
Engine Data Sensors - Oxygen Sensors
Underhood Fuse Block - IGN1 Fuse, Ignition Switch, I/P Fuse Block - LTR, HTD SEAT, CLK, RADIO, AIR BAG, BCK/UP CRUISE, and ECM Fuses
Power, Ground, and Gages (2.5L Sirius D6)
Underhood Fuse Block - IGN1 Fuse, Ignition Switch, I/P Fuse Block - LTR, HTD SEAT, CLK, RADIO, AIR BAG, BCK/UP CRUISE, and ECM Fuses
Figure 5:

Ignition Controls - Sensors


Object Number: 1376424  Size: FS
Master Electrical Component List
Fuel Controls - Fuel Pump Controls and Fuel Injectors
Ignition Controls - Ignition System
Underhood Fuse Block - ENG1, COOL FAN HIGH, and COOL FAN LOW Fuses
Power, Ground, and Gages (2.0L MR-140)
G103 (MR-140)
Engine Data Sensors - Pressure and Temperature
G103 (MR-140)
G103 (MR-140)
Figure 6:

Fuel Controls - Fuel Pump Controls and Fuel Injectors


Object Number: 1376426  Size: FS
Master Electrical Component List
EVAP and Device Controls
Ignition Controls - Sensors
Underhood Fuse Block - IGN1 Fuse, Ignition Switch, I/P Fuse Block - LTR, HTD SEAT, CLK, RADIO, AIR BAG, BCK/UP CRUISE, and ECM Fuses
Underhood Fuse Block (2.0L) - ENG MAIN Relay and ENG2 Fuse
Underhood Fuse Block - Battery Feeds
Power, Ground, and Gages (2.0L MR-140)
Figure 7:

EVAP and Device Controls


Object Number: 1461086  Size: FS
Master Electrical Component List
Controlled/Monitored Subsystem References
Fuel Controls - Fuel Pump Controls and Fuel Injectors
Underhood Fuse Block - ENG1, COOL FAN HIGH, and COOL FAN LOW Fuses
Underhood Fuse Block - Fuel Pump Relay, FUEL and ECM Fuses
Figure 8:

Controlled/Monitored Subsystem References


Object Number: 1461088  Size: FS
Master Electrical Component List
EVAP and Device Controls
Compressor Controls (2.0L MR-140)
Compressor Controls (2.0L MR-140)
Cooling Fans