GM Service Manual Online
For 1990-2009 cars only
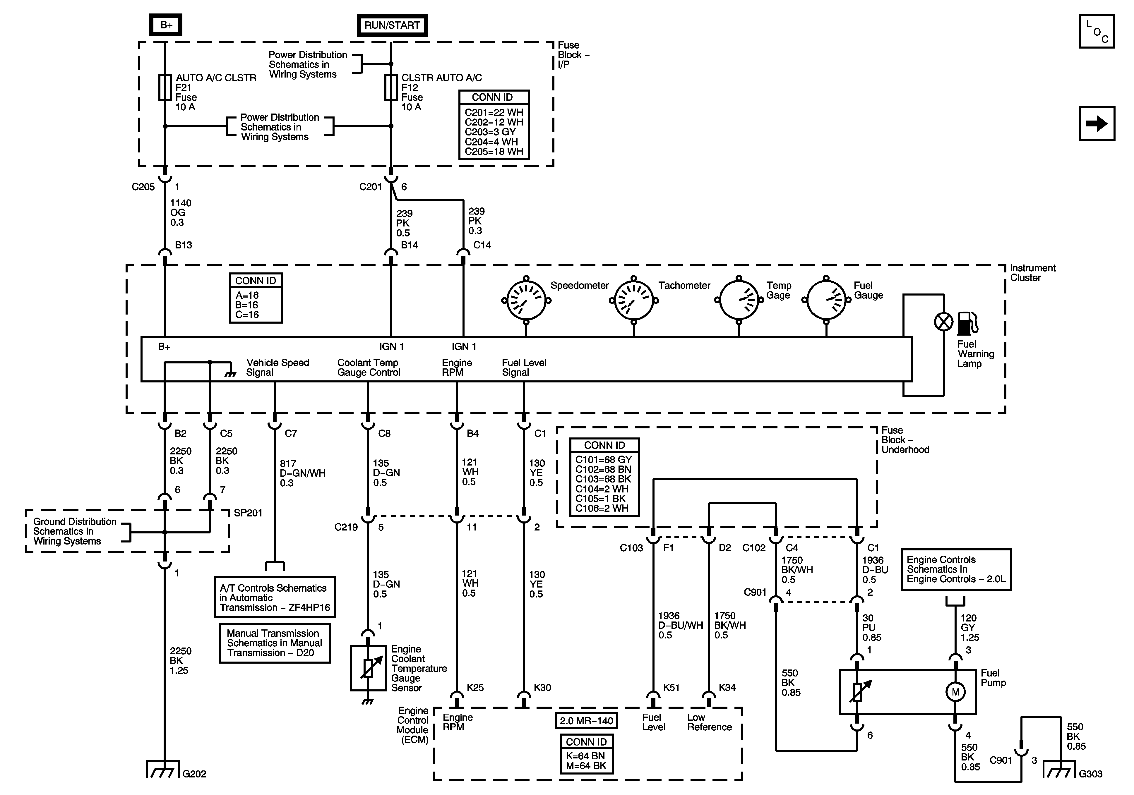
Figure 1:

Power, Ground, and Gages (2.5L Sirius D6)


Object Number: 1257180  Size: FS
Master Electrical Component List
Malfuntion Indicator Lamp (MIL), Speed Sensitive Power Steering (SSPS), and HOLD Warning Lamps, PRNDL Indicator
I/P Fuse Block - WPR, TCM BTSI, BCM ABS, CLSTR AUTO A/C and WSWA Fuses
Underhood Fuse Block - A/C and IP Fuse BATT, I/P Fuse Block - RADIO CRUISE, AUTO HVAC CLSTR, and DLC Fuses
G201, G202
Vehicle Speed Signal
Fuel Controls - Fuel Pump Controls and Fuel Injectors
Figure 2:

Power, Ground, and Gages (2.0L MR-140)


Object Number: 1461122  Size: FS
Master Electrical Component List
Malfuntion Indicator Lamp (MIL), Speed Sensitive Power Steering (SSPS), and HOLD Warning Lamps, PRNDL Indicator
I/P Fuse Block - WPR, TCM BTSI, BCM ABS, CLSTR AUTO A/C and WSWA Fuses
Underhood Fuse Block - A/C and IP Fuse BATT, I/P Fuse Block - RADIO CRUISE, AUTO HVAC CLSTR, and DLC Fuses
G201, G202
Power, Ground, Hold Switch and DLC
Vehicle Speed Sensor (VSS) - European Emissions
Fuel Controls - Fuel Pump Controls and Fuel Injectors
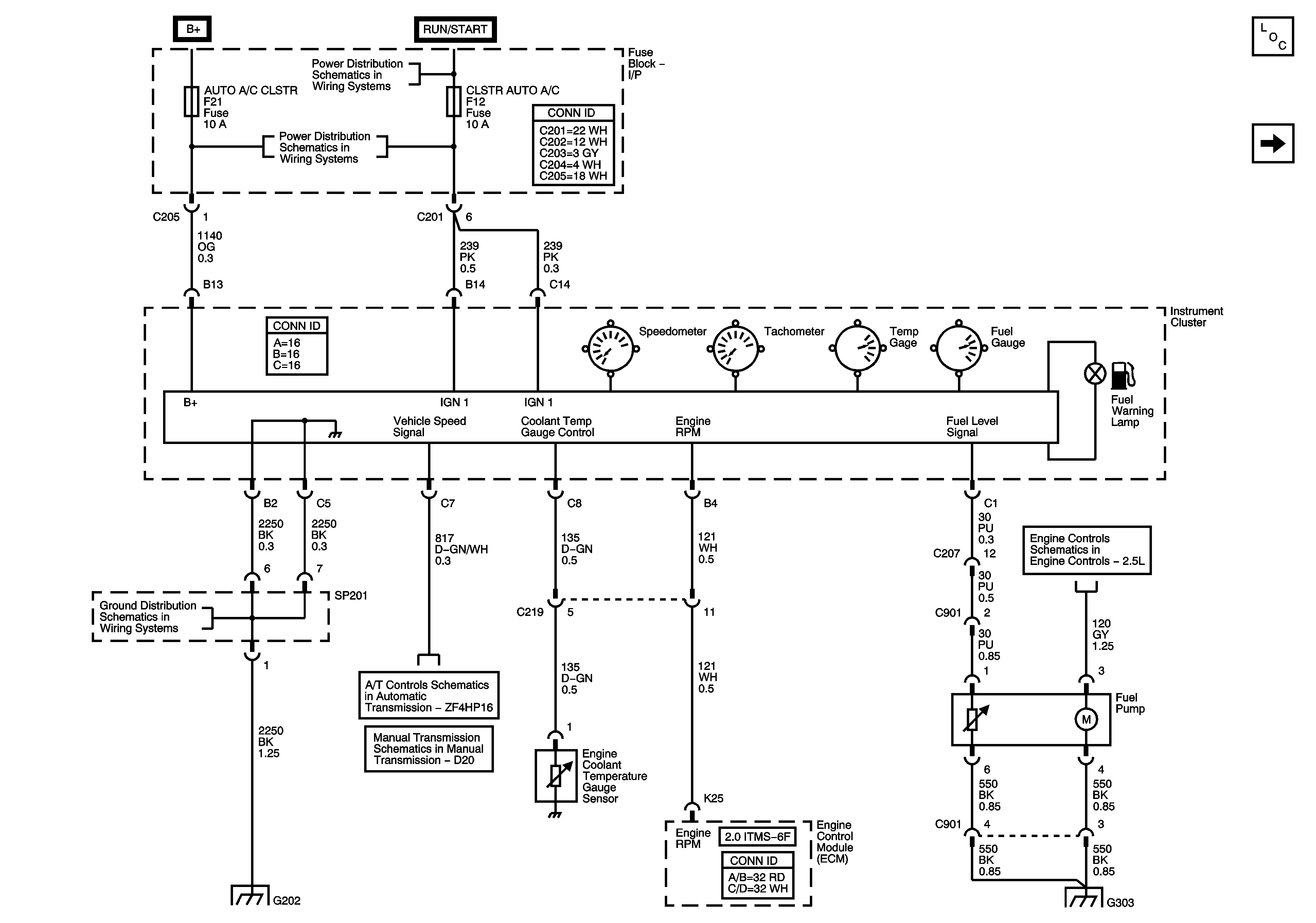
Figure 3:

Power, Ground, and Gages (2.0L ITMS-6F)


Object Number: 1461123  Size: FS
Master Electrical Component List
Malfuntion Indicator Lamp (MIL), Speed Sensitive Power Steering (SSPS), and HOLD Warning Lamps, PRNDL Indicator
I/P Fuse Block - WPR, TCM BTSI, BCM ABS, CLSTR AUTO A/C and WSWA Fuses
Underhood Fuse Block - A/C and IP Fuse BATT, I/P Fuse Block - RADIO CRUISE, AUTO HVAC CLSTR, and DLC Fuses
G201, G202
Power, Ground, Hold Switch and DLC
Vehicle Speed Sensor (VSS) - European Emissions
Fuel Controls - Fuel Pump Controls and Fuel Injectors
Figure 4:

Malfunction Indicator Lamp (MIL), Speed Sensitive Power Steering (SSPS), and HOLD Warning Lamps, PRNDL Indicator


Object Number: 1257183  Size: FS
Master Electrical Component List
Warning Lamps
Power, Ground, and Gages (2.5L Sirius D6)
Variable Effort Steering Schematics
Module Power, Ground, Serial Data, MIL
Module Power, Ground, Serial Data, Malfunction Indicator Lamp (MIL)
Park/Neutral Position (PNP) Switch
G201, G202
Figure 5:

Warning Lamps


Object Number: 1257182  Size: FS
Master Electrical Component List
Door Open, Trunk Open Indicator
Malfuntion Indicator Lamp (MIL), Speed Sensitive Power Steering (SSPS), and HOLD Warning Lamps, PRNDL Indicator
Headlights
Brake Lamp Warning Circuit
Charging System
Power Ground, Warning Lamps, Stop Lamp Switch
Driver Seat Belt Warning
Power, Ground and Impact Sensors
SIR Schematics
Daytime Running Lamp (DRL) (Scandinavia)
Figure 6:

Door Open/Trunk Open Indicator


Object Number: 1257181  Size: FS
Master Electrical Component List
Warning Lamps
Daytime Running Lamp (DRL) (North America)
Cruise Control
Underhood Fuse Block - INT LTS Fuse
G301
G301
G302
G302
G303
Underhood Fuse Block - INT LTS Fuse