GM Service Manual Online
For 1990-2009 cars only
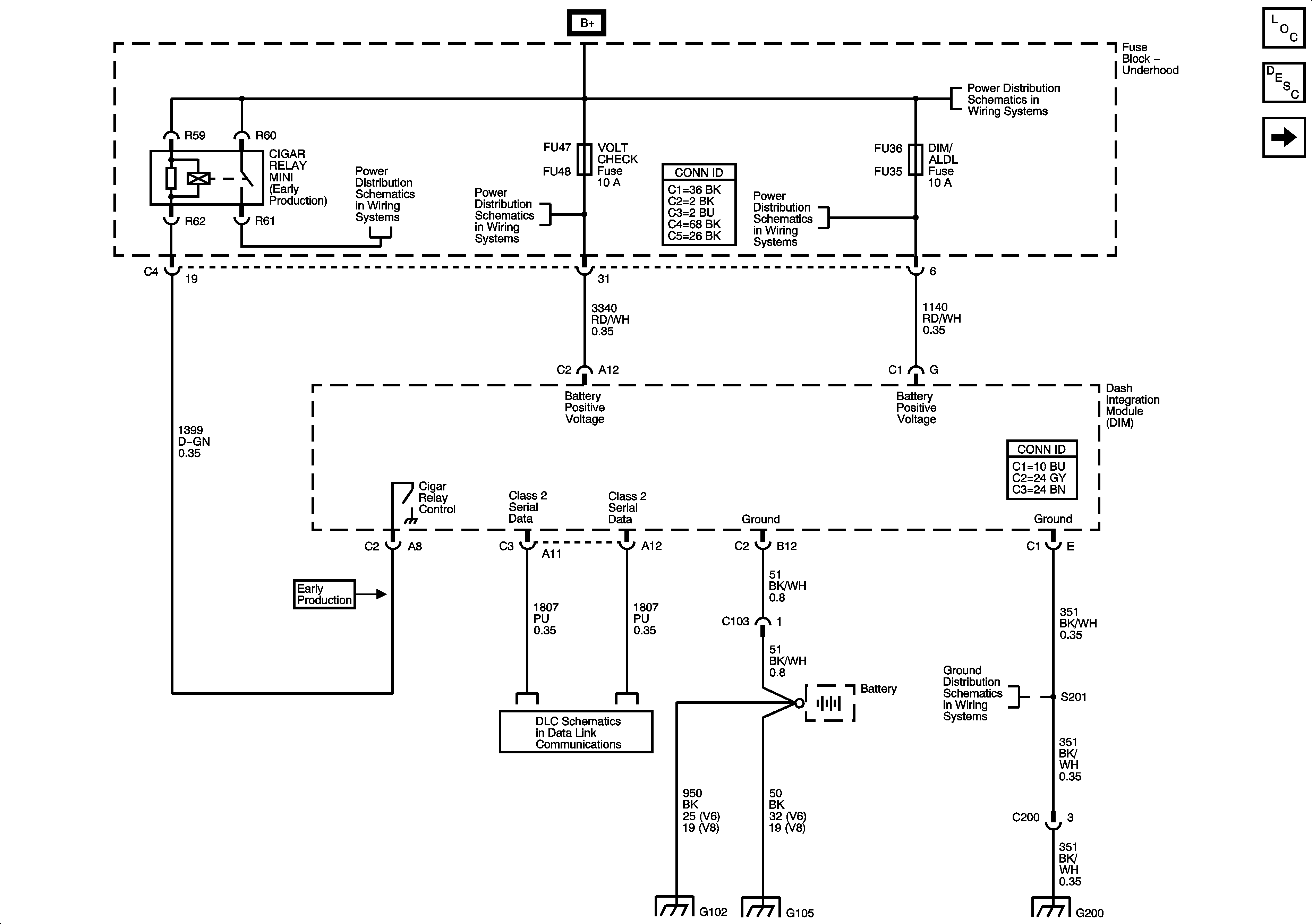
Figure 1:

Dash Integration Module (DIM) Power, Ground and Serial Data


Object Number: 1317734  Size: FS
Master Electrical Component List
Body Control System Description and Operation
Ignition Switch
Underhood Fuse Block B+ Bus - 1 of 2
Cigar Lighter and Auxiliary Power Outlet
Underhood Fuse Block DIM/ALDL, VOLT CHECK, FLASHER, CCP, ECM/TCM and ABS Fuses
Underhood Fuse Block DIM/ALDL, VOLT CHECK, FLASHER, CCP, ECM/TCM and ABS Fuses
Class 2 Serial Data Bus - LHD - 2 of 2
G200
G102, G105, G110, G303, G304 and G306
G102, G105, G110, G303, G304 and G306
G200
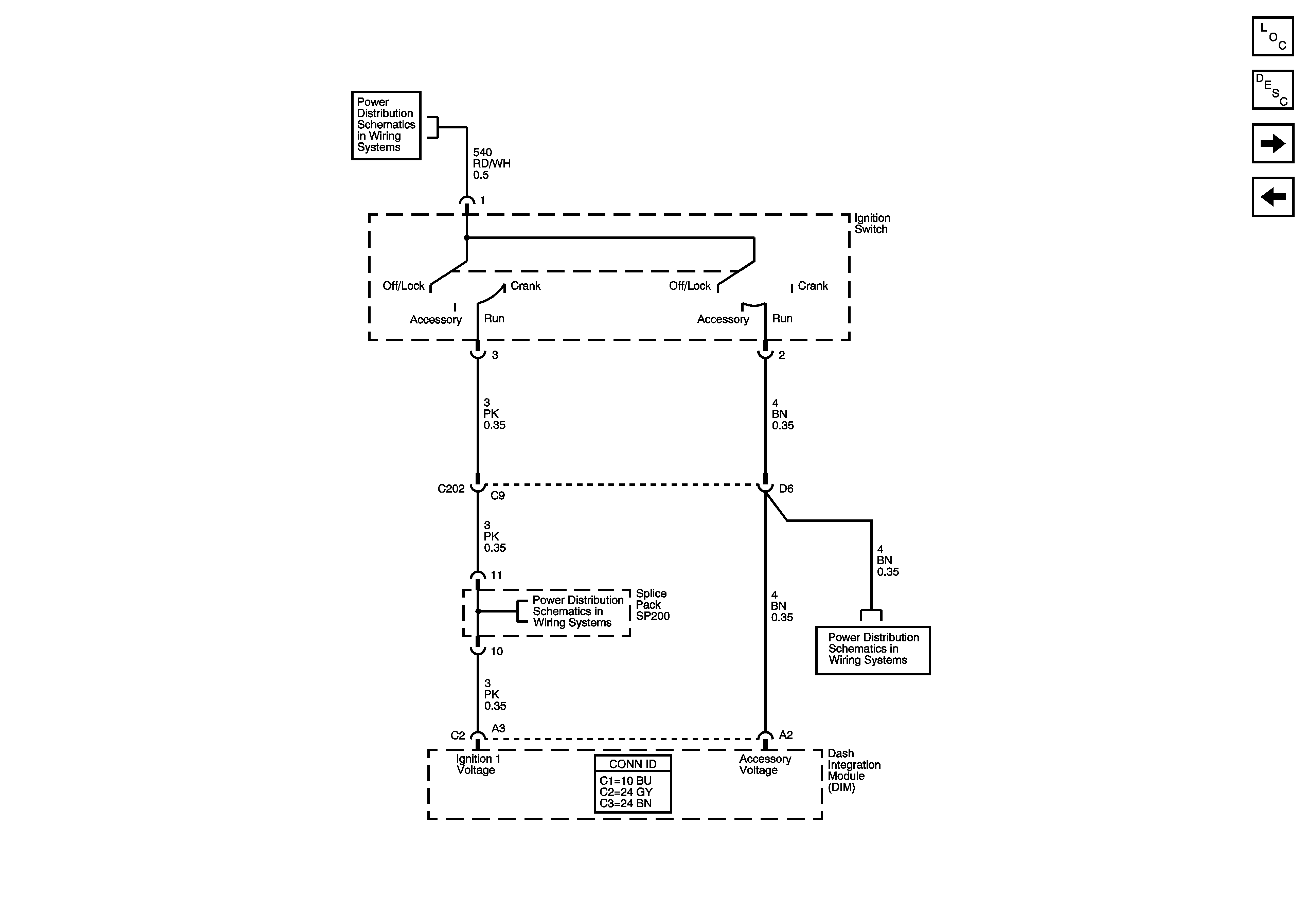
Figure 2:

Ignition Switch


Object Number: 1317736  Size: FS
Master Electrical Component List
Body Control System Description and Operation
DIM Inputs and Outputs - 1 of 3
Dash Integration Module (DIM), Power, Ground and Serial Data
Ignition Switch - 2 of 2
Ignition Switch - 2 of 2
Ignition Switch - 2 of 2
Figure 3:

DIM Inputs and Outputs - 1 of 3


Object Number: 1317737  Size: FS
Master Electrical Component List
Body Control System Description and Operation
DIM Inputs and Outputs - 2 of 3
Ignition Switch
Fog Lamps - Front
Power, Ground, and Serial Data - 1 of 2
Horns
Power, Ground, and Serial Data - 1 of 2
Ignition Lock Cylinder Control Actuator (M82)
Figure 4:

DIM Inputs and Outputs - 2 of 3


Object Number: 1317740  Size: FS
Master Electrical Component List
Body Control System Description and Operation
DIM Inputs and Outputs - 3 of 3
DIM Inputs and Outputs - 1 of 3
Headlamp Controls
Turn Signal/Hazard Flasher Module (Domestic and Export)
Front Marker Lamps (W/TT7) and Front Park Lamps (w/o TT7)
Headlamp Controls
Audible Warnings
Fog Lamps - Front
Figure 5:

DIM Inputs and Outputs - 3 of 3


Object Number: 1317742  Size: FS
Master Electrical Component List
Body Control System Description and Operation
Rear Integration Module (RIM), Power, Ground, and Serial Data
DIM Inputs and Outputs - 2 of 3
Turn Signal/Hazard Flasher Module (Domestic and Export)
Overhead Courtesy Lamp, Dome Lamp, and Vanity Lamps
Power, Ground, Windshield Wiper/Washer Switch and Module
Door Modules, Hood Ajar Switch (Export w/UA2), Serial Data and Indicator
Fog Lamps - Rear (Export w/T79)
Windshield Washer Fluid Pump, Headlamp Washer Fluid Pump/Relay (CE4) and Washer Fluid Level Switch
Turn Signal/Hazard Flasher Module (Domestic and Export)
Windshield Washer Fluid Pump, Headlamp Washer Fluid Pump/Relay (CE4) and Washer Fluid Level Switch
Power, Ground, and Serial Data - 1 of 2
Figure 6:

Rear Integration Module (RIM) Power, Ground and Serial Data


Object Number: 1317743  Size: FS
Master Electrical Component List
Body Control System Description and Operation
RIM Inputs and Outputs - 1 of 2
DIM Inputs and Outputs - 3 of 3
Right Rear Fuse Block B+ Bus
Right Rear Fuse Block DR MOD PWR Circuit Breaker, CANISTER VENT, RIM/IGN SW, R FRT HTD SEAT MOD and POWER SOUNDER Fuses
G401
Right Rear Fuse Block IGN1 Relay, AIRBAG, RIM, ABS, PSGR DR MOD and TV/VICS Fuses
Class 2 Serial Data Bus - LHD - 2 of 2
G401
Figure 7:

RIM Inputs and Outputs - 1 of 2


Object Number: 1317748  Size: FS
Master Electrical Component List
Body Control System Description and Operation
RIM Inputs and Outputs - 2 of 2
Rear Integration Module (RIM), Power, Ground, and Serial Data
Heated Seat - Driver (KA1)
Heated Seat - Passenger (KA1)
Courtesy Lamps
Backup Lamps (Domestic and Export)
Heated Seat - Passenger (KA1)
Heated Seat - Driver (KA1)
Power Sunroof (CF5)
Rear Compartment Lid Release Switch
Retained Access Power (RAP)
Figure 8:

RIM Inputs and Outputs - 2 of 2


Object Number: 1317750  Size: FS
Master Electrical Component List
Body Control System Description and Operation
RIM Inputs and Outputs - 1 of 2
BPP Sensor, Switches and Indicators - 2.6L/3.2L/3.6L (LY9/LA3/LY7)
Manual Transmission (M35)
Theft Deterrent Alarm, Intrusion Sensor and Inclination Sensor (Export w/UA2)
BPP Sensor, Switches and Indicators - 2.6L/3.2L/3.6L (LY9/LA3/LY7)
Position Lamp Controls (Export w/T79)
Fog Lamps - Rear (Export w/T79)
Theft Deterrent Alarm, Intrusion Sensor and Inclination Sensor (Export w/UA2)
A/T Shift Lock Control (M82)
Rear Window Defogger