GM Service Manual Online
For 1990-2009 cars only
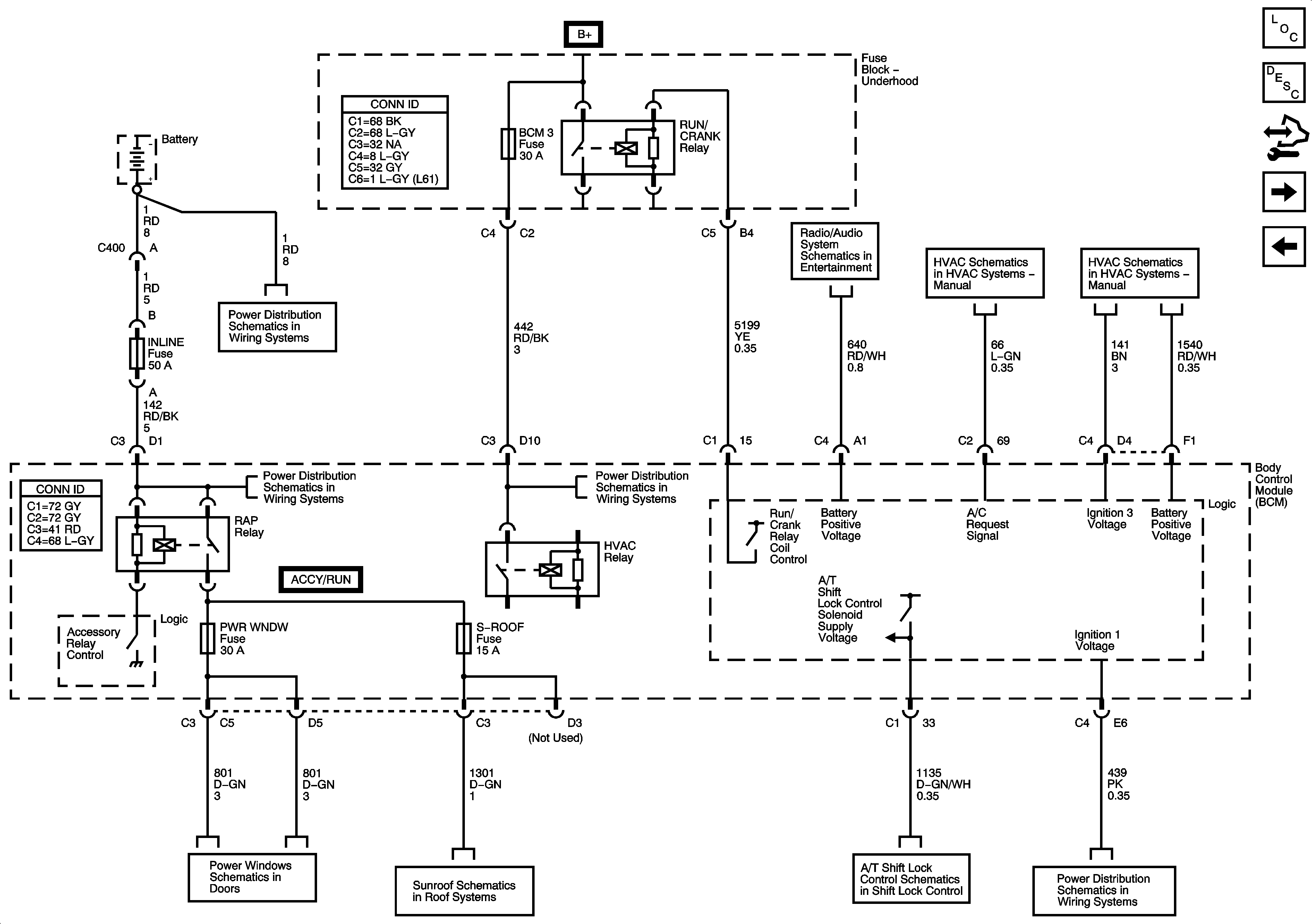
Figure 1:

Power, Ground, Data Link and Engine References


Object Number: 1522694  Size: FS
Master Electrical Component List
Body Control System Description and Operation
Control Module References
RUN/CRANK, RAP HVAC Relays, BCM 3, POWER WINDOWS, and SUNROOF Fuses
Ignition Switch, BCM2 Fuse, IGN SW Fuse, STOP LPS Fuse, AUDIO AMPLIFIER Fuse, CLUSTER Fuse, HVAC/PK3 Fuse
DLC High Speed, Serial Data, Class 2
DLC Power, Ground, and Low Speed GMLAN
Ignition Switch, BCM2 Fuse, IGN SW Fuse, STOP LPS Fuse, AUDIO AMPLIFIER Fuse, CLUSTER Fuse, HVAC/PK3 Fuse
RDO Fuse, DR LCK Fuse, INT LIGHTS Fuse, PWR WNDW Fuse, S ROOF Fuse, ECM/TCM Fuse, SDM Fuse, RAP Relay, INTERIOR LAMPS PCB Relay, Door Lock PCB Relays
Ignition Switch, BCM2 Fuse, IGN SW Fuse, STOP LPS Fuse, AUDIO AMPLIFIER Fuse, CLUSTER Fuse, HVAC/PK3 Fuse
Charging
Power, Ground, and Illumination MIL
Starting
G109, G203, and G306
G401 - 2 of 2
Figure 2:

RUNCRANK, RAP, and HVAC Relays, BCM 3, PWR WINDOWS, and SUNROOF Fuses


Object Number: 1522698  Size: FS
Master Electrical Component List
Body Control System Description and Operation
Control Module References
ABS, Brake Warning, Cruise Control, Door Lock/Indicator, Engine Controls and Engine Cooling References
Power, Ground, Data Link and Engine References
CD and MP3 w/Amplifier - 2 of 2
Compressor Controls
Power, Ground and Blower Motor Controls
RDO Fuse, DR LCK Fuse, INT LIGHTS Fuse, PWR WNDW Fuse, S ROOF Fuse, ECM/TCM Fuse, SDM Fuse, RAP Relay, INTERIOR LAMPS PCB Relay, Door Lock PCB Relays
RUN/CRANK Relay, HVAC Relay, I/P IGN Fuse, BCM3 Fuse, WIPER Fuse, RESTRAINTS Fuse, EPS Fuse
Power Windows - Sedan
Power Sunroof
Shift LocK Controls
RUN/CRANK Relay, HVAC Relay, I/P IGN Fuse, BCM3 Fuse, WIPER Fuse, RESTRAINTS Fuse, EPS Fuse
Figure 3:

ABS, Brake Warning, Cruise Control, Door Lock/Indicator, Engine Controls and Engine Cooling References


Object Number: 1522701  Size: FS
Master Electrical Component List
Engine Control Module Description
Control Module References
Lighting System References
RUN/CRANK, RAP HVAC Relays, BCM 3, POWER WINDOWS, and SUNROOF Fuses
G100
TCM Power, Ground, and PNP Switch
Power, Ground, MIL and DLC
G301 - 1 of 2
Ambient Air Temperature Sensor, EOP Sensor, Fuel Level Sensor, and Indicators
Headlights/Daytime Running Lights (DRL)
Brake Warning Schematic
Power, Ground and Blower Motor Controls
Power, Ground, Serial Data, and Switches
Power Steering
Door Lock/Indicators
Door Lock/Indicators
Interior Lights Inputs
Figure 4:

Body Rear End, Defogger, Headlights/DRL, Horns and Wiper/Washer References


Object Number: 1522704  Size: FS
Master Electrical Component List
Engine Control Module Description
Control Module References
Lighting System References
Vehicle Theft Deterrent
Radio w/o U2K
Keyless Entyry
Rear Window Defogger
Horns Schematics
Wiper/Washer System Schematic
Body Rear End
Body Rear End
Headlights/Daytime Running Lights (DRL)
Figure 5:

Lighting System References


Object Number: 1522706  Size: FS
Master Electrical Component List
Engine Control Module Description
Control Module References
Body Rear End, Defogger, Headlights/DRL, Horns and Wiper/Washer References
ABS, Brake Warning, Cruise Control, Door Lock/Indicator, Engine Controls and Engine Cooling References
Fog Lights
Inputs
Hazards, Turn Signals
Dimmer Switch Inputs
Interior Lights Outputs
Dimmer Switch Inputs
IPC, HVAC Control Assembly, and Heated Seats
A/T Shift Lock Control Assembly, Mirror and Doors
Headlights/Daytime Running Lights (DRL)
Hazards, Turn Signals
Stop Lamps