GM Service Manual Online
For 1990-2009 cars only
Figure 1:

Batteries - L18


Object Number: 1827844  Size: FS
Master Electrical Component List
Batteries - LLY
Batteries - LG4/LG5 and B+ Bus
Figure 2:

Batteries - LLY


Object Number: 1827845  Size: FS
Master Electrical Component List
Batteries - LG4/LG5 and B+ Bus
Batteries - L18
Batteries - LG4/LG5 and B+ Bus
Figure 3:

Batteries - LG4/LG5 and B+ Bus


Object Number: 1800628  Size: FS
Master Electrical Component List
Ignition Switch - OFF/RUN/START, RUN/START, and START Bus Bars
Batteries - LLY
Batteries - L18
Batteries - LLY
Figure 4:

Ignition Switch - OFF/RUN/START, RUN/START, and START Bus Bars


Object Number: 1800634  Size: FS
Master Electrical Component List
Ignition Switch - RUN and ACC/RUN Bus Bars and IGN 3 Fuse
Batteries - LG4/LG5 and B+ Bus
Batteries - LG4/LG5 and B+ Bus
Figure 5:

Ignition Switch - RUN and ACC/RUN Bus Bars and IGN 3 Fuse


Object Number: 1800640  Size: FS
Master Electrical Component List
STRTR Fuse/Circuit Breaker
Ignition Switch - OFF/RUN/START, RUN/START, and START Bus Bars
Batteries - LG4/LG5 and B+ Bus
Figure 6:

STRTR Fuse/Circuit Breaker


Object Number: 1645658  Size: FS
Master Electrical Component List
TRANS Fuse/Circuit Breaker
Ignition Switch - RUN and ACC/RUN Bus Bars and IGN 3 Fuse
Figure 7:

TRANS Fuse/Circuit Breaker


Object Number: 1793500  Size: FS
Master Electrical Component List
TRN/BCK/UP Fuse/Circuit Breaker
STRTR Fuse/Circuit Breaker
Figure 8:

TRN/BCK/UP Fuse/Circuit Breaker


Object Number: 1645660  Size: FS
Master Electrical Component List
AIRBAG, GAUGES, LT REAR TURN/STOP, and RT REAR TURN/STOP Fuses/Circuit Breakers
TRANS Fuse/Circuit Breaker
Ignition Switch - OFF/RUN/START, RUN/START, and START Bus Bars
BAT/HAZ, HAZRD, PWR/ACCY, STOP, and TRLR Fuses/Circuit Breakers
AIRBAG, GAUGES, LT REAR TURN/STOP, and RT REAR TURN/STOP Fuses/Circuit Breakers
AIRBAG, GAUGES, LT REAR TURN/STOP, and RT REAR TURN/STOP Fuses/Circuit Breakers
Figure 9:

AIRBAG, GAUGES, LT REAR TURN/STOP, and RT REAR TURN/STOP Fuses/Circuit Breakers


Object Number: 1800700  Size: FS
Master Electrical Component List
ENGINE and PCM-1 Fuses/Circuit Breakers
TRN/BCK/UP Fuse/Circuit Breaker
TRN/BCK/UP Fuse/Circuit Breaker
TRN/BCK/UP Fuse/Circuit Breaker
Ignition Switch - OFF/RUN/START, RUN/START, and START Bus Bars
Figure 10:

ENGINE and PCM-1 Fuses/Circuit Breakers


Object Number: 1646083  Size: FS
Master Electrical Component List
ENG-2, ENG-3, and O2S Fuses - L18
AIRBAG, GAUGES, LT REAR TURN/STOP, and RT REAR TURN/STOP Fuses/Circuit Breakers
Batteries - LG4/LG5 and B+ Bus
Ignition Switch - OFF/RUN/START, RUN/START, and START Bus Bars
ENG-1 and ENG-4 Fuses - LG4/LG5
ENG-1 and ENG-4 Fuses - L18/LLY
ENG-2, ENG-3, and O2S Fuses - L18
ENG-2, and ENG-3 Fuses - LG4
ENG-2 and ENG-3 Fuses - LG5/LLY
Figure 11:

ENG-2, ENG-3, and O2S Fuses - L18


Object Number: 1800642  Size: FS
Master Electrical Component List
ENG-2, and ENG-3 Fuses - LG4
ENGINE and PCM-1 Fuses/Circuit Breakers
ENGINE and PCM-1 Fuses/Circuit Breakers
Figure 12:

ENG-2 and ENG-3 Fuses - LG4


Object Number: 1800647  Size: FS
Master Electrical Component List
ENG-2 and ENG-3 Fuses - LG5/LLY
ENG-2, ENG-3, and O2S Fuses - L18
ENGINE and PCM-1 Fuses/Circuit Breakers
Figure 13:

ENG-2 and ENG-3 Fuses - LG5/LLY


Object Number: 1646087  Size: FS
Master Electrical Component List
ENG-1 and ENG-4 Fuses - LG4/LG5
ENG-2, and ENG-3 Fuses - LG4
ENGINE and PCM-1 Fuses/Circuit Breakers
Figure 14:

ENG-1 and ENG-4 Fuses - LG4/LG5


Object Number: 1800650  Size: FS
Master Electrical Component List
ENG-1 and ENG-4 Fuses - L18/LLY
ENG-2 and ENG-3 Fuses - LG5/LLY
ENGINE and PCM-1 Fuses/Circuit Breakers
Figure 15:

ENG-1 and ENG-4 Fuses - L18/LLY


Object Number: 1645663  Size: FS
Master Electrical Component List
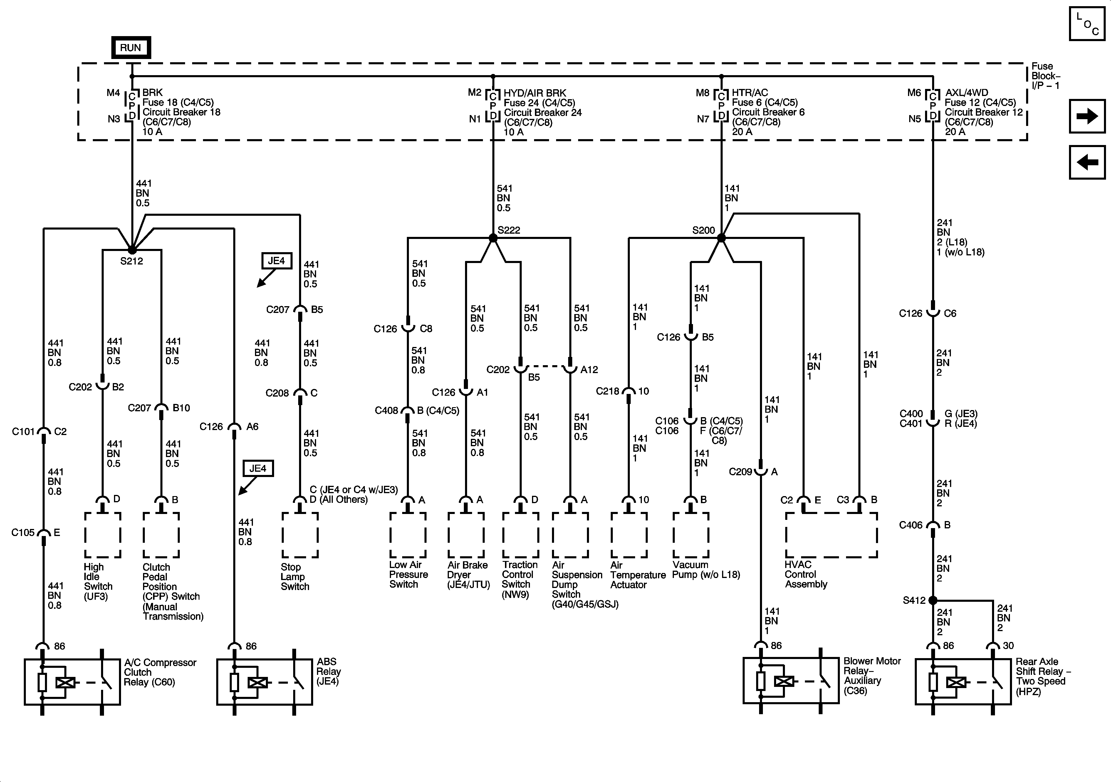
AXL/4WD, BRK, HTR/AC, and HYD/AIR BRK Fuses/Circuit Breakers
ENG-1 and ENG-4 Fuses - LG4/LG5
ENGINE and PCM-1 Fuses/Circuit Breakers
Figure 16:

AXL/4WD, BRK, HTR/AC, and HYD/AIR BRK Fuses/Circuit Breakers


Object Number: 1800651  Size: FS
Master Electrical Component List
AUX WIRE and IGN-4 (I/P Fuse Block -1) Fuses/Circuit Breakers
ENG-1 and ENG-4 Fuses - L18/LLY
Figure 17:

AUX WIRE and IGN-4 (I/P Fuse Block - 1) Fuses/Circuit Breakers


Object Number: 1800653  Size: FS
Master Electrical Component List
DRL, ELEC BRK/BRKLP, HDLP, IGN-4 (Underhood Fuse Block), MKR LTS, PWR WNDW, and RADIO Fuses/Circuit Breakers
AXL/4WD, BRK, HTR/AC, and HYD/AIR BRK Fuses/Circuit Breakers
Figure 18:

DRL, ELEC BRK/BRKLP, HDLP, IGN-4 (Underhood Fuse Block), MKR LTS, PWR WNDW, and RADIO Fuses/Circuit Breakers


Object Number: 1800656  Size: FS
Master Electrical Component List
CTSY LAMPS, HVAC, ILLUM, LIGHTING, LT PARK, PRK LAMPS, and RT PARK Fuses/Circuit Breakers - 1 of 2
AUX WIRE and IGN-4 (I/P Fuse Block -1) Fuses/Circuit Breakers
Batteries - LG4/LG5 and B+ Bus
Figure 19:

CTSY LAMPS, HVAC, ILLUM, LIGHTING, LT PARK, PRK LAMPS, and RT PARK Fuses/Circuit Breakers - 1 of 2


Object Number: 1800660  Size: FS
Master Electrical Component List
CTSY LAMPS and LT PARK Fuses/Circuit Breakers - 2 of 2
DRL, ELEC BRK/BRKLP, HDLP, IGN-4 (Underhood Fuse Block), MKR LTS, PWR WNDW, and RADIO Fuses/Circuit Breakers
Batteries - LG4/LG5 and B+ Bus
CTSY LAMPS and LT PARK Fuses/Circuit Breakers - 2 of 2
CTSY LAMPS and LT PARK Fuses/Circuit Breakers - 2 of 2
CTSY LAMPS and LT PARK Fuses/Circuit Breakers - 2 of 2
Figure 20:

CTSY LAMPS and LT PARK Fuses/Circuit Breakers - 2 of 2


Object Number: 1800663  Size: FS
Master Electrical Component List
BAT/HAZ, HAZRD, PWR/ACCY, STOP, and TRLR Fuses/Circuit Breakers
CTSY LAMPS, HVAC, ILLUM, LIGHTING, LT PARK, PRK LAMPS, and RT PARK Fuses/Circuit Breakers - 1 of 2
CTSY LAMPS, HVAC, ILLUM, LIGHTING, LT PARK, PRK LAMPS, and RT PARK Fuses/Circuit Breakers - 1 of 2
CTSY LAMPS, HVAC, ILLUM, LIGHTING, LT PARK, PRK LAMPS, and RT PARK Fuses/Circuit Breakers - 1 of 2
CTSY LAMPS, HVAC, ILLUM, LIGHTING, LT PARK, PRK LAMPS, and RT PARK Fuses/Circuit Breakers - 1 of 2
Figure 21:

BAT/HAZ, HAZRD, PWR/ACCY, STOP, and TRLR Fuses/Circuit Breakers


Object Number: 1800666  Size: FS
Master Electrical Component List
BRK Fuse/Circuit Breaker
CTSY LAMPS and LT PARK Fuses/Circuit Breakers - 2 of 2
Batteries - LG4/LG5 and B+ Bus
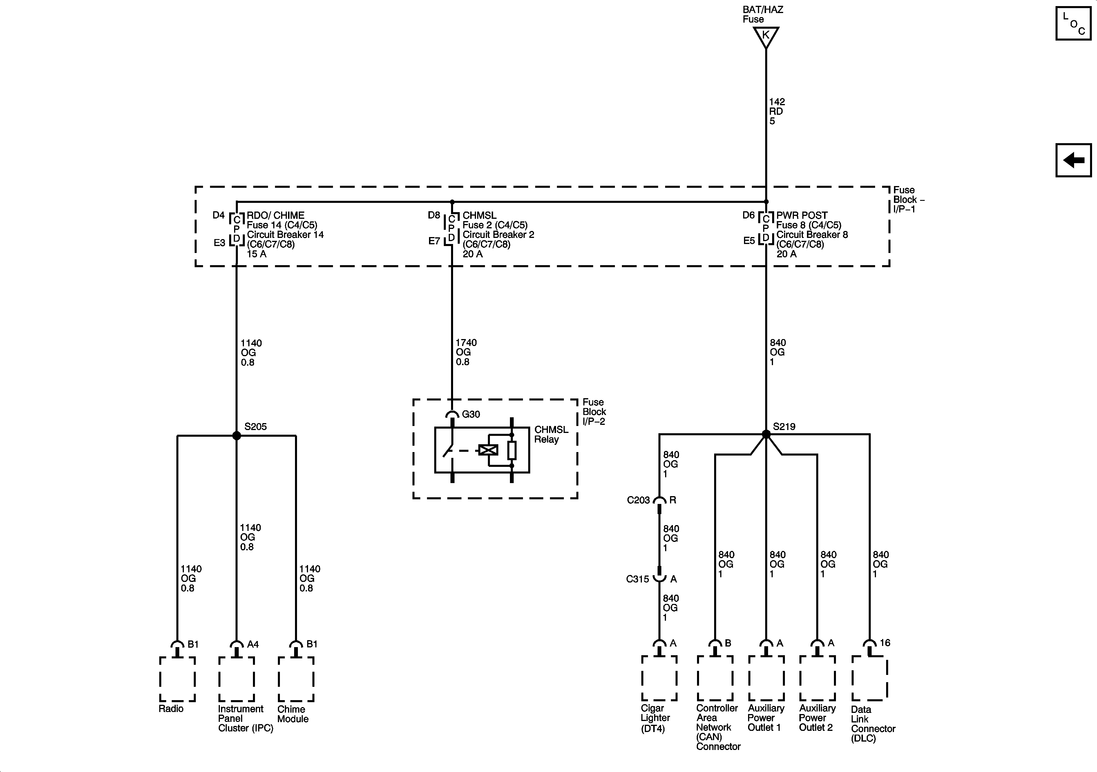
CHMSL, PWR POST, and RDO/CHIME Fuses/Circuit Breakers
BRK Fuse/Circuit Breaker
TRN/BCK/UP Fuse/Circuit Breaker
Figure 22:

BRK Fuse/Circuit Breaker


Object Number: 1800671  Size: FS
Master Electrical Component List
ABS-1, ABS-2, ABS-3, E/A PUMP, and HORN Fuses/Circuit Breakers
BAT/HAZ, HAZRD, PWR/ACCY, STOP, and TRLR Fuses/Circuit Breakers
BAT/HAZ, HAZRD, PWR/ACCY, STOP, and TRLR Fuses/Circuit Breakers
Figure 23:

ABS-1, ABS-2, ABS-3, E/A PUMP, and HORN Fuses/Circuit Breakers


Object Number: 1800674  Size: FS
Master Electrical Component List
A/C COMP, HTD FUEL, PCM-B, and RR DEFOG Fuses
BRK Fuse/Circuit Breaker
Batteries - LG4/LG5 and B+ Bus
Figure 24:

A/C COMP, HTD FUEL, PCM-B, and RR DEFOG Fuses


Object Number: 1645664  Size: FS
Master Electrical Component List
ECM-B Circuit Breaker - C6/C7 and FUEL Fuse/Circuit Breaker - C4/C5/C8
ABS-1, ABS-2, ABS-3, E/A PUMP, and HORN Fuses/Circuit Breakers
ECM-B Circuit Breaker - C6/C7 and FUEL Fuse/Circuit Breaker - C4/C5/C8
Figure 25:

ECM-B Circuit Breaker - C6/C7 and FUEL Fuse/Circuit Breaker - C4/C5/C8


Object Number: 1800678  Size: FS
Master Electrical Component List
CHMSL, PWR POST, and RDO/CHIME Fuses/Circuit Breakers
A/C COMP, HTD FUEL, PCM-B, and RR DEFOG Fuses
Batteries - LG4/LG5 and B+ Bus
A/C COMP, HTD FUEL, PCM-B, and RR DEFOG Fuses
Figure 26:

CHMSL, PWR POST, and RDO/CHIME Fuses/Circuit Breakers


Object Number: 1800681  Size: FS
Master Electrical Component List
ECM-B Circuit Breaker - C6/C7 and FUEL Fuse/Circuit Breaker - C4/C5/C8
BAT/HAZ, HAZRD, PWR/ACCY, STOP, and TRLR Fuses/Circuit Breakers