GM Service Manual Online
For 1990-2009 cars only
Figure 1:

Power, Ground, Data Link and Engine Controls References


Object Number: 1638516  Size: FS
Master Electrical Component List
Body Control System Description and Operation
Control Module References
Accessory, HVAC Blower High and Run Relays
Underhood Fuse Block - IBCM 1, Body Control Module (BCM), AIR BAG (BATT), CLUSTER/THEFT, HVAC CTRL (BATT), IGN SENSOR, and RADIO Fuses
Power, Ground, Class 2 and High Speed Serial Data
Low Speed Serial Data
Underhood Fuse Block - IBCM 1, Body Control Module (BCM), AIR BAG (BATT), CLUSTER/THEFT, HVAC CTRL (BATT), IGN SENSOR, and RADIO Fuses
Underhood Fuse Block - IBCM 1, Body Control Module (BCM), AIR BAG (BATT), CLUSTER/THEFT, HVAC CTRL (BATT), IGN SENSOR, and RADIO Fuses
Underhood Fuse Block - IBCM 1, Body Control Module (BCM), AIR BAG (BATT), CLUSTER/THEFT, HVAC CTRL (BATT), IGN SENSOR, and RADIO Fuses
Keyless Entry Schematics
G201
G203
G304 and G305
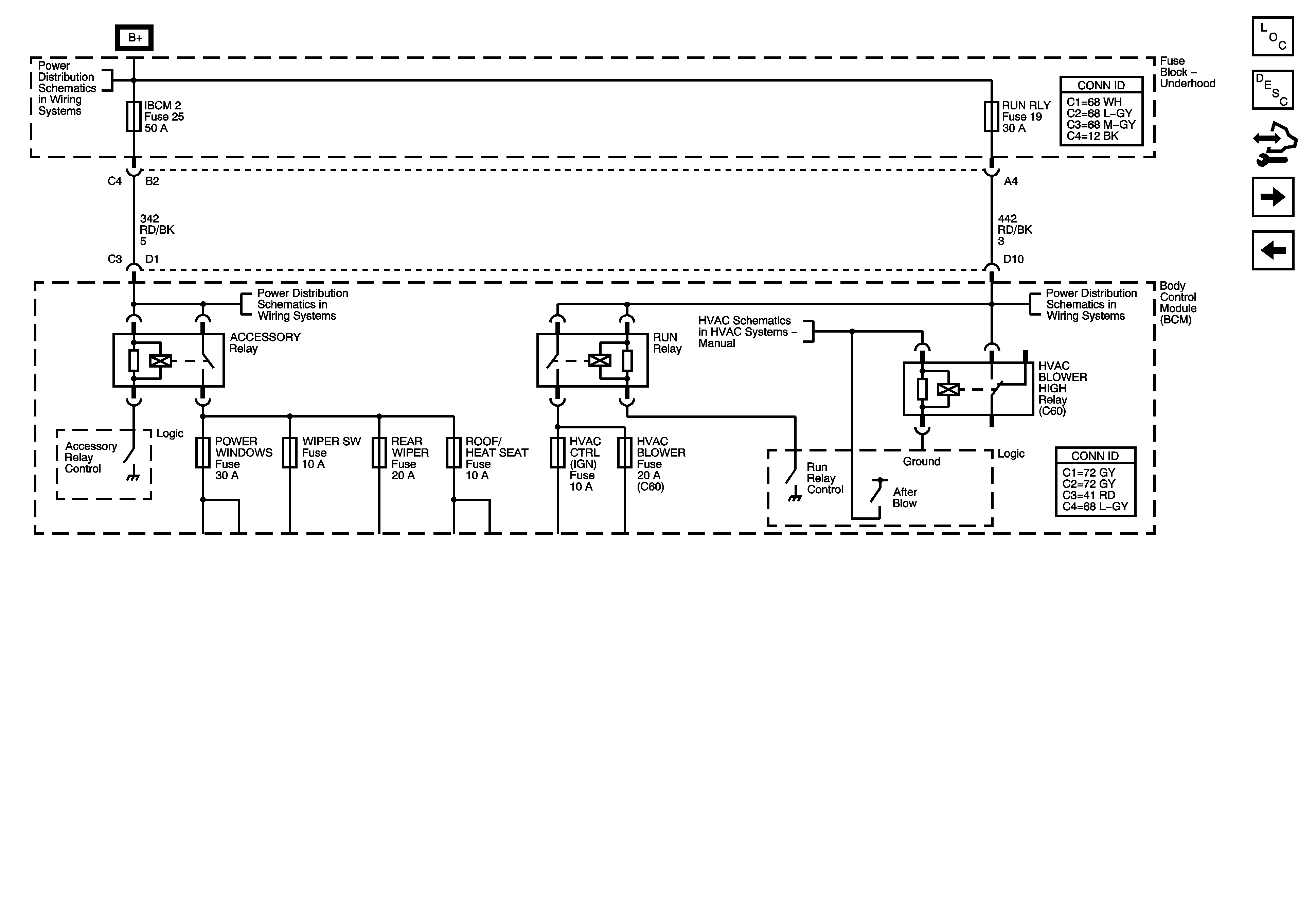
Figure 2:

Accessory, HVAC Blower High and RUN Relays


Object Number: 1638518  Size: FS
Master Electrical Component List
Body Control System Description and Operation
Control Module References
ABS, A/T Shift Lock Controls, Brake Warning, Cruise Control, Door Lock Indicator, Engine Controls and Engine Cooling References
Power, Ground, Data Link and Engine Controls References
Underhood Fuse Block, ICBM 2, Body Control Module (BCM), ACCESSORY Relay, DOOR LOCK, INTERIOR LIGHTS, POWER WINDOWS, REAR WIPER, ROOF/HEAT SEAT and WIPER SW Fuses
Underhood Fuse Block, ICBM 2, Body Control Module (BCM), ACCESSORY Relay, DOOR LOCK, INTERIOR LIGHTS, POWER WINDOWS, REAR WIPER, ROOF/HEAT SEAT and WIPER SW Fuses
Power, Ground and Blower Motor Controls
Underhood Fuse Block, RBEC 2, RUN RLY, Body Control Module (BCM) HVAC BLOWER HIGH Relay, RUN Relay, HVAC BLOWER, HVAC CTRL (IGN), Rear Fuse Block, FUEL/PMP Relay, PARK LP Relay, TRUNK Relay, DRV ST
Figure 3:

ABS, A/T Shift Lock Controls, Brake Warning, Cruise Control, Door Lock/Indicator, Engine Controls and Engine Cooling References


Object Number: 1638519  Size: FS
Master Electrical Component List
Body Control System Description and Operation
Control Module References
Adjustable Pedals, Body Rear End, Defogger, Headlights/DRL, Horns, and Wiper/Washer References
Accessory, HVAC Blower High and Run Relays
Sedan
Extended Sedan
Content Theft Deterrent (CTD) System
Vehicle Theft Deterrent (VTD) System
Keyless Entry Schematics
Door Lock Switches
Door Lock Actuators
Door Ajar Indicators
Figure 4:

Adjustable Pedals, Body Rear End, Defogger, Headlights/DRL, Horns and Wiper/Washer References


Object Number: 1638520  Size: FS
Master Electrical Component List
Body Control System Description and Operation
Control Module References
Lighting System References Continued
ABS, A/T Shift Lock Controls, Brake Warning, Cruise Control, Door Lock Indicator, Engine Controls and Engine Cooling References
Headlights/Daytime Running Lights (DRL) Schematics
Fog Lights Schematics
Turn Signals and Stop Lamps
Ambient Light Sensor, Brake Pedal Position Sensor, Hazard Switch and Turn Signal/Multifunction Switch
Park Lamps
Outputs
Displays
Figure 5:

Lighting System References Continued


Object Number: 1638522  Size: FS
Master Electrical Component List
Body Control System Description and Operation
Control Module References
Adjustable Pedals, Body Rear End, Defogger, Headlights/DRL, Horns, and Wiper/Washer References
Power, Ground, Serial Data and MIL
Power, Ground, Serial Data and MIL
Ground, MIL, Power and Serial Data
Tap Up/Tap Down Switch
Tap Up/Tap Down Switch
A/T Shift Lock Control Schematics
Engine Coolant Indicator
Compressor Controls
Compressor Controls
Brake Pedal Position Sensor, Traction Control Switch and Data Link Communications
Brake Warning System Schematics
Steering Wheel Controls - 3 Spoke
Adjustable Pedals Schematics
Defogger Schematics
Horns Schematics
Front Wiper/Washers
Front Wiper/Washers