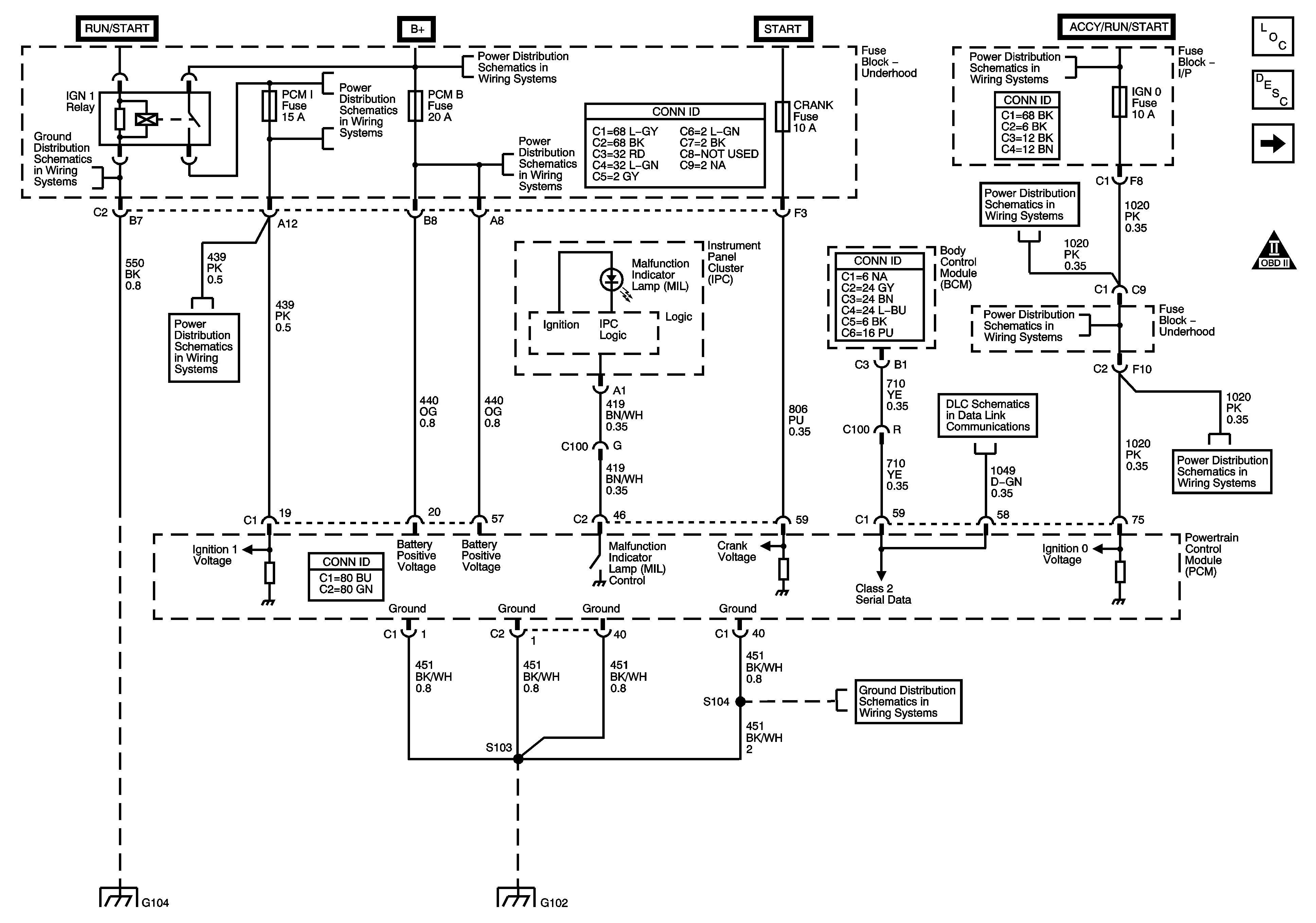
GM Service Manual Online
For 1990-2009 cars only
Figure 1:

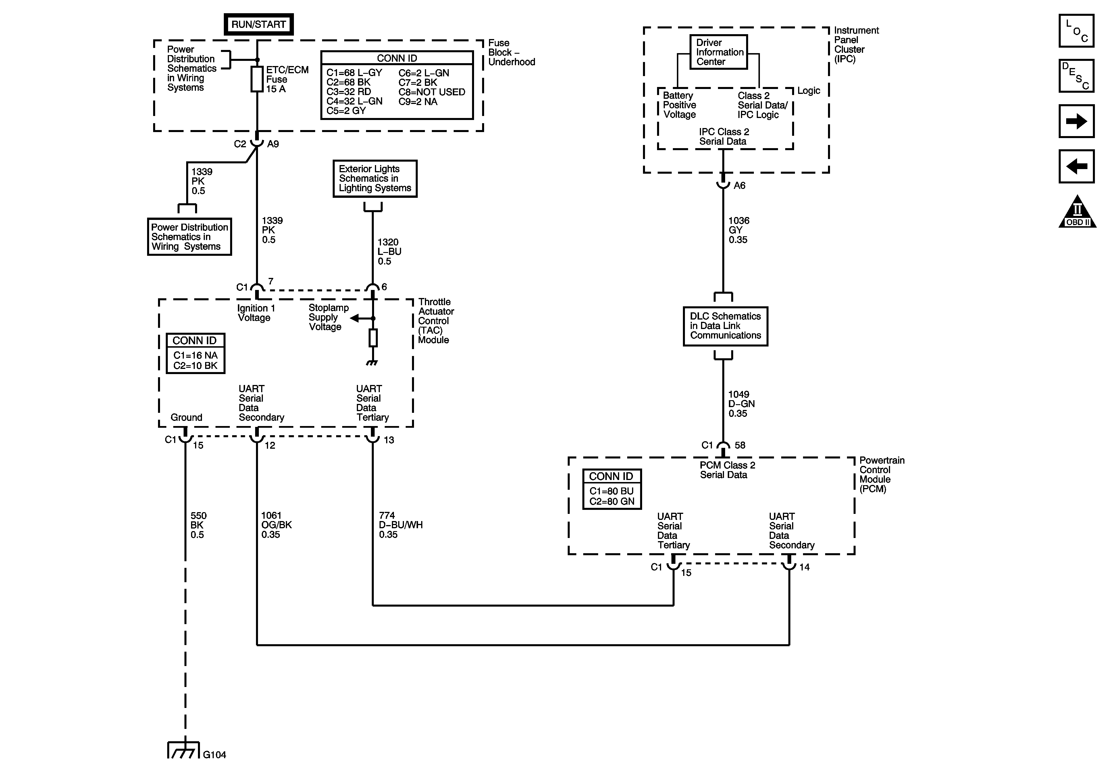
PCM Power, Grounding, Serial Data, and MIL


Object Number: 1177355  Size: FS
Master Electrical Component List
Powertrain Control Module Description
5 Volt and Low Reference Busses
OBD II Symbol Description Notice
G104 and G106
ETC/ECM, PCM I, INJ 1, and INJ 2 Fuses
ETC/ECM, PCM I, INJ 1, and INJ 2 Fuses
B+Bus
PCM B, TREC, IPC/DIC, TBC BATT, SEO B1, SEO B2, and HVAC/ECAS Fuses
WS WPR, SEO ACCY, RR WPR, TBC ACCY, TBC IGN 0, and IGN 0 Fuses
WS WPR, SEO ACCY, RR WPR, TBC ACCY, TBC IGN 0, and IGN 0 Fuses
WS WPR, SEO ACCY, RR WPR, TBC ACCY, TBC IGN 0, and IGN 0 Fuses
WS WPR, SEO ACCY, RR WPR, TBC ACCY, TBC IGN 0, and IGN 0 Fuses
Power, Ground, DLC, and Splice Pack SP205
G102 and G103
G102 and G103
G104 and G106
Figure 2:

5 Volt and Low Reference Busses


Object Number: 1177356  Size: FS
Master Electrical Component List
Powertrain Control Module Description
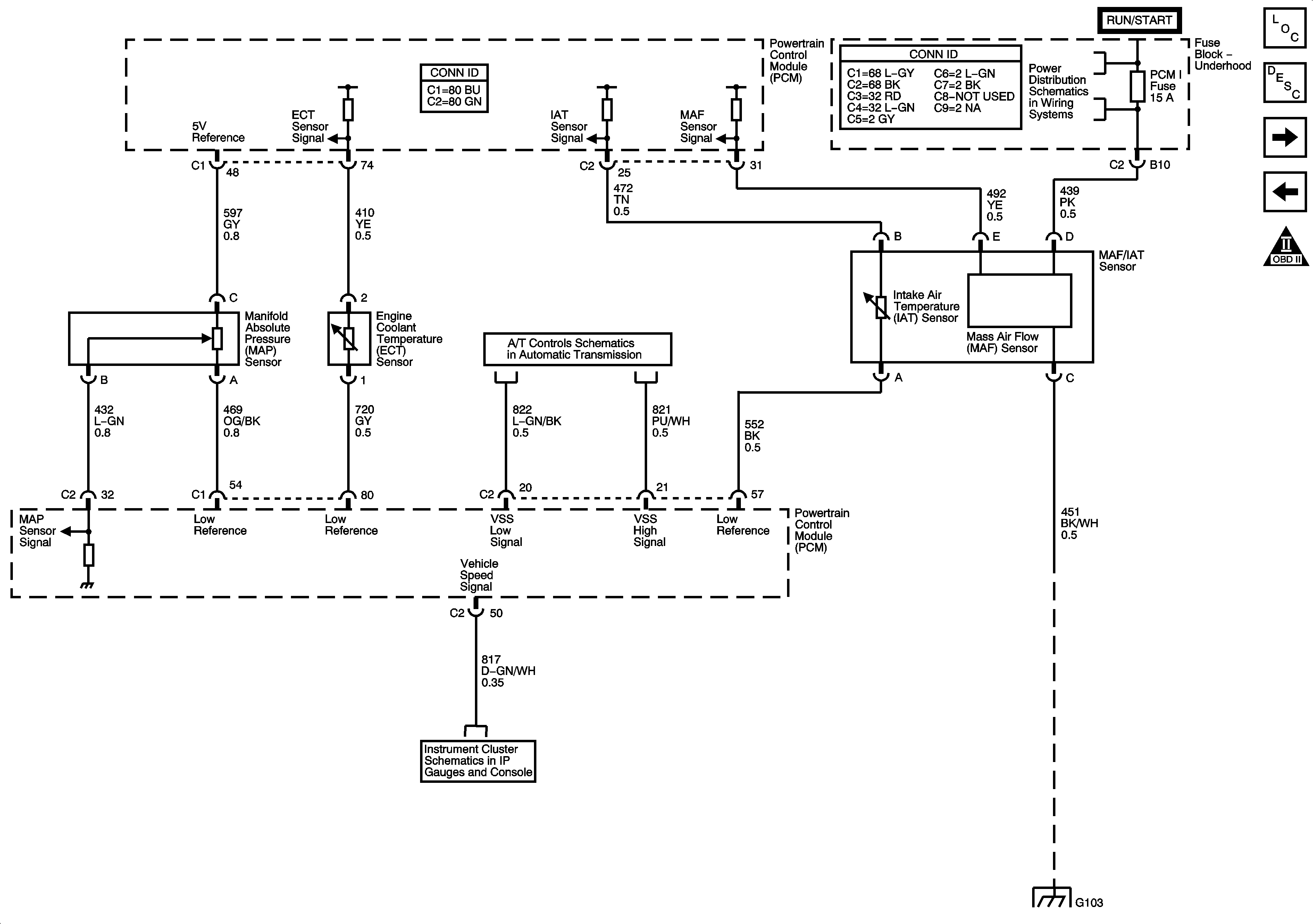
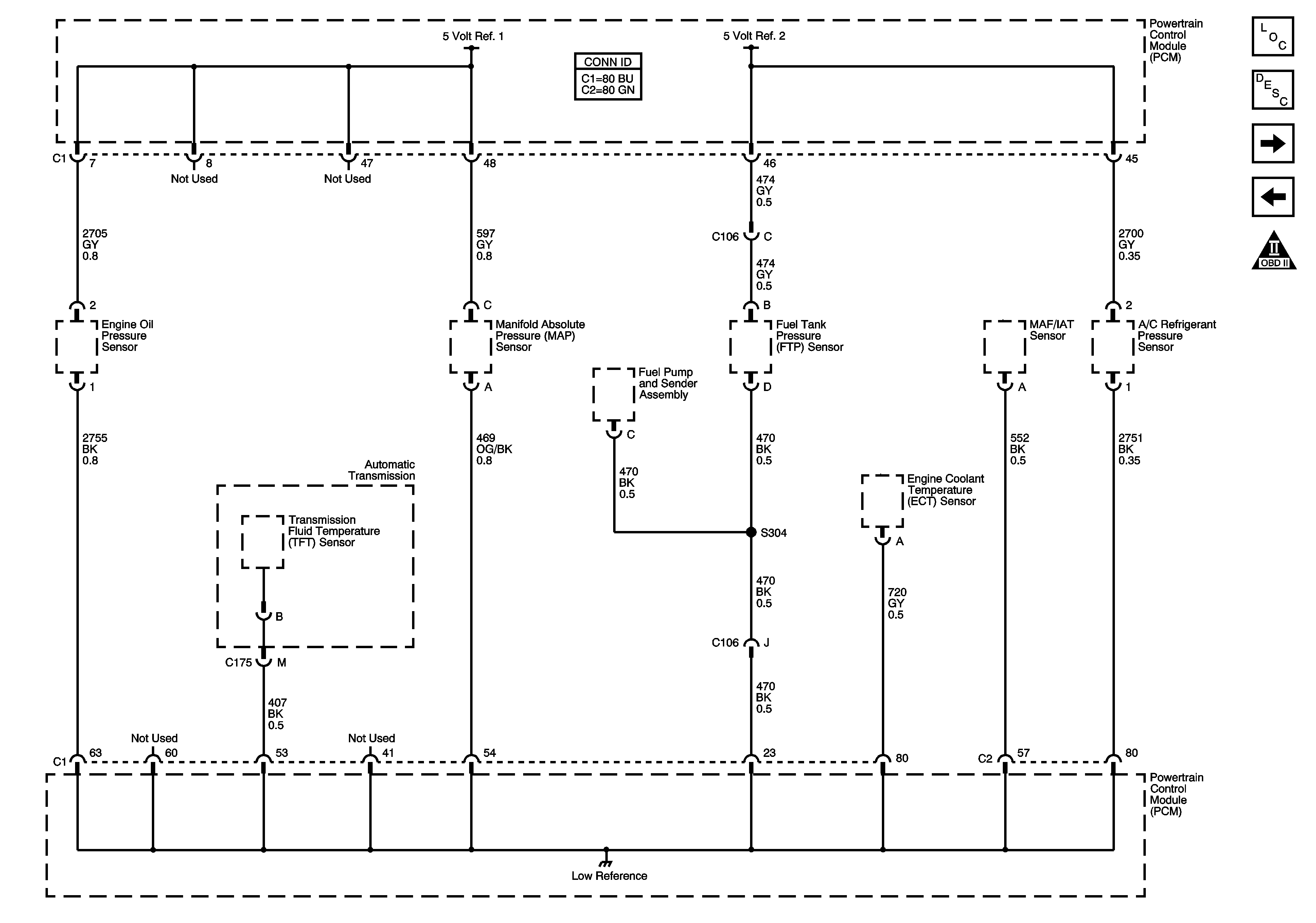
MAP, ECT, VSS Circuit, and IAT/MAF
PCM Power, Grounding, Serial Data, and MIL
OBD II Symbol Description Notice
Figure 3:

MAP, ECT, VSS Circuit, and IAT/MAF


Object Number: 1177357  Size: FS
Master Electrical Component List
Powertrain Control Module Description
HO2S Circuits
5 Volt and Low Reference Busses
OBD II Symbol Description Notice
ETC/ECM, PCM I, INJ 1, and INJ 2 Fuses
Fluid Pressure Switch, TFT Sensor, PC Solenoid Valve, Transfer Case Control Module, and Vehicle Speed Sensor
G102 and G103
Power, Grounding, DLC, Sensors, and Gauges
Figure 4:

HO2S Circuits


Object Number: 1177371  Size: FS
Master Electrical Component List
Powertrain Control Module Description
TAC Power, Grounding, Data Circuits, and Indicator Control
MAP, ECT, VSS Circuit, and IAT/MAF
OBD II Symbol Description Notice
B/U LP, O2A, O2B, TBC IGN 1, TRL B/U, and BTSI Fuses
G102 and G103
Figure 5:

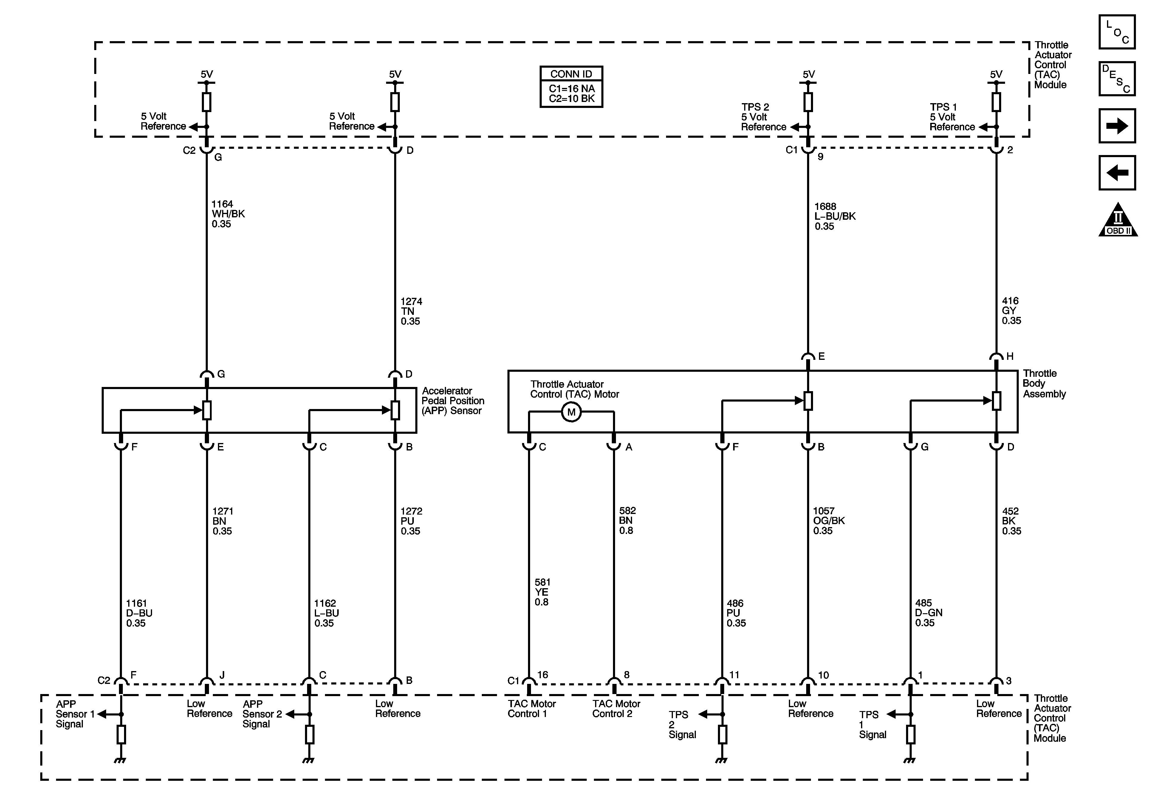
TAC Power, Grounding, Data Circuits, and Indicator Control


Object Number: 1177372  Size: FS
Master Electrical Component List
Throttle Actuator Control (TAC) System Description
Accelerator Pedal Position Sensor and Throttle Control Circuits
HO2S Circuits
OBD II Symbol Description Notice
ETC/ECM, PCM I, INJ 1, and INJ 2 Fuses
ETC/ECM, PCM I, INJ 1, and INJ 2 Fuses
Stop Lamps
Power, Ground, DLC, and Splice Pack SP205
G104 and G106
Figure 6:

Accelerator Pedal Position Sensor and Throttle Control Circuits


Object Number: 1177373  Size: FS
Master Electrical Component List
Throttle Actuator Control (TAC) System Description
Ignition Control, Bank 1
TAC Power, Grounding, Data Circuits, and Indicator Control
OBD II Symbol Description Notice
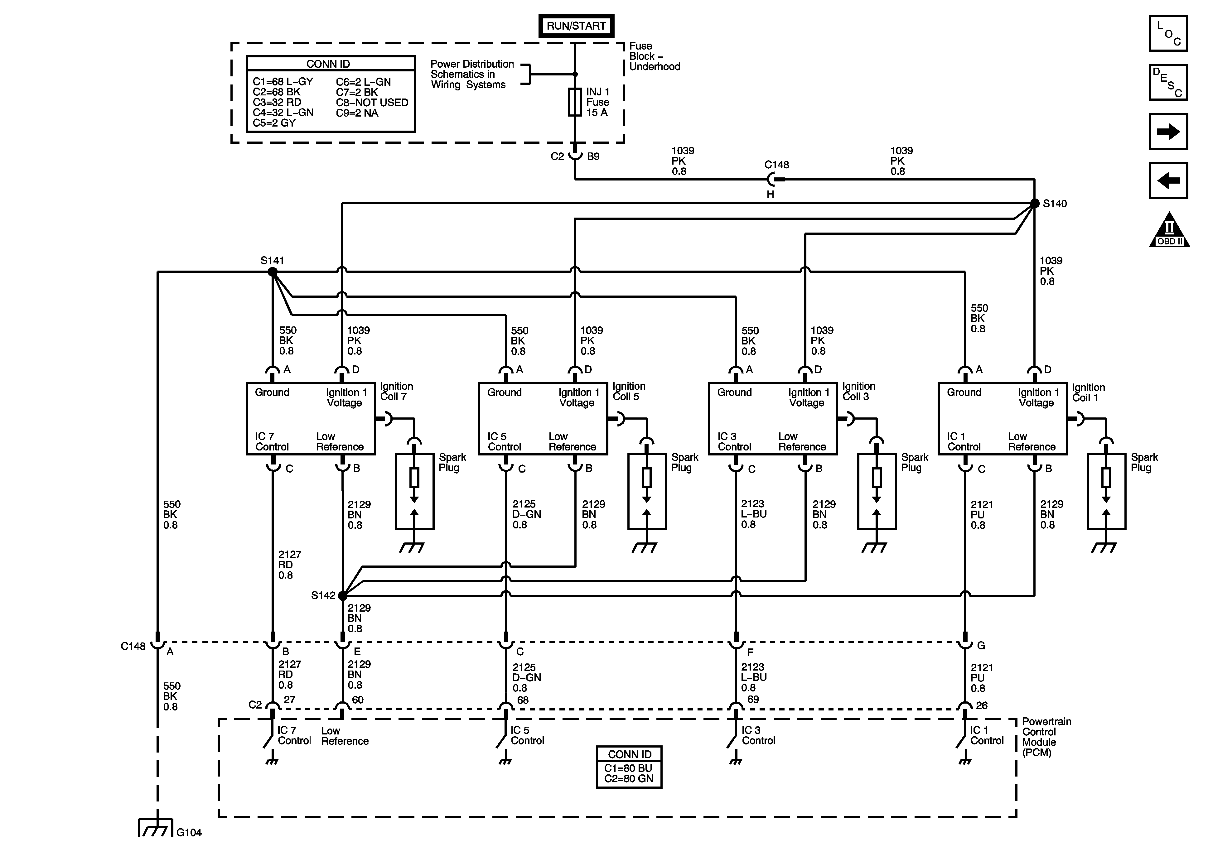
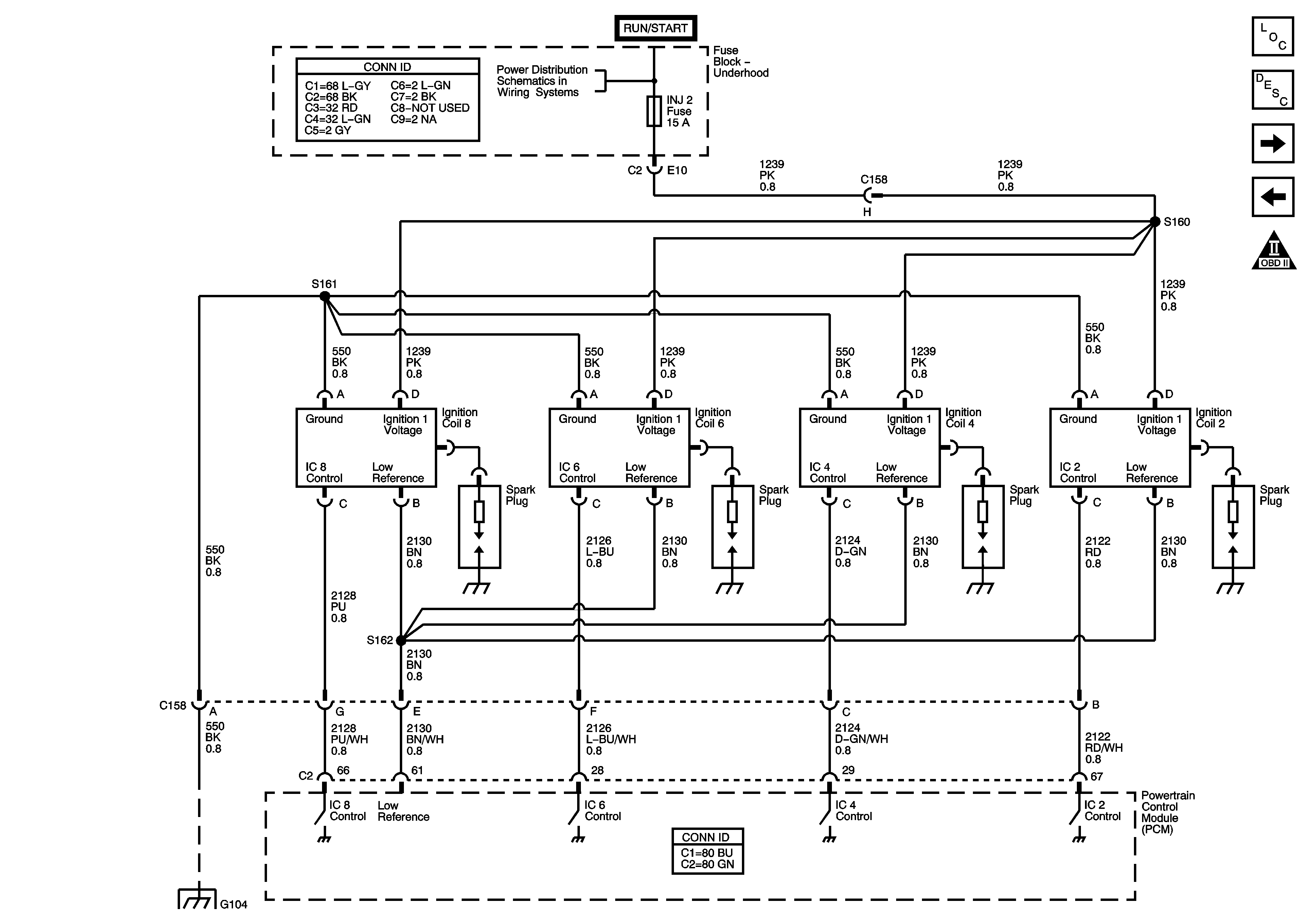
Figure 7:

Ignition Control, Bank 1 (LH)


Object Number: 1177374  Size: FS
Master Electrical Component List
Electronic Ignition (EI) System Description
Electronic Ignition (EI) System Description
Ignition Control, Bank 2
Accelerator Pedal Position Sensor and Throttle Control Circuits
OBD II Symbol Description Notice
ETC/ECM, PCM I, INJ 1, and INJ 2 Fuses
G104 and G106
Figure 8:

Ignition Control, Bank 2 (RH)


Object Number: 1177375  Size: FS
Master Electrical Component List
Electronic Ignition (EI) System Description
Electronic Ignition (EI) System Description
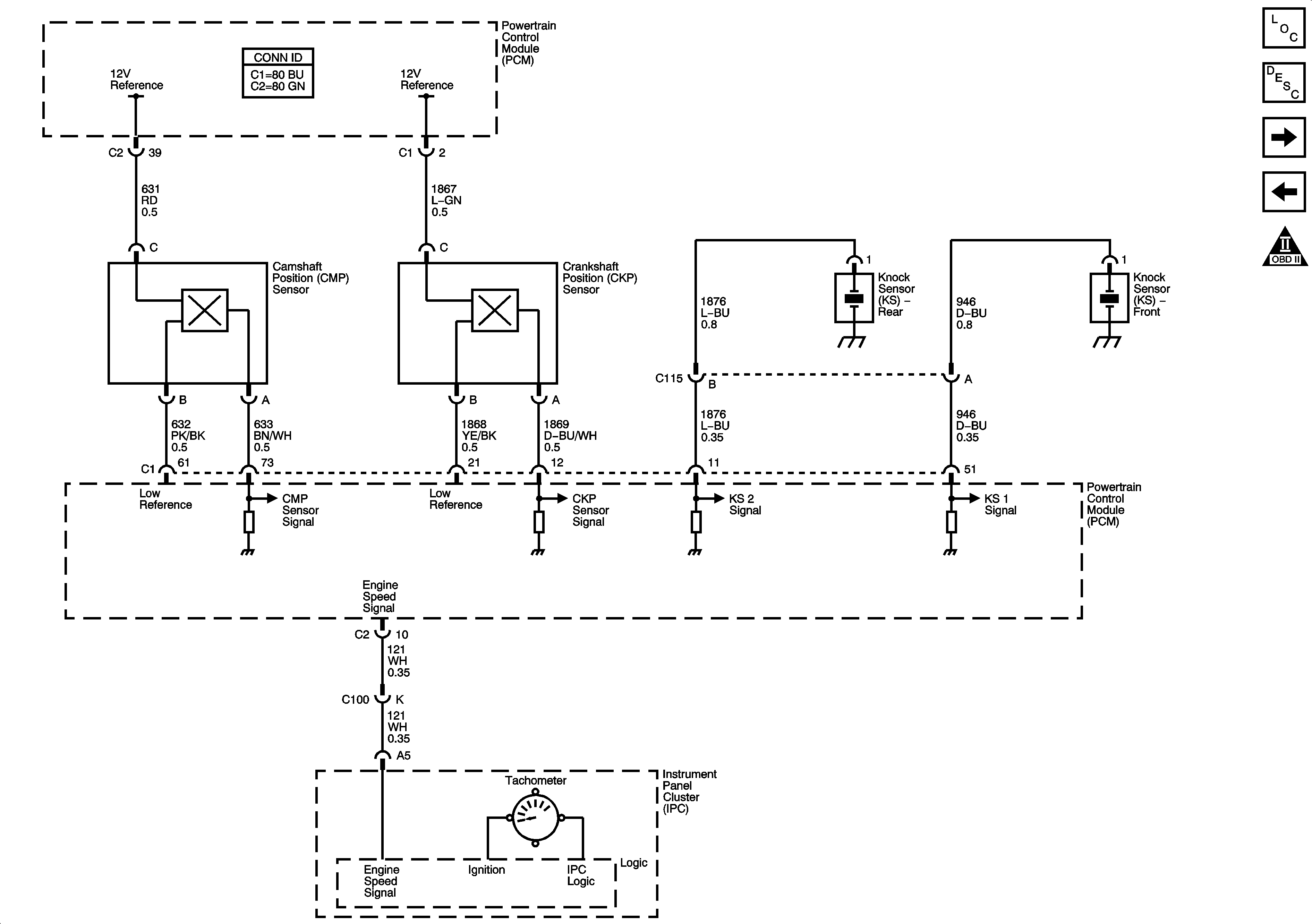
CMP, CKP, KS, and Engine Speed Output
Ignition Control, Bank 1
OBD II Symbol Description Notice
ETC/ECM, PCM I, INJ 1, and INJ 2 Fuses
G104 and G106
Figure 9:

CMP, CKP, KS, and Engine Speed Output


Object Number: 1177376  Size: FS
Master Electrical Component List
Knock Sensor (KS) System Description
Knock Sensor (KS) System Description
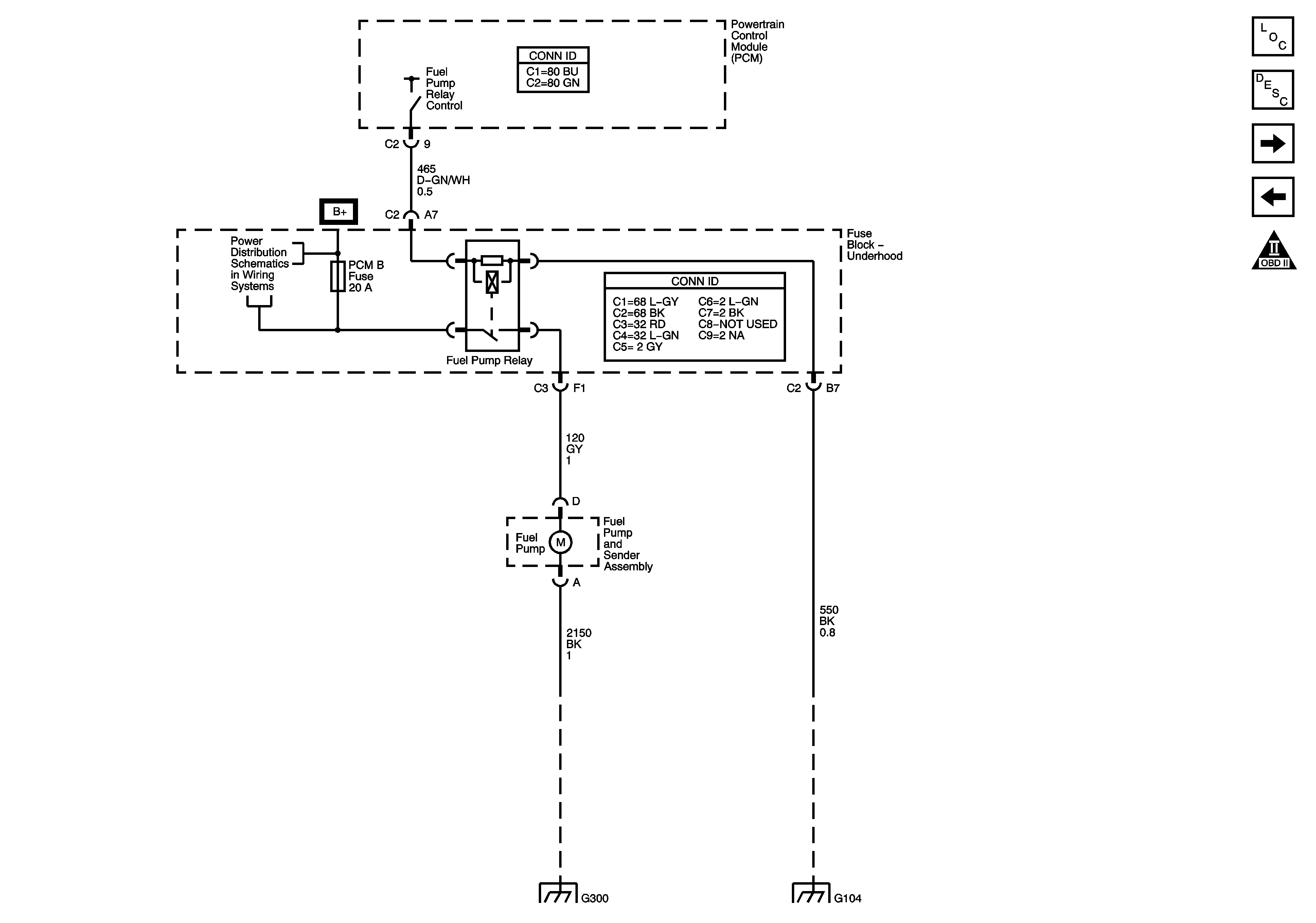
Fuel Pump Controls
Ignition Control, Bank 2
OBD II Symbol Description Notice
Figure 10:

Fuel Pump Controls


Object Number: 1177378  Size: FS
Master Electrical Component List
Fuel System Description
Fuel Injector Controls
CMP, CKP, KS, and Engine Speed Output
OBD II Symbol Description Notice
PCM B, TREC, IPC/DIC, TBC BATT, SEO B1, SEO B2, and HVAC/ECAS Fuses
G104 and G106
G308, G310, G401, and G300
Figure 11:

Fuel Injector Controls


Object Number: 1177379  Size: FS
Master Electrical Component List
Fuel System Description
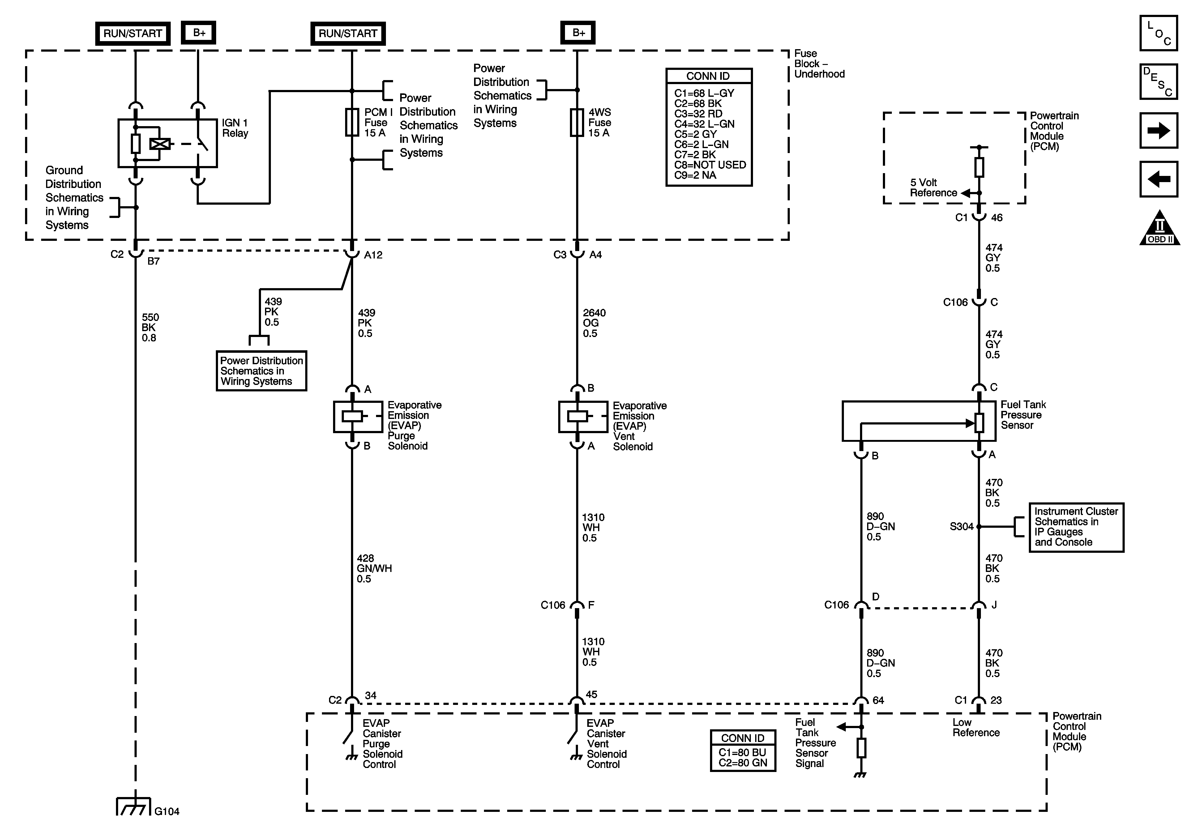
EVAP and Fuel Tank Pressure Sensor
Fuel Pump Controls
OBD II Symbol Description Notice
ETC/ECM, PCM I, INJ 1, and INJ 2 Fuses
ETC/ECM, PCM I, INJ 1, and INJ 2 Fuses
Figure 12:

EVAP and Fuel Tank Pressure Sensor


Object Number: 1177383  Size: FS
Master Electrical Component List
Evaporative Emission Control System Description
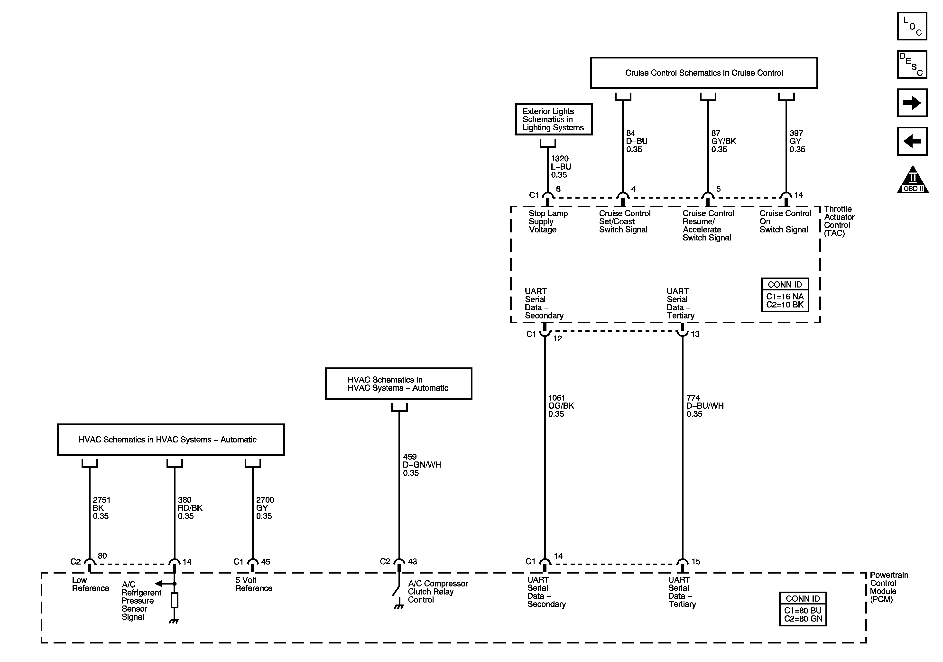
HVAC and Cruise Control Circuits
Fuel Injector Controls
OBD II Symbol Description Notice
G104 and G106
ETC/ECM, PCM I, INJ 1, and INJ 2 Fuses
ETC/ECM, PCM I, INJ 1, and INJ 2 Fuses
RR DEFOG, RR WPR, 4WS, STOP LP, VEH STOP, and VEH CHMSL Fuses
Power, Grounding, DLC, Sensors, and Gauges
G104 and G106
Figure 13:

HVAC and Cruise Control Circuits


Object Number: 1177387  Size: FS
Master Electrical Component List
Throttle Actuator Control (TAC) System Description
Starter, Generator, Oil Level and Pressure, and 4WD Circuits
EVAP and Fuel Tank Pressure Sensor
OBD II Symbol Description Notice
Air Conditioning Compressor Control
Air Conditioning Compressor Control
Stop Lamps
Cruise Control Schematics
Figure 14:

Starter, Generator Oil Level and Pressure, and 4WD Circuits


Object Number: 1177389  Size: FS
Master Electrical Component List
Powertrain Control Module Description
Automatic Transmission Circuits
HVAC and Cruise Control Circuits
OBD II Symbol Description Notice
Starting Schematics
Power, Grounding, DLC, Sensors, and Gauges
Fluid Pressure Switch, TFT Sensor, PC Solenoid Valve, Transfer Case Control Module, and Vehicle Speed Sensor
Charging Schematics
Engine Cooling Schematics
Displays and Personalization Controls
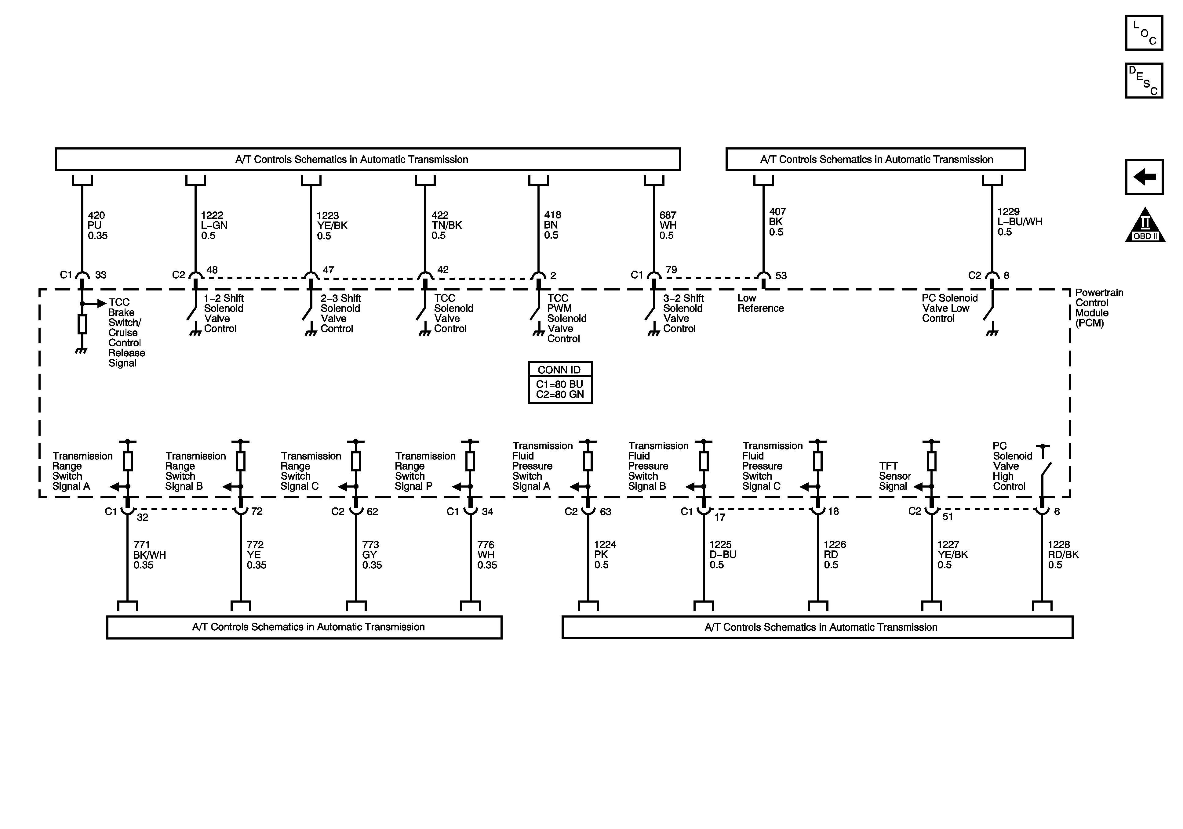
Figure 15:

Automatic Transmission Circuits


Object Number: 1177391  Size: FS
Master Electrical Component List
Powertrain Control Module Description
Starter, Generator, Oil Level and Pressure, and 4WD Circuits
OBD II Symbol Description Notice
Power, BCM, PCM, Class 2, Stop Lamp Switch, Tow/Haul Switch, and Shift Solenoids
Fluid Pressure Switch, TFT Sensor, PC Solenoid Valve, Transfer Case Control Module, and Vehicle Speed Sensor
Fluid Pressure Switch, TFT Sensor, PC Solenoid Valve, Transfer Case Control Module, and Vehicle Speed Sensor
Fluid Pressure Switch, TFT Sensor, PC Solenoid Valve, Transfer Case Control Module, and Vehicle Speed Sensor