GM Service Manual Online
For 1990-2009 cars only
Figure 1:

Power, Ground, Serial Data and MIL


Object Number: 1749337  Size: FS
Master Electrical Component List
Engine Control Module Description
Control Module References
Data Sensors - 5 Volt and Low Reference
Underhood Fuse Block B+ Bus - 1 of 2
Underhood Fuse Block B+ Bus - 1 of 2
Underhood Fuse Block B+ Bus - 1 of 2
Ignition Power Modes - RUN
IGN SW Fuse and Ignition Switch
IGN MAIN Relay, ABS IGN Fuse, AIRBAG Fuse, ECM TCM IGN Fuse, and MISC IGN Fuse
IGN SW Fuse and Ignition Switch
Engine Controls Schematic Icons
G100 (LH2)
High Speed GMLAN
Figure 2:

Engine Data Sensors - 5-Volt and Low References


Object Number: 1749338  Size: FS
Master Electrical Component List
Engine Control Module Description
Control Module References
Engine Data Sensors - MAF, MAP, and Engine Coolant Temp (ECT) Sensors
Power, Ground, Serial Data and MIL
Figure 3:

Engine Data Sensors - MAF, MAP and ECT Sensor


Object Number: 1749340  Size: FS
Master Electrical Component List
Engine Control Module Description
Control Module References
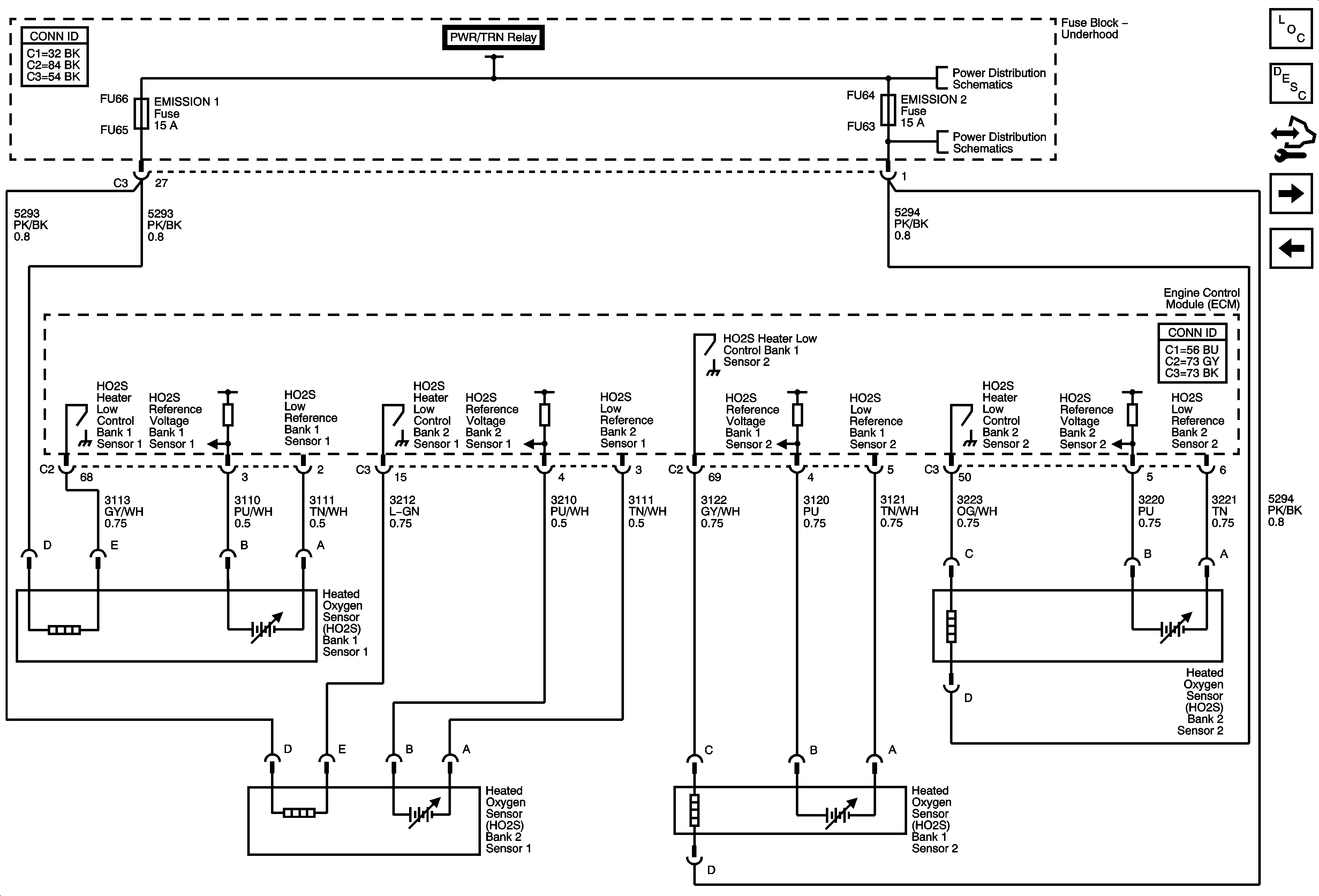
Engine Data Sensors - Oxygen Sensors
Data Sensors - 5 Volt and Low Reference
Power, Ground, Serial Data and MIL
ECM 1 Fuse, EMISSION 1 Fuse, EMISSION 2 Fuse, and PWR/TRN Relay (LH2)
ECM 1 Fuse, EMISSION 1 Fuse, EMISSION 2 Fuse, and PWR/TRN Relay (LH2)
G100 (LH2)
Figure 4:

Engine Data Sensors - Oxygen Sensors


Object Number: 1749341  Size: FS
Master Electrical Component List
Fuel System Description
Control Module References
Engine Data Sensors - Electronic Throttle
Engine Data Sensors - MAF, MAP, and Engine Coolant Temp (ECT) Sensors
Power, Ground, Serial Data and MIL
Underhood Fuse Block B+ Bus - 1 of 2
ECM 1 Fuse, EMISSION 1 Fuse, EMISSION 2 Fuse, and PWR/TRN Relay (LH2)
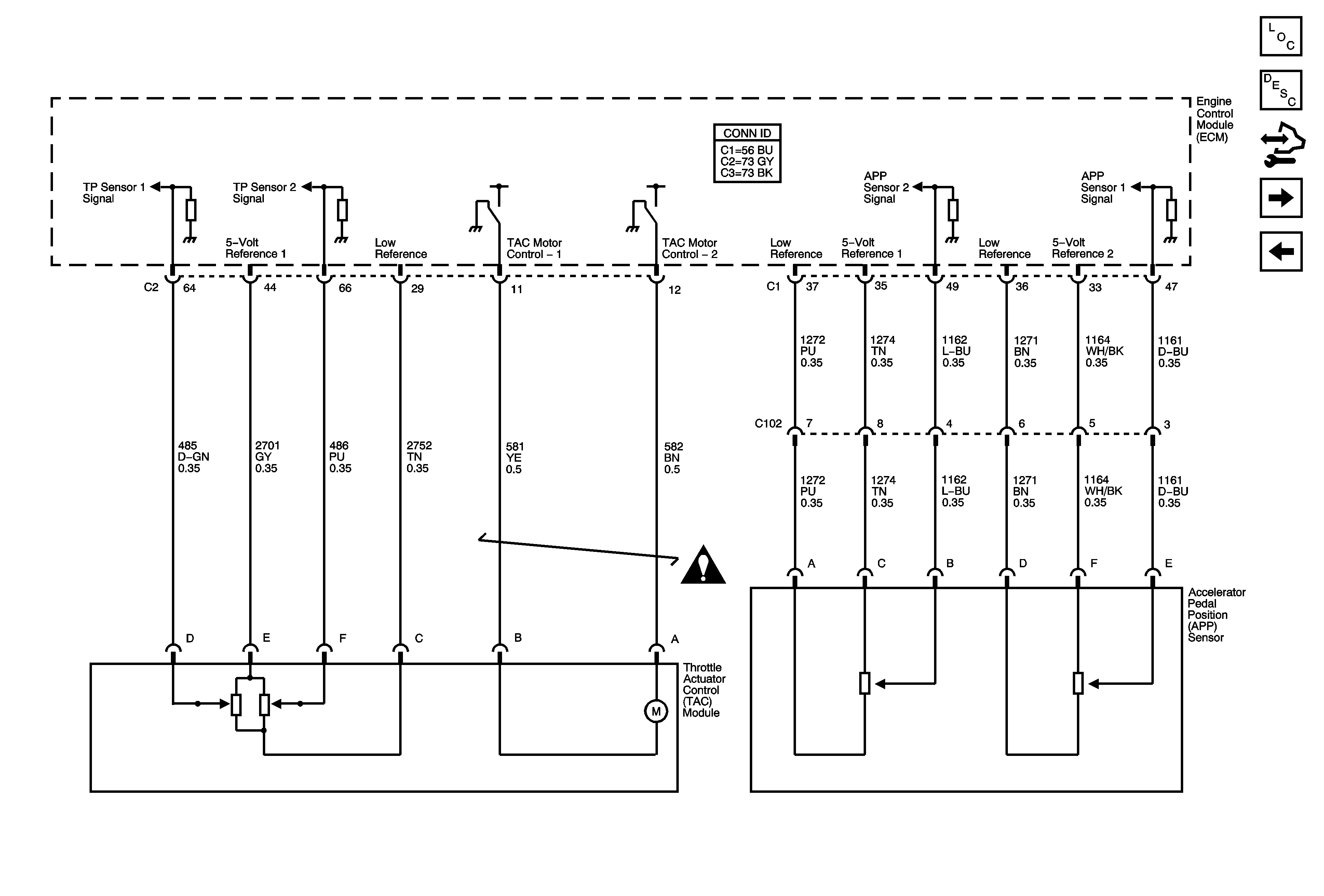
Figure 5:

Engine Data Sensors - Electronic Throttle Controls


Object Number: 1749342  Size: FS
Master Electrical Component List
Throttle Actuator Control (TAC) System Description
Control Module References
Ignition Controls - Bank 1 Ignition Coils
Engine Data Sensors - Oxygen Sensors
Engine Controls Schematic Icons
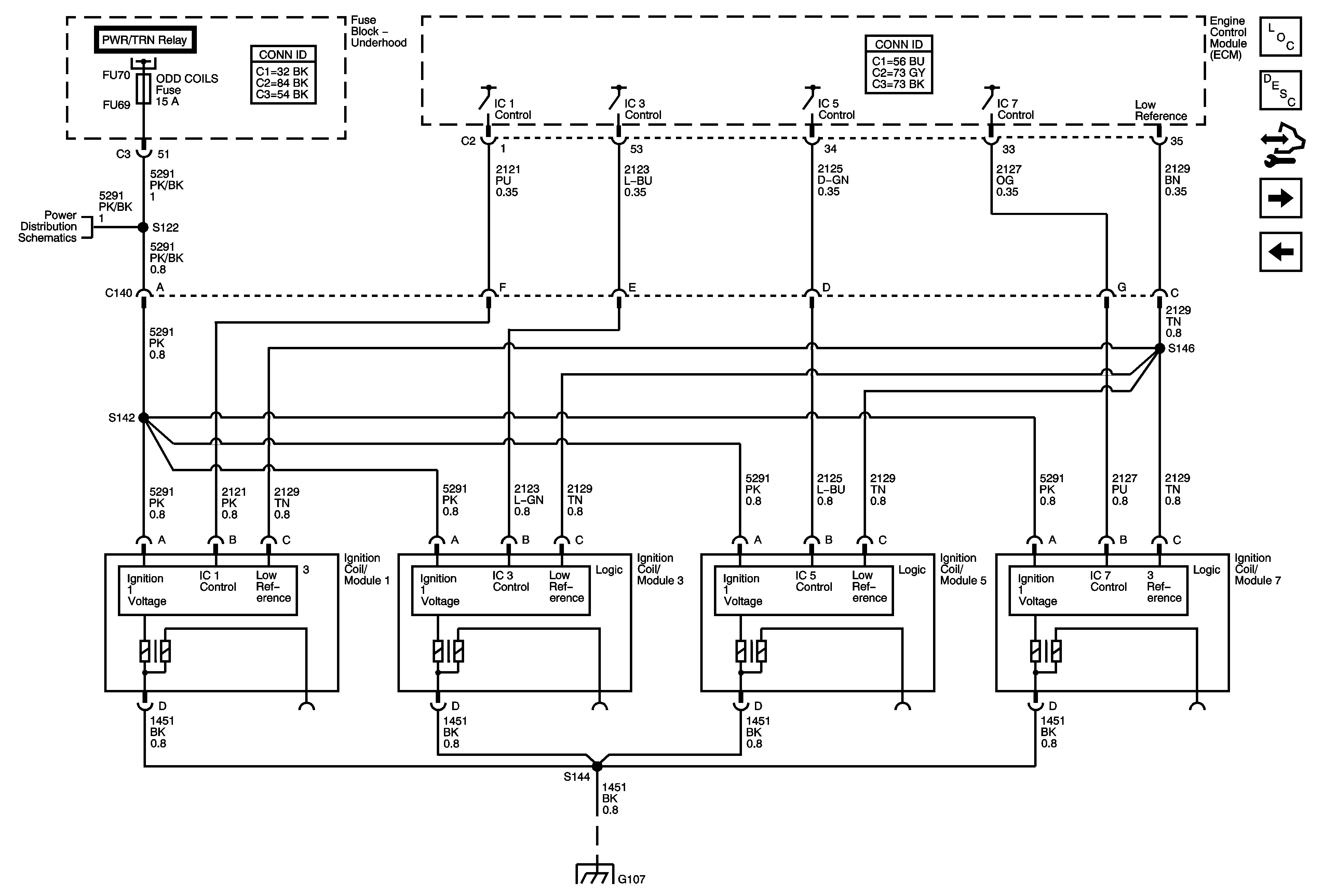
Figure 6:

Ignition Controls - Bank 1 Ignition Coils


Object Number: 1749343  Size: FS
Master Electrical Component List
Electronic Ignition (EI) System Description
Control Module References
Ignition Controls - Bank 2 Ignition Coils
Engine Data Sensors - Electronic Throttle
Power, Ground, Serial Data and MIL
EVEN COIL Fuse and ODD COIL Fuse
G102, G105, G107, G108, G109, G110
Figure 7:

Ignition Controls - Bank 2 Ignition Coils


Object Number: 1749344  Size: FS
Master Electrical Component List
Electronic Ignition (EI) System Description
Control Module References
Ignition Controls - CMP Sensors and Solenoids
Ignition Controls - Bank 1 Ignition Coils
Power, Ground, Serial Data and MIL
EVEN COIL Fuse and ODD COIL Fuse
G102, G105, G107, G108, G109, G110
Figure 8:

Ignition Controls - CMP Sensors and Solenoids


Object Number: 1749345  Size: FS
Master Electrical Component List
Camshaft Actuator System Description
Control Module References
Ignition Controls - CKP and Knock Sensors
Ignition Controls - Bank 2 Ignition Coils
Figure 9:

Ignition Controls - CKP and Knock Sensors


Object Number: 1749346  Size: FS
Master Electrical Component List
Electronic Ignition (EI) System Description
Control Module References
Fuel Controls - Fuel Pump and Injectors
Ignition Controls - CMP Sensors and Solenoids
Engine Controls Schematic Icons
Engine Controls Schematic Icons
Engine Controls Schematic Icons
Engine Controls Schematic Icons
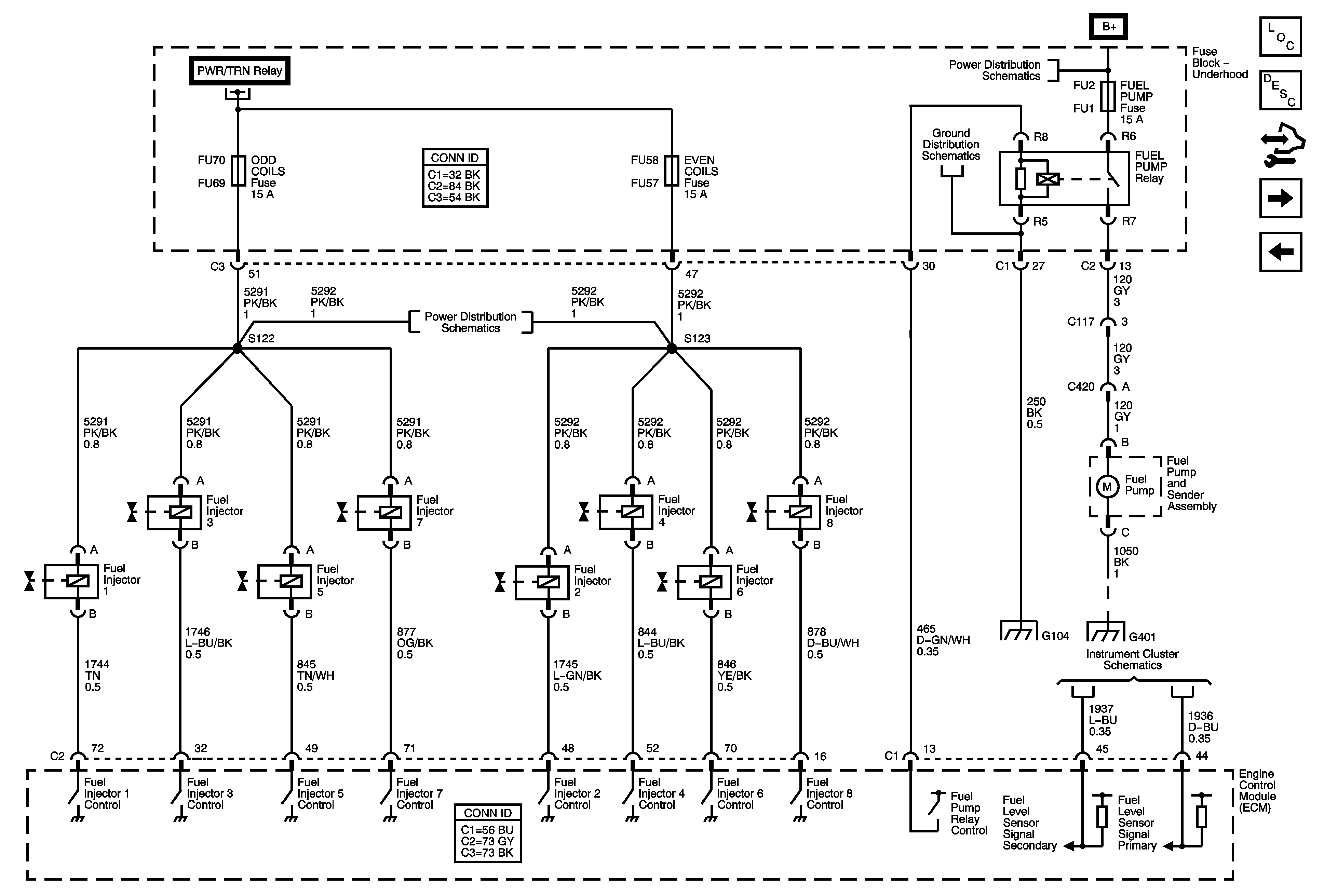
Figure 10:

Fuel Controls - Fuel Pump and Injectors


Object Number: 1749347  Size: FS
Master Electrical Component List
Fuel System Description
Control Module References
Fuel Control - EVAP Controls
Ignition Controls - CKP and Knock Sensors
Power, Ground, Serial Data and MIL
Underhood Fuse Block B+ Bus - 1 of 2
G104 (2 of 2)
EVEN COIL Fuse and ODD COIL Fuse
G104 (1 of 2)
G401 (1 of 3)
Gages
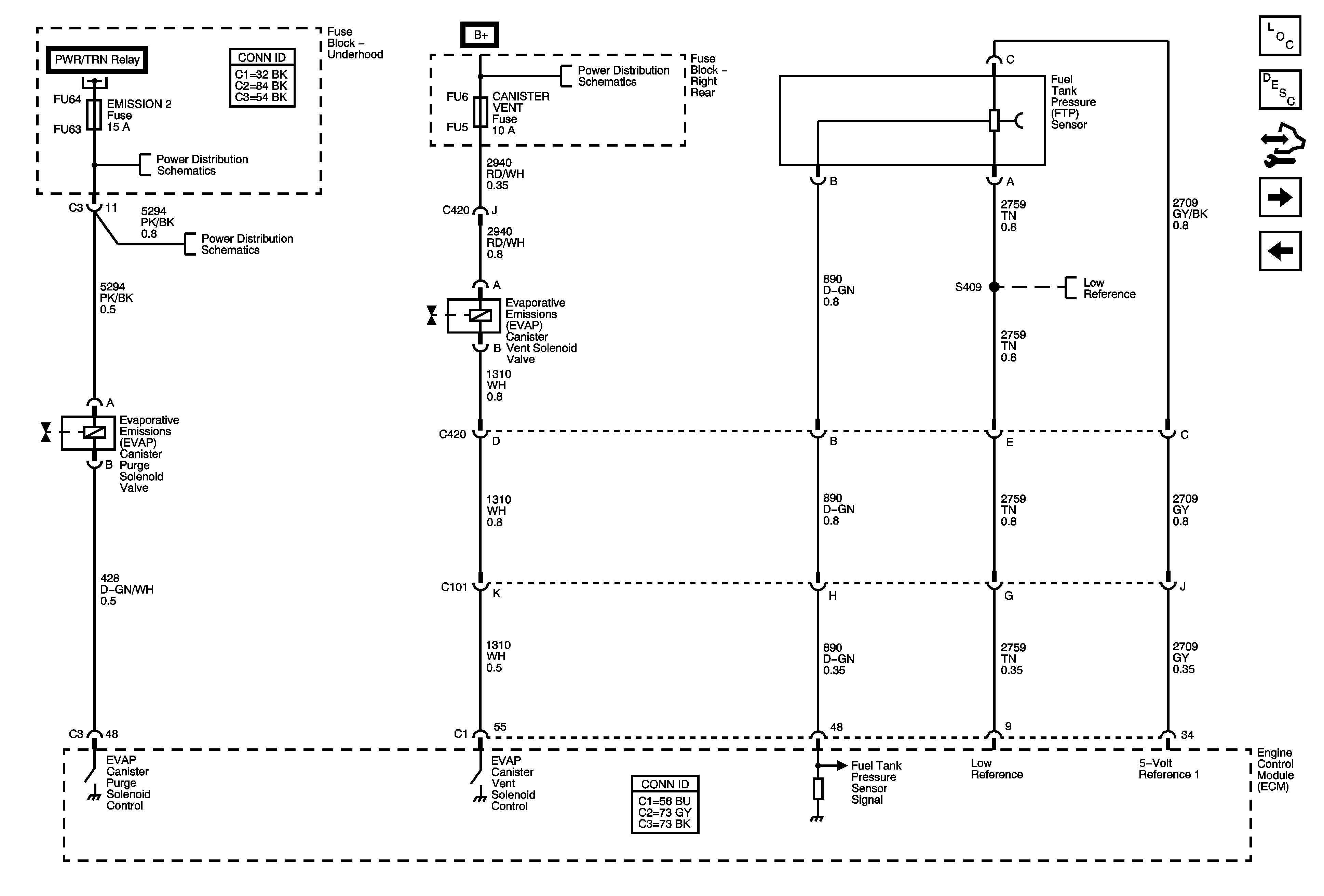
Figure 11:

Fuel Controls - EVAP Controls


Object Number: 1749348  Size: FS
Master Electrical Component List
Evaporative Emission Control System Description
Control Module References
Controlled/Monitored Subsystem References
Fuel Controls - Fuel Pump and Injectors
Power, Ground, Serial Data and MIL
Right Rear Fuse Block B+ Bus
ECM 1 Fuse, EMISSION 1 Fuse, EMISSION 2 Fuse, and PWR/TRN Relay (LH2)
ECM 1 Fuse, EMISSION 1 Fuse, EMISSION 2 Fuse, and PWR/TRN Relay (LH2)
Data Sensors - 5 Volt and Low Reference
Figure 12:

Controlled/Monitored Subsystem References


Object Number: 1749349  Size: FS
Master Electrical Component List
Electronic Ignition (EI) System Description
Control Module References
Fuel Control - EVAP Controls
Transmission Range Signals and Tow/Haul Switch
Charging System
Cooling Fans
Starting System
Indicators
A/C Compressor Controls
Stop Lamps - Domestic
Stop Lamps - Export