GM Service Manual Online
For 1990-2009 cars only
Figure 1:

Module Power


Object Number: 1593038  Size: FS
Master Electrical Component List
Engine Control Module Description
Fuse Blocks, IGN-A Relay, Ground, Serial Data and MIL
Engine Controls Schematic Icons
Batteries - LG4/LG5 and B+ Bus
Batteries - LG4/LG5 and B+ Bus
Ignition Switch - OFF/RUN/START, RUN/START, and START Bus Bars
ENGINE and PCM-1 Fuses/Circuit Breakers
TRANS Fuse/Circuit Breaker
ENGINE and PCM-1 Fuses/Circuit Breakers
ENG-2 and ENG-3 Fuses - LG5/LLY
A/C COMP, HTD FUEL, PCM-B, and RR DEFOG Fuses
TRANS Fuse/Circuit Breaker
ENGINE and PCM-1 Fuses/Circuit Breakers
Figure 2:

Fuse Blocks, IGN-A Relay, Ground, Serial Data and MIL


Object Number: 1593039  Size: FS
Master Electrical Component List
Engine Control Module Description
Engine Data Sensors - 5-Volt and Low Reference
Module Power
Engine Controls Schematic Icons
Ignition Switch - OFF/RUN/START, RUN/START, and START Bus Bars
Batteries - LG4/LG5 and B+ Bus
ENGINE and PCM-1 Fuses/Circuit Breakers
ENGINE and PCM-1 Fuses/Circuit Breakers
Ignition Switch - OFF/RUN/START, RUN/START, and START Bus Bars
AIRBAG, GAUGES, LT REAR TURN/STOP, and RT REAR TURN/STOP Fuses/Circuit Breakers
ENG-1 and ENG-4 Fuses - L18/LLY
G100 - LLY
High Speed GMLAN - LLY/L18
Splice Pack SP203
G203 - 2 of 4
Figure 3:

Engine Data Sensors - 5-Volt and Low Reference


Object Number: 1593040  Size: FS
Master Electrical Component List
Engine Control Module Description
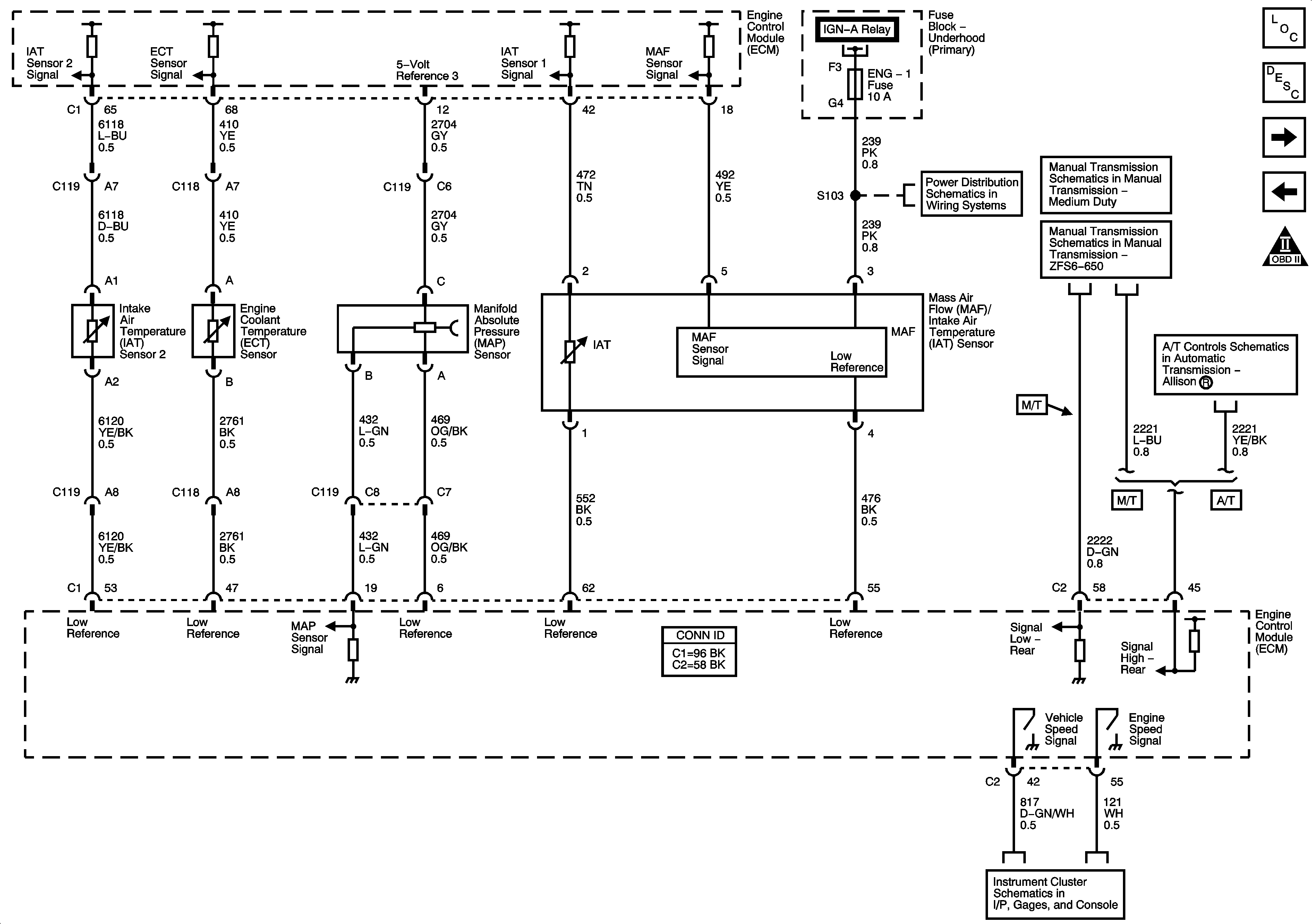
Engine Data Sensors - Pressure, Temperature and MAF Sensor
Fuse Blocks, IGN-A Relay, Ground, Serial Data and MIL
Engine Controls Schematic Icons
Figure 4:

Engine Data Sensors - Pressure, Temperature and MAF Sensor


Object Number: 1593041  Size: FS
Master Electrical Component List
Engine Control Module Description
Engine Data Sensors - EGR and Turbocharger
Engine Data Sensors - 5-Volt and Low Reference
Engine Controls Schematic Icons
Fuse Blocks, IGN-A Relay, Ground, Serial Data and MIL
ENG-1 and ENG-4 Fuses - L18/LLY
Manual Transmission Schematics
Manual Transmission Schematics
Transmission Controls, Speed Sensors, and Transmission Optional Connector
Instrument Panel Cluster - 2 of 2
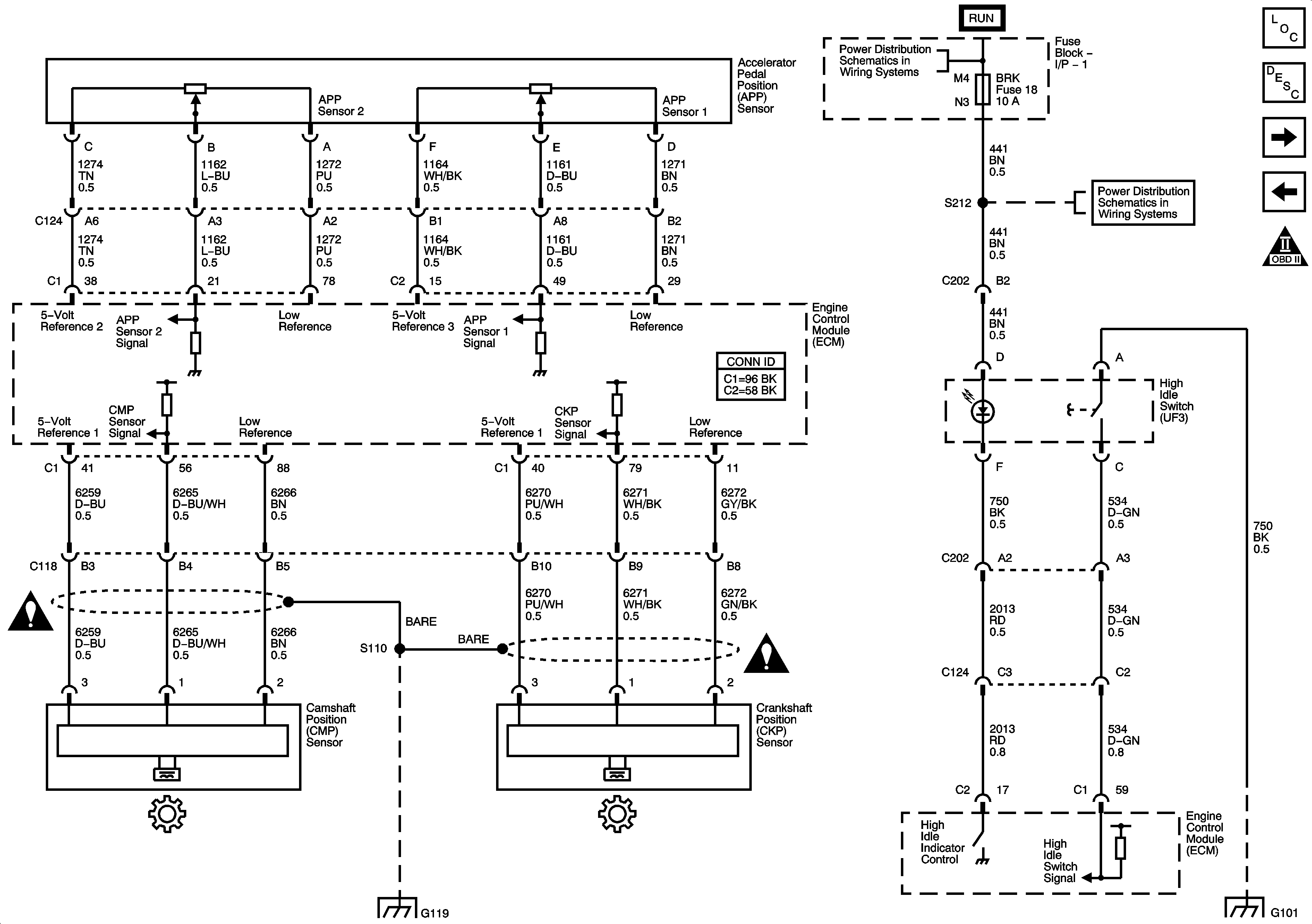
Figure 5:

Engine Data Sensors - EGR and Turbocharger


Object Number: 1593042  Size: FS
Master Electrical Component List
Turbocharger System Description
Engine Data Sensors - APP, High Idle Switch (UZ3) and Injection Timing Controls
Engine Data Sensors - Pressure, Temperature and MAF Sensor
Engine Controls Schematic Icons
Figure 6:

Engine Data Sensors - APP, High Idle Switch (UZ3) and Injection Timing Controls


Object Number: 1593049  Size: FS
Master Electrical Component List
Accelerator Pedal Position System Description
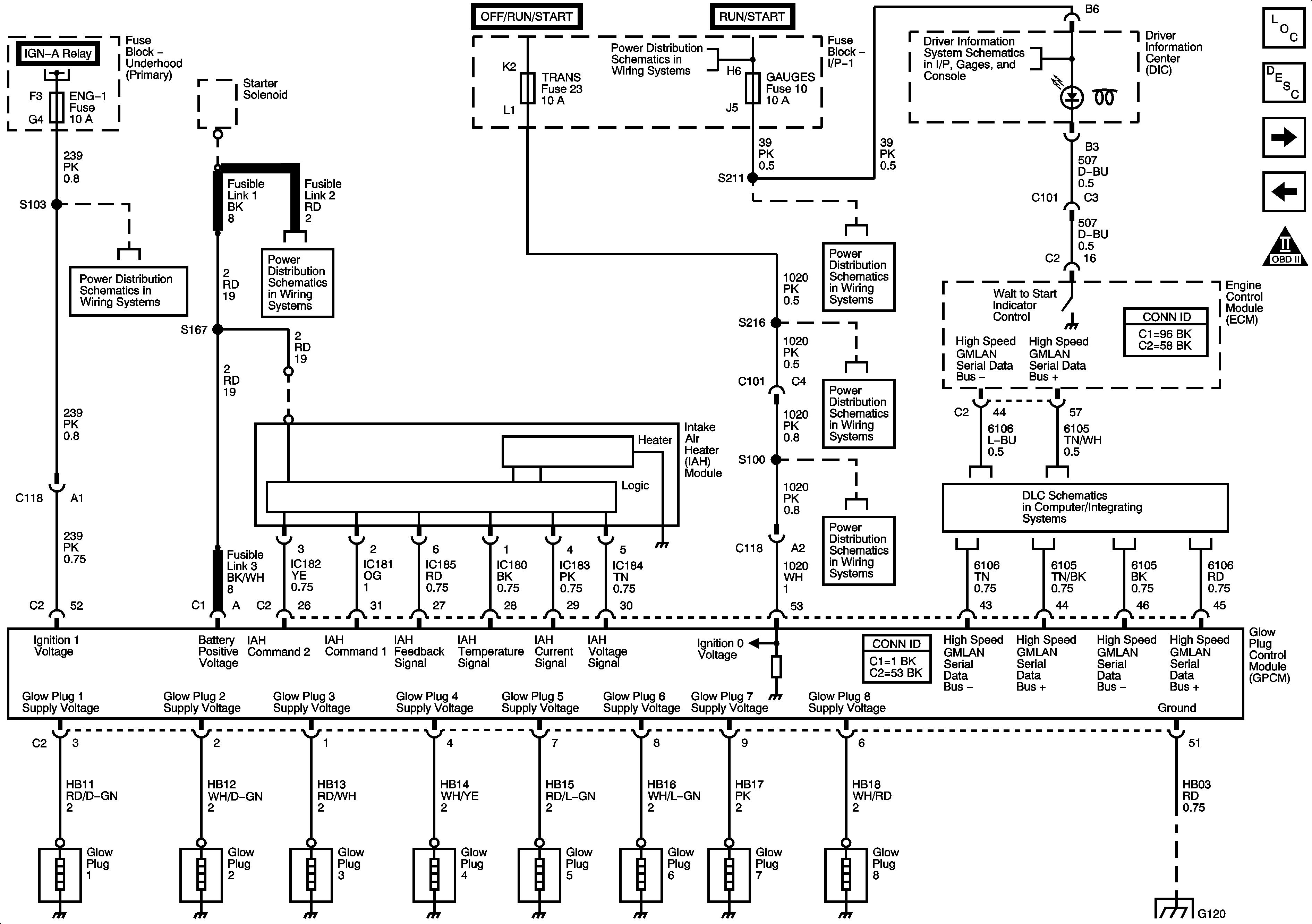
Engine Data Sensors - Glow Plug Controls
Engine Data Sensors - EGR and Turbocharger
Engine Controls Schematic Icons
Ignition Switch - RUN and ACC/RUN Bus Bars and IGN 3 Fuse
AXL/4WD, BRK, HTR/AC, and HYD/AIR BRK Fuses/Circuit Breakers
Engine Controls Schematic Icons
Engine Controls Schematic Icons
G101 - 1 of 2
Figure 7:

Engine Data Sensors - Glow Plug Controls


Object Number: 1593051  Size: FS
Master Electrical Component List
Glow Plug System Description
Fuel Controls - Fuel Pump, Temperature and Pressure Controls
Engine Data Sensors - APP, High Idle Switch (UZ3) and Injection Timing Controls
Engine Controls Schematic Icons
Fuse Blocks, IGN-A Relay, Ground, Serial Data and MIL
ENG-1 and ENG-4 Fuses - L18/LLY
Batteries - LG4/LG5 and B+ Bus
Ignition Switch - OFF/RUN/START, RUN/START, and START Bus Bars
DIC
AIRBAG, GAUGES, LT REAR TURN/STOP, and RT REAR TURN/STOP Fuses/Circuit Breakers
TRANS Fuse/Circuit Breaker
TRANS Fuse/Circuit Breaker
High Speed GMLAN - LLY/L18
G119 and G120
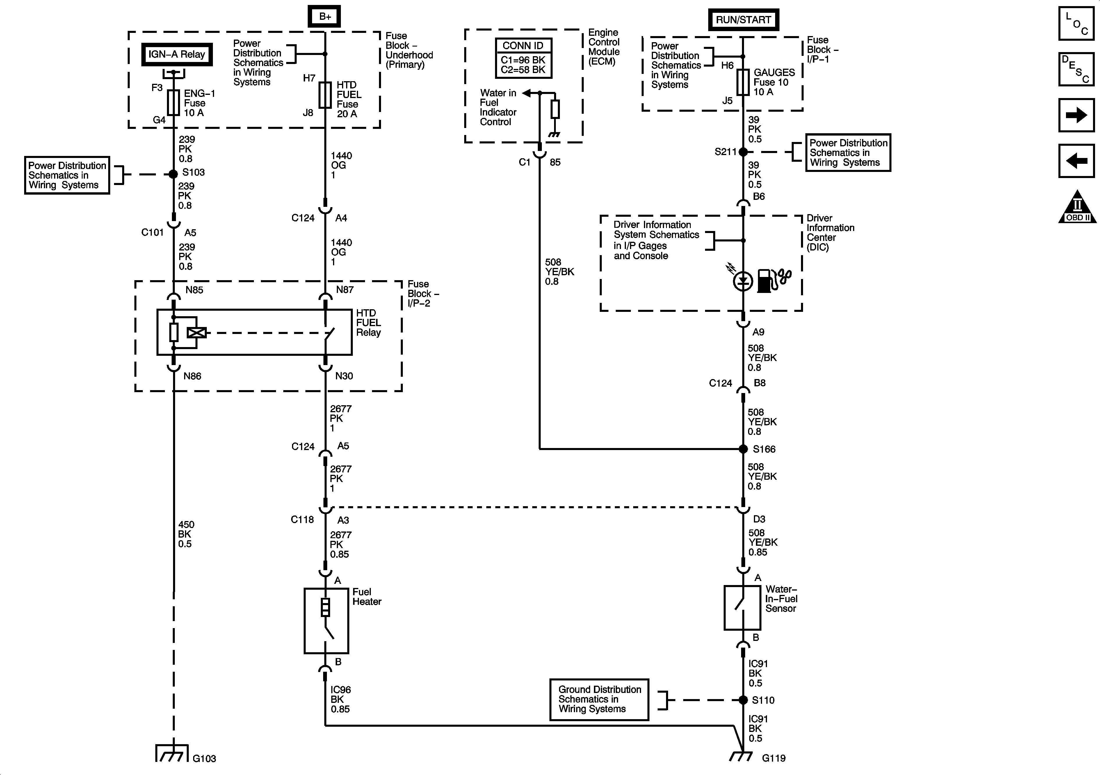
Figure 8:

Fuel Controls - Fuel Pump, Temperature and Pressure Controls


Object Number: 1593053  Size: FS
Master Electrical Component List
Engine Control Module Description
Fuel Controls - Fuel Heater and Water-In-Fuel Sensor
Engine Data Sensors - Glow Plug Controls
Engine Controls Schematic Icons
ECM-B Circuit Breaker - C6/C7 and FUEL Fuse/Circuit Breaker - C4/C5/C8
Engine Controls Schematic Icons
Fuel Gage
G200 and G202
G100 - LLY
G203 - 1 of 4
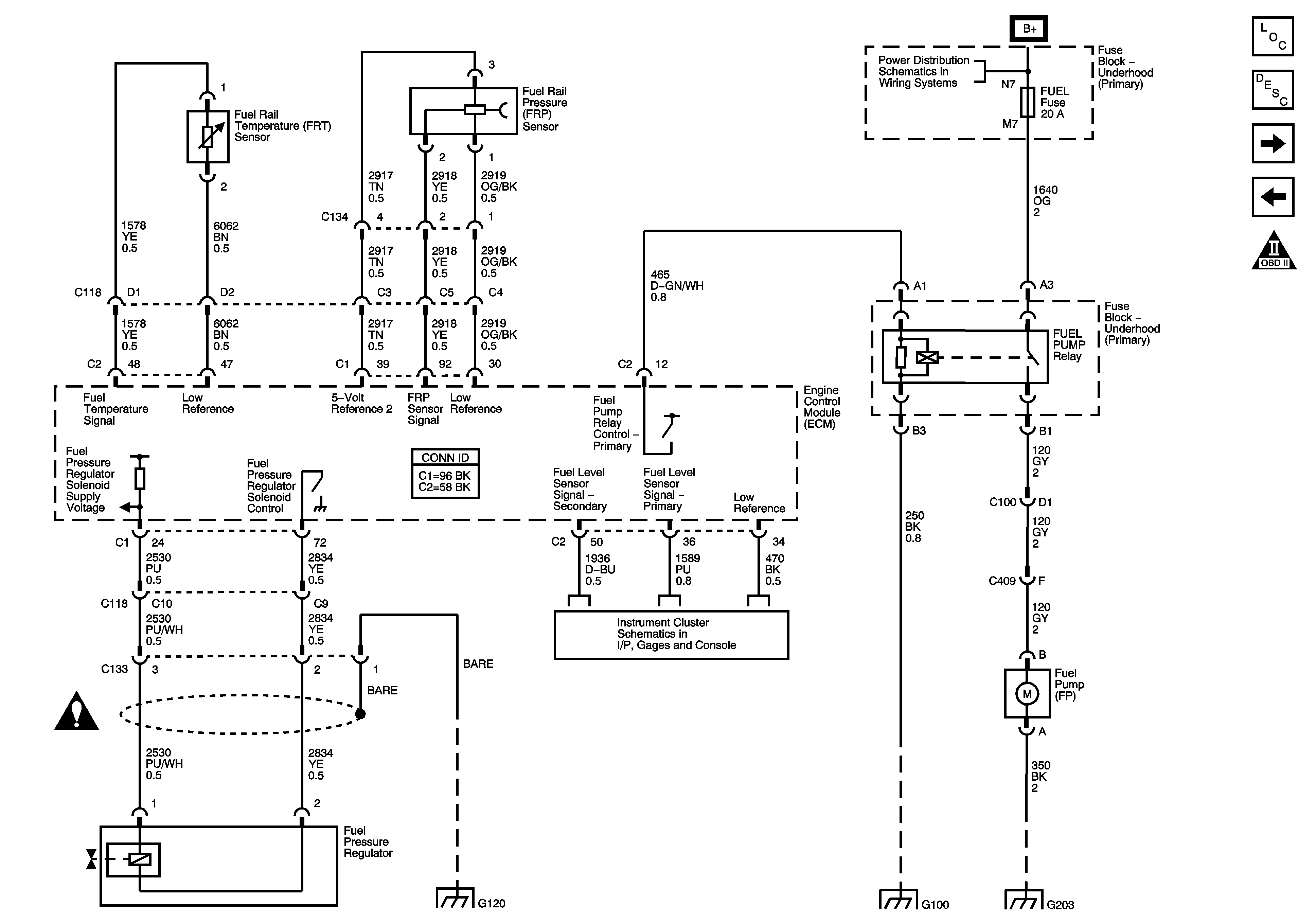
Figure 9:

Fuel Controls - Fuel Heater and Water-In-Fuel Sensor


Object Number: 1593062  Size: FS
Master Electrical Component List
Engine Control Module Description
Fuel Controls - Fuel Injectors
Fuel Controls - Fuel Pump, Temperature and Pressure Controls
Engine Controls Schematic Icons
ENG-1 and ENG-4 Fuses - L18/LLY
Fuse Blocks, IGN-A Relay, Ground, Serial Data and MIL
A/C COMP, HTD FUEL, PCM-B, and RR DEFOG Fuses
Ignition Switch - OFF/RUN/START, RUN/START, and START Bus Bars
AIRBAG, GAUGES, LT REAR TURN/STOP, and RT REAR TURN/STOP Fuses/Circuit Breakers
DIC
G103, G105, and G106
G200 and G202
G200 and G202
Figure 10:

Fuel Controls - Fuel Injectors


Object Number: 1593063  Size: FS
Master Electrical Component List
Engine Control Module Description
Controlled/Monitored Subsystem References 1 of 2
Fuel Controls - Fuel Heater and Water-In-Fuel Sensor
Engine Controls Schematic Icons
Engine Controls Schematic Icons
Engine Controls Schematic Icons
Engine Controls Schematic Icons
Engine Controls Schematic Icons
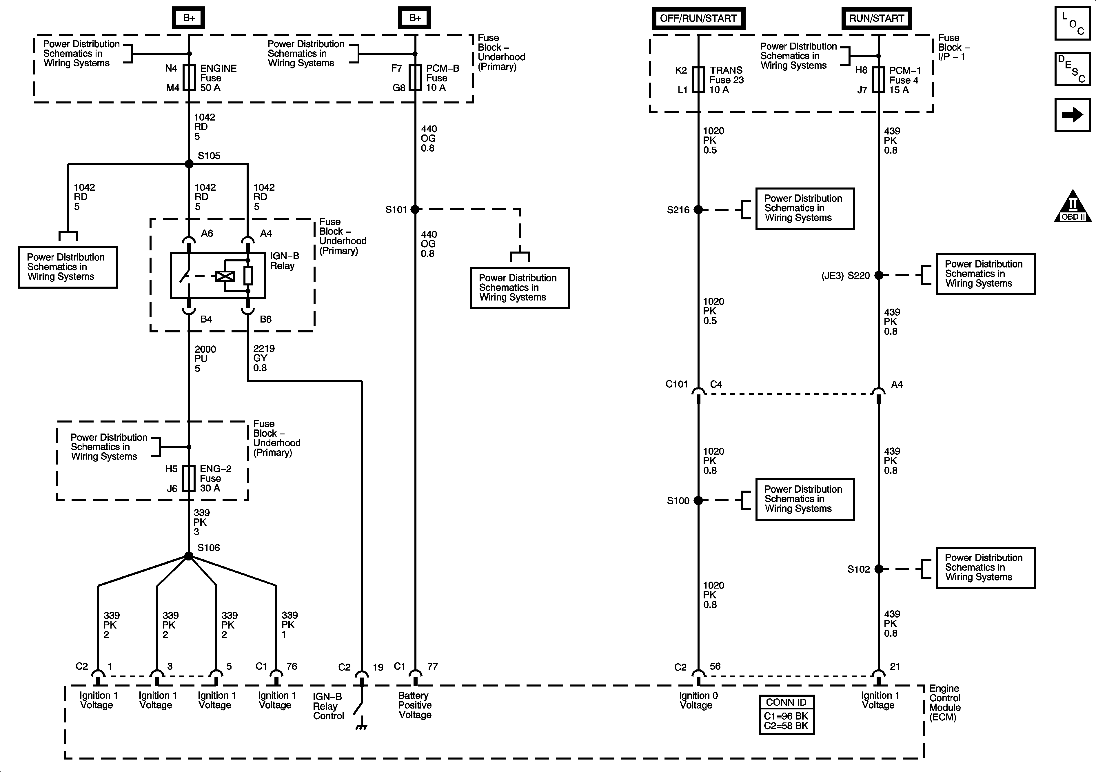
Figure 11:

Controlled/Monitored Subsystem References 1 of 2


Object Number: 1593064  Size: FS
Master Electrical Component List
Engine Control Module Description
Controlled/Monitored Subsystem References 2 of 2
Fuel Controls - Fuel Injectors
Engine Controls Schematic Icons
Starting System (L18/LLY)
Charging System (L18/LLY)
Engine Exhaust Brake Schematics
1 of 2
2 of 2
LG4 and LLY
Engine Cooling Schematics
C102 - Transmission Optional Connector and Internal Mode Switch - LLY/L18
A/C Compressor Controls - L18/LLY
Figure 12:

Controlled/Monitored Subsystem References 2 of 2


Object Number: 1593065  Size: FS
Master Electrical Component List
Engine Control Module Description
Controlled/Monitored Subsystem References 1 of 2
Engine Controls Schematic Icons
Power, Ground, Class 2 Serial Data, Transfer Case Shift Control Module and Transfer Case Encoder Motor
Instrument Panel Cluster - 2 of 2
DIC
Manual Transmission Schematics
Manual Transmission Schematics
Backup Lamps and Backup Alarm