GM Service Manual Online
For 1990-2009 cars only
Figure 1:

Module Power, Ground, Serial Data and MIL


Object Number: 1824305  Size: FS
Master Electrical Component List
Engine Control Component Description
Module Ground, Serial Data and MIL
Batteries - LG4/LG5 and B+ Bus
Ignition Switch - OFF/RUN/START, RUN/START, and START Bus Bars
ENGINE and PCM-1 Fuses/Circuit Breakers
TRANS Fuse/Circuit Breaker
A/C COMP, HTD FUEL, PCM-B, and RR DEFOG Fuses
Batteries - LG4/LG5 and B+ Bus
Engine Data Sensors - EGR Valve and Glow Plug Controls
Engine Data Sensors - Pressure and Temperature 2 of 2
G100 - LG4
Figure 2:

Engine Data Sensors - 5-Volt and Low Reference


Object Number: 1824307  Size: FS
Master Electrical Component List
Engine Control Component Description
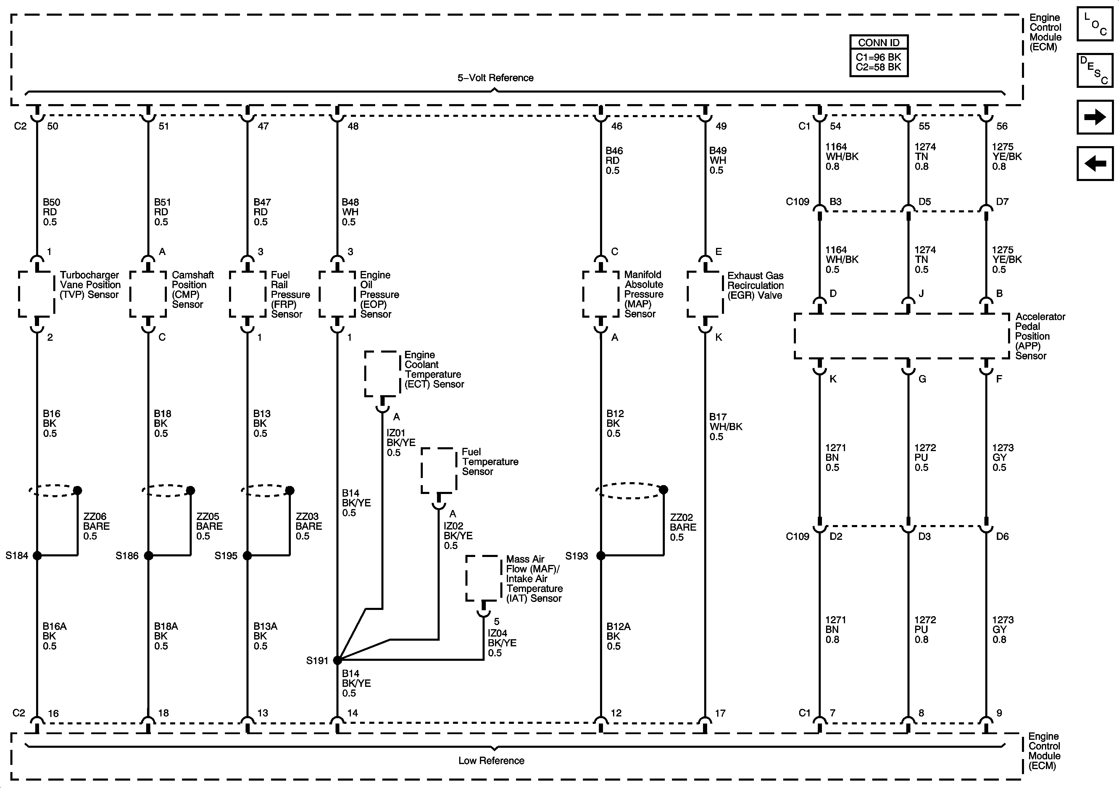
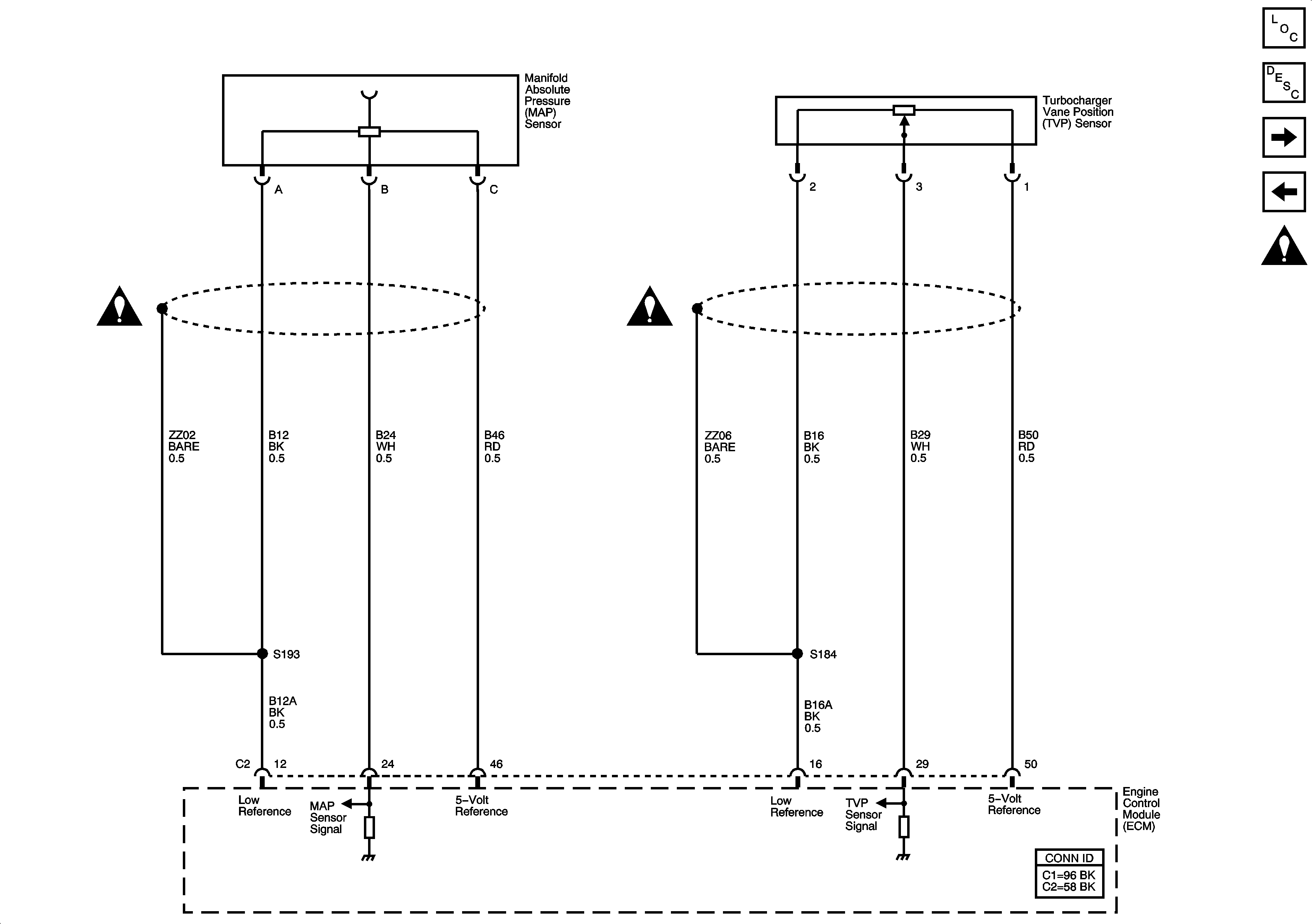
Engine Data Sensors - Pressure and Temperature 1 of 2
Module Power, Ground, Serial Data and MIL
Figure 3:

Engine Data Sensors - Pressure and Temperature 1 of 2


Object Number: 1824308  Size: FS
Master Electrical Component List
Engine Control Component Description
Engine Data Sensors - Pressure and Temperature 2 of 2
Engine Data Sensors - 5-Volt and Low Reference
Engine Controls Schematic Icons
Engine Controls Schematic Icons
Engine Controls Schematic Icons
Figure 4:

Engine Data Sensors - Pressure and Temperature 2 of 2


Object Number: 1824310  Size: FS
Master Electrical Component List
Engine Control Component Description
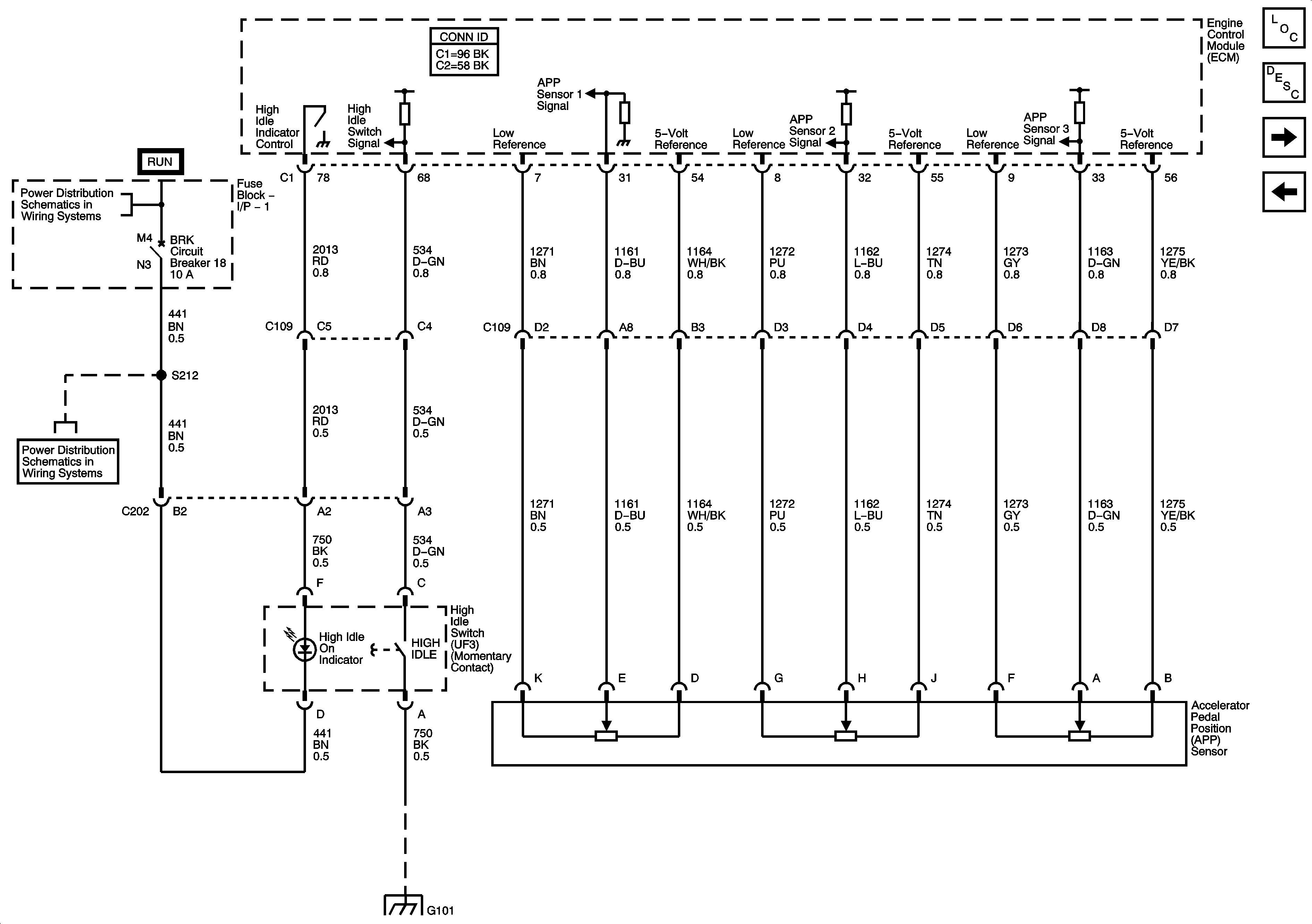
Engine Data Sensors - APP Sensor and High Idle Switch - UF3
Engine Data Sensors - Pressure and Temperature 1 of 2
Module Power, Ground, Serial Data and MIL
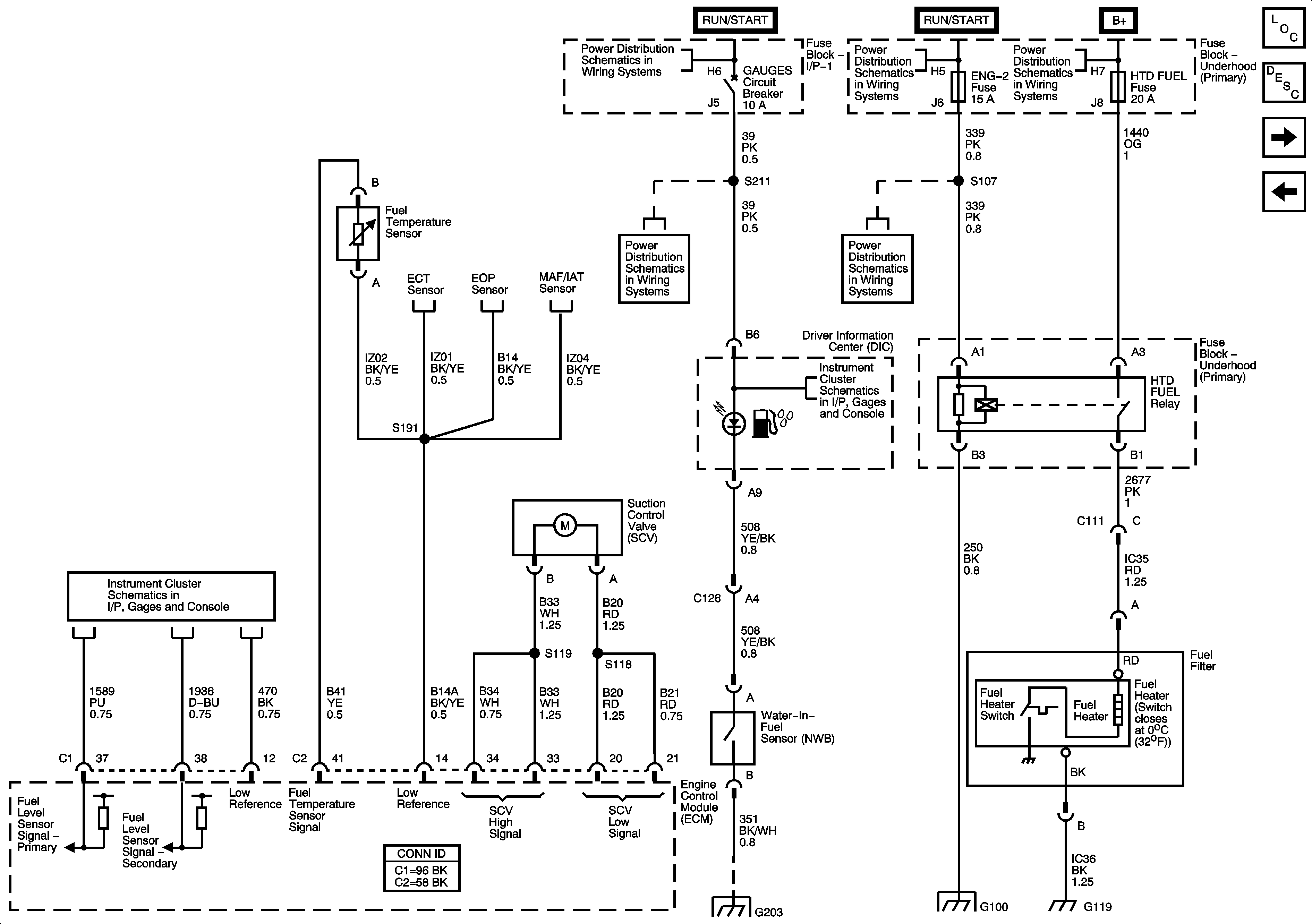
Fuel Controls - Fuel Sensors and Suction Control Valve (SCV)
Figure 5:

Engine Data Sensors - APP Sensor and High Idle Switch - UF3


Object Number: 1824313  Size: FS
Master Electrical Component List
Engine Control Component Description
Engine Data Sensors - VSS and Injector Timing Controls
Engine Data Sensors - Pressure and Temperature 2 of 2
Ignition Switch - RUN and ACC/RUN Bus Bars and IGN 3 Fuse
AXL/4WD, BRK, HTR/AC, and HYD/AIR BRK Fuses/Circuit Breakers
G101 - 1 of 2
Figure 6:

Engine Data Sensors - VSS and Injector Timing Controls


Object Number: 1824315  Size: FS
Master Electrical Component List
Engine Control Component Description
Engine Data Sensors - EGR Valve and Glow Plug Controls
Engine Data Sensors - APP Sensor and High Idle Switch - UF3
Engine Controls Schematic Icons
Engine Controls Schematic Icons
Engine Controls Schematic Icons
Module Power, Ground, Serial Data, MIL, VSS, and Torque Controls - L18/LLY
Manual Transmission Schematics
Instrument Panel Cluster - 2 of 2
Figure 7:

Engine Data Sensors - EGR Valve and Glow Plug Controls


Object Number: 1824319  Size: FS
Master Electrical Component List
Glow Plug System Description
Fuel Controls - Fuel Sensors and Suction Control Valve (SCV)
Engine Data Sensors - VSS and Injector Timing Controls
Ignition Switch - OFF/RUN/START, RUN/START, and START Bus Bars
AIRBAG, GAUGES, LT REAR TURN/STOP, and RT REAR TURN/STOP Fuses/Circuit Breakers
DIC
Module Power, Ground, Serial Data and MIL
Batteries - LG4/LG5 and B+ Bus
Figure 8:

Fuel Controls - Fuel Sensors and Suction Control Valve (SCV)


Object Number: 1824320  Size: FS
Master Electrical Component List
Engine Control Component Description
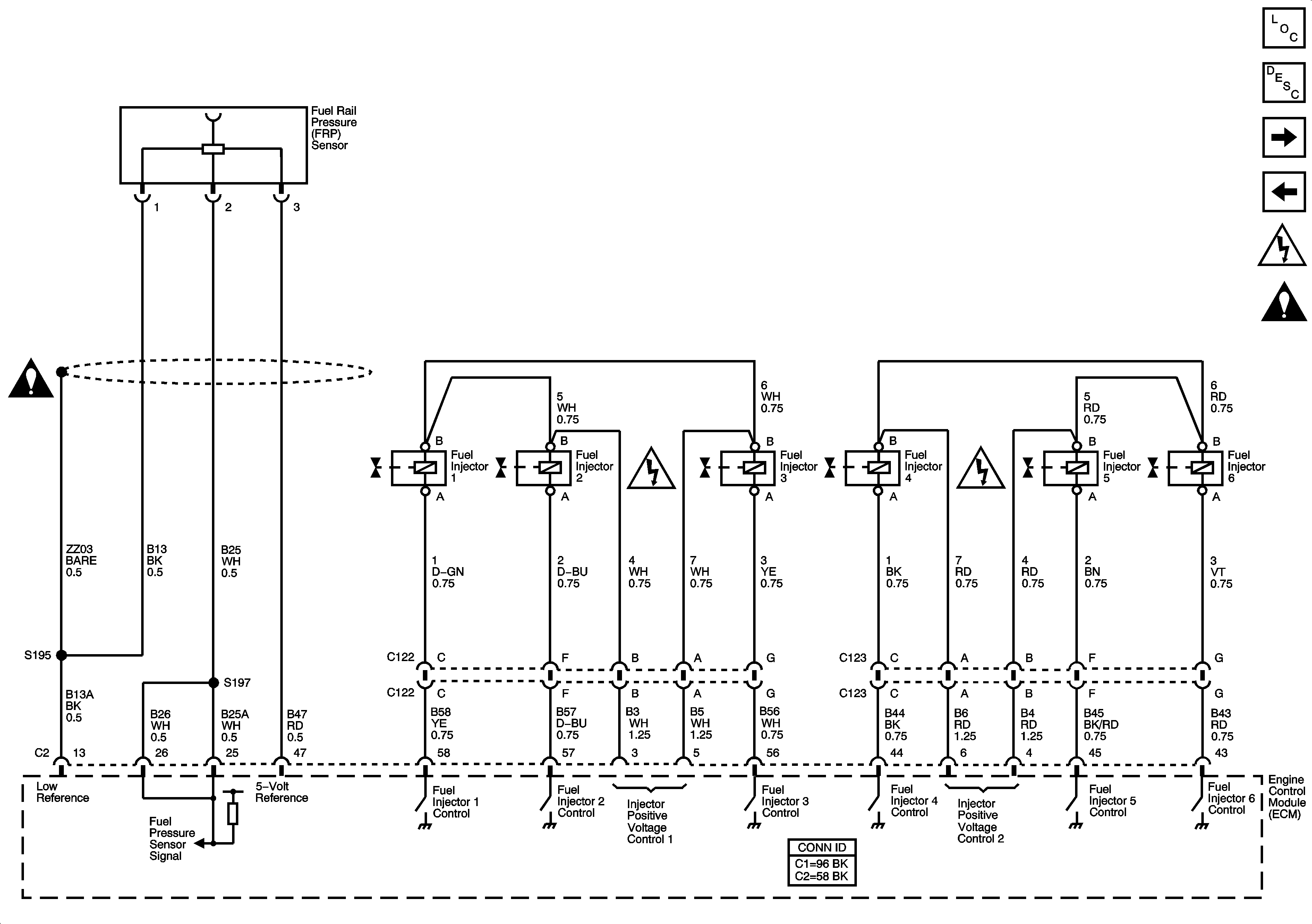
Fuel Controls - Fuel Injectors
Engine Data Sensors - EGR Valve and Glow Plug Controls
Ignition Switch - OFF/RUN/START, RUN/START, and START Bus Bars
ENG-2, and ENG-3 Fuses - LG4
A/C COMP, HTD FUEL, PCM-B, and RR DEFOG Fuses
Engine Data Sensors - Pressure and Temperature 2 of 2
AIRBAG, GAUGES, LT REAR TURN/STOP, and RT REAR TURN/STOP Fuses/Circuit Breakers
ENG-2, and ENG-3 Fuses - LG4
DIC
Fuel Gage
G100 - L18
G100 - LG4
G119 and G120
Figure 9:

Fuel Controls - Fuel Injectors


Object Number: 1824322  Size: FS
Master Electrical Component List
Engine Control Component Description
Controlled/Monitored Subsystem References
Fuel Controls - Fuel Sensors and Suction Control Valve (SCV)
Engine Controls Schematic Icons
Engine Controls Schematic Icons
Engine Controls Schematic Icons
Engine Controls Schematic Icons
Engine Controls Schematic Icons
Figure 10:

Controlled/Monitored Subsystem References


Object Number: 1824323  Size: FS
Master Electrical Component List
Engine Control Component Description
Fuel Controls - Fuel Injectors
LG4 and LLY
HPZ with Automatic Transmission
Manual Transmission Schematics
Starting System - 1 of 2 (LG4/LG5)
Starting System - 2 of 2 and Charging System (LG4/LG5)
Instrument Panel Cluster - 2 of 2
1 of 2
2 of 2
Engine Cooling Schematics
A/C Compressor Controls - LG4/LG5
Instrument Panel Cluster - 2 of 2
Engine Exhaust Brake Schematics
Stop Lamp Switch
BRK Fuse/Circuit Breaker
Backup Lamp Control