GM Service Manual Online
For 1990-2009 cars only
Figure 1:

BCM Power, Ground, and Serial Data


Object Number: 1750082  Size: FS
Master Electrical Component List
Body Control System Description and Operation
Control Module References
BCM Inputs and Outputs 1 of 4
Underhood Fuse Block B+ Bus - 1 of 2
Right Rear Fuse Block B+ Bus
BCM 7/CLOCK Fuse, FOG LAMP Fuse, FRNT WSHR Fuse, and IGN SW Fuse
Low Speed GMLAN Serial Data 1 of 2
Low Speed GMLAN Serial Data 1 of 2
High Speed GMLAN
High Speed GMLAN
Power Modes - ACCY and RAP
G201 (RHD)
G200 (1 of 2) LHD
Figure 2:

BCM Inputs and Outputs (1 of 4)


Object Number: 1750095  Size: FS
Master Electrical Component List
Body Control System Description and Operation
Control Module References
BCM Inputs and Outputs 2 of 4
BCM Power, Ground, and Serial Data
Power Modes - ACCY and RAP
IGN SW Fuse and Ignition Switch
Ignition Power Modes - RUN
IGN SW Fuse and Ignition Switch
Power Modes - ACCY and RAP
Ignition Power Modes - RUN
Power Modes - ACCY and RAP
Courtesy Lamps
Courtesy Lamps
Dimming Lamps (3 of 3)
Interior Lamps Dimming Controls
Interior Lamps Dimming Controls
Rear Door Locks (Domestic)
Rear Door Locks (Export)
Interior Lamps Dimming Controls
Dimming Lamps (1 of 3)
Interior Lamps Dimming Controls
Interior Lamps Dimming Controls
Rear Door Locks (Domestic)
Rear Door Locks (Export)
Figure 3:

BCM Inputs and Outputs (2 of 4)


Object Number: 1750099  Size: FS
Master Electrical Component List
Body Control System Description and Operation
Control Module References
BCM Inputs and Outputs 3 of 4
BCM Inputs and Outputs 1 of 4
Headlamp Controls
Headlamp Controls
Headlamp Controls
Park Lamps Domestic 1 of 2
Park Lamps - Export 1 of 2
Backup Lamps
Hazard and Turn Lamps - Domestic
Hazard and Turn Lamps - Domestic
Hazard and Turn Lamps - Export
Hazard and Turn Lamps - Export
Hazard and Turn Lamps - Domestic
Stop Lamps - Domestic
Stop Lamps - Export
Hazard and Turn Lamps - Export
Stop Lamps - Export
Stop Lamps - Domestic
Front Fog Lamps
Rear Fog Lamps
Stop Lamps - Domestic
Stop Lamps - Export
Figure 4:

BCM Inputs and Outputs (3 of 4)


Object Number: 1750102  Size: FS
Master Electrical Component List
Body Control System Description and Operation
Control Module References
BCM Inputs and Outputs 4 OF 4
BCM Inputs and Outputs 2 of 4
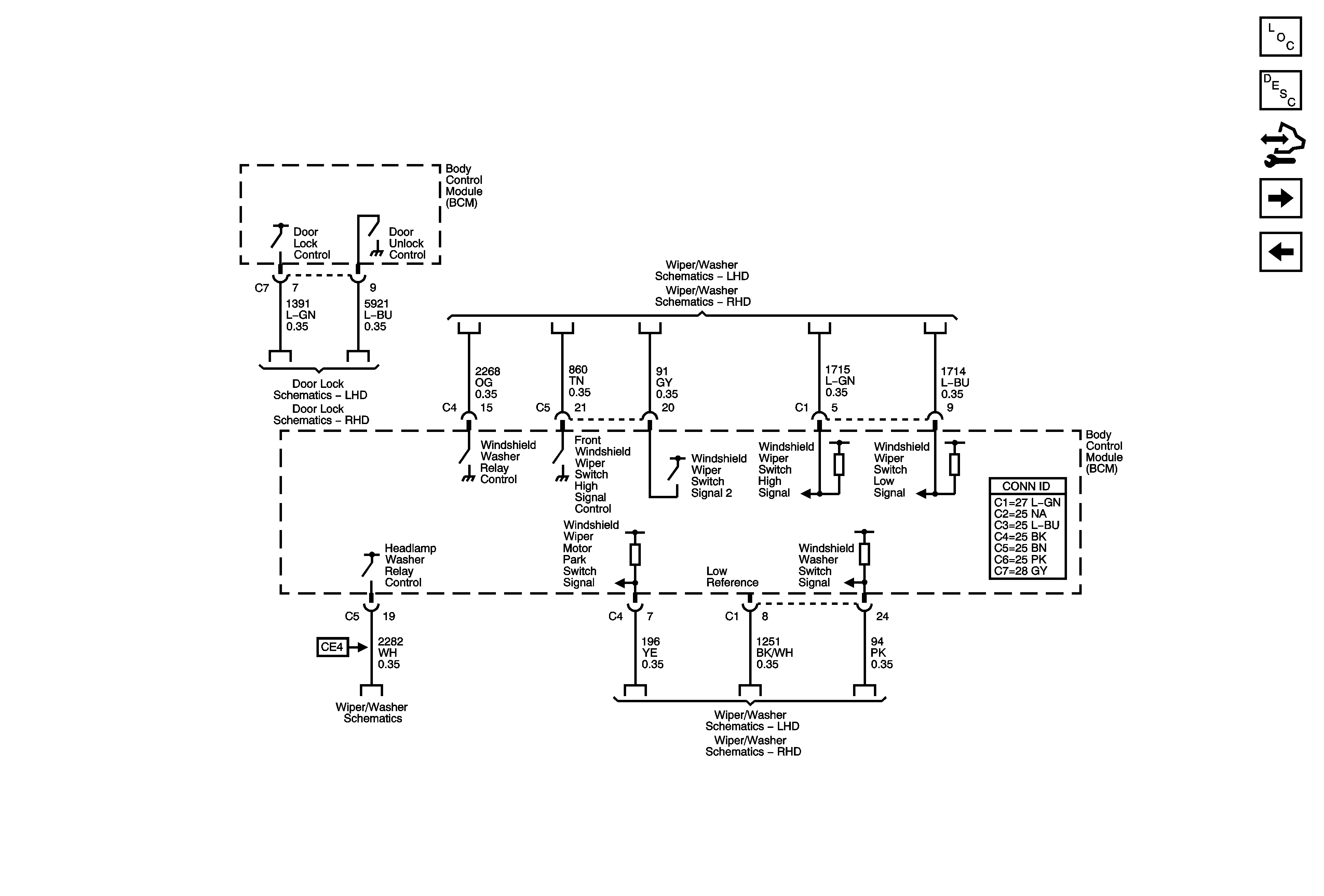
Front Wiper/Washer Controls (LHD)
Front Wiper/Washer Controls (RHD)
Rear Door Locks (Domestic)
Rear Door Locks (Export)
Headlamp Washers (CE4)
Front Wiper/Washer Controls (LHD)
Front Wiper/Washer Controls (RHD)
Figure 5:

BCM Inputs and Outputs (4 of 4)


Object Number: 1750111  Size: FS
Master Electrical Component List
Body Control System Description and Operation
Control Module References
Rear Body Control Module References (Export w/ UTA/UTB/UTC)
BCM Inputs and Outputs 3 of 4
Indicator, Traction Control, and Brake Pedal Position Sensor
Hydraulic Brakes Schematics
Horns Schematics
Charging System
Tap Shift System
Tap Shift System
Tap Shift System
Transmission Range Signals and Tow/Haul Switch
Shift Lock Schematics
Ignition Lock Schematic
Steering Wheel Controls Schematic
Cruise Control Schematics
Content Theft Deterrent (CTD) - Export
Content Theft Deterrent (CTD) - Export
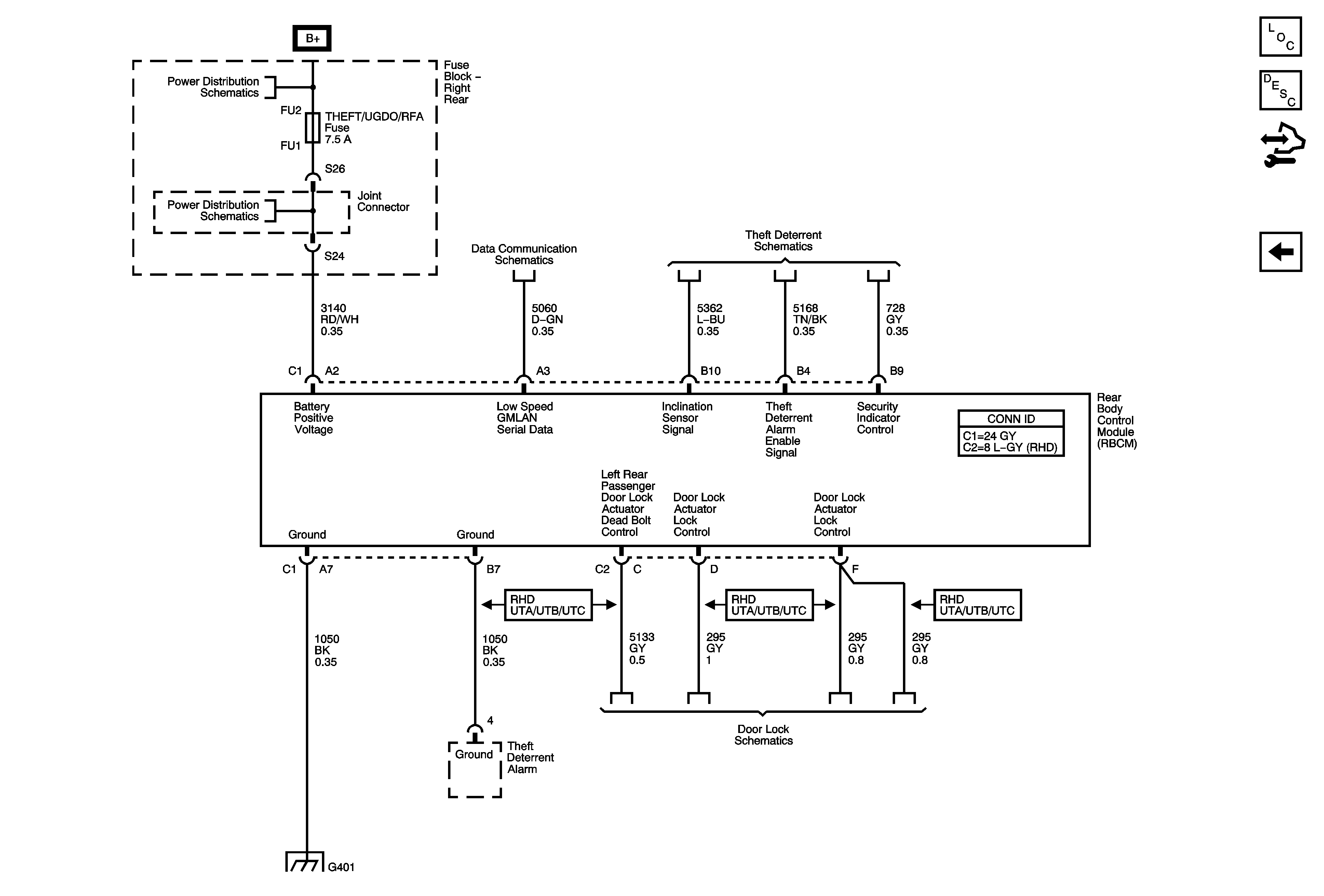
Figure 6:

Rear Body Control Module References (Export w/ UTA/UTB/UTC)


Object Number: 1857226  Size: FS
Master Electrical Component List
Body Control System Description and Operation
Control Module References
BCM Inputs and Outputs 4 OF 4
Right Rear Fuse Block B+ Bus
PWR SEATS Circuit Breaker, SUNROOF MOD Fuse, THEFT VGDO/RFA Fuse
Low Speed GMLAN Serial Data 2 of 2
Content Theft Deterrent (CTD) - Export
Rear Door Locks (Export)
G401 (1 of 3)